Информационная система
«Ёшкин Кот»

Скачать базу одним архивом
Скачать обновления
История создания базы
Карта сайта

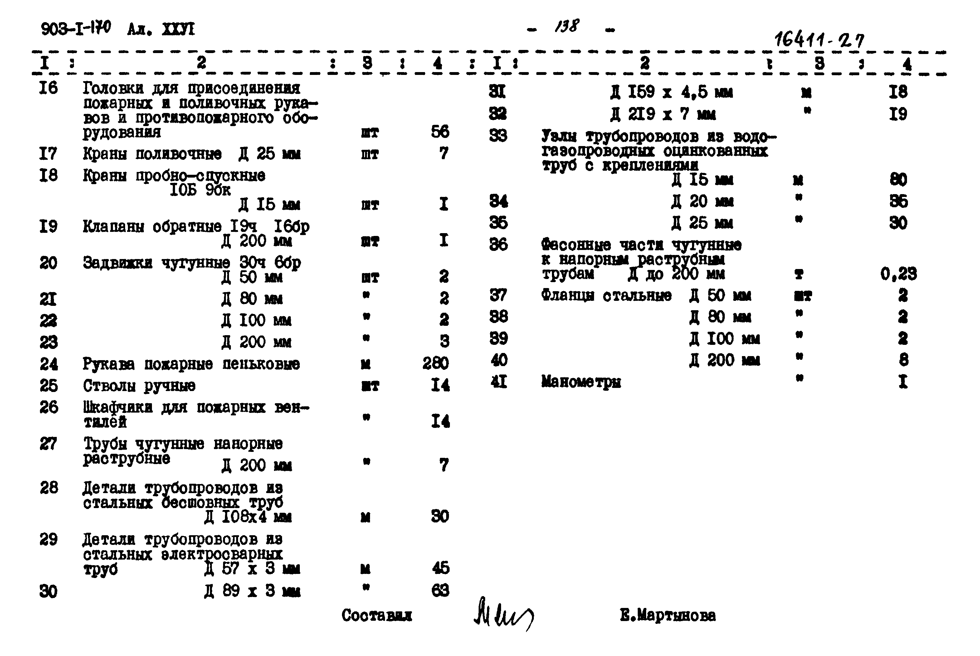
Скачать Типовой проект 903-1-170 Альбом XXVI. Сметы. Сводка затрат и сметы на строительные работы котельной

Дата актуализации: 10.08.2017

Типовой проект 903-1-170

Альбом XXVI. Сметы. Сводка затрат и сметы на строительные работы котельной

Обозначение: Типовой проект 903-1-170
Обозначение англ: 903-1-170
Статус:заменен
Название рус.:Альбом XXVI. Сметы. Сводка затрат и сметы на строительные работы котельной
Дата добавления в базу:01.09.2013
Дата актуализации:05.05.2017
Дата введения:01.04.1988
Разработан: ГПИ Сантехпроект Госстроя СССР
Минтяжмаш СССР
Союзпроммеханизация
Утверждён:28.12.1979 ГПИ Сантехпроект (217)
Расположен в:Техническая документация Строительство Справочные документы Типовые строительные конструкции, изделия и узлы Общероссийский строительный каталог Промышленные предприятия, здания и сооружения Здания и сооружения санитарно-технические Теплоснабжение Котельные установки Открытые системы теплоснабжения Топливо - каменные и бурые угли
Заменяет собой:
  • Типовой проект 903-1-119
Чем заменён:
Типовой проект 903-1-170Типовой проект 903-1-170Типовой проект 903-1-170Типовой проект 903-1-170Типовой проект 903-1-170Типовой проект 903-1-170Типовой проект 903-1-170Типовой проект 903-1-170Типовой проект 903-1-170Типовой проект 903-1-170Типовой проект 903-1-170Типовой проект 903-1-170Типовой проект 903-1-170Типовой проект 903-1-170Типовой проект 903-1-170Типовой проект 903-1-170Типовой проект 903-1-170Типовой проект 903-1-170Типовой проект 903-1-170Типовой проект 903-1-170Типовой проект 903-1-170Типовой проект 903-1-170Типовой проект 903-1-170Типовой проект 903-1-170Типовой проект 903-1-170Типовой проект 903-1-170Типовой проект 903-1-170Типовой проект 903-1-170Типовой проект 903-1-170Типовой проект 903-1-170Типовой проект 903-1-170Типовой проект 903-1-170Типовой проект 903-1-170Типовой проект 903-1-170Типовой проект 903-1-170Типовой проект 903-1-170Типовой проект 903-1-170Типовой проект 903-1-170Типовой проект 903-1-170Типовой проект 903-1-170Типовой проект 903-1-170Типовой проект 903-1-170Типовой проект 903-1-170Типовой проект 903-1-170Типовой проект 903-1-170Типовой проект 903-1-170Типовой проект 903-1-170Типовой проект 903-1-170Типовой проект 903-1-170Типовой проект 903-1-170Типовой проект 903-1-170Типовой проект 903-1-170Типовой проект 903-1-170Типовой проект 903-1-170Типовой проект 903-1-170Типовой проект 903-1-170Типовой проект 903-1-170Типовой проект 903-1-170Типовой проект 903-1-170Типовой проект 903-1-170Типовой проект 903-1-170Типовой проект 903-1-170Типовой проект 903-1-170Типовой проект 903-1-170Типовой проект 903-1-170Типовой проект 903-1-170Типовой проект 903-1-170Типовой проект 903-1-170Типовой проект 903-1-170Типовой проект 903-1-170Типовой проект 903-1-170Типовой проект 903-1-170Типовой проект 903-1-170Типовой проект 903-1-170Типовой проект 903-1-170Типовой проект 903-1-170Типовой проект 903-1-170Типовой проект 903-1-170Типовой проект 903-1-170Типовой проект 903-1-170Типовой проект 903-1-170Типовой проект 903-1-170Типовой проект 903-1-170Типовой проект 903-1-170Типовой проект 903-1-170Типовой проект 903-1-170Типовой проект 903-1-170Типовой проект 903-1-170Типовой проект 903-1-170Типовой проект 903-1-170Типовой проект 903-1-170Типовой проект 903-1-170Типовой проект 903-1-170Типовой проект 903-1-170Типовой проект 903-1-170Типовой проект 903-1-170Типовой проект 903-1-170Типовой проект 903-1-170Типовой проект 903-1-170Типовой проект 903-1-170Типовой проект 903-1-170Типовой проект 903-1-170Типовой проект 903-1-170Типовой проект 903-1-170Типовой проект 903-1-170Типовой проект 903-1-170Типовой проект 903-1-170Типовой проект 903-1-170Типовой проект 903-1-170Типовой проект 903-1-170Типовой проект 903-1-170Типовой проект 903-1-170Типовой проект 903-1-170Типовой проект 903-1-170Типовой проект 903-1-170Типовой проект 903-1-170Типовой проект 903-1-170Типовой проект 903-1-170Типовой проект 903-1-170Типовой проект 903-1-170Типовой проект 903-1-170Типовой проект 903-1-170Типовой проект 903-1-170Типовой проект 903-1-170Типовой проект 903-1-170Типовой проект 903-1-170Типовой проект 903-1-170Типовой проект 903-1-170Типовой проект 903-1-170Типовой проект 903-1-170Типовой проект 903-1-170Типовой проект 903-1-170Типовой проект 903-1-170Типовой проект 903-1-170Типовой проект 903-1-170Типовой проект 903-1-170Типовой проект 903-1-170Типовой проект 903-1-170Типовой проект 903-1-170Типовой проект 903-1-170Типовой проект 903-1-170Типовой проект 903-1-170Типовой проект 903-1-170Типовой проект 903-1-170Типовой проект 903-1-170Типовой проект 903-1-170Типовой проект 903-1-170Типовой проект 903-1-170Типовой проект 903-1-170

© 2013 Ёшкин Кот :-) Карта сайта