Информационная система
«Ёшкин Кот»

Скачать базу одним архивом
Скачать обновления
История создания базы
Карта сайта

Скачать Типовой проект 702-3-3.83 Альбом III. Изделия заводского изготовления

Дата актуализации: 10.08.2017

Типовой проект 702-3-3.83

Альбом III. Изделия заводского изготовления

Обозначение: Типовой проект 702-3-3.83
Обозначение англ: 702-3-3.83
Статус:действует
Название рус.:Альбом III. Изделия заводского изготовления
Дата добавления в базу:01.09.2013
Дата актуализации:05.05.2017
Дата введения:30.05.1983
Оглавление:ТП 702-3-3.83-КЖИ-ДО Опись документов
ТП 702-3-3.83-КЖИ-К3а-4-2-1 Колонна К3а-4-2-1. Вид 1-1. Армирование
ТП 702-3-3.83-КЖИ-К3а-4-2-2 Колонна К3а-4-2-2. Вид 1-1. Армирование
ТП 702-3-3.83-КЖИ-К3а-4-2-3 Колонна К3а-4-2-3. Вид 1-1. Армирование
ТП 702-3-3.83-КЖИ-К3а-4-2-4 Колонна К3а-4-2-4. Вид 1-1. Армирование
ТП 702-3-3.83-КЖИ-К3а-4-2-5 Колонна К3а-4-2-5. Вид 1-1. Армирование
ТП 702-3-3.83-КЖИ-К3а-4-2-6 Колонна К3а-4-2-6. Вид 1-1. Армирование
ТП 702-3-3.83-КЖИ-К3а-4-2-7 Колонна К3а-4-2-7. Вид 1-1. Армирование
ТП 702-3-3.83-КЖИ-К3а-4-2-8 Колонна К3а-4-2-8. Вид 1-1. Армирование
ТП 702-3-3.83-КЖИ-К3а-4-2-9 Колонна К3а-4-2-9. Вид 1-1. Армирование
ТП 702-3-3.83-КЖИ-К3а-4-2-10 Колонна К3а-4-2-10. Вид 1-1. Армирование
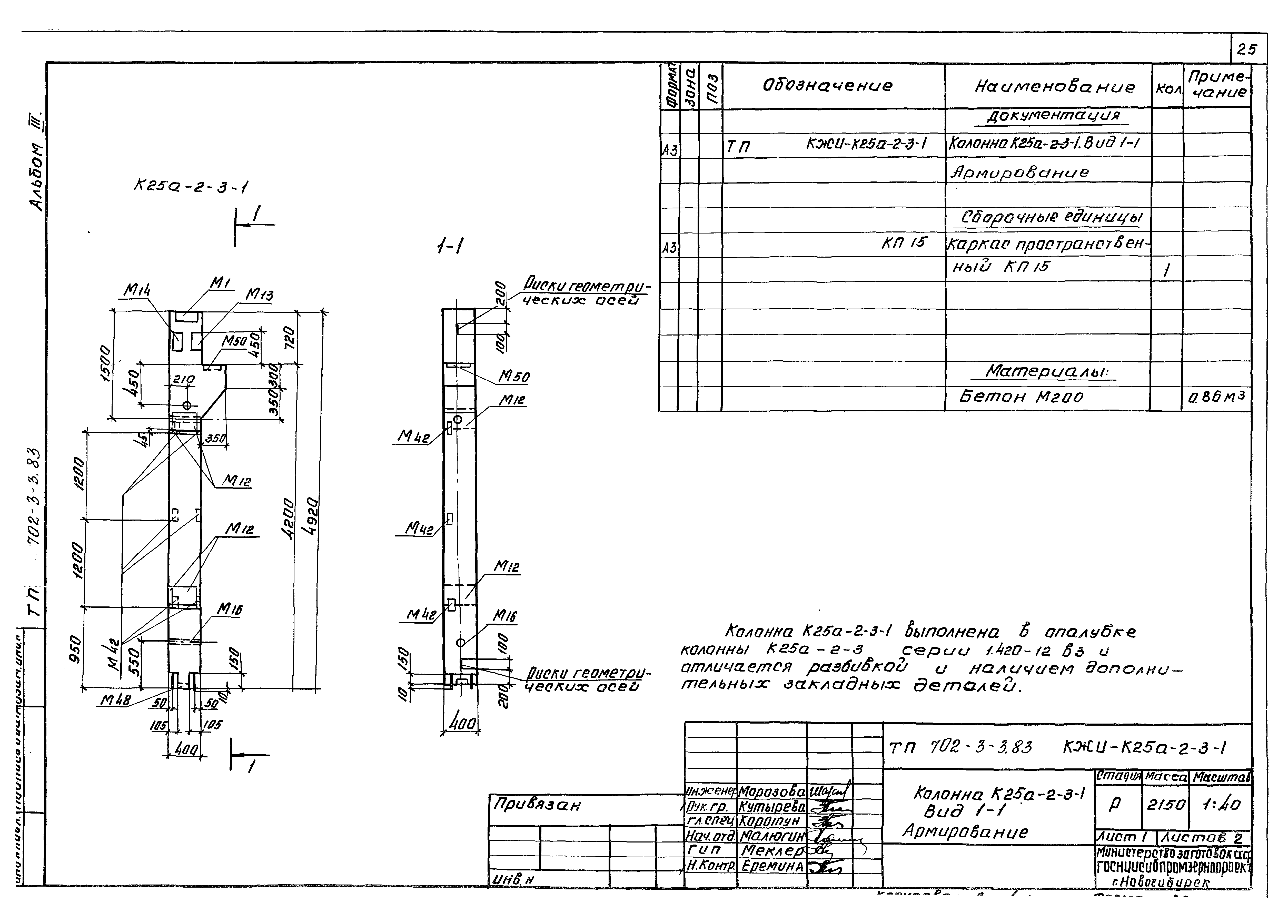
ТП 702-3-3.83-КЖИ-К25а-2-3-1 Колонна К25а-2-3-1. Вид 1-1. Армирование
ТП 702-3-3.83-КЖИ-К25а-2-3-2,К25а-2-3-3 Колонна К25а-2-3-2,К25а-2-3-3. Вид 1-1. Армирование
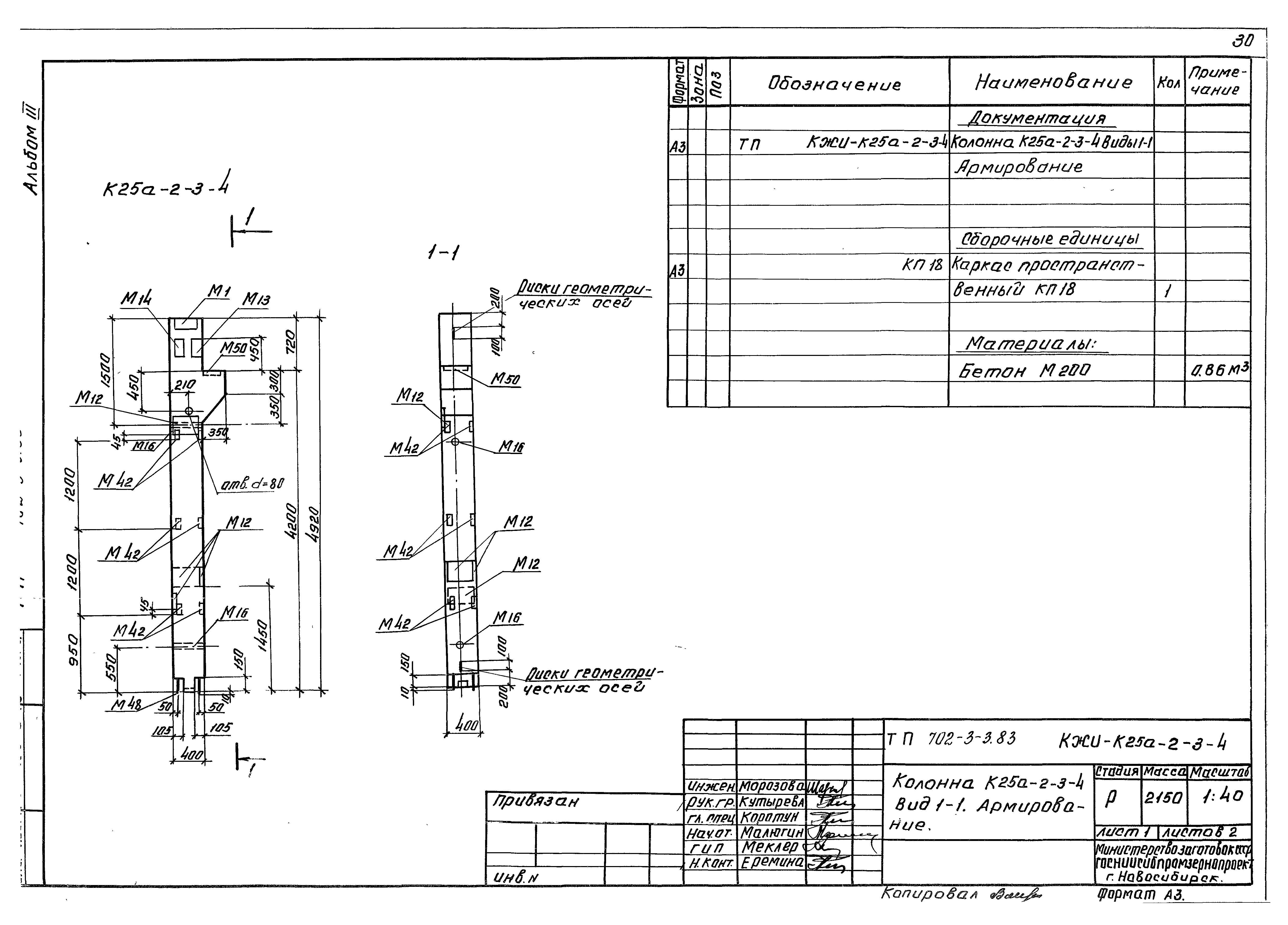
ТП 702-3-3.83-КЖИ-К25а-2-3-4 Колонна К25а-2-3-4. Вид 1-1. Армирование
ТП 702-3-3.83-КЖИ-БОС2-1-1,БОС2-1-1а Железобетонные обвязочные балки БОС2-1-1,БОС2-1-1а
ТП 702-3-3.83-КЖИ-П1-П3 Плиты перекрытия П1-П3
ТП 702-3-3.83-КЖИ-П4-П6 Плиты перекрытия П4-П6
ТП 702-3-3.83-КЖИ-П2-1 Плита перекрытия П2-1
ТП 702-3-3.83-КЖИ-П3-1 Плита перекрытия П3-1
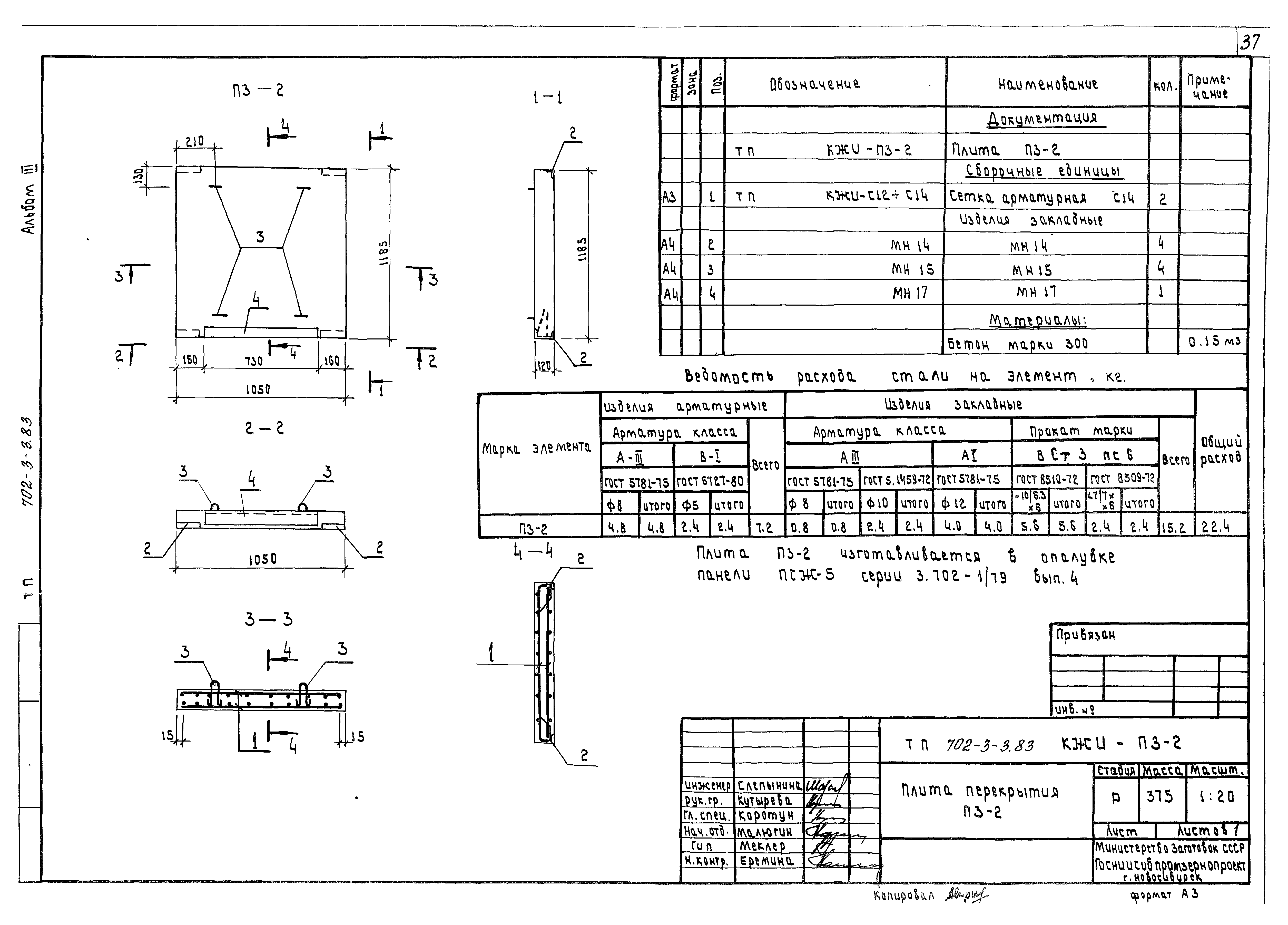
ТП 702-3-3.83-КЖИ-П3-2 Плита перекрытия П3-2
ТП 702-3-3.83-КЖИ-1П7-2АIIIт-1 Плита перекрытия 1П7-2АIIIт-1
ТП 702-3-3.83-КЖИ-1П3-2АIIIт-1 Плита перекрытия 1П3-2АIIIт-1
ТП 702-3-3.83-КЖИ-1П3-2АIIIт-2 Плита перекрытия 1П3-2АIIIт-2
ТП 702-3-3.83-КЖИ-1П3-2АIIIт-3 Плита перекрытия 1П3-2АIIIт-3
ТП 702-3-3.83-КЖИ-П16 Плита перекрытия П16
ТП 702-3-3.83-КЖИ-П17,П18 Плита перекрытия П17,П18
ТП 702-3-3.83-КЖИ-ПС635.12-1АIV-т-11-1, ПС635.12-1АIV-т-12-2, ПС635.9-1АIV-т-11-7, ПС635.9-1АIV-т-12-8 Панели стеновые ПС635.12-1АIV-т-11-1, ПС635.12-1АIV-т-12-2, ПС635.9-1АIV-т-11-7, ПС635.9-1АIV-т-12-8
ТП 702-3-3.83-КЖИ-ПС635.12-1АIV-т-11-9, ПС600.12-1АIV-т-11-11, ПС600.12-1АIV-т-12-12 Панели стеновые ПС635.12-1АIV-т-11-9, ПС600.12-1АIV-т-11-11, ПС600.12-1АIV-т-12-12
ТП 702-3-3.83-КЖИ-ПС300.9-1ВI-т-21-15, ПС300.9-1ВI-т-21-16 Панели стеновые ПС300.9-1ВI-т-21-15, ПС300.9-1ВI-т-21-16
ТП 702-3-3.83-КЖИ-ПС600.9-4АIV-т-11-13, ПС600.9-4АIV-т-12-14, ПС300.9-1ВI-т-21-17 Панели стеновые ПС600.9-4АIV-т-11-13, ПС600.9-4АIV-т-12-14, ПС300.9-1ВI-т-21-17
ТП 702-3-3.83-КЖИ-ПС635.9-1АIV-т-11-4, ПС635.9-1АIV-т-12-5, ПС635.12-1АIV-т-11-10 Панели стеновые ПС635.9-1АIV-т-11-4, ПС635.9-1АIV-т-12-5, ПС635.12-1АIV-т-11-10
ТП 702-3-3.83-КЖИ-КВ16-2,КВ22-3,КВ22-3а,КВ22-4 Козырьки КВ16-2,КВ22-3,КВ22-3а,КВ22-4
ТП 702-3-3.83-КЖИ-КП1 Каркас пространственный КП1
ТП 702-3-3.83-КЖИ-КП2 Каркас пространственный КП2
ТП 702-3-3.83-КЖИ-КП3,КП4 Каркас пространственный КП3,КП4
ТП 702-3-3.83-КЖИ-КП5 Каркас пространственный КП5
ТП 702-3-3.83-КЖИ-КП6 Каркас пространственный КП6
ТП 702-3-3.83-КЖИ-КП7 Каркас пространственный КП7
ТП 702-3-3.83-КЖИ-КП8 Каркас пространственный КП8
ТП 702-3-3.83-КЖИ-КП9 Каркас пространственный КП9
ТП 702-3-3.83-КЖИ-КП10 Каркас пространственный КП10
ТП 702-3-3.83-КЖИ-КП11 Каркас пространственный КП11
ТП 702-3-3.83-КЖИ-КП12 Каркас пространственный КП12
ТП 702-3-3.83-КЖИ-КП13 Каркас пространственный КП13
ТП 702-3-3.83-КЖИ-КП14 Каркас пространственный КП14
ТП 702-3-3.83-КЖИ-КП15 Каркас пространственный КП15
ТП 702-3-3.83-КЖИ-КП16 Каркас пространственный КП16
ТП 702-3-3.83-КЖИ-КП17 Каркас пространственный КП17
ТП 702-3-3.83-КЖИ-КП18 Каркас пространственный КП18
ТП 702-3-3.83-КЖИ-КР1 Каркас плоский КР1
ТП 702-3-3.83-КЖИ-КР2 Каркас плоский КР2
ТП 702-3-3.83-КЖИ-КР4-КР7 Каркас плоский КР4-КР7
ТП 702-3-3.83-КЖИ-КР8,КР9 Каркас плоский КР8,КР9
ТП 702-3-3.83-КЖИ-КР10 Каркас плоский КР10
ТП 702-3-3.83-КЖИ-КР11 Каркас плоский КР11
ТП 702-3-3.83-КЖИ-КР13,КР14 Каркас плоский КР13,КР14
ТП 702-3-3.83-КЖИ-КР12 Каркас плоский КР12
ТП 702-3-3.83-КЖИ-КР15 Каркас плоский КР15
ТП 702-3-3.83-КЖИ-КР16 Каркас плоский КР16
ТП 702-3-3.83-КЖИ-КР17 Каркас плоский КР17
ТП 702-3-3.83-КЖИ-КР18 Каркас плоский КР18
ТП 702-3-3.83-КЖИ-КР19 Каркас плоский КР19
ТП 702-3-3.83-КЖИ-КР20 Каркас плоский КР20
ТП 702-3-3.83-КЖИ-КР21 Каркас плоский КР21
ТП 702-3-3.83-КЖИ-КР22 Каркас плоский КР22
ТП 702-3-3.83-КЖИ-КР23 Каркас плоский КР23
ТП 702-3-3.83-КЖИ-КР3 Каркас плоский КР3
ТП 702-3-3.83-КЖИ-КР24 Каркас плоский КР24
ТП 702-3-3.83-КЖИ-КР25,КР26 Каркас плоский КР25,КР26
ТП 702-3-3.83-КЖИ-КР27 Каркас плоский КР27
ТП 702-3-3.83-КЖИ-КР28 Каркас плоский КР28
ТП 702-3-3.83-КЖИ-С1 Сетка арматурная С1
ТП 702-3-3.83-КЖИ-С2 Сетка арматурная С2
ТП 702-3-3.83-КЖИ-С3 Сетка арматурная С3
ТП 702-3-3.83-КЖИ-С4 Сетка арматурная С4
ТП 702-3-3.83-КЖИ-С5 Сетка арматурная С5
ТП 702-3-3.83-КЖИ-С6 Сетка арматурная С6
ТП 702-3-3.83-КЖИ-С7 Сетка арматурная С7
ТП 702-3-3.83-КЖИ-С8 Сетка арматурная С8
ТП 702-3-3.83-КЖИ-С9 Сетка арматурная С9
ТП 702-3-3.83-КЖИ-С10 Сетка арматурная С10
ТП 702-3-3.83-КЖИ-С11 Сетка арматурная С11
ТП 702-3-3.83-КЖИ-С12-С14 Сетка арматурная С12-С14
ТП 702-3-3.83-КЖИ-С15-С17 Сетка арматурная С15-С17
ТП 702-3-3.83-КЖИ-С18 Сетка арматурная С18
ТП 702-3-3.83-КЖИ-МН1 Изделие закладное МН1
ТП 702-3-3.83-КЖИ-МН8 Изделие закладное МН8
ТП 702-3-3.83-КЖИ-МН11 Изделие закладное МН11
ТП 702-3-3.83-КЖИ-МН12 Изделие закладное МН12
ТП 702-3-3.83-КЖИ-МН13 Изделие закладное МН13
ТП 702-3-3.83-КЖИ-МН14 Изделие закладное МН14
ТП 702-3-3.83-КЖИ-МН15 Изделие закладное МН15
ТП 702-3-3.83-КЖИ-МН16 Изделие закладное МН16
ТП 702-3-3.83-КЖИ-МН17 Изделие закладное МН17
ТП 702-3-3.83-КЖИ-МС1 Изделие соединительное МС1
ТП 702-3-3.83-КЖИ-МС2 Изделие соединительное МС2
ТП 702-3-3.83-КЖИ-МС3 Изделие соединительное МС3
ТП 702-3-3.83-КЖИ-МС14 Изделие соединительное МС14
ТП 702-3-3.83-КЖИ-ФК1 Опорная консоль ФК1
ТП 702-3-3.83-КЖИ-НС1 Накладка НС1
ТП 702-3-3.83-КЖИ-НС2 Накладка НС2
ТП 702-3-3.83-КЖИ-БМ1-БМ3 Балки металлические БМ1-БМ3
Разработан: Госниисибпромзернопроект
Утверждён:13.05.1982 Министерство заготовок СССР (USSR Ministry of Procurements 135)
Расположен в:Техническая документация Строительство Справочные документы Типовые строительные конструкции, изделия и узлы Общероссийский строительный каталог Промышленные предприятия, здания и сооружения Предприятия, здания и сооружения складские Элеваторы и зернохранилища Устройства приемные
Типовой проект 702-3-3.83Типовой проект 702-3-3.83Типовой проект 702-3-3.83Типовой проект 702-3-3.83Типовой проект 702-3-3.83Типовой проект 702-3-3.83Типовой проект 702-3-3.83Типовой проект 702-3-3.83Типовой проект 702-3-3.83Типовой проект 702-3-3.83Типовой проект 702-3-3.83Типовой проект 702-3-3.83Типовой проект 702-3-3.83Типовой проект 702-3-3.83Типовой проект 702-3-3.83Типовой проект 702-3-3.83Типовой проект 702-3-3.83Типовой проект 702-3-3.83Типовой проект 702-3-3.83Типовой проект 702-3-3.83Типовой проект 702-3-3.83Типовой проект 702-3-3.83Типовой проект 702-3-3.83Типовой проект 702-3-3.83Типовой проект 702-3-3.83Типовой проект 702-3-3.83Типовой проект 702-3-3.83Типовой проект 702-3-3.83Типовой проект 702-3-3.83Типовой проект 702-3-3.83Типовой проект 702-3-3.83Типовой проект 702-3-3.83Типовой проект 702-3-3.83Типовой проект 702-3-3.83Типовой проект 702-3-3.83Типовой проект 702-3-3.83Типовой проект 702-3-3.83Типовой проект 702-3-3.83Типовой проект 702-3-3.83Типовой проект 702-3-3.83Типовой проект 702-3-3.83Типовой проект 702-3-3.83Типовой проект 702-3-3.83Типовой проект 702-3-3.83Типовой проект 702-3-3.83Типовой проект 702-3-3.83Типовой проект 702-3-3.83Типовой проект 702-3-3.83Типовой проект 702-3-3.83Типовой проект 702-3-3.83Типовой проект 702-3-3.83Типовой проект 702-3-3.83Типовой проект 702-3-3.83Типовой проект 702-3-3.83Типовой проект 702-3-3.83Типовой проект 702-3-3.83Типовой проект 702-3-3.83Типовой проект 702-3-3.83Типовой проект 702-3-3.83Типовой проект 702-3-3.83Типовой проект 702-3-3.83Типовой проект 702-3-3.83Типовой проект 702-3-3.83Типовой проект 702-3-3.83Типовой проект 702-3-3.83Типовой проект 702-3-3.83Типовой проект 702-3-3.83Типовой проект 702-3-3.83Типовой проект 702-3-3.83Типовой проект 702-3-3.83Типовой проект 702-3-3.83Типовой проект 702-3-3.83Типовой проект 702-3-3.83Типовой проект 702-3-3.83Типовой проект 702-3-3.83Типовой проект 702-3-3.83Типовой проект 702-3-3.83Типовой проект 702-3-3.83Типовой проект 702-3-3.83Типовой проект 702-3-3.83Типовой проект 702-3-3.83Типовой проект 702-3-3.83Типовой проект 702-3-3.83Типовой проект 702-3-3.83Типовой проект 702-3-3.83Типовой проект 702-3-3.83Типовой проект 702-3-3.83Типовой проект 702-3-3.83Типовой проект 702-3-3.83Типовой проект 702-3-3.83Типовой проект 702-3-3.83Типовой проект 702-3-3.83Типовой проект 702-3-3.83Типовой проект 702-3-3.83Типовой проект 702-3-3.83

© 2013 Ёшкин Кот :-) Карта сайта