Информационная система
«Ёшкин Кот»

Скачать базу одним архивом
Скачать обновления
История создания базы
Карта сайта

Скачать Типовой проект 902-1-114.87 Альбом 6. Строительные решения. Подземная часть. Изделия (из ТП 902-1-113.87)

Дата актуализации: 10.08.2017

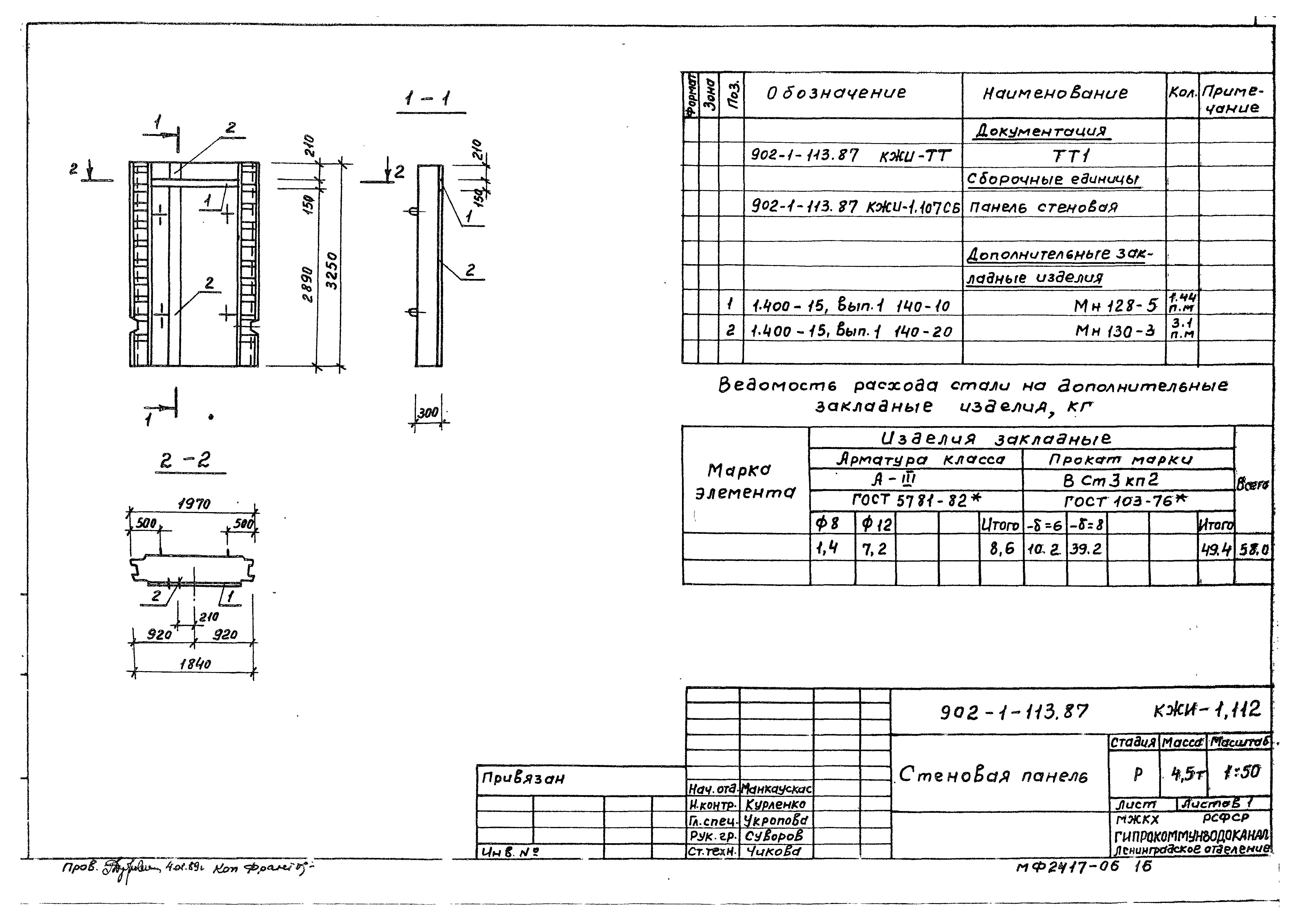
Типовой проект 902-1-114.87

Альбом 6. Строительные решения. Подземная часть. Изделия (из ТП 902-1-113.87)

Обозначение: Типовой проект 902-1-114.87
Обозначение англ: 902-1-114.87
Статус:не определен законодательством
Название рус.:Альбом 6. Строительные решения. Подземная часть. Изделия (из ТП 902-1-113.87)
Дата добавления в базу:01.09.2013
Дата актуализации:05.05.2017
Дата введения:10.12.1987
Разработан: Ленинградское отделение Гипрокоммунводоканала
Утверждён:09.12.1987 Госстрой РСФСР (Russian Federation Gosstroy 331)
Расположен в:Техническая документация Строительство Справочные документы Типовые строительные конструкции, изделия и узлы Общероссийский строительный каталог Промышленные предприятия, здания и сооружения Здания и сооружения санитарно-технические Канализация Станции насосные Станции насосные для перекачки бытовых сточных вод
Типовой проект 902-1-114.87Типовой проект 902-1-114.87Типовой проект 902-1-114.87Типовой проект 902-1-114.87Типовой проект 902-1-114.87Типовой проект 902-1-114.87Типовой проект 902-1-114.87Типовой проект 902-1-114.87Типовой проект 902-1-114.87Типовой проект 902-1-114.87Типовой проект 902-1-114.87Типовой проект 902-1-114.87Типовой проект 902-1-114.87Типовой проект 902-1-114.87Типовой проект 902-1-114.87Типовой проект 902-1-114.87Типовой проект 902-1-114.87Типовой проект 902-1-114.87Типовой проект 902-1-114.87Типовой проект 902-1-114.87Типовой проект 902-1-114.87Типовой проект 902-1-114.87Типовой проект 902-1-114.87Типовой проект 902-1-114.87Типовой проект 902-1-114.87Типовой проект 902-1-114.87Типовой проект 902-1-114.87Типовой проект 902-1-114.87Типовой проект 902-1-114.87Типовой проект 902-1-114.87Типовой проект 902-1-114.87Типовой проект 902-1-114.87Типовой проект 902-1-114.87Типовой проект 902-1-114.87

© 2013 Ёшкин Кот :-) Карта сайта