Информационная система
«Ёшкин Кот»

Скачать базу одним архивом
Скачать обновления
История создания базы
Карта сайта

Скачать Серия ИС-01-09 Альбом 2. Выпуск 2. Монтажные планы и разрезы. Силосы диаметром 6 м. Материал для проектирования

Дата актуализации: 10.08.2017

Серия ИС-01-09

Альбом 2. Выпуск 2. Монтажные планы и разрезы. Силосы диаметром 6 м. Материал для проектирования

Обозначение: Серия ИС-01-09
Обозначение англ: Series ИС-01-09
Статус:не действует
Название рус.:Альбом 2. Выпуск 2. Монтажные планы и разрезы. Силосы диаметром 6 м. Материал для проектирования
Дата добавления в базу:01.09.2013
Дата актуализации:05.05.2017
Дата введения:01.05.1966
Дата окончания срока действия:01.10.1982
Оглавление:Краткие пояснения к чертежам монтажных планов и разрезов
Лист 1 Спецификация сборных железобетонных элементов
Лист 2 Спецификация сборных железобетонных элементов
Лист 3 Спецификация монолитных железобетонных и бетонных элементов
Лист 4 Спецификация монолитных железобетонных и бетонных элементов
Лист 5 Силосные корпуса: 1-6-36-108; 1-6-48-108; 1-6-36-156; 1-6-48-156; 1-6-56-204; 1-6-48-204. Планы колонн, балок и плиты днища, узлов сопряжения в уровне днища, стенок силосов, балок и плит покрытия.
Лист 6 Силосные корпуса: 2-6-36-108; 2-6-48-108; 2-6-36-156; 2-6-48-156; 2-6-36-204; 2-6-48-204. Планы колонн, балок и плиты днища, узлов сопряжения в уровне днища, стенок силосов, балок и плит покрытия.
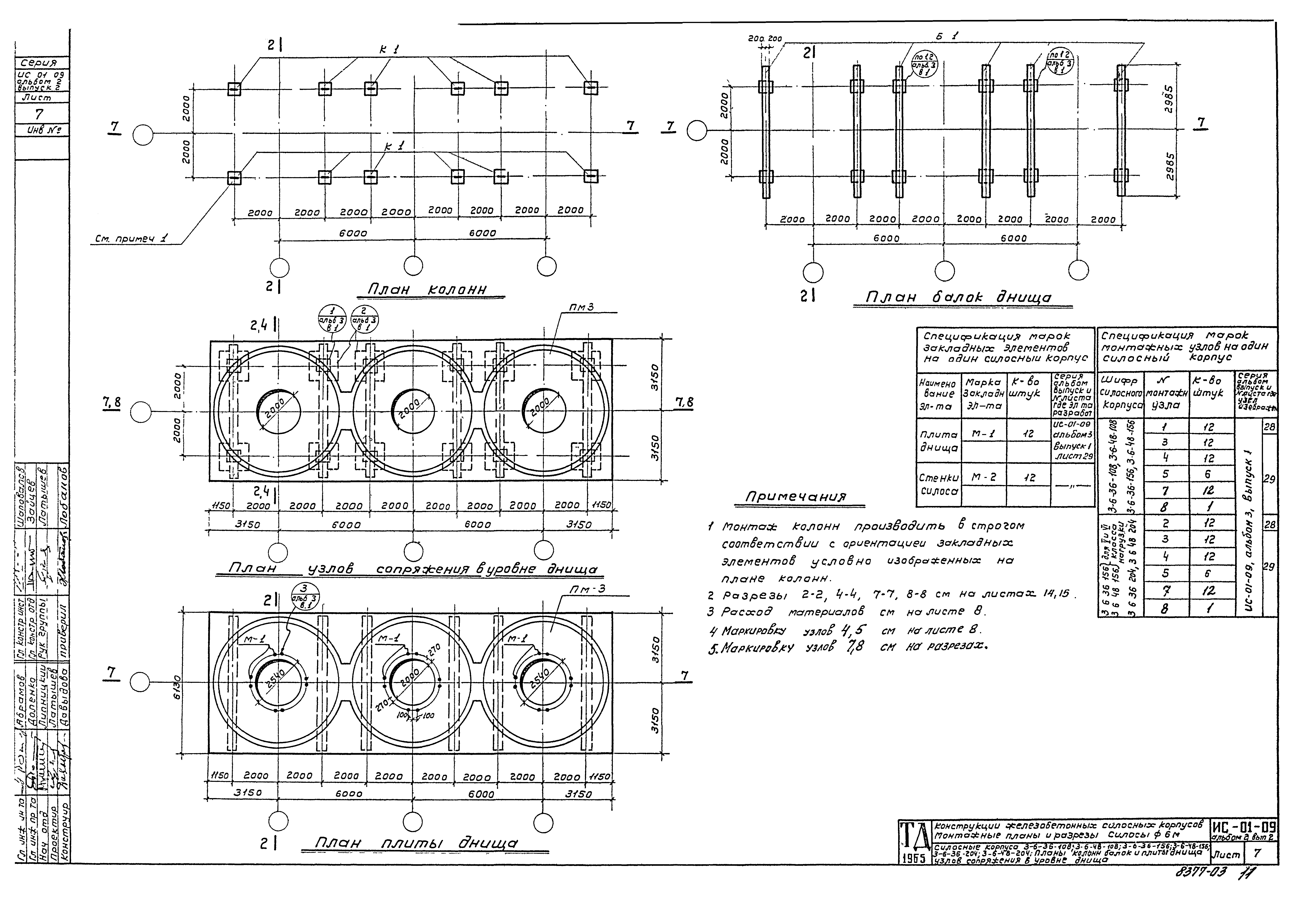
Лист 7 Силосные корпуса: 3-6-36-108; 3-6-48-108; 3-6-56-156; 3-6-48-156; 3-6-56-204; 3-6-48-204. Планы колонн, балок и плиты днища, узлов сопряжения в уровне днища.
Лист 8 Силосные корпуса: 3-6-36-108; 3-6-48-108; 3-6-36-156; 3-6-48-156; 3-6-36-204; 3-6-48-204. Планы стенок силосов, балок и плит покрытия
Лист 9 Силосные корпуса: 4-6-36-108; 4-6-48-108; 4-6-36-156; 4-6-48-156; 4-6-36-204; 4-6-48-204. Планы колони, балок и плиты днища, узлов сопряжения в уровне днища.
Лист 10 Силосные корпуса: 4-6-36-108; 4-6-48-108; 4-6-36-156; 4-6-48-156; 4-6-36-204; 4-6-48-204 Планы стенок силосов, балок и плит покрытия.
Лист 11 Силосные корпуса: 6-6-36-108; 6-6-48-108; 6-6-36-156; 6-6-48-156; 6-6-36-204; 6-6-48-204. Планы колонн и балок днища.
Лист 12 Силосные корпуса: 6-6-36-108; 6-6-48-108; 6-6-36-156; 6-6-48-156; 6-6-36-204; 6-6-48-204 Планы плиты днища и узлов сопряжения в уровне днища.
Лист 13 Силосные корпуса: 6-6-36-108; 6-6-48-108; 6-6-36-156; 6-6-48-156; 6-6-36-204; 6-6-48-204. Планы стенок силосов, балок и плит покрытия
Лист 14 Разрезы 1-1; 2-2; 3-3; 4-4
Лист 15 Разрезы 5-5; 6-6; 7-7; 8-8
Лист 16 Разрезы 9-9; 10-10; 11-11; 12-12
Лист 17 Разрезы 13-13; 14-14; 15-15; 16-16
Лист 18 Покрытие силосов. Схема стальных балок и узлы
Разработан: НИИЖБ
ГПИ Ленинградский Промстройпроект
Утверждён:23.02.1966 Госстрой СССР (Государственный комитет Совета Министров СССР по делам строительства) (USSR Gosstroy 15)
Расположен в:Техническая документация Строительство Справочные документы Типовые строительные конструкции, изделия и узлы Общероссийский строительный каталог Строительные конструкции, изделия и узлы зданий и сооружений для всех видов строительства Конструкции и изделия сооружений и оборудования зданий Надземные сооружения Силосы и закрома
Чем заменён:
Серия ИС-01-09Серия ИС-01-09Серия ИС-01-09Серия ИС-01-09Серия ИС-01-09Серия ИС-01-09Серия ИС-01-09Серия ИС-01-09Серия ИС-01-09Серия ИС-01-09Серия ИС-01-09Серия ИС-01-09Серия ИС-01-09Серия ИС-01-09Серия ИС-01-09Серия ИС-01-09Серия ИС-01-09Серия ИС-01-09Серия ИС-01-09Серия ИС-01-09Серия ИС-01-09Серия ИС-01-09Серия ИС-01-09

© 2013 Ёшкин Кот :-) Карта сайта