Информационная система
«Ёшкин Кот»

Скачать базу одним архивом
Скачать обновления
История создания базы
Карта сайта

Скачать Серия 4.904-17 Клапаны перекидные утепленные для вентиляционных шахт. Рабочие чертежи

Дата актуализации: 10.08.2017

Серия 4.904-17

Клапаны перекидные утепленные для вентиляционных шахт. Рабочие чертежи

Обозначение: Серия 4.904-17
Обозначение англ: Series 4.904-17
Статус:не действует
Название рус.:Клапаны перекидные утепленные для вентиляционных шахт. Рабочие чертежи
Дата добавления в базу:01.09.2013
Дата актуализации:05.05.2017
Дата окончания срока действия:01.12.1991
Оглавление:Пояснительная записка
Чертежи
Клапаны типа К1-К8. Общий вид и таблица размеров
Рама клапана. Общий вид К-01. Детали
Детали рамы клапана и каркаса шахты
Клапан. Общий вид К-02
Каркас клапана. Общий вид К-02-1. Детали
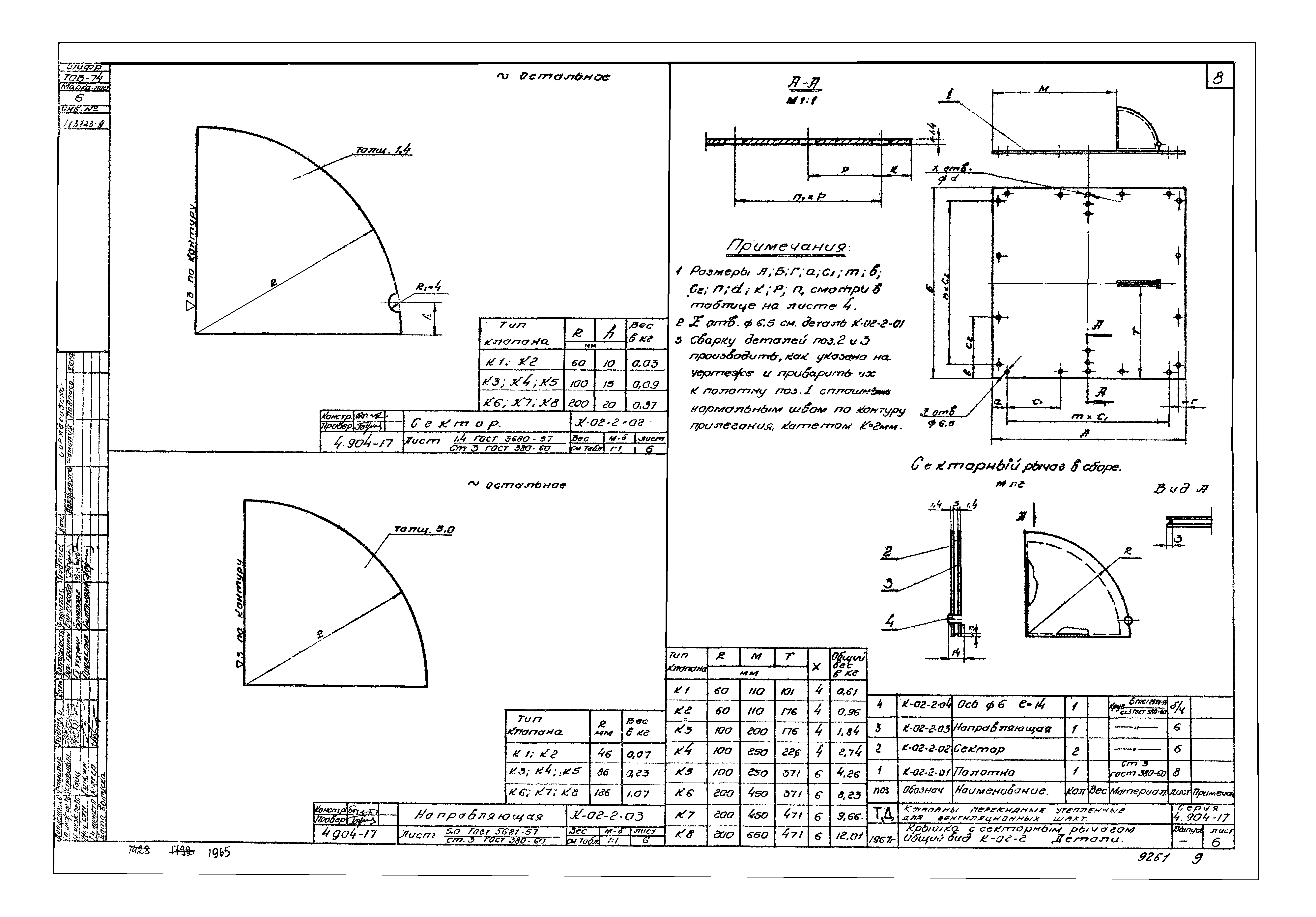
Крышка с секторным рычагом. Общий вид К-02-2. Детали
Дверка утепленная. Общий вид К-03. Детали
Детали крышки и каркаса клапана
Рукоятка. Общий вид К-03-1. Детали
Детали двери и общего вида
Патрубок. Общий вид К-05. Детали
Каркас шахты. Общий вид К-06
Детали общего вида и каркаса шахты
Детали каркаса шахты
Разработан: ЦНИИпромзданий
Госхимпроект
Утверждён:24.05.1967 Госстрой СССР (Государственный комитет Совета Министров СССР по делам строительства) (USSR Gosstroy 157)
Расположен в:Техническая документация Строительство Справочные документы Типовые строительные конструкции, изделия и узлы Общероссийский строительный каталог Строительные конструкции, изделия и узлы зданий и сооружений для всех видов строительства Инженерное оборудование Инженерное оборудование; изделия и узлы инженерного оборудования зданий и сооружений Воздухоснабжение, вентиляция и кондиционирование Клапаны, заслонки, пылеуловители, аспираторы
Серия 4.904-17Серия 4.904-17Серия 4.904-17Серия 4.904-17Серия 4.904-17Серия 4.904-17Серия 4.904-17Серия 4.904-17Серия 4.904-17Серия 4.904-17Серия 4.904-17Серия 4.904-17Серия 4.904-17Серия 4.904-17Серия 4.904-17Серия 4.904-17Серия 4.904-17Серия 4.904-17

© 2013 Ёшкин Кот :-) Карта сайта