| ||||||||||||||||||||||||||||||
Скачать Серия 1.020-1/83 Выпуск 4-1. Диафрагмы жесткости. Рабочие чертежиДата актуализации: 10.08.2017
|
| Обозначение: | Серия 1.020-1/83 |
| Обозначение англ: | Series 1.020-1/83 |
| Статус: | заменен |
| Название рус.: | Выпуск 4-1. Диафрагмы жесткости. Рабочие чертежи |
| Дата добавления в базу: | 01.09.2013 |
| Дата актуализации: | 05.05.2017 |
| Дата введения: | 01.12.1992 |
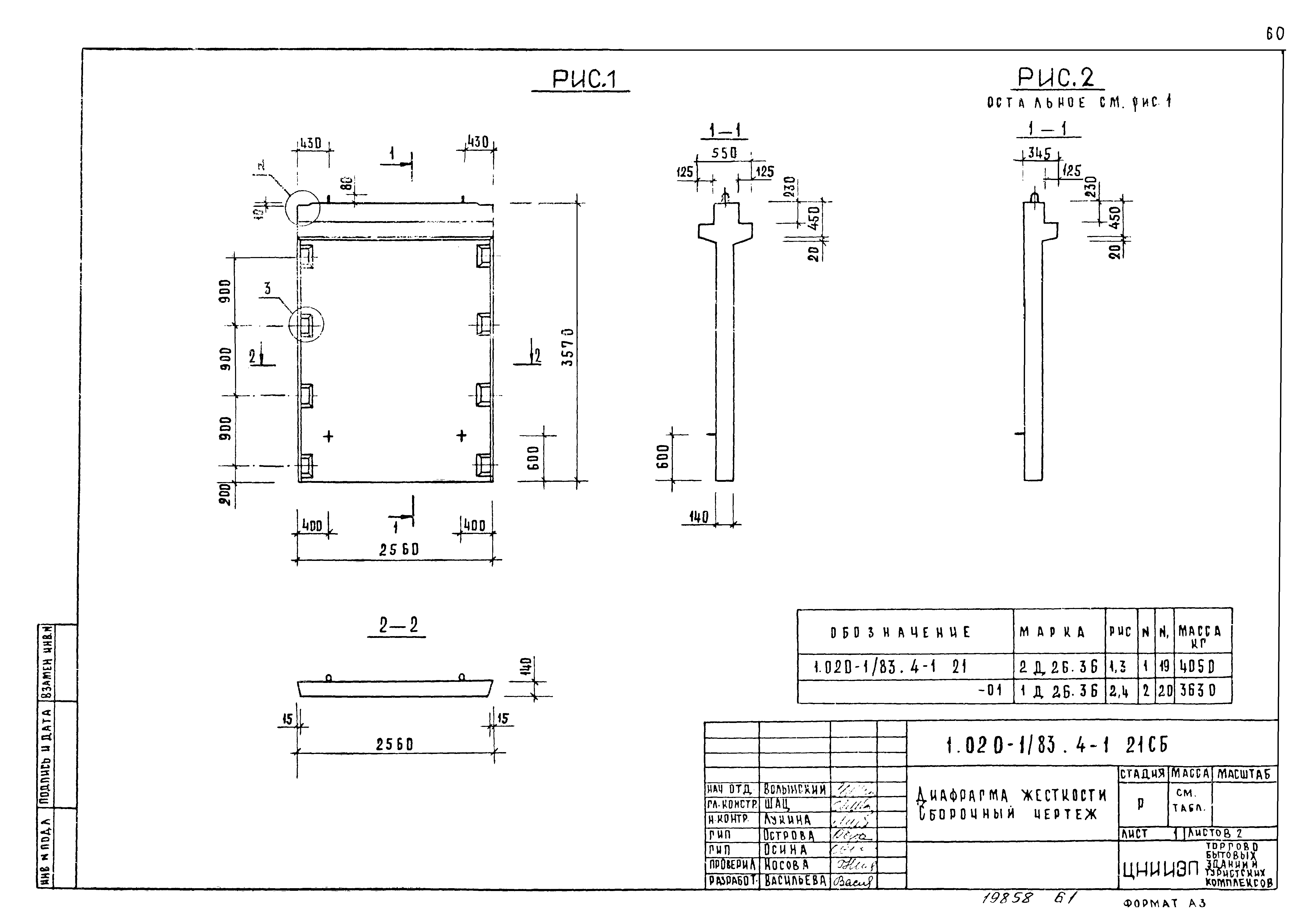
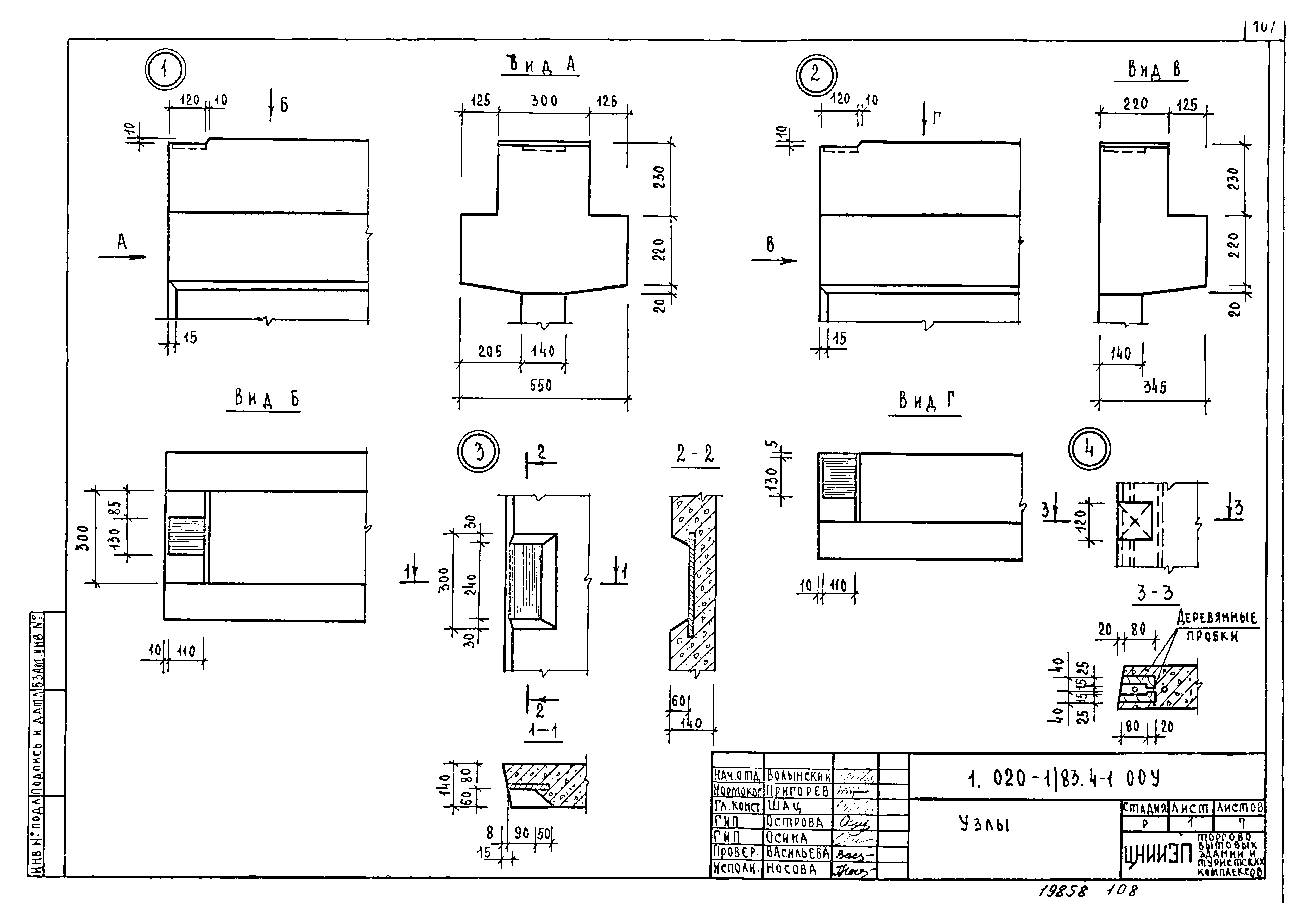
| Оглавление: | Содержание 1.020-1/83.4-1 00ТО Техническое описание 1.020-1/83.4-1 01 Диафрагма жесткости 2Д12.20;1Д12.20 1.020-1/83.4-1 02 Диафрагма жесткости 2Д26.20;1Д26.20 1.020-1/83.4-1 03 Диафрагма жесткости 1Д30.20 1.020-1/83.4-1 04 Диафрагма жесткости 2Д56.20;1Д56.20 1.020-1/83.4-1 05 Диафрагма жесткости 2Д12.28;1Д12.28 1.020-1/83.4-1 06 Диафрагма жесткости 2Д26.28;1Д26.28 1.020-1/83.4-1 07 Диафрагма жесткости 2Д56.28;1Д56.28 1.020-1/83.4-1 08 Диафрагма жесткости 2Д12.33;1Д12.33 1.020-1/83.4-1 09 Диафрагма жесткости 2Д26.33;1Д26.33 1.020-1/83.4-1 10 Диафрагма жесткости 2Д30.33;1Д30.33 1.020-1/83.4-1 11 Диафрагма жесткости 2Д56.33;1Д56.33 1.020-1/83.4-1 12 Диафрагма жесткости 2ДП26.28;1ДП26.28 1.020-1/83.4-1 13 Диафрагма жесткости 2ДП26.33;1ДП26.33 1.020-1/83.4-1 14 Диафрагма жесткости 2ДП30.33;1ДП30.33 1.020-1/83.4-1 15 Диафрагма жесткости 2ДП56.33;1ДП56.33 1.020-1/83.4-1 16 Диафрагма жесткости 2ДПК56.28;1ДПК56.28-л 1.020-1/83.4-1 17 Диафрагма жесткости 1ДПК56.28-п 1.020-1/83.4-1 18 Диафрагма жесткости 2ДПК56.33;1ДПК56.33-л 1.020-1/83.4-1 19 Диафрагма жесткости 1ДПК56.33-п 1.020-1/83.4-1 20 Диафрагма жесткости 2Д24.36;1Д24.36 1.020-1/83.4-1 21 Диафрагма жесткости 2Д26.36;1Д26.36 1.020-1/83.4-1 22 Диафрагма жесткости 2Д30.36;1Д30.36 1.020-1/83.4-1 23 Диафрагма жесткости 2Д15.42;1Д15.42 1.020-1/83.4-1 24 Диафрагма жесткости 2Д24.42;1Д24.42 1.020-1/83.4-1 25 Диафрагма жесткости 2Д26.42;1Д26.42 1.020-1/83.4-1 26 Диафрагма жесткости 2Д30.42;1Д30.42 1.020-1/83.4-1 27 Диафрагма жесткости 2Д24.48;1Д24.48 1.020-1/83.4-1 28 Диафрагма жесткости 2Д30.48;1Д30.48 1.020-1/83.4-1 29 Диафрагма жесткости 2Д32.48;1Д32.48 1.020-1/83.4-1 30 Диафрагма жесткости 2ДП26.36;1ДП26.36 1.020-1/83.4-1 31 Диафрагма жесткости 2ДП30.36;1ДП30.36 1.020-1/83.4-1 32 Диафрагма жесткости 2ДП32.36;1ДП32.36 1.020-1/83.4-1 33 Диафрагма жесткости 2ДП26.42;1ДП26.42 1.020-1/83.4-1 34 Диафрагма жесткости 2ДП30.42;1ДП30.42 1.020-1/83.4-1 35 Диафрагма жесткости 2ДП32.42;1ДП32.42 1.020-1/83.4-1 36 Диафрагма жесткости 2ДП32.48;1ДП32.48 1.020-1/83.4-1 00У Узлы 1-26 1.020-1/83.4-1 00ВС Выборка стали |
| Разработан: | НИИЖБ Госстроя СССР ЦНИИпромзданий ЦНИИЭП торгово-бытовых зданий и туристских комплексов Гипростроммаш |
| Утверждён: | 13.07.1984 Госстрой СССР (Государственный комитет Совета Министров СССР по делам строительства) (USSR Gosstroy 112) |
| Расположен в: | |
| Заменяет собой: | |
| Чем заменён: |
|






















































































































