Информационная система
«Ёшкин Кот»

Скачать базу одним архивом
Скачать обновления
История создания базы
Карта сайта

Скачать Серия 1.435-2 Выпуск 5. Электротехническая часть

Дата актуализации: 10.08.2017

Серия 1.435-2

Выпуск 5. Электротехническая часть

Обозначение: Серия 1.435-2
Обозначение англ: Series 1.435-2
Статус:не действует
Название рус.:Выпуск 5. Электротехническая часть
Дата добавления в базу:01.09.2013
Дата актуализации:05.05.2017
Дата введения:01.09.1969
Дата окончания срока действия:01.10.1977
Оглавление:Э-1 Опись чертежей
Э-2 Пояснительная записка
Э-3 Щит станции управления ЩСУ. Принципиальная однолинейная схема
Э-4 Схемы управления электродвигателями механизма передвижения ворот
Э-5 Схемы управления электродвигателями механизма передвижения ворот (продолжение)
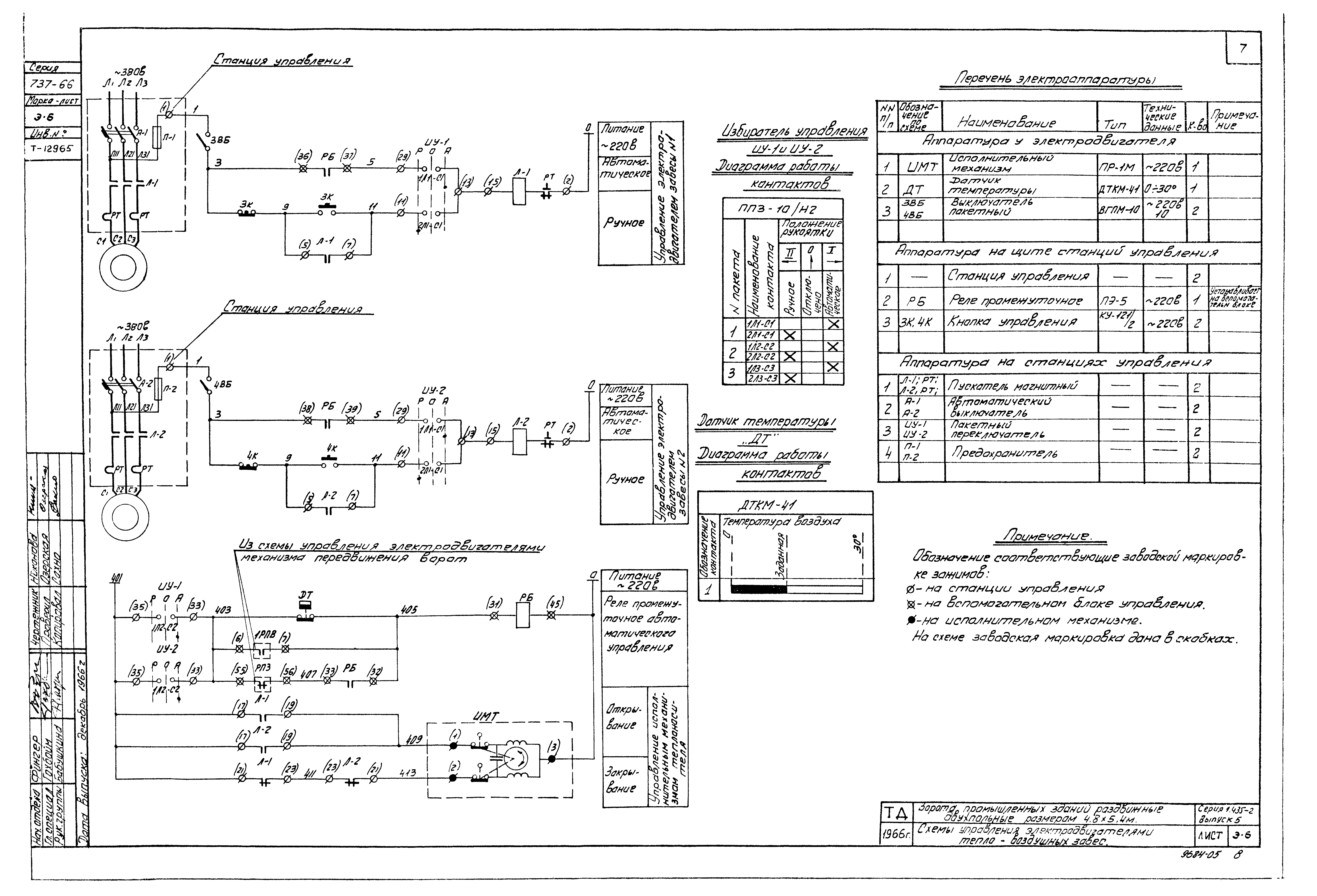
Э-6 Схемы управления электродвигателями тепло-воздушных завес
Э-7 Схемы управления электродвигателями воздушных завес
Э-8 Щит станций управления ЩСУ. Общий вид (задание заводу-изготовителю)
Э-9 Ворота с завесами типа Т3-18,20,32,33,35. Щит станций управления ЩСУ. Спецификация электрооборудования и перечень надписей (задание заводу-изготовителю)
Э-10 Ворота с завесами типа Т3-31,34,36. Щит станций управления ЩСУ. Спецификация электрооборудования и перечень надписей (задание заводу-изготовителю)
Э-11 Ворота с завесой типа Т3-37. Щит станций управления ЩСУ. Спецификация электрооборудования и перечень надписей (задание заводу-изготовителю)
Э-12 Щит станций управления ЩСУ. Монтажная схема панели № 1 (задание заводу-изготовителю)
Э-13 Ворота с завесами типа Т3-18,20,31,32,33,34,35,36. Щит станций управления ЩСУ. Монтажная схема панели № 2 (задание заводу-изготовителю)
Э-14 Ворота с завесой типа Т3-37. Щит станций управления ЩСУ. Монтажная схема панели № 2 (задание заводу-изготовителю)
Э-15 Схема внешних соединений
Э-16 Ворота с расположением вентиляционных агрегатов завес на площадке. Размещение электрооборудования
Э-17 Ворота с расположением вентиляционных агрегатов завес на полу. Размещение электрооборудования
Э-18 Спецификация на основное оборудование и материалы
Разработан: Сантехниипроект Госстроя России
Утверждён:25.04.1969 Госстрой СССР (Государственный комитет Совета Министров СССР по делам строительства) (USSR Gosstroy 55)
Расположен в:Техническая документация Строительство Справочные документы Типовые строительные конструкции, изделия и узлы Общероссийский строительный каталог Строительные конструкции, изделия и узлы зданий и сооружений для всех видов строительства Конструкции, изделия и узлы зданий Ограждающие конструкции Ворота
Серия 1.435-2Серия 1.435-2Серия 1.435-2Серия 1.435-2Серия 1.435-2Серия 1.435-2Серия 1.435-2Серия 1.435-2Серия 1.435-2Серия 1.435-2Серия 1.435-2Серия 1.435-2Серия 1.435-2Серия 1.435-2Серия 1.435-2Серия 1.435-2Серия 1.435-2Серия 1.435-2Серия 1.435-2Серия 1.435-2Серия 1.435-2

© 2013 Ёшкин Кот :-) Карта сайта