Скачать Серия 1.420-8 Выпуск 3. Ригели железобетонные пролетом 6,0 м, армированные стержнями из стали классов А-III и А-IV. Рабочие чертежиДата актуализации: 10.08.2017 Серия 1.420-8
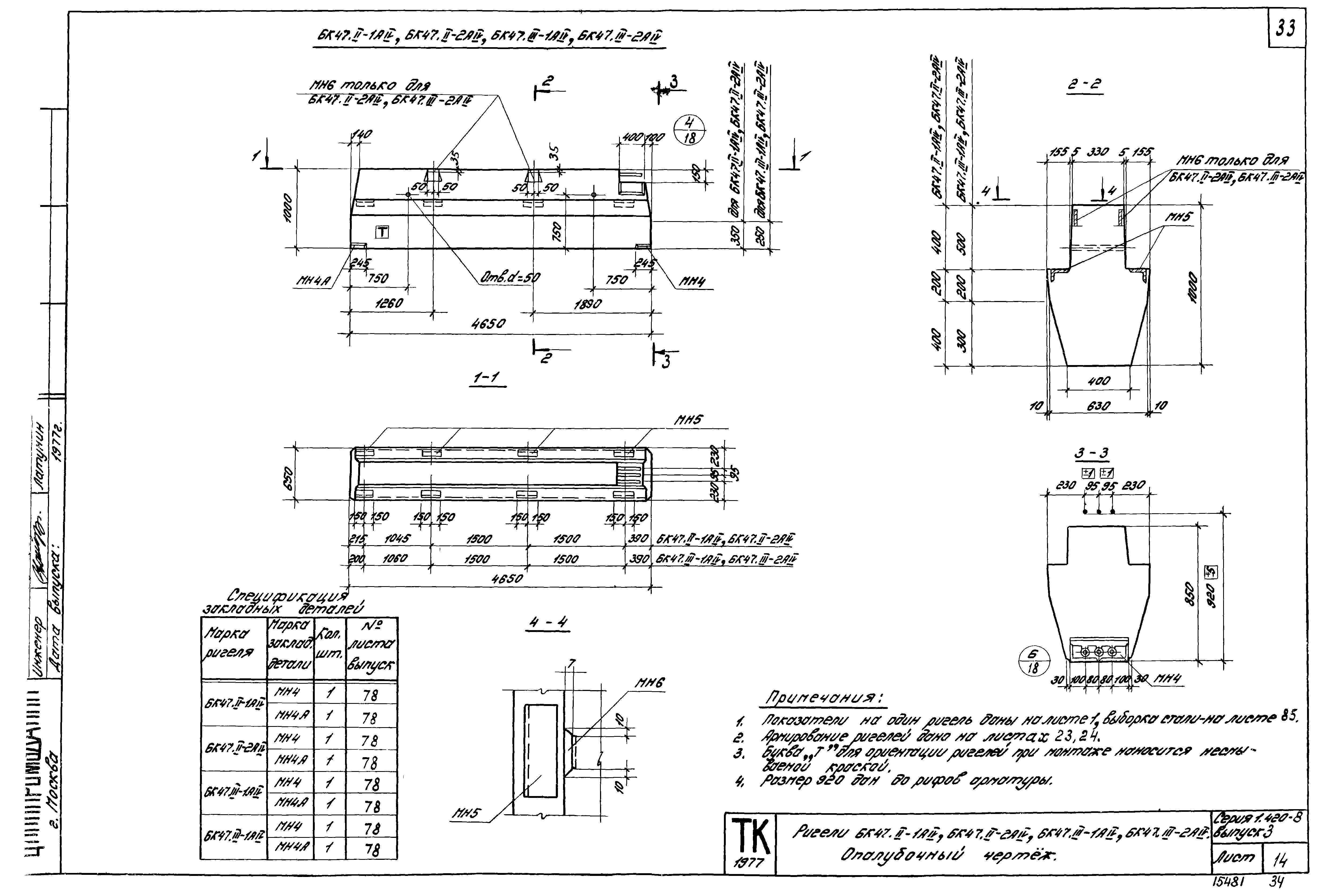
Выпуск 3. Ригели железобетонные пролетом 6,0 м, армированные стержнями из стали классов А-III и А-IV. Рабочие чертежиОбозначение: | Серия 1.420-8 | Обозначение англ: | Series 1.420-8 | Статус: | не действует | Название рус.: | Выпуск 3. Ригели железобетонные пролетом 6,0 м, армированные стержнями из стали классов А-III и А-IV. Рабочие чертежи | Дата добавления в базу: | 01.09.2013 | Дата актуализации: | 05.05.2017 | Дата введения: | 01.12.1978 | Дата окончания срока действия: | 01.02.1987 | Оглавление: | I. Содержание II. Пояснительная записка III. Рабочие чертежи Показатели на один ригель. Ригели БЖ48.I-1АIII-БЖ48.I-6АIII,БЖ50.I-1АIII-БЖ50.I-6АIII. Опалубочный чертеж Ригели БЖ50.I-7АIII-БЖ50.I-12АIII,БЖ52.I-1АIII-БЖ52.I-6АIII. Опалубочный чертеж Ригели БЖ52.I-7АIII-БЖ52.I-12АIII. Опалубочный чертеж Ригели БК43.I-1АIII-БК43.I-6АIII,БК47.I-1АIII-БК47.I-6АIII. Опалубочный чертеж Ригели БК48.I-1АIII-БК48.I-6АIII,БК50.I-1АIII-БК50.I-3АIII. Опалубочный чертеж Ригели БК52.I-1АIII,БК52.I-2АIII,БК52.I-3АIII. Опалубочный чертеж Ригели БЖ48.II-1АIV,БЖ48.II-2АIV,БЖ48.III-1АIV,БЖ48.III-2АIV. Опалубочный чертеж Ригели БЖ50.II-1АIV,БЖ50.II-2АIV,БЖ50.III-1АIV,БЖ50.III-2АIV. Опалубочный чертеж Ригели БЖ50.II-3АIV,БЖ50.II-4АIV,БЖ50.III-3АIV,БЖ50.III-4АIV. Опалубочный чертеж Ригели БЖ52.II-1АIV,БЖ52.II-2АIV,БЖ52.III-1АIV,БЖ52.III-2АIV. Опалубочный чертеж Ригели БЖ52.II-3АIV,БЖ52.II-4АIV,БЖ52.III-3АIV,БЖ52.III-4АIV. Опалубочный чертеж Ригели БК43.II-1АIV,БК43.II-2АIV,БК43.III-1АIV,БК43.III-2АIV. Опалубочный чертеж Ригели БК47.II-1АIV,БК47.II-2АIV,БК47.III-1АIV,БК47.III-2АIV. Опалубочный чертеж Ригели БК48.II-1АIV,БК48.II-2АIV,БК48.III-1АIV,БК48.III-2АIV. Опалубочный чертеж Ригели БК50.II-1АIV,БК50.II-2АIV,БК50.III-1АIV,БК50.III-2АIV. Опалубочный чертеж Опалубочный чертеж. Узлы 1,2. Деталь "А" Опалубочный чертеж. Узлы 3,4. Деталь "Б" Ригели БЖ48.I-1АIII-БЖ48.I-6АIII,БЖ50.I-1АIII-БЖ50.I-12АIII,БЖ52.I-1АIII-БЖ52.I-12АIII. Армирование Ригели БК43.I-1АIII-БК43.I-6АIII,БК47.I-1АIII-БК47.I-6АIII,БК48.I-1АIII-БК48.I-6АIII,БК50.I-1АIII-БК50.I-3АIII,БК52.I-1АIII-БК52I-3АIII. Армирование Ригели БЖ48.II-1АIV,БЖ48.II-2АIV,БЖ50.II-1АIV,БЖ50.II-2АIV,БЖ50.II-3АIV,БЖ50.II-4АIV,БЖ52.II-1АIV,БЖ52.II-2АIV,БЖ52.II-3АIV,БЖ52.II-4АIV. Армирование Ригели БЖ48.III-1АIV,БЖ48.III-2АIV,БЖ50.III-1АIV,БЖ50.III-2АIV,БЖ50.III-3АIV,БЖ50.III-4АIV,БЖ52.III-1АIV,БЖ52.III-2АIV,БЖ52.III-3АIV,БЖ52.III-4АIV. Армирование Ригели БК43.II-1АIV,БК43.II-2АIV,БК47.II-1АIV,БК47.II-2АIV,БК48.II-1АIV,БК48.II-2АIV,БК50.II-1АIV,БК50.II-2АIV. Армирование Ригели БК43.III-1АIV,БК43.III-2АIV,БК47.III-1АIV,БК47.III-2АIV,БК48.III-1АIV,БК48.III-2АIV,БК50.III-1АIV,БК50.III-2АIV. Армирование Арматурные чертежи. Узлы 1,2 Арматурные чертежи. Узлы 3,4 Арматурные чертежи. Узлы 5,6 Арматурные чертежи. Узлы 7,8 Арматурные чертежи. Узлы 9,10 Арматурные чертежи. Узлы 11,12 Ригели БЖ48.I-1АIII-БЖ48.I-6АIII. Пространственные каркасы КП1-КП5 Ригели БЖ50.I-1АIII-БЖ50.I-6АIII. Пространственные каркасы КП6-КП11 Ригели БЖ50.I-7АIII-БЖ50.I-12АIII. Пространственные каркасы КП12-КП17 Ригели БЖ52.I-1АIII-БЖ52.I-6АIII. Пространственные каркасы КП18-КП23 Ригели БЖ52.I-7АIII-БЖ52.I-12АIII. Пространственные каркасы КП24-КП29 Ригели БЖ43.I-1АIII-БК43.I-6АIII. Пространственные каркасы КП30-КП34 Ригели БК47.I-1АIII-БК47.I-6АIII. Пространственные каркасы КП35-КП39 Ригели БК48.I-1АIII-БК48.I-6АIII. Пространственные каркасы КП40-КП45 Ригели БК50.I-1АIII-БК50.I-3АIII. Пространственные каркасы КП46-КП48 Ригели БК52.I-1АIII-БК52.I-3АIII. Пространственные каркасы КП49-КП51 Пространственные каркасы КП52,КП53,КП56,КП57 Пространственные каркасы КП54,КП55,КП58,КП59 Пространственные каркасы КП60-КП63 Пространственные каркасы КП64,КП65,КП68,КП69 Пространственные каркасы КП66,КП67,КП70,КП71 Пространственные каркасы КП72,КП73,КП76,КП77 Пространственные каркасы КП74,КП75,КП78,КП79 Пространственные каркасы КП80,КП81,КП84,КП85 Пространственные каркасы КП82,КП83,КП86,КП87 Пространственные каркасы КП1,КП6,КП12,КП13,КП18,КП19,КП24-КП26,КП30,КП35,КП40,КП41,КП49,КП50. Узлы 1,2 Пространственные каркасы КП2-КП5,КП7-КП11,КП14-КП17,КП20-КП23,КП27-КП29,КП31-КП34,КП36-КП39,КП42-КП48,КП51. Узлы 3,4 Пространственные каркасы КП-30-КП-51. Узлы 5,6 Пространственные каркасы КП52,КП53,КП56,КП57,КП60,КП61,КП64,КП65,КП68,КП69,КП72,КП73,КП76,КП77,КП80,КП81,КП84,КП85. Узлы 7,8 Пространственные каркасы КП54,КП55,КП58,КП59,КП62,КП63,КП66,КП67,КП70,КП71,КП74,КП75,КП78,КП79,КП82,КП83,КП86,КП87. Узлы 9,10 Пространственные каркасы КП72-КП87. Узлы 11,12 Каркасы КР1-КР12 Каркасы КР13-КР18 Каркасы КР19-КР28 Каркасы КР29-КР34 Каркасы КР40-КР47 Каркасы КР48-КР52 Каркасы КР53-КР57 Каркасы КР60-КР67 Каркасы КР68-КР71 Каркасы КР72-КР75 Каркасы КР76-КР81 Каркасы КР82-КР84 Каркасы КР85-КР88 Каркасы КР89-КР92 Каркасы КР93,КР94 Каркасы КР95,КР96 Сетки С1,С1А,С2,С2А,С3,С3А,С4,С4А,С5,С5А Сетки С6,С6А,С7,С7А,С8,С8А,С9,С9А,С10,С10А Сетки С11,С11А,С12,С12А,С13,С13А,С14,С14А,С15,С15А Сетки С16,С17,С18,С19,С20 Составные позиции СП1-СП4 Закладные детали МН1,МН2,МН3,МН5 Закладные детали МН4,МН4А,МН6 Заготовительные чертежи позиций 125-128,149,151,152 Спецификация позиций арматурных изделий и закладных деталей на альбом Выборка стали на один ригель | Разработан: | ЦНИИпромзданий НИИЖБ
| Утверждён: | 31.07.1978 Госстрой СССР (Государственный комитет Совета Министров СССР по делам строительства) (USSR Gosstroy 151)
| Расположен в: |
|
                                                                                                        
|