Скачать Серия 1.236-3 Выпуск 1. Уличные витрины-ленты торговых зданий с высотой торгового этажа 3,30 и 4,20 м из тонкостенных электросварных стальных труб с одинарным остеклениемДата актуализации: 10.08.2017 Серия 1.236-3
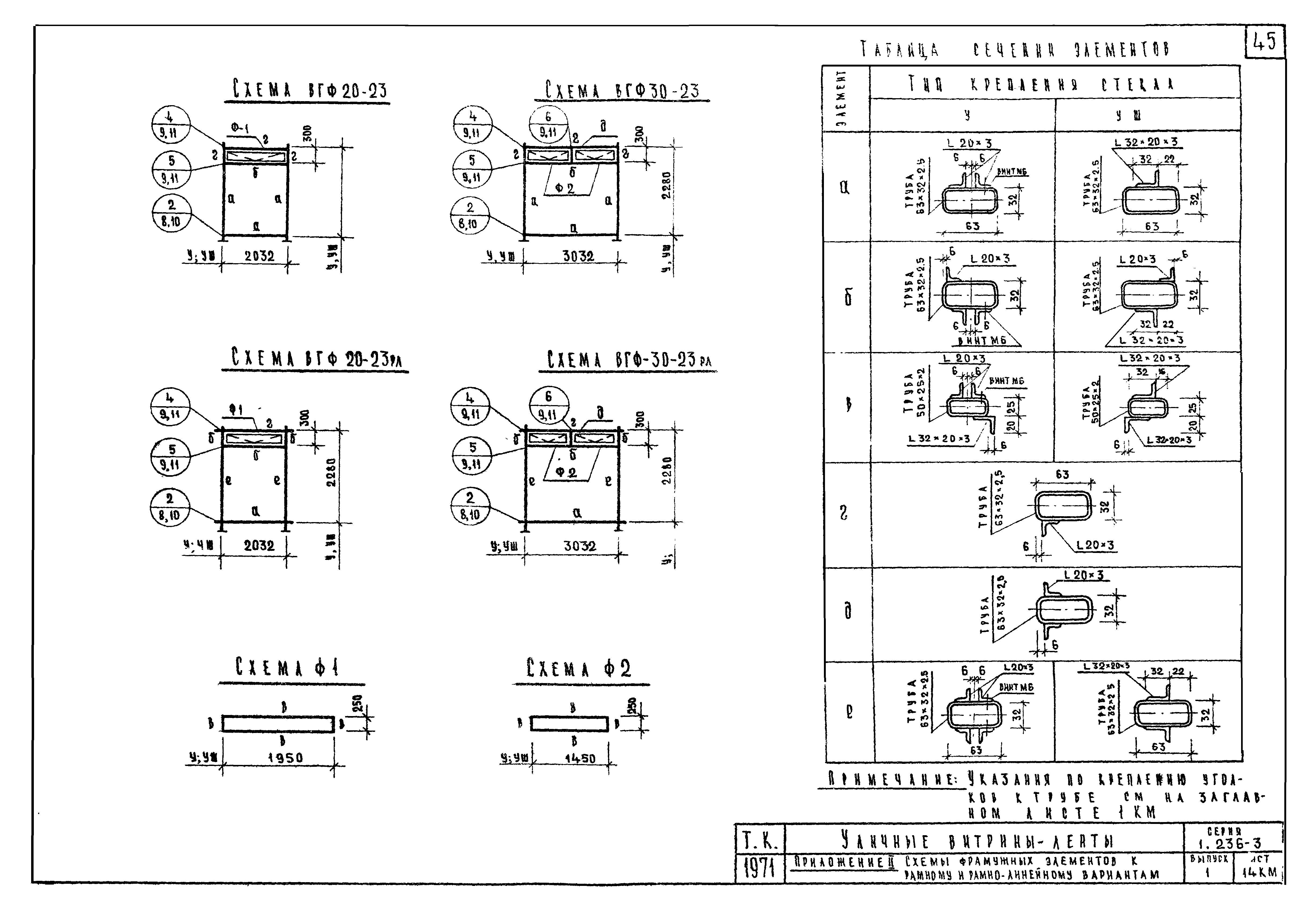
Выпуск 1. Уличные витрины-ленты торговых зданий с высотой торгового этажа 3,30 и 4,20 м из тонкостенных электросварных стальных труб с одинарным остеклениемОбозначение: | Серия 1.236-3 | Обозначение англ: | Series 1.236-3 | Статус: | не действует | Название рус.: | Выпуск 1. Уличные витрины-ленты торговых зданий с высотой торгового этажа 3,30 и 4,20 м из тонкостенных электросварных стальных труб с одинарным остеклением | Дата добавления в базу: | 01.09.2013 | Дата актуализации: | 05.05.2017 | Оглавление: | Пояснительная записка I - Номенклатура и указания по ее применению Номенклатура (элементы с креплением стекла уголками У) Номенклатура (элементы с креплением стекла уголком и штапиком "УШ") Монтажные схемы витрин (условные) из рамных элементов Монтажные узлы №№ 1,2,3,4 к варианту монтажа из рам Монтажные схемы витрин (условные) из рамно-линейных элементов для типа крепления стекла "УШ" Монтажные схемы витрин (условные) из рамно-линейных элементов для типов крепления стекла "У","УШ" Монтажные узлы №№ 5,6,7,8 к рамно-линейному варианту Примеры компоновки монтажных схем из рамных элементов в каркасных зданиях по серии "ИИ-04" Примеры компоновки монтажных схем из рамных элементов в кирпичных зданиях и каркасных по серии "ИИ-04" Примеры компоновки монтажных схем из рамно-линейных элементов в зданиях серии "ИИ-04" Примеры компоновки монтажных схем из рамно-линейных элементов в кирпичных и каркасных зданиях по серии "ИИ-04" Расход материалов на один элемент витрины с креплением стекла уголками (У) Расход материалов на один элемент витрины с креплением стекла уголками и штапиком (УШ) Приложение 1. Номенклатура (дополнительная) Приложение 1. Расход материалов на один элемент витрины (дополнительная номенклатура) Приложение 1. Таблица расчета рамных элементов Приложение 1. Таблица расчета рамно-линейных элементов Приложение 1. Таблица расчета стекла II. Чертежи "КМ" Заглавный лист Схемы основных и доборных элементов к рамному варианту Схемы фрамужных элементов к рамному варианту Схемы основных элементов к рамно-линейному варианту Схемы фрамужных элементов к рамно-линейному варианту Схемы горизонтальных импостов и стоек к рамно-линейному варианту Схемы элементов витрин с наращенными стойками, узлы сопряжения к детали В-1,В-2 Узлы основных и доборных элементов с креплением стекла типа "У" №№ 1,2,3 Узлы фрамужных элементов с креплением стекла типа "У" №№ 4,5,6 Узлы основных и доборных элементов с креплением стекла типа "УШ" №№ 1,2,3 Узлы фрамужных элементов с креплением стекла типа "УШ" №№ 4,5,6 Узлы основных и доборных элементов с креплением стекла типа "У" №№ 7,8,9 Узлы основных и доборных элементов с креплением стекла типа "УШ" №№ 7,8,9 Приложение 2. Схемы фрамужных элементов к рамному и рамно-линейному вариантам Приложение 2. Схема установки стекла и детали | Разработан: | ЦНИИЭП иженерного оборудования
| Утверждён: | 31.08.1971 Госгражданстрой (Gosgrazhdanstroy 163)
| Расположен в: |
|
                                              
|