Скачать Типовой проект 902-1-90.84 Альбом VII. Электрооборудование, автоматизация и технологический контроль (из ТП 902-1-84.84)Дата актуализации: 10.08.2017 Типовой проект 902-1-90.84
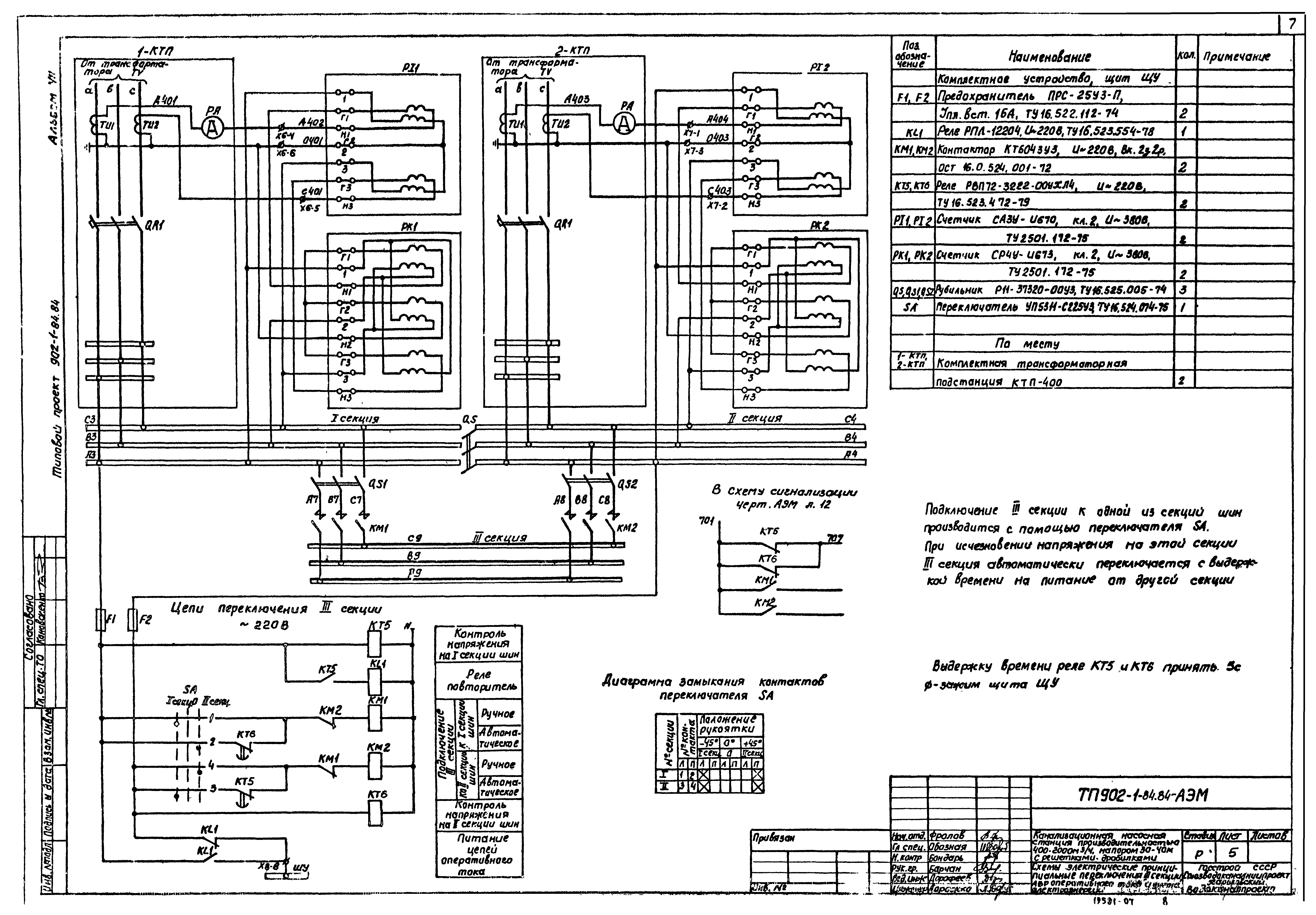
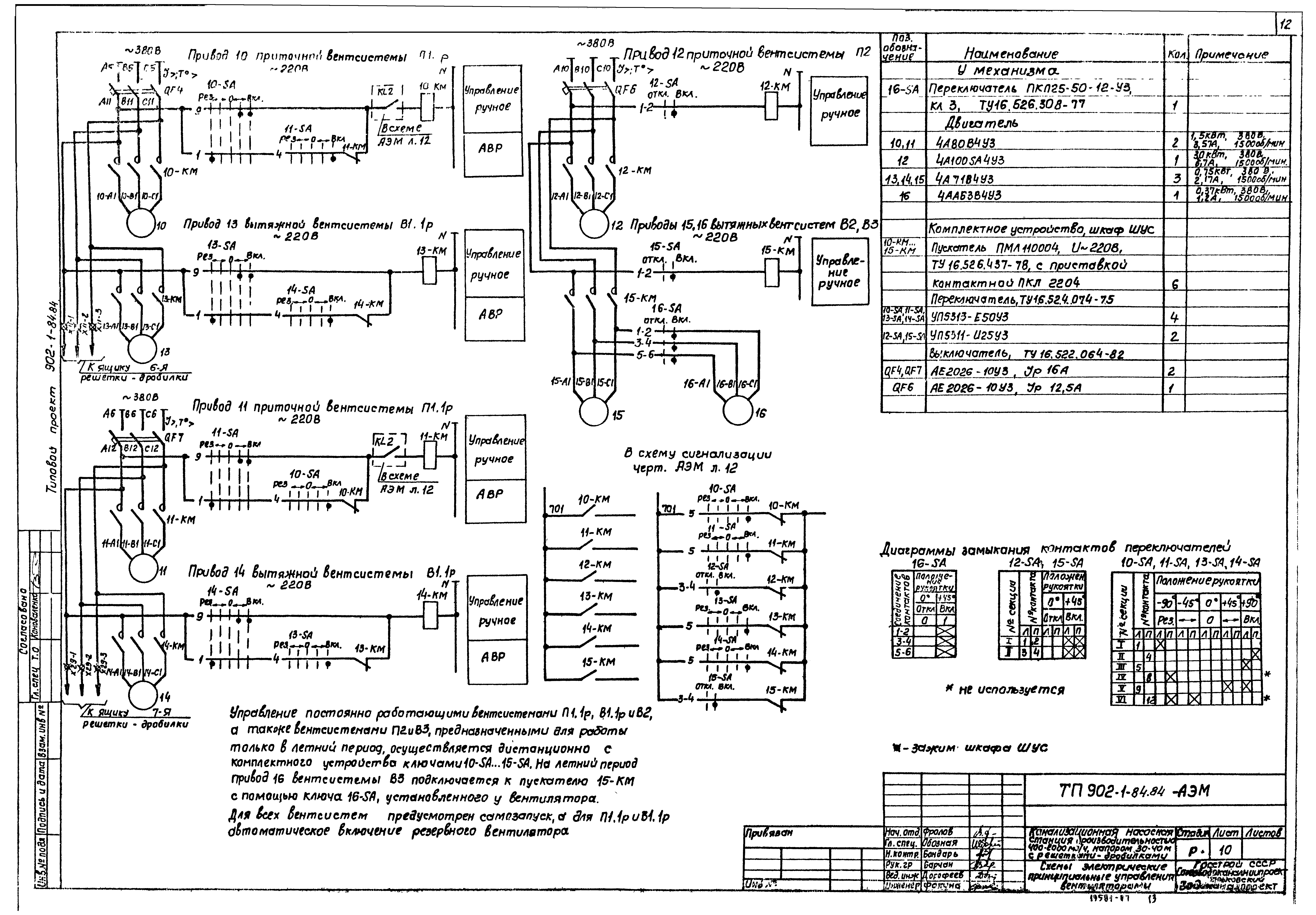
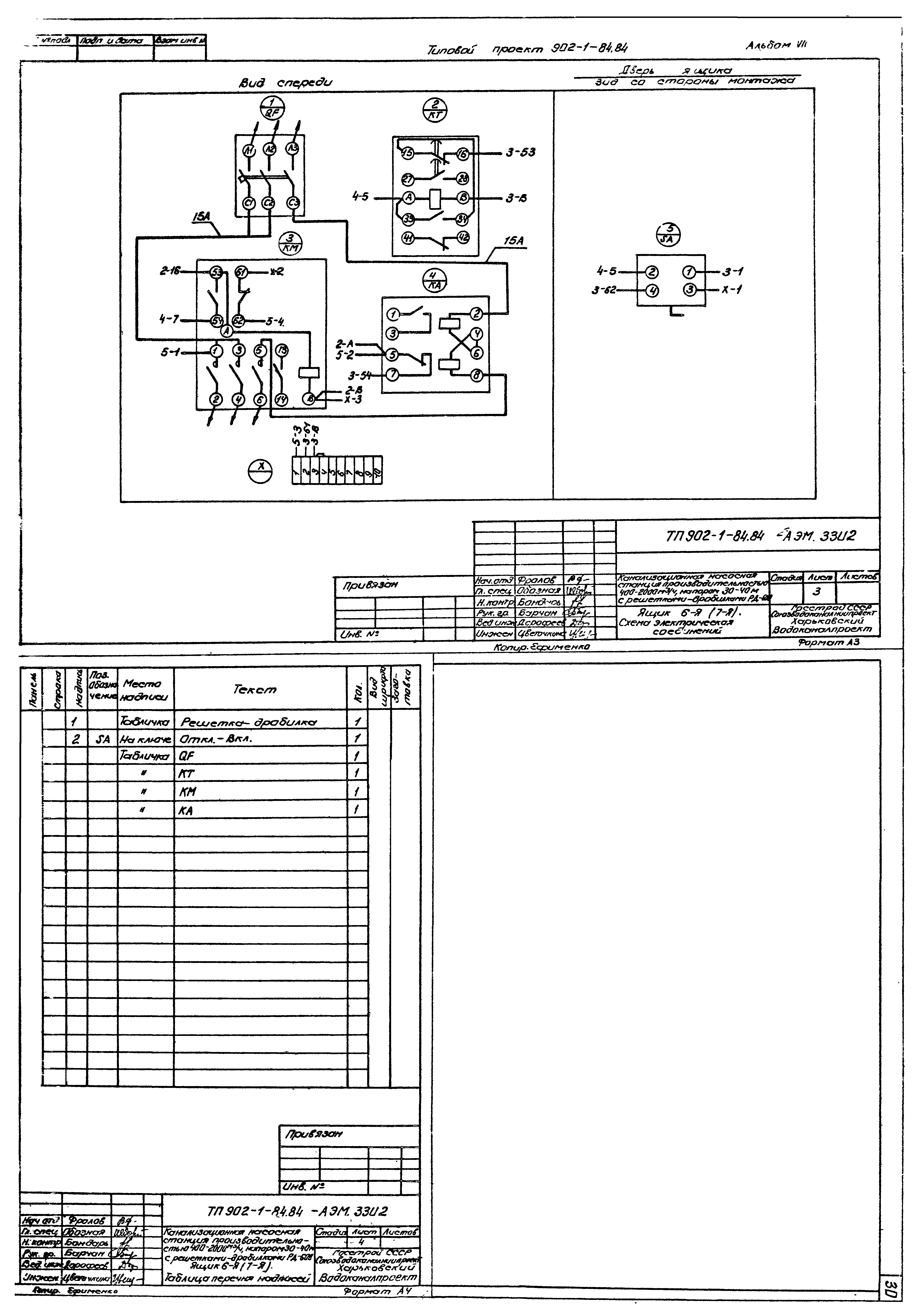
Альбом VII. Электрооборудование, автоматизация и технологический контроль (из ТП 902-1-84.84)Обозначение: | Типовой проект 902-1-90.84 | Обозначение англ: | 902-1-90.84 | Статус: | действует | Название рус.: | Альбом VII. Электрооборудование, автоматизация и технологический контроль (из ТП 902-1-84.84) | Дата добавления в базу: | 01.09.2013 | Дата актуализации: | 05.05.2017 | Дата введения: | 18.04.1984 | Оглавление: | Содержание альбома Основной комплект марки АЭМ Общие данные Схема электрическая принципиальная однолинейная распределительной сети ~380/220 В Схемы электрические принципиальные переключения 3 секции, АВР оперативного тока и учета электроэнергии Схема электрическая принципиальная управления насосами перекачки стоков Схема электрическая принципиальная управления задвижкой на подводящем коллекторе Схемы электрические принципиальные управления насосом гидроуплотнения, дренажным насосом и решетками-дробилками Схемы электрические принципиальные управления задвижками на напорном коллекторе Схемы электрические принципиальные управления вентиляторами Схема электрическая принципиальная контроля уровней Схема электрическая принципиальная сигнализации Схема подключения электрооборудования Схема подключения щита ЩУ Схема подключения шкафа ШУС Кабельный журнал План расположения электрооборудования. Прокладка кабелей Электроосвещение Заземление и зануление План прокладки троллейного шинопровода Прокладка коробов. План и разрез Задание МЭЗ марки АЭМ.ЗМ Ведомость объемов электромонтажных и строительных работ марки АЭМВР Задания заводам-изготовителям марки АЭМ.ЗЗИ1 Опросный лист для заказа комплектных трансформаторных подстанций КТП-400-□/0.4 кВ Марки АЭМ.ЗЗИ2 Ящик 6-Я(7-Я). Технические данные аппаратов Ящик 6-Я(7-Я). Чертеж общего вида Ящик 6-Я(7-Я). Схема электрическая соединений Ящик 6-Я(7-Я). Таблица перечня надписей Основной комплект марки ЭК Общие данные Схема функциональная технологического контроля Схема соединений внешних проводок. План расположения Статив датчиков ст. 2. Монтажный чертеж Статив датчиков ст. 1. Монтажный чертеж Кронштейн. Монтажный чертеж Стойка. Монтажный чертеж Ведомость объемов электромонтажных и строительных работ марки ЭК.ВР | Разработан: | Харьковский Водоканалпроект
| Утверждён: | 05.12.1983 СоюзводоканалНИИпроект (SoyuzvodokanalNIIproject 75)
| Расположен в: |
|
                                    
|