Скачать Типовой проект 904-1-70.86 Альбом 2. Силовое электрооборудование, электрическое освещение, связь и сигнализацияДата актуализации: 10.08.2017 Типовой проект 904-1-70.86
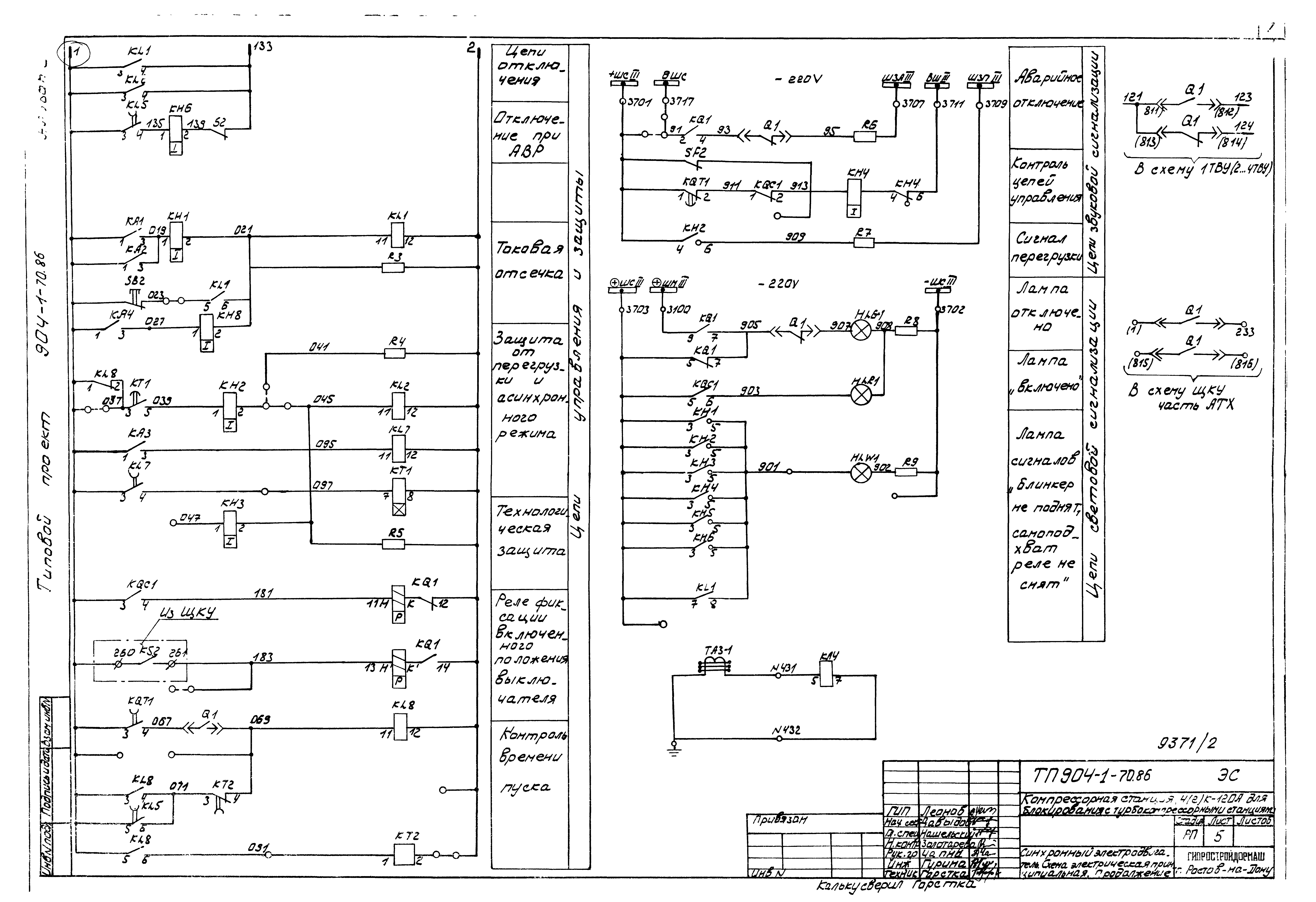
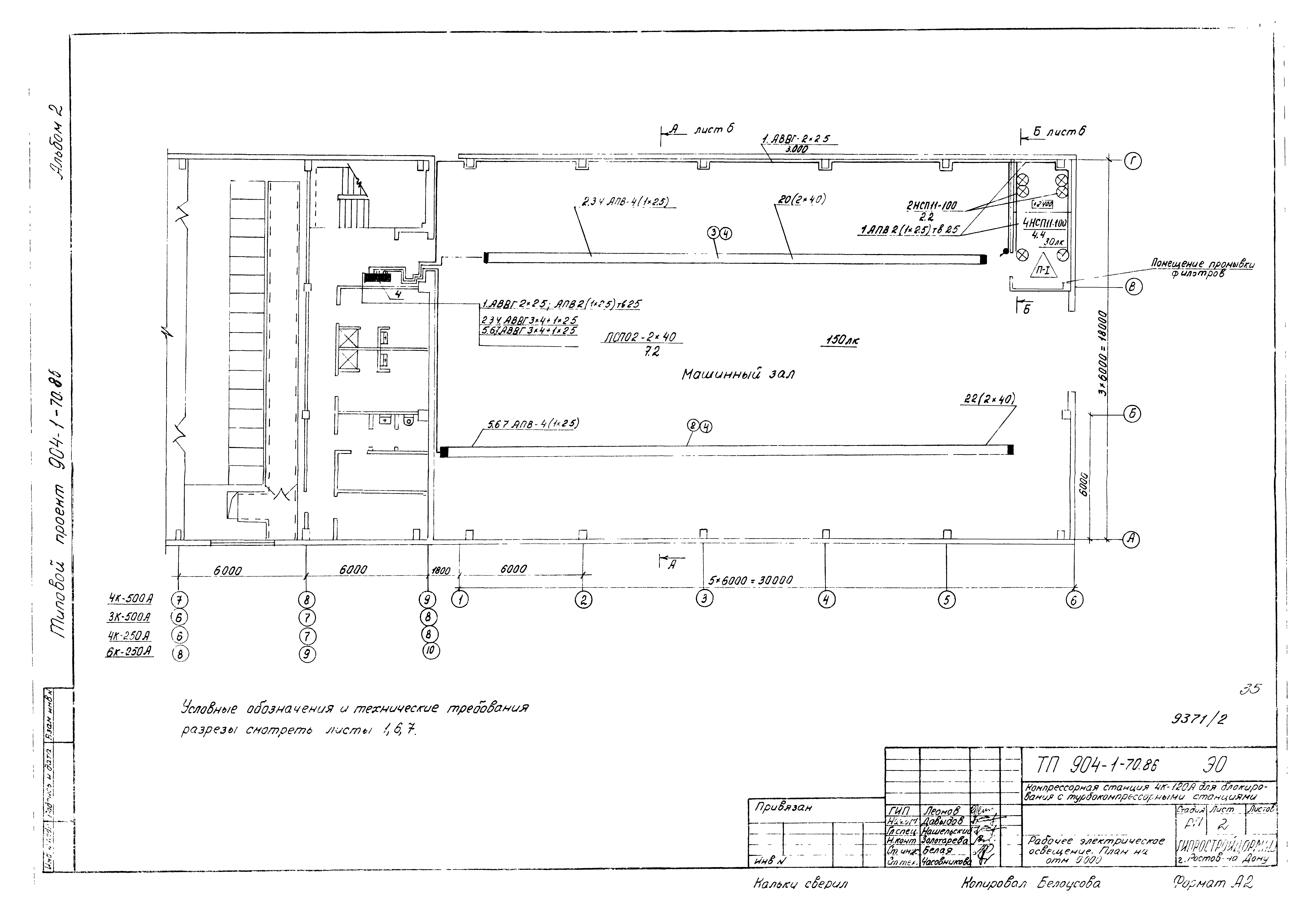
Альбом 2. Силовое электрооборудование, электрическое освещение, связь и сигнализацияОбозначение: | Типовой проект 904-1-70.86 | Обозначение англ: | 904-1-70.86 | Статус: | действует | Название рус.: | Альбом 2. Силовое электрооборудование, электрическое освещение, связь и сигнализация | Дата добавления в базу: | 01.09.2013 | Дата актуализации: | 05.05.2017 | Дата введения: | 14.11.1986 | Оглавление: | Титульный лист Содержание альбома Распредустройство 6(10) кВ Общие данные Распредустройство 6(10) кВ. Принципиальная однолинейная схема Синхронный электродвигатель. Схема электрическая принципиальная. Начало Синхронный электродвигатель. Схема электрическая принципиальная. Продолжение Синхронный электродвигатель. Схема электрическая принципиальная. Окончание Синхронный электродвигатель. Схема подключения Опросный лист для заказа камер КРУ типа КМ-1 6(10) кВ Силовое электрооборудование Общие данные. Начало Общие данные. Окончание Технические данные электроприемников Прокладка кабелей на отм. 0.000. План Прокладка кабелей. Разрезы Кабельный журнал. Начало Кабельный журнал. Продолжение Кабельный журнал. Окончание Кабельный журнал. Начало Кабельный журнал. Окончание Щит управления 1ЩКУ(2ЩКУ-4ЩКУ). Расчетная схема. Схема подключения Шкафы распределительные 1ШР,2ШР. Расчетная схема Схема подключения контрольных цепей тиристорного возбудительного устройства Заземление. Троллеи. Начало Заземление. Троллеи. Окончание Электроосвещение Общие данные Рабочее электрическое освещение. План на отм. 0.000 Ремонтное и аварийное электрическое освещение. План на отм. 0.000 Электрическое освещение. Разрезы Электрическое освещение. Питательная сеть 380 В. Принципиальная однолинейная схема Связь и сигнализация Общие данные (начало) Общие данные (окончание) План расположения сети Схемы расположения сетей Схема соединений громкоговорящей связи Общие данные (начало) Общие данные (окончание) План расположения сети Схемы расположения сетей Схема соединений громкоговорящей связи | Разработан: | Гипростройдормаш
| Утверждён: | 14.11.1986 Минстройдормаш (Minstroydormash 640)
| Расположен в: |
|
                                                   
|