Информационная система
«Ёшкин Кот»

Скачать базу одним архивом
Скачать обновления
История создания базы
Карта сайта

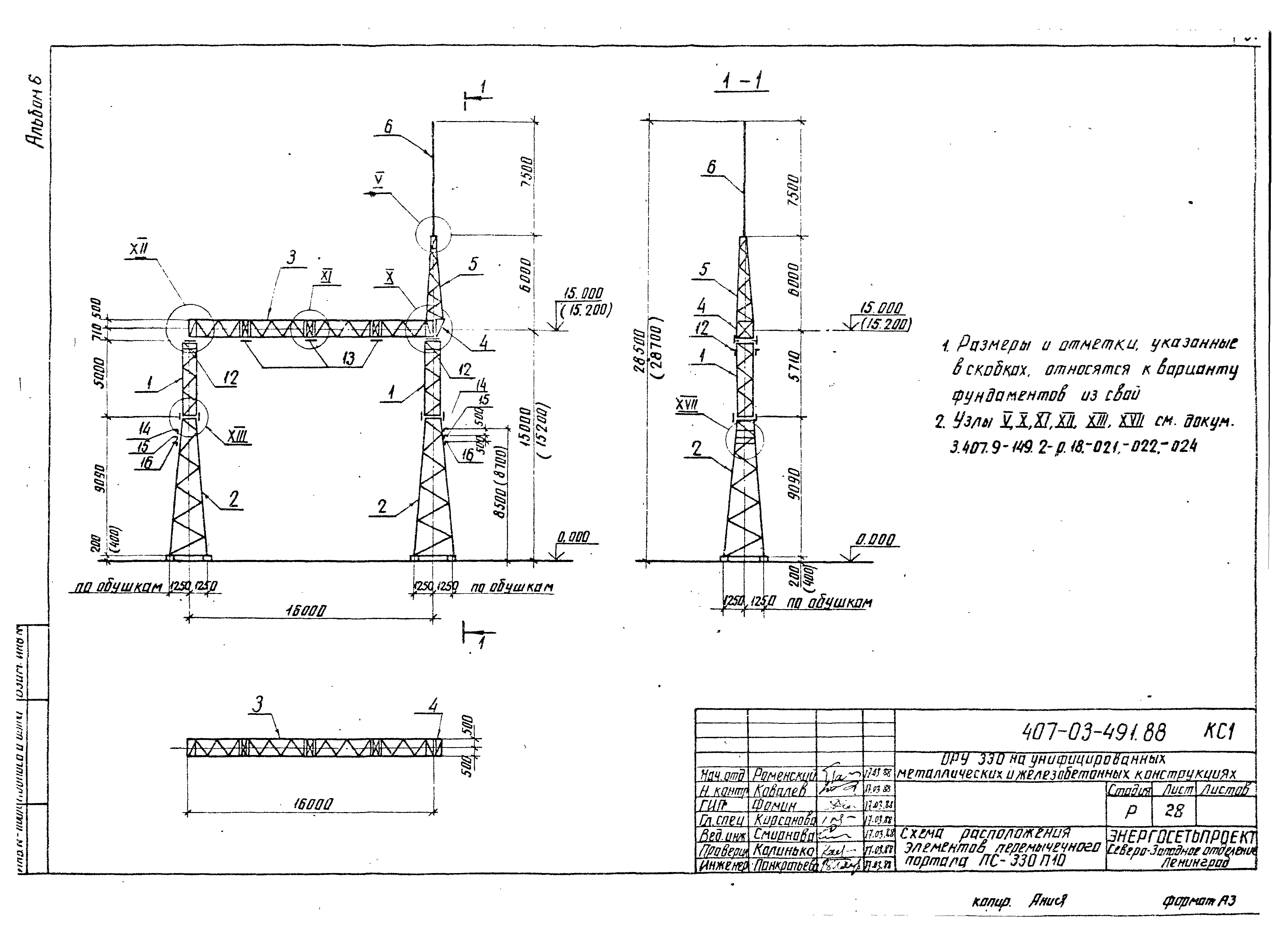
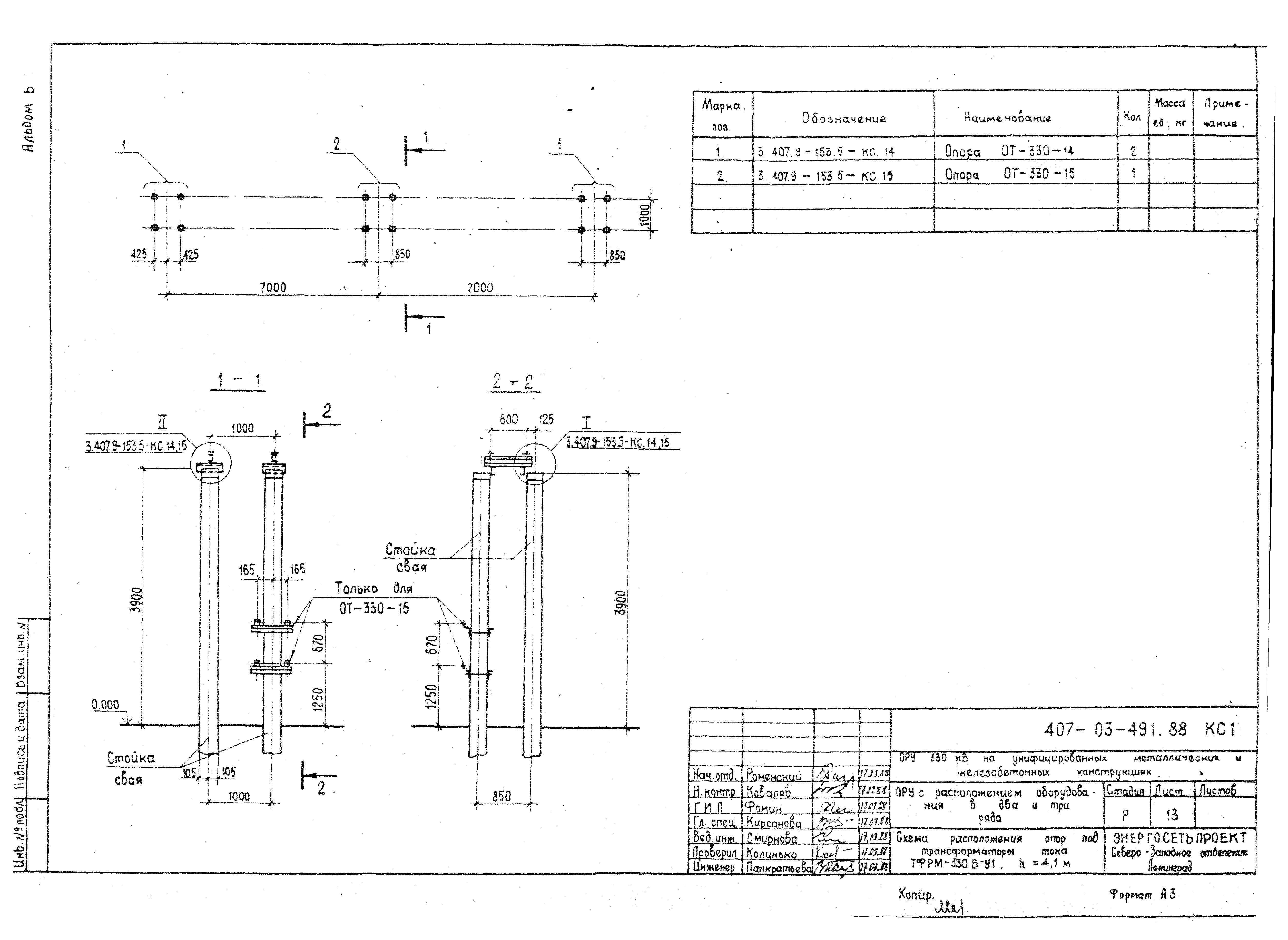
Скачать Типовые материалы для проектирования 407-03-491.88 Альбом 6. Строительная часть. Строительные конструкции

Дата актуализации: 10.08.2017

Типовые материалы для проектирования 407-03-491.88

Альбом 6. Строительная часть. Строительные конструкции

Обозначение: Типовые материалы для проектирования 407-03-491.88
Обозначение англ: 407-03-491.88
Статус:cправочные материалы, мп, тпр
Название рус.:Альбом 6. Строительная часть. Строительные конструкции
Дата добавления в базу:01.09.2013
Дата актуализации:05.05.2017
Дата введения:26.03.1988
Разработан: Северо-западное отделение института Энергосетьпроект
Утверждён:26.03.1988 Минэнерго СССР (USSR Minenergo 24)
Расположен в:Техническая документация Строительство Справочные документы Типовые строительные конструкции, изделия и узлы Общероссийский строительный каталог Промышленные предприятия, здания и сооружения Предприятия, здания и сооружения промышленности и электроэнергетики Электроэнергетика Устройства и подстанции распределительные
Типовые материалы для проектирования 407-03-491.88Типовые материалы для проектирования 407-03-491.88Типовые материалы для проектирования 407-03-491.88Типовые материалы для проектирования 407-03-491.88Типовые материалы для проектирования 407-03-491.88Типовые материалы для проектирования 407-03-491.88Типовые материалы для проектирования 407-03-491.88Типовые материалы для проектирования 407-03-491.88Типовые материалы для проектирования 407-03-491.88Типовые материалы для проектирования 407-03-491.88Типовые материалы для проектирования 407-03-491.88Типовые материалы для проектирования 407-03-491.88Типовые материалы для проектирования 407-03-491.88Типовые материалы для проектирования 407-03-491.88Типовые материалы для проектирования 407-03-491.88Типовые материалы для проектирования 407-03-491.88Типовые материалы для проектирования 407-03-491.88Типовые материалы для проектирования 407-03-491.88Типовые материалы для проектирования 407-03-491.88Типовые материалы для проектирования 407-03-491.88Типовые материалы для проектирования 407-03-491.88Типовые материалы для проектирования 407-03-491.88Типовые материалы для проектирования 407-03-491.88Типовые материалы для проектирования 407-03-491.88Типовые материалы для проектирования 407-03-491.88Типовые материалы для проектирования 407-03-491.88Типовые материалы для проектирования 407-03-491.88Типовые материалы для проектирования 407-03-491.88Типовые материалы для проектирования 407-03-491.88Типовые материалы для проектирования 407-03-491.88Типовые материалы для проектирования 407-03-491.88Типовые материалы для проектирования 407-03-491.88Типовые материалы для проектирования 407-03-491.88Типовые материалы для проектирования 407-03-491.88Типовые материалы для проектирования 407-03-491.88Типовые материалы для проектирования 407-03-491.88Типовые материалы для проектирования 407-03-491.88Типовые материалы для проектирования 407-03-491.88Типовые материалы для проектирования 407-03-491.88Типовые материалы для проектирования 407-03-491.88Типовые материалы для проектирования 407-03-491.88

© 2013 Ёшкин Кот :-) Карта сайта