Информационная система
«Ёшкин Кот»

Скачать базу одним архивом
Скачать обновления
История создания базы
Карта сайта

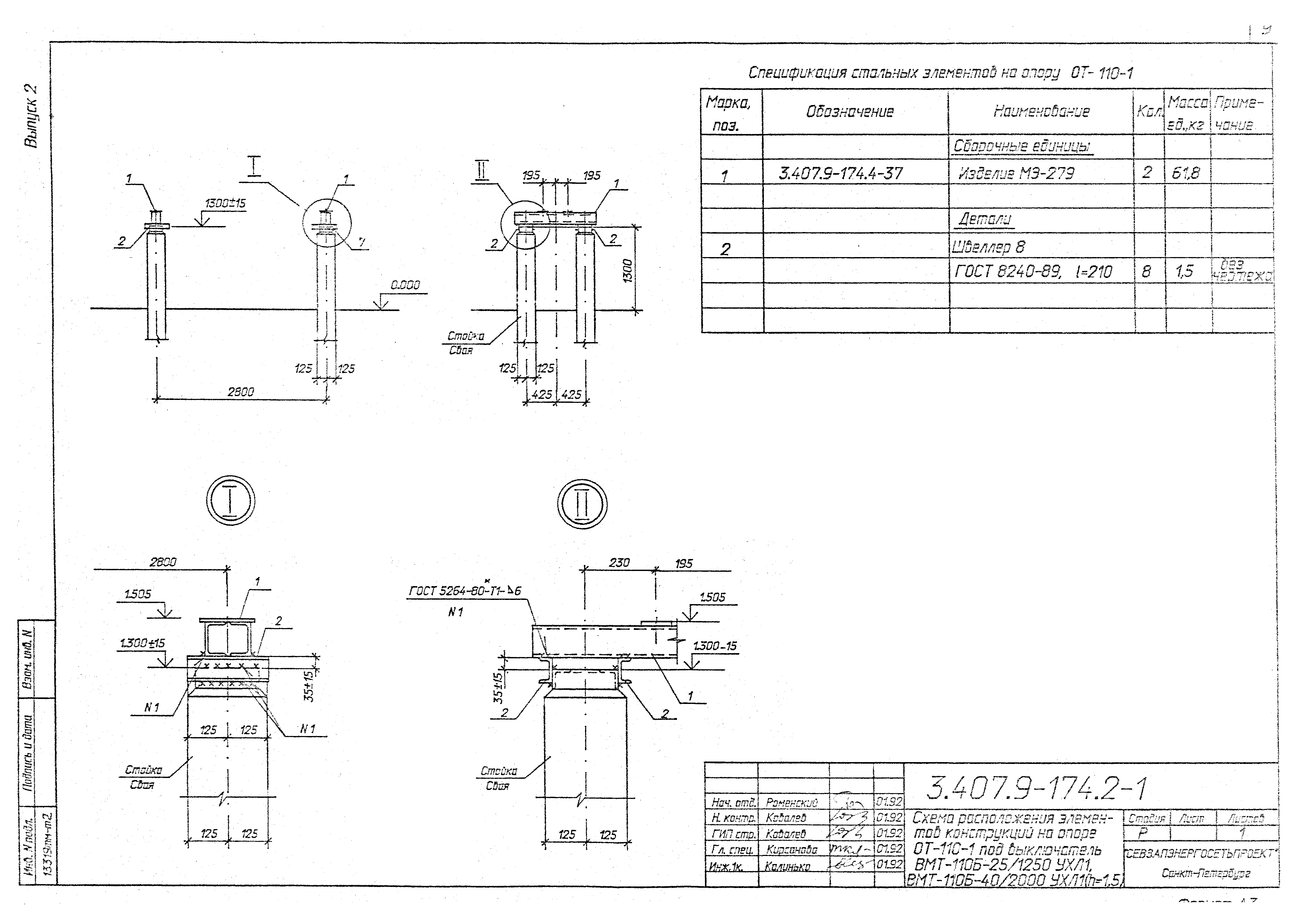
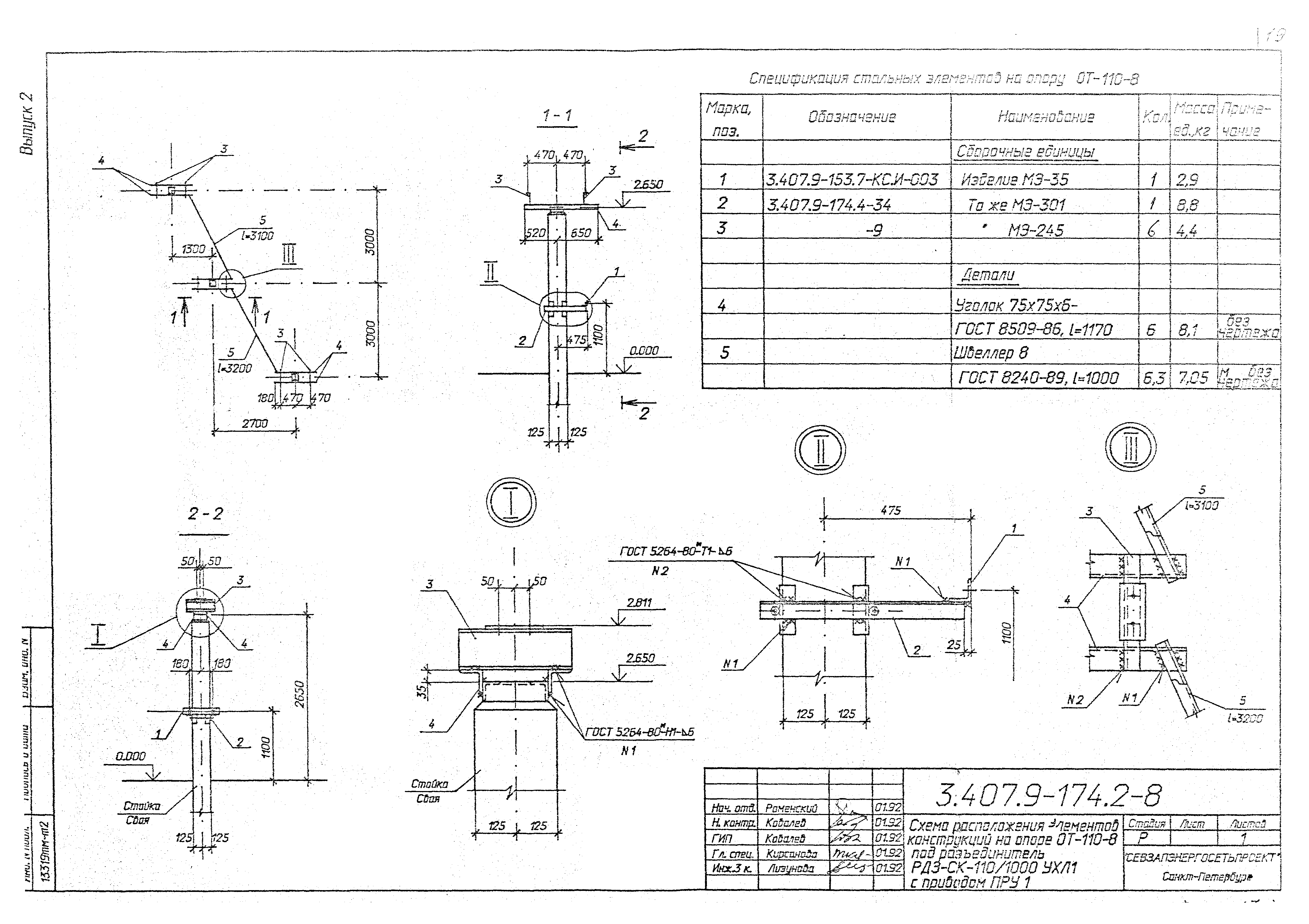
Скачать Серия 3.407.9-174 Выпуск 2. Опоры под оборудование ОРУ 110 кВ. Рабочие чертежи

Дата актуализации: 10.08.2017

Серия 3.407.9-174

Выпуск 2. Опоры под оборудование ОРУ 110 кВ. Рабочие чертежи

Обозначение: Серия 3.407.9-174
Обозначение англ: Series 3.407.9-174
Статус:не определен законодательством
Название рус.:Выпуск 2. Опоры под оборудование ОРУ 110 кВ. Рабочие чертежи
Дата добавления в базу:01.09.2013
Дата актуализации:05.05.2017
Дата введения:15.05.1992
Разработан: Севзапэнергосетьпроект
Утверждён:15.05.1992 Севзапэнергосетьпроект (3)
Принят:15.05.1992 Минсктиппроект (3)
Расположен в:Техническая документация Строительство Справочные документы Типовые строительные конструкции, изделия и узлы Общероссийский строительный каталог Строительные конструкции, изделия и узлы зданий и сооружений для всех видов строительства Конструкции и изделия сооружений и оборудования зданий Надземные сооружения Опоры и порталы линий электропередачи, освещения, связи и др. Железобетонные
Серия 3.407.9-174Серия 3.407.9-174Серия 3.407.9-174Серия 3.407.9-174Серия 3.407.9-174Серия 3.407.9-174Серия 3.407.9-174Серия 3.407.9-174Серия 3.407.9-174Серия 3.407.9-174Серия 3.407.9-174Серия 3.407.9-174Серия 3.407.9-174Серия 3.407.9-174Серия 3.407.9-174Серия 3.407.9-174Серия 3.407.9-174Серия 3.407.9-174Серия 3.407.9-174Серия 3.407.9-174Серия 3.407.9-174Серия 3.407.9-174Серия 3.407.9-174Серия 3.407.9-174Серия 3.407.9-174Серия 3.407.9-174Серия 3.407.9-174Серия 3.407.9-174Серия 3.407.9-174Серия 3.407.9-174Серия 3.407.9-174Серия 3.407.9-174Серия 3.407.9-174Серия 3.407.9-174Серия 3.407.9-174Серия 3.407.9-174

© 2013 Ёшкин Кот :-) Карта сайта