Информационная система
«Ёшкин Кот»

Скачать базу одним архивом
Скачать обновления
История создания базы
Карта сайта

Скачать Серия 1.412-2 Выпуск I-2. Материалы для проектирования. Чертежи фундаментов

Дата актуализации: 10.08.2017

Серия 1.412-2

Выпуск I-2. Материалы для проектирования. Чертежи фундаментов

Обозначение: Серия 1.412-2
Обозначение англ: Series 1.412-2
Статус:заменен
Название рус.:Выпуск I-2. Материалы для проектирования. Чертежи фундаментов
Дата добавления в базу:01.09.2013
Дата актуализации:05.05.2017
Дата введения:01.07.1978
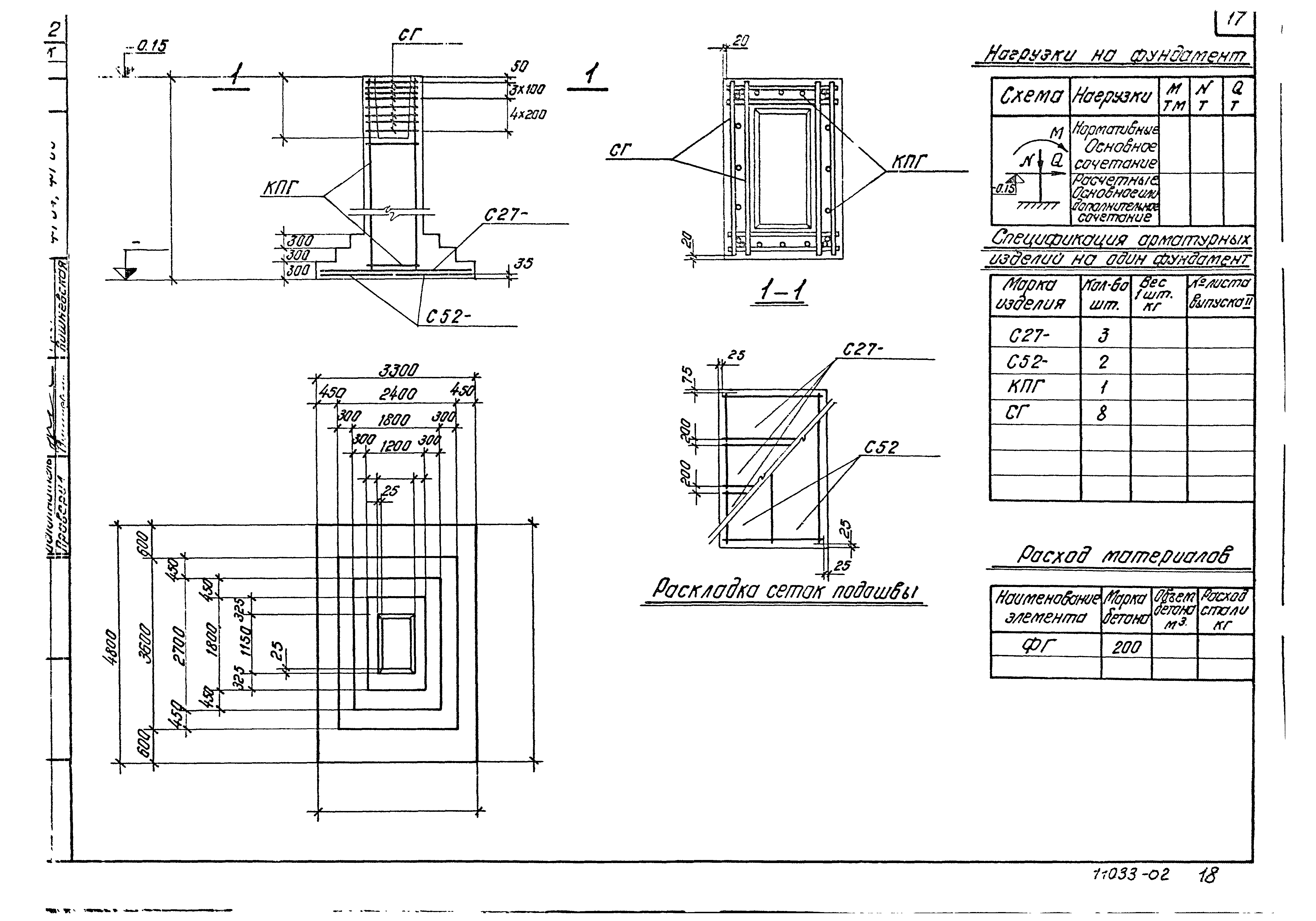
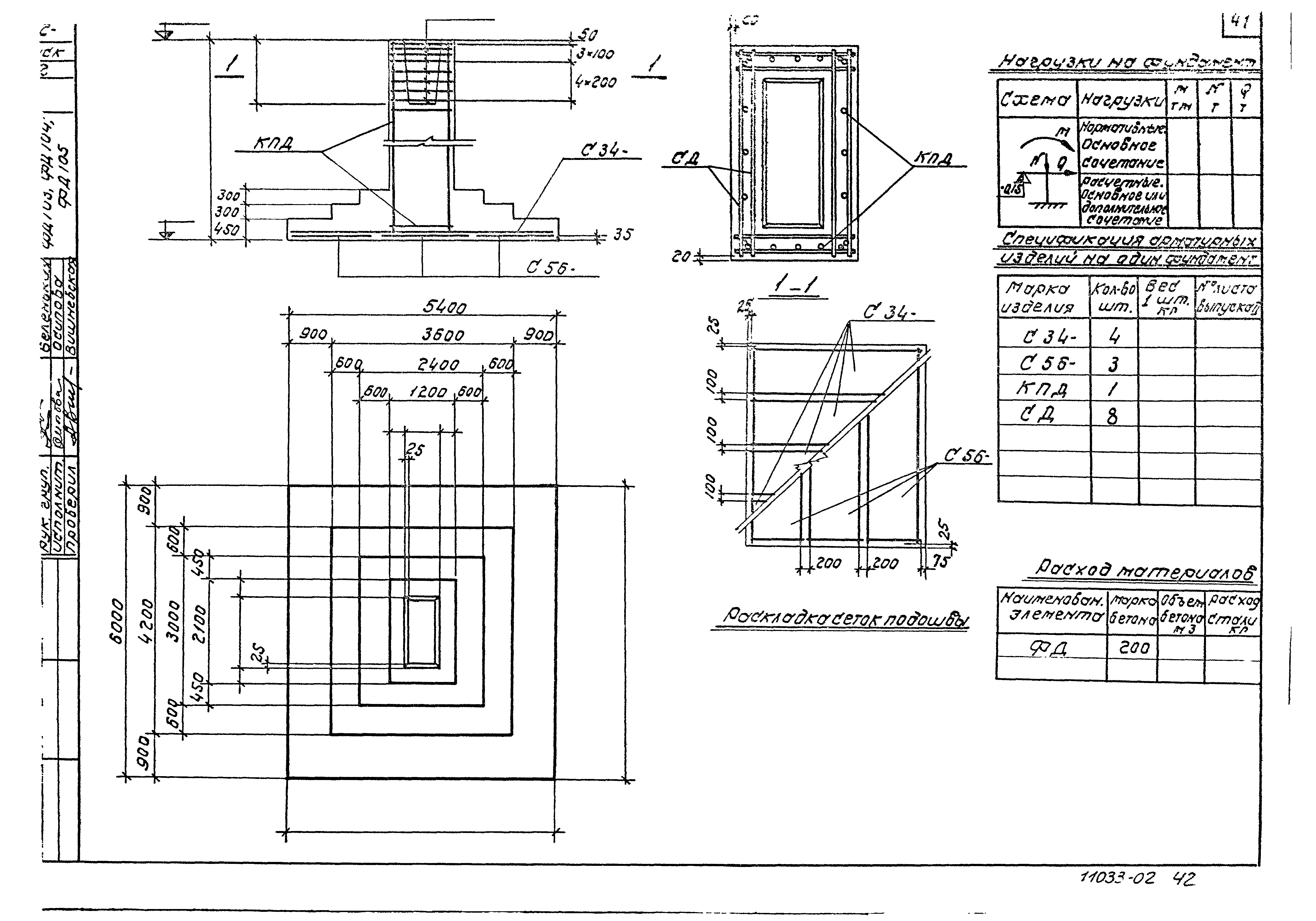
Область применения:Настоящий выпуск 1-2 содержит чертежи фундаментов, которые дорабатываются проектировщиком на основании данных, полученных при подборе фундамента по таблицам и графикам в выпуске 1-1. Там же приведены указания по доработке чертежей
Разработан: НИИЖБ
Проектный институт № 1 Госстроя СССР
Утверждён:10.08.1971 Госстрой СССР (Государственный комитет Совета Министров СССР по делам строительства) (USSR Gosstroy 134)
Расположен в:Техническая документация Строительство Справочные документы Типовые строительные конструкции, изделия и узлы Общероссийский строительный каталог Строительные конструкции, изделия и узлы зданий и сооружений для всех видов строительства Конструкции, изделия и узлы зданий Конструкции нулевого цикла Фундаменты и фундаментные блоки
Чем заменён:
  • Серия 1.412-2/77
Нормативные ссылки:
Серия 1.412-2Серия 1.412-2Серия 1.412-2Серия 1.412-2Серия 1.412-2Серия 1.412-2Серия 1.412-2Серия 1.412-2Серия 1.412-2Серия 1.412-2Серия 1.412-2Серия 1.412-2Серия 1.412-2Серия 1.412-2Серия 1.412-2Серия 1.412-2Серия 1.412-2Серия 1.412-2Серия 1.412-2Серия 1.412-2Серия 1.412-2Серия 1.412-2Серия 1.412-2Серия 1.412-2Серия 1.412-2Серия 1.412-2Серия 1.412-2Серия 1.412-2Серия 1.412-2Серия 1.412-2Серия 1.412-2Серия 1.412-2Серия 1.412-2Серия 1.412-2Серия 1.412-2Серия 1.412-2Серия 1.412-2Серия 1.412-2Серия 1.412-2Серия 1.412-2Серия 1.412-2Серия 1.412-2Серия 1.412-2Серия 1.412-2Серия 1.412-2Серия 1.412-2Серия 1.412-2Серия 1.412-2Серия 1.412-2Серия 1.412-2Серия 1.412-2Серия 1.412-2Серия 1.412-2Серия 1.412-2Серия 1.412-2Серия 1.412-2Серия 1.412-2Серия 1.412-2Серия 1.412-2Серия 1.412-2Серия 1.412-2Серия 1.412-2Серия 1.412-2Серия 1.412-2Серия 1.412-2

© 2013 Ёшкин Кот :-) Карта сайта