| ||||||||||||||||||||||||||||||
Скачать Серия 3.017-1 Выпуск 4. Монтажные узлы оградДата актуализации: 10.08.2017
|
| Обозначение: | Серия 3.017-1 |
| Обозначение англ: | Series 3.017-1 |
| Статус: | не действует |
| Название рус.: | Выпуск 4. Монтажные узлы оград |
| Дата добавления в базу: | 01.09.2013 |
| Дата актуализации: | 05.05.2017 |
| Дата введения: | 01.07.1974 |
| Дата окончания срока действия: | 01.05.1993 |
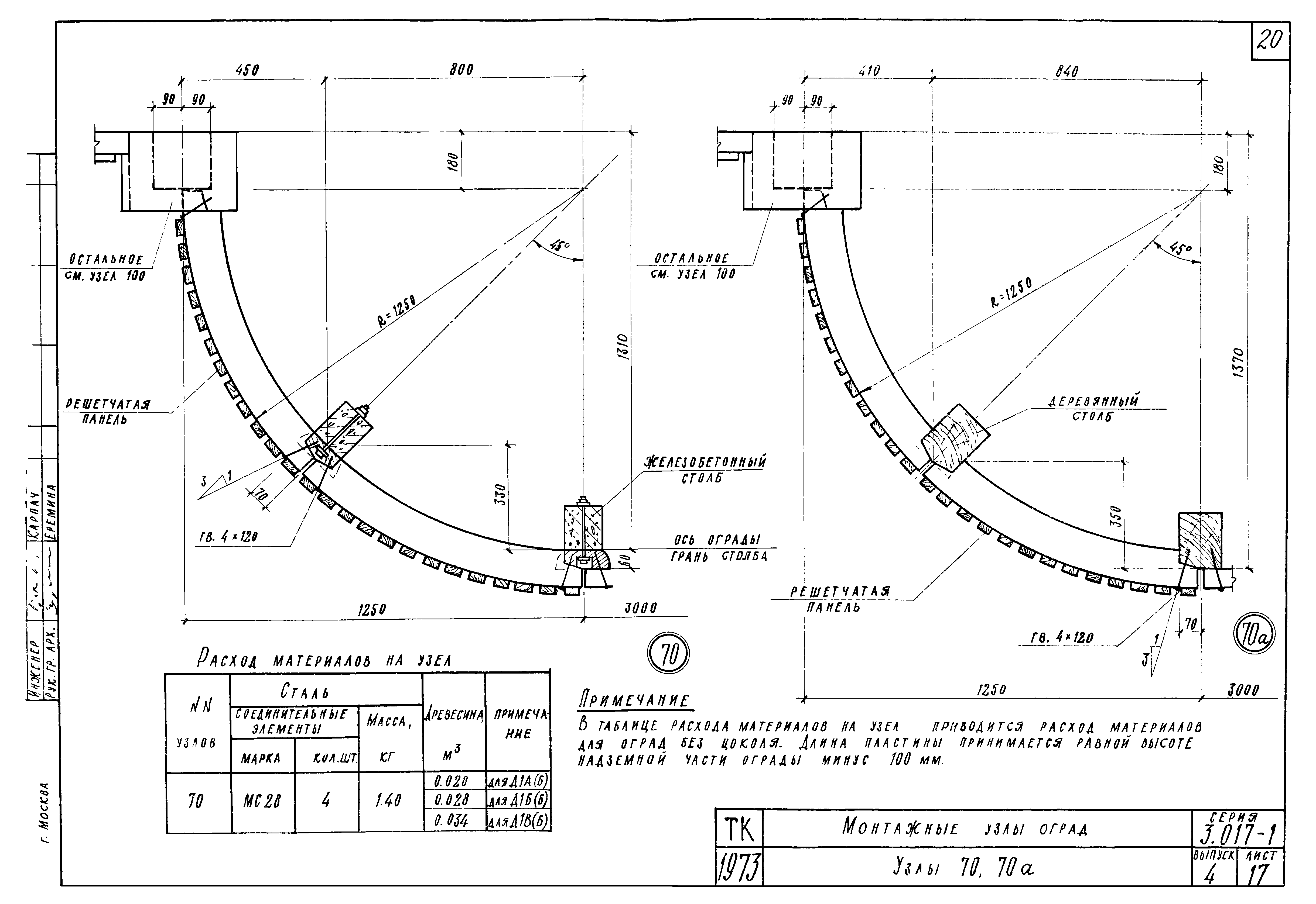
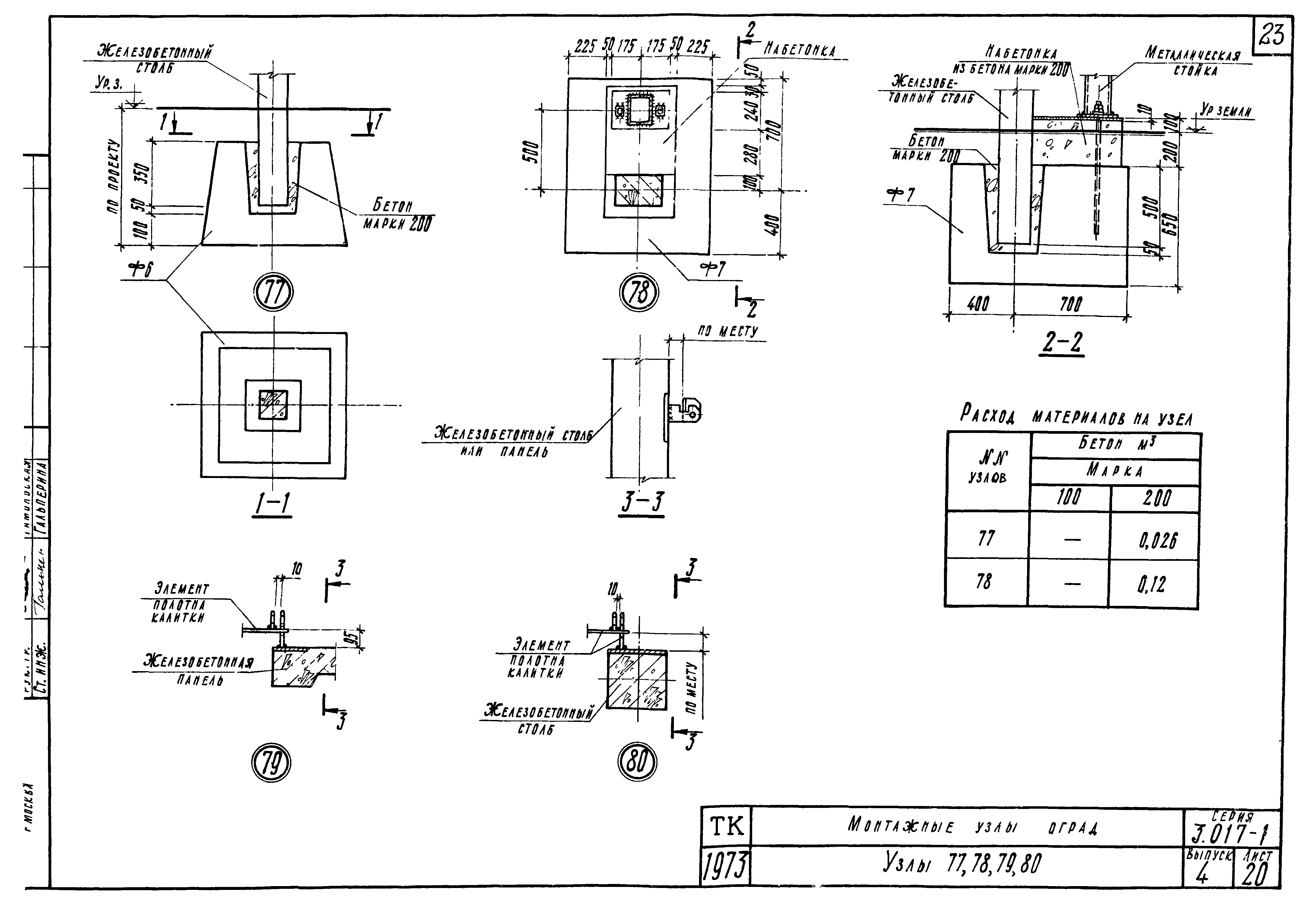
| Оглавление: | Пояснительная записка Узлы крепления железобетонных оград Узлы 1,2,3,4,5,6 Узлы 7,8,9,10 Узлы 11,12,13,14,15 Узлы 16.17,18 Узлы заделки железобетонных и деревянных столбов металлических и деревянных оград Узлы 19,20,20а,21,21а Узлы крепления металлических оград из сетки, натянутой на стержни Узлы 22,22а,22б,23,24,24а,24б,25 Узлы 26,27,28 Узлы крепления металлических оград из сетки, натянутой на уголки Узлы 29,30,31,32,33,34 Узлы крепления металлических оград из сетчатых панелей Узлы 35,36,37 Узлы 38,39,40,41 Узлы крепления металлических и деревометаллических оград из панелей в металлической рамке Узлы 42,43,44,45,46,47,48 Узлы 49,50,51,52,53,54,55 Узлы крепления оград из колючей проволоки и насадки Узлы 56,56а,57,57а,58,59,60 Узлы крепления деревянных оград Узлы 61,61а,62,62а,63,63а Узлы 64,64а,64б,65,65а,65б,66,66а,66б Узлы 67,67а,67б,68,68а,68б,69,69а,69б Узлы 70,70а Узлы 71,71а,72,72а,73,73а Узлы 74,74а,75,75а,76,76а Узлы крепления ворот и калиток Узлы 77,78,79,80 Узлы 81,82,83,84,85,86 Узлы 87,88,89,90,91,92,93,94,95,96,97 Узлы 98,99,100,101,102 Узлы 103,104,105,106 |
| Разработан: | ЦНИИП градостроительства Проектный институт № 2 Госстроя СССР |
| Утверждён: | 01.04.1974 Госстрой СССР (Государственный комитет Совета Министров СССР по делам строительства) (USSR Gosstroy 58) |
| Расположен в: | |
| Чем заменён: |




























