Скачать Серия 1.172-3 Встроенные шкафы, шкафы-перегородки и антресоли каркасной конструкции из унифицированных блоков для жилых зданийДата актуализации: 10.08.2017 Серия 1.172-3
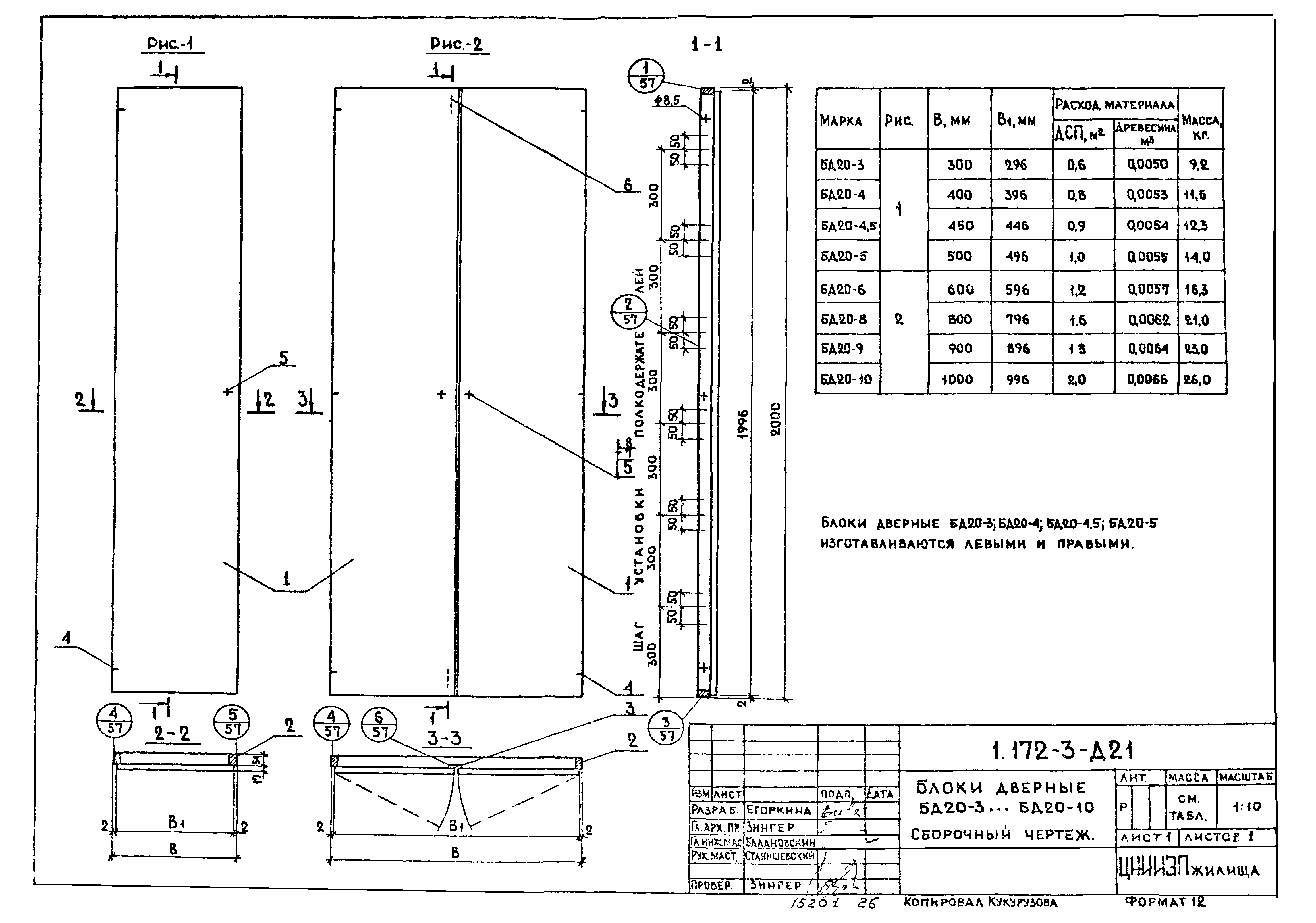
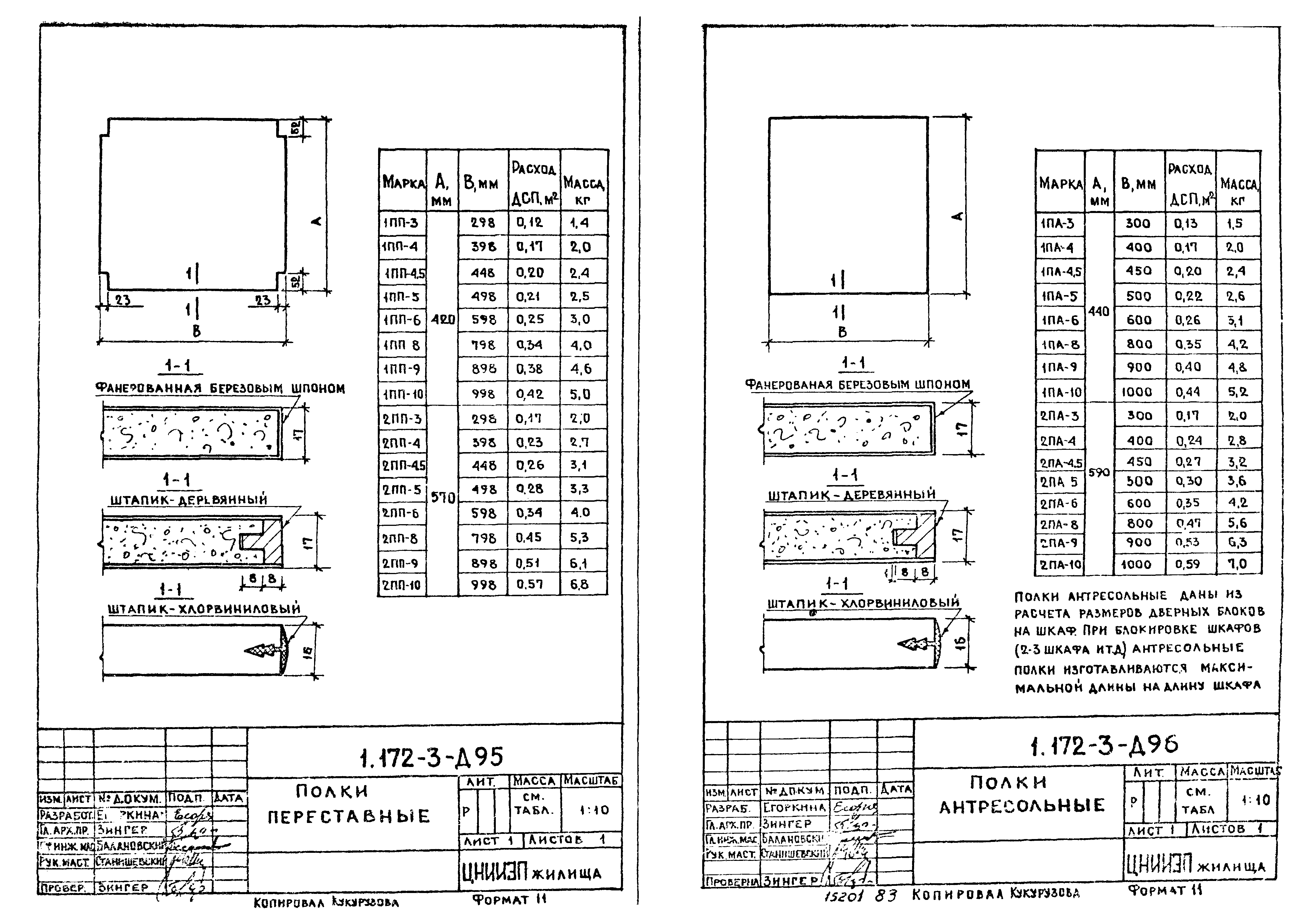
Встроенные шкафы, шкафы-перегородки и антресоли каркасной конструкции из унифицированных блоков для жилых зданийОбозначение: | Серия 1.172-3 | Обозначение англ: | Series 1.172-3 | Статус: | не действует | Название рус.: | Встроенные шкафы, шкафы-перегородки и антресоли каркасной конструкции из унифицированных блоков для жилых зданий | Дата добавления в базу: | 01.09.2013 | Дата актуализации: | 05.05.2017 | Дата введения: | 01.06.1978 | Дата окончания срока действия: | 01.04.1981 | Оглавление: | Содержание Пояснительная записка Номенклатура дверных блоков шкафов Номенклатура дверных блоков антресолей Номенклатура блоков задних стенок шкафов Номенклатура блоков задних стенок антресолей Номенклатура элементов и деталей шкафов Примеры сочетания унифицированных блоков Варианты встроенных шкафов Оптовые и сметные цены на блоки дверные БД17,БД20 Оптовые и сметные цены на блоки антресольные АД33,АД-43 Оптовые и сметные цены на блоки антресольные АД63,АД73 Оптовые и сметные цены на блоки задних стенок БС17,БС20 Оптовые и сметные цены на блоки задних стенок антресолей АС33;АС43 Оптовые и сметные цены на блоки задних стенок антресолей АС53;АС63;АС73 Оптовые и сметные цены на боковые и промежуточные стенки Оптовые и сметные цены на антресольные и переставные полки Оптовые и сметные цены на деревянные детали Блоки дверные БД17-3...БД17-10 Блоки дверные БД17-3...БД17-10. Сборочный чертеж Блоки дверные БД20-3...БД20-10 Блоки дверные БД20-3...БД20-10. Сборочный чертеж Блоки дверные БД17-3...БД17-5 Блоки дверные БД20-3...БД20-5 Блоки дверные БД17-3...БД17-5. Сборочный чертеж Блоки дверные БД20-3...БД20-5. Сборочный чертеж Рамки дверных блоков РБ17-3...РБ17-10 Рамки дверных блоков РБ17-3...РБ17-10. Сборочный чертеж Рамки дверных блоков РБ20-3...РБ20-10 Рамки дверных блоков РБ20-3...РБ20-10. Сборочный чертеж Блоки антресольные АД33-3...АД33-10 Блоки антресольные АД33-3...АД33-10. Сборочный чертеж Блоки антресольные АД33-3...АД43-10 Блоки антресольные АД43-3...АД43-10. Сборочный чертеж Полотна дверных блоков антресолей ПДА33-3...ПДА35-5 Полотна дверок антресолей ПДА33-3...ПДА35-5. Сборочный чертеж Рамки антресольные РА33-3...РА33-10 Рамки антресольные РА33-3...РА33-10. Сборочный чертеж Рамки антресольные РА43-3...РА43-10 Рамки антресольные РА43-3...РА43-10. Сборочный чертеж Рамки антресольные РА53-3...РА53-10 Рамки антресольные РА53-3...РА53-10. Сборочный чертеж Рамки антресольные РА63-3...РА63-10 Рамки антресольные РА63-3...РА63-10. Сборочный чертеж Полотна дверных блоков антресолей ПДА53-3...ПДА53-5 Полотна дверных блоков антресолей ПДА63-3...ПДА63-5 Полотна дверных блоков антресолей ПДА53-3...ПДА53-5. Сборочный чертеж Полотна дверных блоков антресолей ПДА63-3...ПДА63-5. Сборочный чертеж Рамки антресольные РА53-3...РА53-10 Рамки антресольные РА53-3...РА53-10. Сборочный чертеж Рамки антресольные РА63-3...РА63-10 Рамки антресольные РА63-3...РА63-10. Сборочный чертеж Блоки антресольные АД73-3...АД73-10 Блоки антресольные АД73-3...АД73-10. Сборочный чертеж Полотна дверных блоков антресолей ПДА73-3...ПДА73-5 Полотна дверок антресолей ПДА73-3...ПДА73-6 Рамки антресольные РА73-3...РА73-10 Рамки антресольные РА73-3...РА73-10. Сборочный чертеж Блоки Дверные. Узлы 1...6 Блоки задней стенки БС17-3...БС17-10 Блоки задней стенки БС17-3...БС17-10. Сборочный чертеж Блоки задней стенки БС20-3...БС20-10 Блоки задней стенки БС20-3...БС20-10. Сборочный чертеж Полотна блоков задних стенок ПС17-3...ПС17-10 Полотна блоков задних стенок ПС20-3...ПС20-10 Полотна блоков задних стенок ПС17-3...ПС17-10. Сборочный чертеж Полотна блоков задних стенок ПС20-3...ПС20-10. Сборочный чертеж Блоки задней стенки антресолей АС33-3...АС33-10 Блоки задней стенки антресолей АС33-3...АС33-10. Сборочный чертеж Блоки задней стенки антресолей АС43-3...АС43-10 Блоки задней стенки антресолей АС43-3...АС43-10. Сборочный чертеж Полотна задних стенок антресолей ПАС33-3...ПАС33-10 Полотна задних стенок антресолей ПАС43-3...ПАС43-10 Полотна задних стенок антресолей ПАС33-3...ПАС33-10. Сборочный чертеж Полотна задних стенок антресолей ПАС43-3...ПАС43-10. Сборочный чертеж Полотна задних стенок антресолей ПАС53-3...ПАС53-10 Полотна задних стенок антресолей ПАС53-3...ПАС53-10. Сборочный чертеж Полотна задних стенок антресолей ПАС63-3...ПАС63-10 Полотна задних стенок антресолей ПАС63-3...ПАС63-10. Сборочный чертеж Полотна задних стенок антресолей ПАС53-3...ПАС53-10 Полотна задних стенок антресолей ПАС63-3...ПАС63-10 Полотна задних стенок антресолей ПАС53-3...ПАС53-10. Сборочный чертеж Полотна задних стенок антресолей ПАС63-3...ПАС63-10. Сборочный чертеж Блоки задней стенки антресолей АС73-3...АС73-10 Блоки задней стенки антресолей АС73-3...АС73-10. Сборочный чертеж Полотна задних стенок антресолей ПАС73-3...ПАС73-10 Блоки задней стенки. Узлы 7...11 Стенка боковая СБ1,СБ2 Стенка боковая - добор Стенка промежуточная Конструкция дверного полого полотна с вариантами заполнения Полки переставные Полки антресольные Ящик для шкафов. Сборочный чертеж Монтажный брус МБ-1 Монтажный брус МБ-2 Штанга ШТ-4...ШТ-10 Штангодержатель. Вариант 1 (ШД-1) Полкодержатель ПД-1,ПД-2,ПД-3. Держатель ящика ДЯ-1 Штанга выдвижная Штанга выдвижная. Сборочный чертеж Штанга выдвижная - скоба Штанга выдвижная - ролик Наличник Плинтус Угольник крепежный УМ-1 Угольник крепежный УМ-2 Винт стяжной В-1,В-2,В-3 Гайка стяжная Винт стяжной В-1,В-2,В-3 Гайка стяжная Петля ПП-5 Петля ПП-5Л. Сборочный чертеж Петля ПП-5. Кронштейн 5-01 Петля ПП-5. Кронштейн 5-02 Петля ПП-5. Кронштейн 5-03 Петля ПП-5. Шайба 5-04 Примеры применения Шкаф встроенный Ш. Монтажный чертеж (примеры применения) Шкаф встроенный Ш. Антресоль А. Монтажный чертеж (примеры применения) Расчет сметной стоимости шкафа Ш и антресоли А (примеры применения) Шкаф встроенный Ш. Монтажный чертеж (примеры применения) Шкаф-перегородка ШП. Монтажный чертеж (примеры применения) Антресоль. Монтажный чертеж (примеры применения) Монтажные узлы 1...16, примеры применения Монтажные узлы 17...31, примеры применения Монтажные узлы 1А,1Б...29Б, примеры применения Монтажные узлы с повышенной звукоизоляцией 1А...29А. Примеры применения Монтажные узлы 2А,2Б...32,33. Примеры применения Монтажные узлы 34,35,34А,35А. Примеры применения Монтажные узлы 34Б,35Б. Примеры применения Монтажные узлы 36,37. Примеры применения | Разработан: | ЦНИИЭП жилища
| Утверждён: | 04.04.1978 Государственный комитет по гражданскому строительству и архитектуре при Госстрое СССР (69)
| Расположен в: |
| Заменяет собой: | | Чем заменён: | |
                                                                                                               
|