Информационная система
«Ёшкин Кот»

Скачать базу одним архивом
Скачать обновления
История создания базы
Карта сайта

Скачать ОСТ 1 02650-88 Системы автоматизированного проектирования. Формат и представление данных для передачи геометрической модели. Общие требования

Дата актуализации: 10.08.2017

ОСТ 1 02650-88

Системы автоматизированного проектирования. Формат и представление данных для передачи геометрической модели. Общие требования

Обозначение: ОСТ 1 02650-88
Обозначение англ: 02650-88
Статус:действует
Название рус.:Системы автоматизированного проектирования. Формат и представление данных для передачи геометрической модели. Общие требования
Дата добавления в базу:01.09.2013
Дата актуализации:05.05.2017
Дата введения:01.07.1989
Область применения:Стандарт распространяется на правила построения структуры файла для обмена информацией между системами автоматизированного проектирования (САПР) и автоматизированной системой технологической подготовки производства.
Оглавление:1. Основные положения
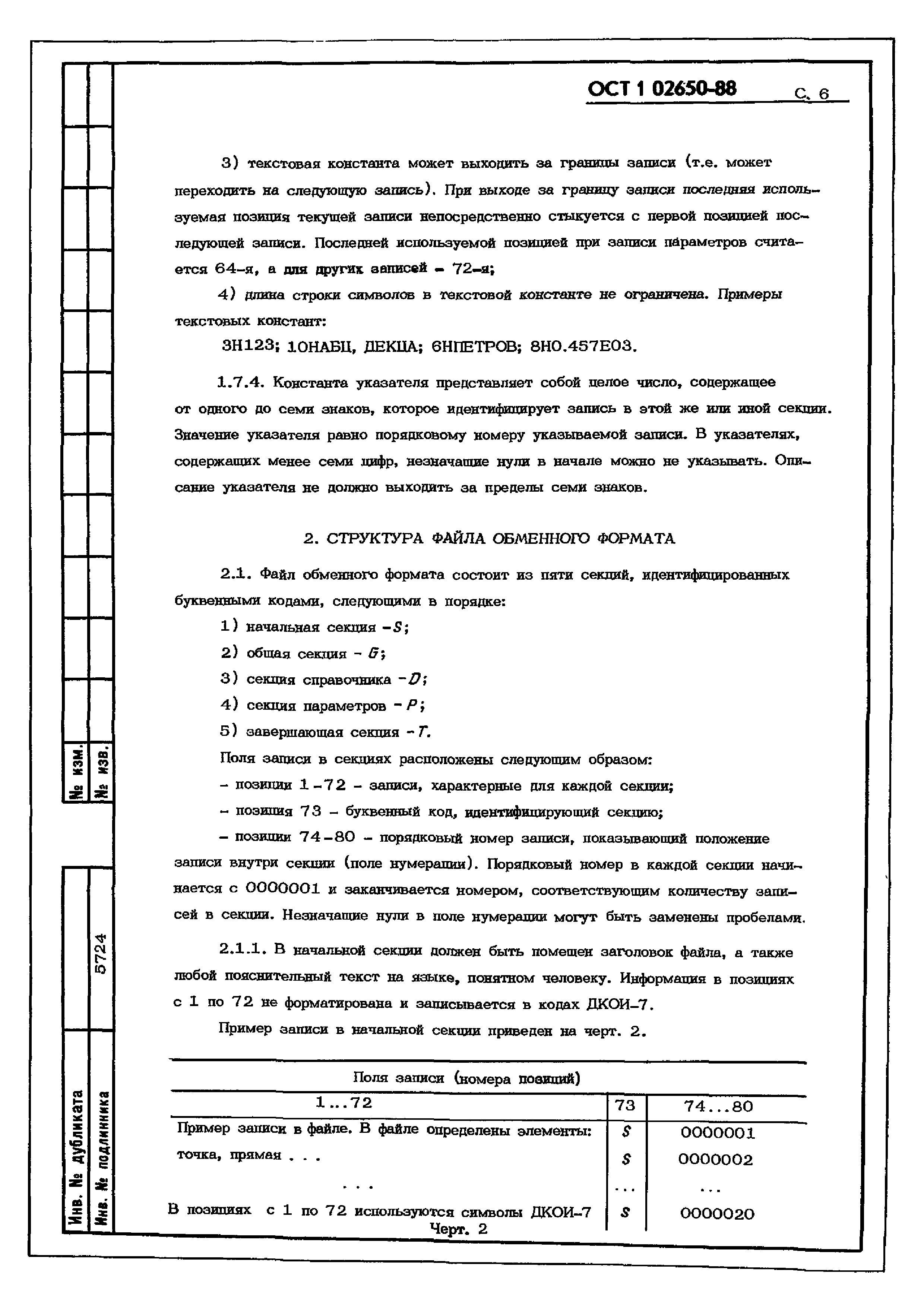
2. Структура файла обменного формата
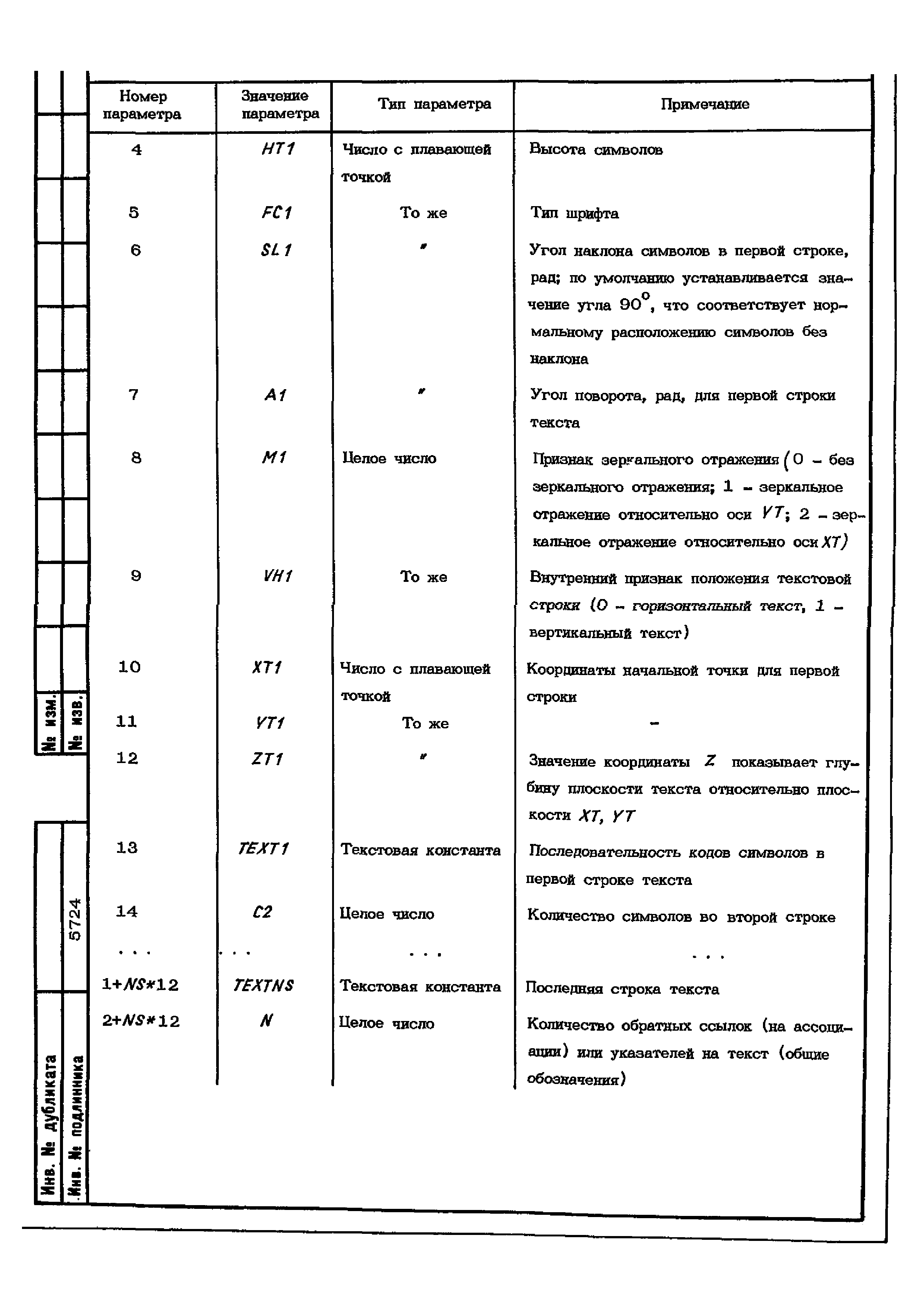
3. Геометрические элементы
4. Негеометрические элементы
Приложение (справочное). Термины и пояснения
Приложение (справочное). Пространство описания геометрических элементов
Приложение (справочное). Пример файла в обменном порядке
Утверждён:23.08.1988 Министерство (Ministry )
Расположен в:Техническая документация
Нормативные ссылки:
ОСТ 1 02650-88ОСТ 1 02650-88ОСТ 1 02650-88ОСТ 1 02650-88ОСТ 1 02650-88ОСТ 1 02650-88ОСТ 1 02650-88ОСТ 1 02650-88ОСТ 1 02650-88ОСТ 1 02650-88ОСТ 1 02650-88ОСТ 1 02650-88ОСТ 1 02650-88ОСТ 1 02650-88ОСТ 1 02650-88ОСТ 1 02650-88ОСТ 1 02650-88ОСТ 1 02650-88ОСТ 1 02650-88ОСТ 1 02650-88ОСТ 1 02650-88ОСТ 1 02650-88ОСТ 1 02650-88ОСТ 1 02650-88ОСТ 1 02650-88ОСТ 1 02650-88ОСТ 1 02650-88ОСТ 1 02650-88ОСТ 1 02650-88ОСТ 1 02650-88ОСТ 1 02650-88ОСТ 1 02650-88ОСТ 1 02650-88ОСТ 1 02650-88ОСТ 1 02650-88ОСТ 1 02650-88ОСТ 1 02650-88ОСТ 1 02650-88ОСТ 1 02650-88ОСТ 1 02650-88ОСТ 1 02650-88ОСТ 1 02650-88ОСТ 1 02650-88ОСТ 1 02650-88ОСТ 1 02650-88ОСТ 1 02650-88ОСТ 1 02650-88ОСТ 1 02650-88ОСТ 1 02650-88ОСТ 1 02650-88ОСТ 1 02650-88ОСТ 1 02650-88ОСТ 1 02650-88ОСТ 1 02650-88ОСТ 1 02650-88ОСТ 1 02650-88ОСТ 1 02650-88ОСТ 1 02650-88ОСТ 1 02650-88ОСТ 1 02650-88ОСТ 1 02650-88ОСТ 1 02650-88ОСТ 1 02650-88ОСТ 1 02650-88ОСТ 1 02650-88ОСТ 1 02650-88ОСТ 1 02650-88ОСТ 1 02650-88ОСТ 1 02650-88ОСТ 1 02650-88ОСТ 1 02650-88ОСТ 1 02650-88ОСТ 1 02650-88ОСТ 1 02650-88

© 2013 Ёшкин Кот :-) Карта сайта