Информационная система
«Ёшкин Кот»

Скачать базу одним архивом
Скачать обновления
История создания базы
Карта сайта

Скачать ОСТ 1 02621-96 Система контроля и диагностирования авиационных газотурбинных двигателей бортовая. Общие требования

Дата актуализации: 10.08.2017

ОСТ 1 02621-96

Система контроля и диагностирования авиационных газотурбинных двигателей бортовая. Общие требования

Обозначение: ОСТ 1 02621-96
Обозначение англ: 02621-96
Статус:действует
Название рус.:Система контроля и диагностирования авиационных газотурбинных двигателей бортовая. Общие требования
Дата добавления в базу:01.09.2013
Дата актуализации:05.05.2017
Дата введения:01.01.1997
Область применения:Стандарт распространяется на бортовые системы контроля и диагностирования (БСКД) газотурбинных двигателей (ГТД) самолетов и вертолетов, являющиеся составной частью комплексной системы эксплуатационного контроля двигателя.
Оглавление:1. Область применения
2. Нормативные ссылки
3. Определения
4. Общие требования к системе
5. Требования к датчикам
6. Требования к УПО
7. Требования к УОА
8. Требования к УОИ
9. Требования к ЭБН
10. Требования к УД
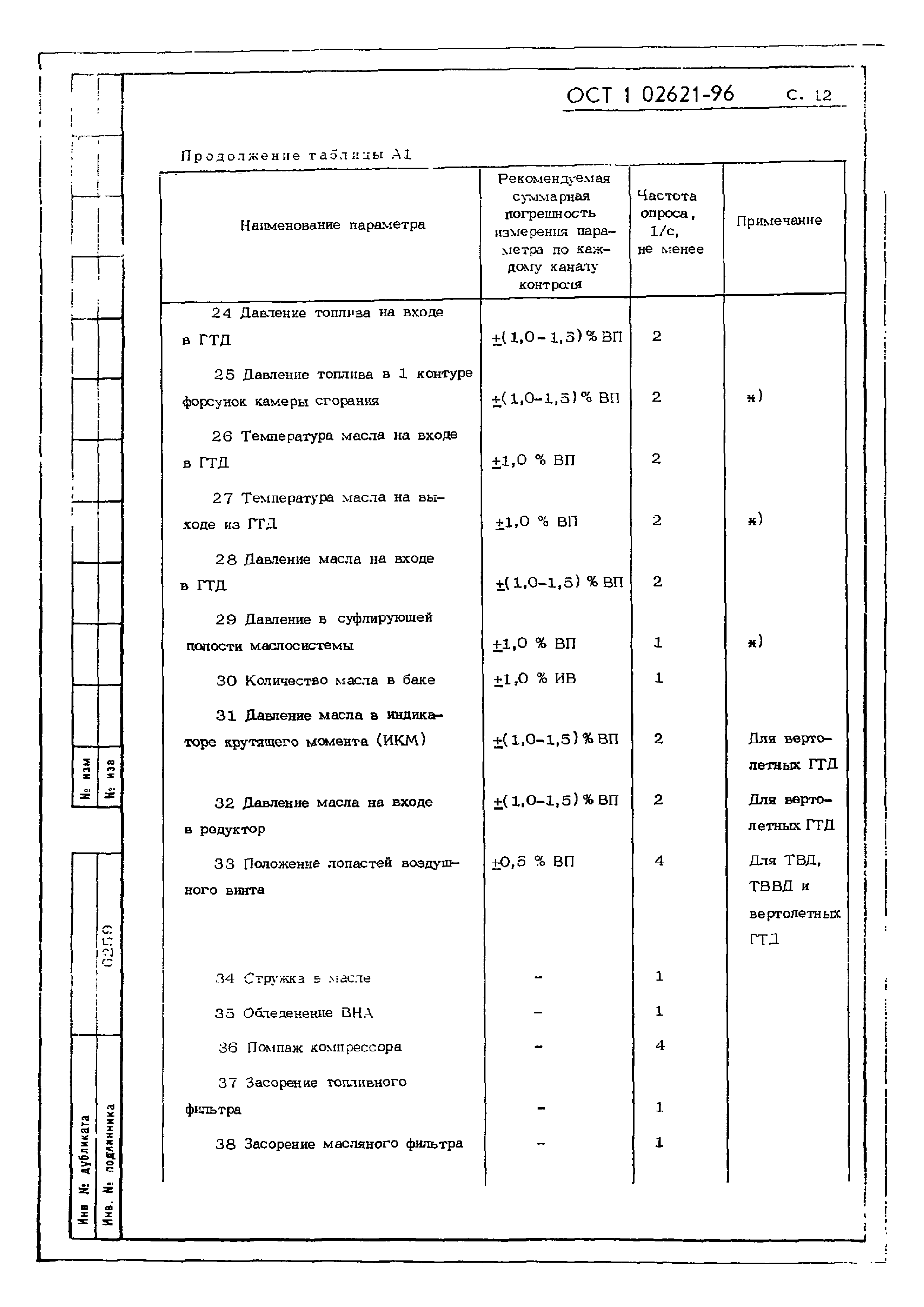
Приложение А (обязательное). Типовой перечень основных параметров ГТД, подлежащих контролю
Приложение Б (рекомендуемое). Расчет средней наработки на отказ БСКД, приводящего к выдаче ложного сигнала на выключение двигателя в полете
Разработан: НИИСУ (Научно-исследовательский институт стандартизации и унификации)
Утверждён:24.07.1996 ТК 323 Авиационная техника
Расположен в:Техническая документация
Заменяет собой:
  • ОСТ 1 02621-87
Нормативные ссылки:
ОСТ 1 02621-96ОСТ 1 02621-96ОСТ 1 02621-96ОСТ 1 02621-96ОСТ 1 02621-96ОСТ 1 02621-96ОСТ 1 02621-96ОСТ 1 02621-96ОСТ 1 02621-96ОСТ 1 02621-96ОСТ 1 02621-96ОСТ 1 02621-96ОСТ 1 02621-96ОСТ 1 02621-96ОСТ 1 02621-96ОСТ 1 02621-96ОСТ 1 02621-96ОСТ 1 02621-96ОСТ 1 02621-96ОСТ 1 02621-96

© 2013 Ёшкин Кот :-) Карта сайта