Информационная система
«Ёшкин Кот»

Скачать базу одним архивом
Скачать обновления
История создания базы
Карта сайта

Скачать Типовой проект 121-043/1.2 Часть 7. Диспетчеризация инженерного оборудования

Дата актуализации: 10.08.2017

Типовой проект 121-043/1.2

Часть 7. Диспетчеризация инженерного оборудования

Обозначение: Типовой проект 121-043/1.2
Обозначение англ: 121-043/1.2
Статус:не определен законодательством
Название рус.:Часть 7. Диспетчеризация инженерного оборудования
Дата добавления в базу:01.09.2013
Дата актуализации:05.05.2017
Дата введения:01.04.1982
Оглавление:ТП 121-043/1.2 Д1.1-1-4 Общие данные
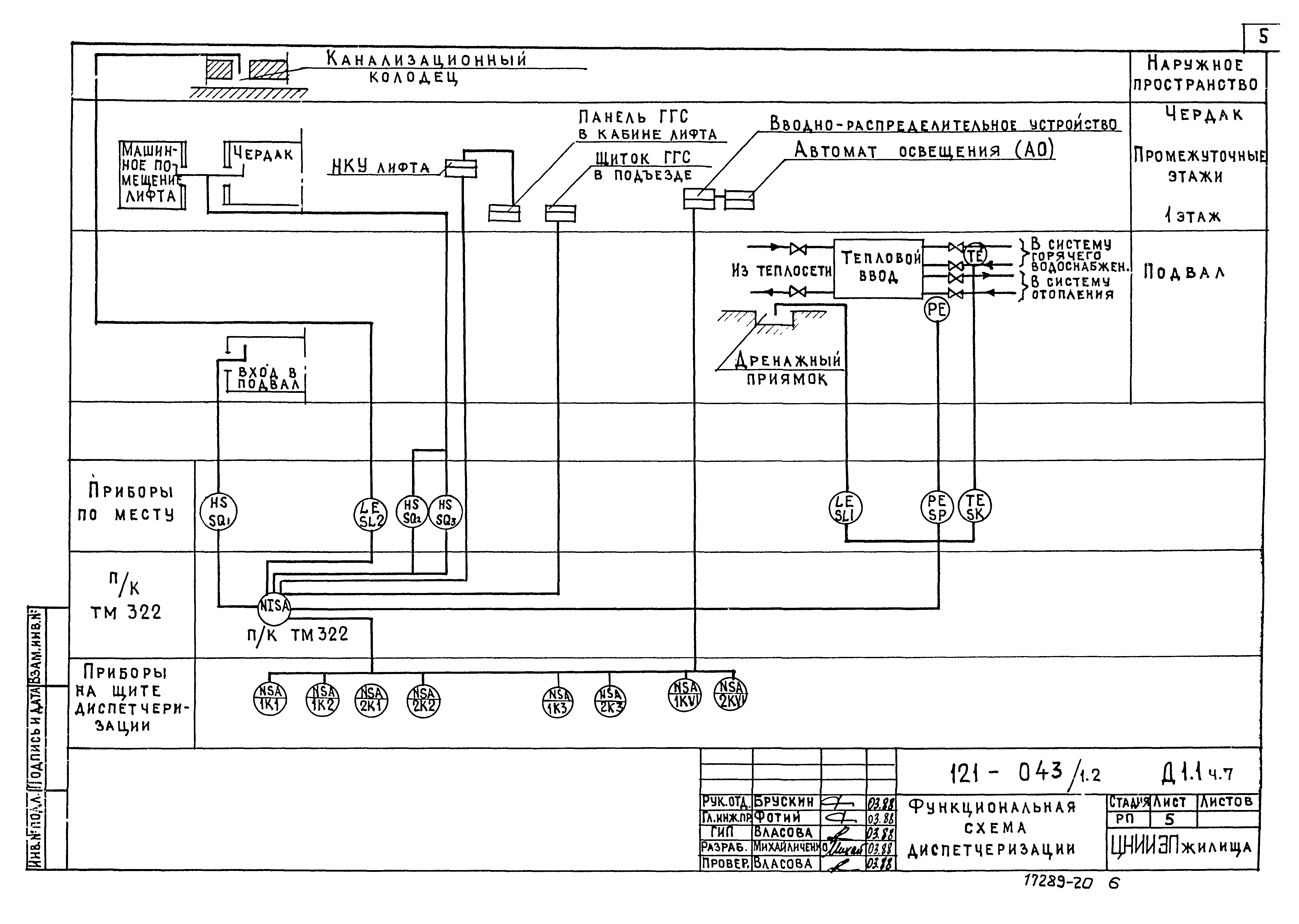
ТП 121-043/1.2 Д1.1-5 Функциональная схема диспетчеризации
ТП 121-043/1.2 Д1.1-6 Структурная схема соединений элементов диспетчеризации по дому. Варианты
ТП 121-043/1.2 Д1.1-7 Схема электрическая принципиальная контроля инженерного оборудования блок-секции
ТП 121-043/1.2 Д1.1-8 Схема электрическая принципиальная контроля напряжения на электровводе
ТП 121-043/1.2 Д1.1-9 Схема электрическая принципиальная контроля загазованности и освещения
ТП 121-043/1.2 Д1.1-10 Схема электрическая принципиальная включения и контроля освещения
ТП 121-043/1.2 Д1.1-11 Принципиальная электрическая схема контроля уровня воды в подвале
ТП 121-043/1.2 Д1.1-12 Схема электрическая принципиальная контроля и громкоговорящей связи
ТП 121-043/1.2 Д1.1-13 Прокладка кабеля по шахте лифта
ТП 121-043/1.2 Д1.1-14 Схема внешних соединений средств диспетчеризации
ТП 121-043/1.2 Д1.1-15-17 Планы расположения средств диспетчеризации
ТП 121-043/1.2 Д1.1-18 Установка конечного выключателя
ТП 121-043/1.2 Д1.1 Ссылочные документы
ТП 121-043/1.2 Д1.1 Временные рекомендации для проектирования комплексных диспетчерских
ТП 121-043/1.2 Д1.1 Прилагаемые документы
ТП 121-043/1.2 Д1.1.СО Спецификация оборудования по рабочим чертежам диспетчеризации
ТП 121-043/1.2 Д1.1.ОЛ Опросный лист щита диспетчеризации
Разработан: ЦНИИЭП жилища
Утверждён:22.12.1980 ЦНИИЭП жилища (TsNIIEPzhilishcha 466)
Расположен в:Техническая документация Строительство Справочные документы Типовые строительные конструкции, изделия и узлы Общероссийский строительный каталог Жилые здания для строительства в городах и поселках городского типа Обычные условия Жилые дома панельные Серия 121
Типовой проект 121-043/1.2Типовой проект 121-043/1.2Типовой проект 121-043/1.2Типовой проект 121-043/1.2Типовой проект 121-043/1.2Типовой проект 121-043/1.2Типовой проект 121-043/1.2Типовой проект 121-043/1.2Типовой проект 121-043/1.2Типовой проект 121-043/1.2Типовой проект 121-043/1.2Типовой проект 121-043/1.2Типовой проект 121-043/1.2Типовой проект 121-043/1.2Типовой проект 121-043/1.2Типовой проект 121-043/1.2Типовой проект 121-043/1.2Типовой проект 121-043/1.2Типовой проект 121-043/1.2Типовой проект 121-043/1.2Типовой проект 121-043/1.2Типовой проект 121-043/1.2

© 2013 Ёшкин Кот :-) Карта сайта