Информационная система
«Ёшкин Кот»

Скачать базу одним архивом
Скачать обновления
История создания базы
Карта сайта

Скачать Типовой проект 902-2-483.91 Альбом 5. Электрооборудование и автоматизация. Технологический контроль. Связь и сигнализация (из ТП 902-2-482.91)

Дата актуализации: 10.08.2017

Типовой проект 902-2-483.91

Альбом 5. Электрооборудование и автоматизация. Технологический контроль. Связь и сигнализация (из ТП 902-2-482.91)

Обозначение: Типовой проект 902-2-483.91
Обозначение англ: 902-2-483.91
Статус:не определен законодательством
Название рус.:Альбом 5. Электрооборудование и автоматизация. Технологический контроль. Связь и сигнализация (из ТП 902-2-482.91)
Дата добавления в базу:01.09.2013
Дата актуализации:05.05.2017
Дата введения:08.10.1991
Оглавление:ТП 902-2-482.91-ЭМ Основной комплект марки ЭМ
ТП 902-2-482.91-ЭМ-1,2 Общие данные
ТП 902-2-482.91-ЭМ-3 Принципиальная схема распределительной сети. Начало. Вариант с регулируемым приводом
ТП 902-2-482.91-ЭМ-4 Принципиальная схема распределительной сети. Начало. Вариант без регулируемого привода
ТП 902-2-482.91-ЭМ-5-7 Принципиальная схема распределительной сети. Продолжение
ТП 902-2-482.91-ЭМ-8 Принципиальная схема распределительной сети. Окончание. Вариант с регулируемым приводом
ТП 902-2-482.91-ЭМ-9 Принципиальная схема распределительной сети. Окончание. Вариант без регулируемого привода
ТП 902-2-482.91-ЭМ-10 Схема принципиальная АВР 0.4 кВ
ТП 902-2-482.91-ЭМ-11 Поясняющая технологическая схема
ТП 902-2-482.91-ЭМ-12 Схема принципиальная управления приводом фермы УВР отстойника. Вариант с регулируемым приводом
ТП 902-2-482.91-ЭМ-13 Схема принципиальная управления приводом фермы УВР отстойника. Вариант без регулируемого привода
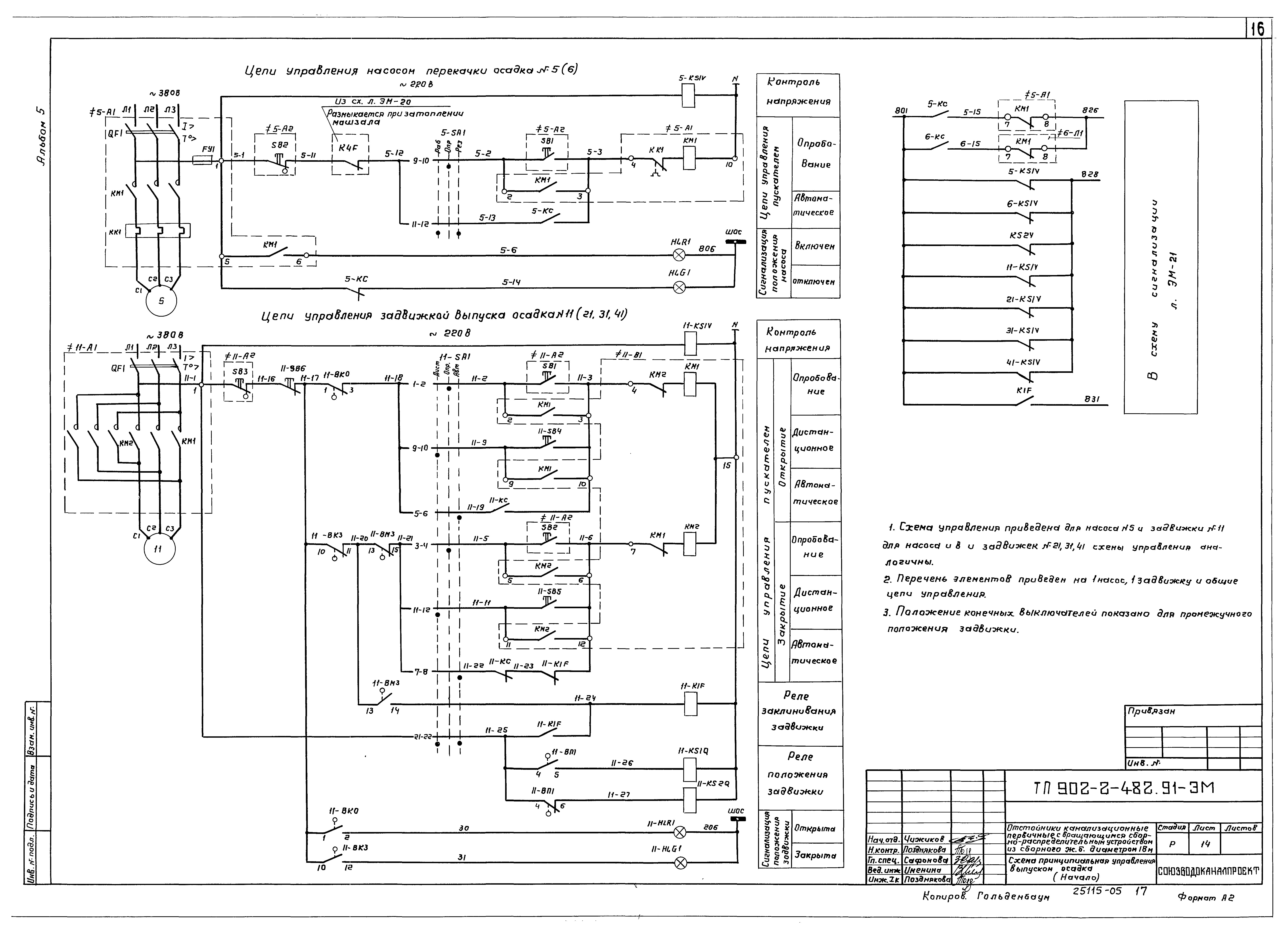
ТП 902-2-482.91-ЭМ-14-16 Схема принципиальная управления выпуском осадка
ТП 902-2-482.91-ЭМ-17,18 Схема принципиальная управления насосами перекачки всплывающих веществ
ТП 902-2-482.91-ЭМ-19,20 Схема принципиальная управления насосами гидроуплотнения и дренажными насосами
ТП 902-2-482.91-ЭМ-21,22 Схема принципиальная сигнализации
ТП 902-2-482.91-ЭМ-23 Схема подключения отдельностоящего оборудования
ТП 902-2-482.91-ЭМ-24 Привод фермы. Схема подключения. Вариант с регулируемым приводом
ТП 902-2-482.91-ЭМ-25 Щит управления 13-ЩУП,14-ЩУП. Схема подключения
ТП 902-2-482.91-ЭМ-26 Щит защищенный 1ШЩ. Схема подключений панели 1. Вариант с регулируемым приводом
ТП 902-2-482.91-ЭМ-27 Щит защищенный 1ШЩ. Схема подключений панели 1. Вариант без регулируемого привода
ТП 902-2-482.91-ЭМ-28 Щит защищенный 1ШЩ. Схема подключений панелей 2,3
ТП 902-2-482.91-ЭМ-29 Щит защищенный. Схема подключений панелей 4,5
ТП 902-2-482.91-ЭМ-30 Щит защищенный. Схема подключений панели 6. Вариант с регулируемым приводом
ТП 902-2-482.91-ЭМ-31 Щит защищенный. Схема подключений панели 6. Вариант без регулируемого привода
ТП 902-2-482.91-ЭМ-32 Насосная станция. Расположение электрооборудования, прокладка кабелей и труб. План на отм. -0.000 м
ТП 902-2-482.91-ЭМ-33 Насосная станция. Расположение электрооборудования. Прокладка кабелей и труб. План на отм. -3.800 м
ТП 902-2-482.91-ЭМ-34 Отстойники диаметром 18 м. Расположение электрооборудования, прокладка кабелей и труб. Ремонтное электроосвещение
ТП 902-2-482.91-ЭМ-35 Отстойники диаметром 24 м. Расположение электрооборудования, прокладка кабелей и труб. Ремонтное электроосвещение
ТП 902-2-482.91-ЭМ-36 Отстойники. Расположение электрооборудования, прокладка кабелей и труб. Разрез 1-1. Вид А
ТП 902-2-482.91-ЭМ-37 Насосная станция. План сети зануления
ТП 902-2-482.91-ЭМ-38 Насосная станция. Электроосвещение
ТП 902-2-482.91-ЭМ.ЗЗИ-1-6 Щит защищенный 1ШЩ. Общий вид. Данные для разработки задания на изготовление щита
ТП 902-2-482.91-АТХ1 Основной комплект марки АТХ1
ТП 902-2-482.91-АТХ1-1 Общие данные
ТП 902-2-482.91-АТХ1-2 Схема принципиальная технологического контроля
ТП 902-2-482.91-АТХ1-3 Приточная система П1№1(П1№2). Схема принципиальная технологического контроля
ТП 902-2-482.91-АТХ1-4,5 Схема питания приводов
ТП 902-2-482.91-АТХ1-6 Схема электрическая принципиальная регулирования уровня в сборной камере
ТП 902-2-482.91-АТХ1-7 Приточная система П1№1(П1№2). Схема электрическая принципиальная регулирования
ТП 902-2-482.91-АТХ1-8 Схема соединений внешних проводок (начало)
ТП 902-2-482.91-АТХ1-9 Схема соединений внешних проводок (продолжение). Вариант с регулируемым приводом
ТП 902-2-482.91-АТХ1-10 Схема соединений внешних проводок (окончание). Вариант без регулируемого привода
ТП 902-2-482.91-АТХ1-11 Приточные системы П1№1(П1№2). Схема соединений внешних проводок
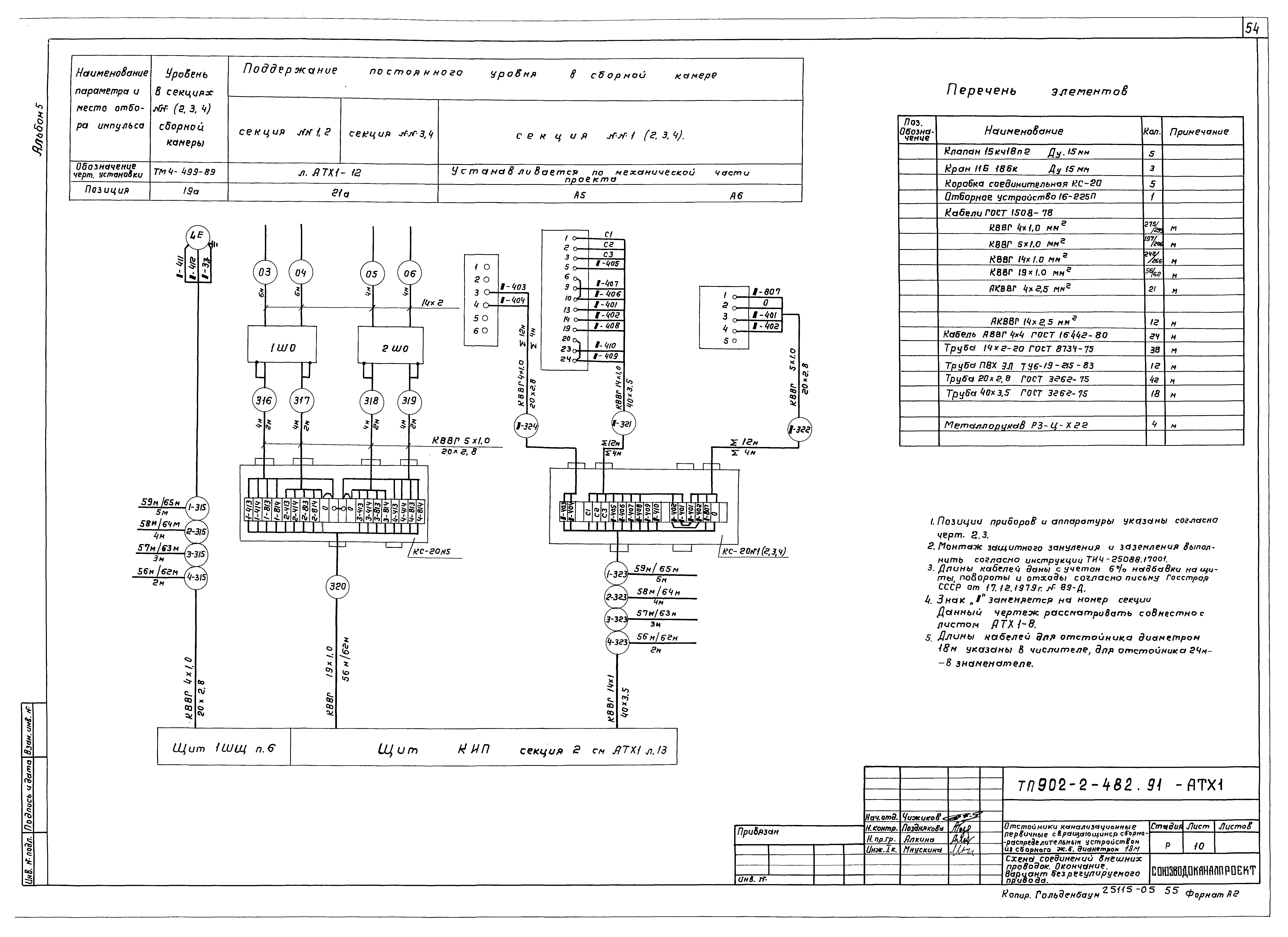
ТП 902-2-482.91-АТХ1-12 Шкаф обогреваемый 1ШО(2ШО). Общий вид и схема соединения
ТП 902-2-482.91-АТХ1-13 Щит КИП. Схема подключения секций 1,2
ТП 902-2-482.91-АТХ1-14 Щит 1КИП(2КИП). Схема подключения
ТП 902-2-482.91-АТХ1-15 Отстойники диаметром 18 м. План расположения СА и проводок
ТП 902-2-482.91-АТХ1-16 Отстойники диаметром 24 м. План расположения СА и проводок
ТП 902-2-482.91-АТХ1-17 Насосная станция. План расположения СА и проводок
ТП 902-2-482.91-АТХ2-1 Щит КИП. Данные для разработки задания на изготовление щита
ТП 902-2-482.91-АТХ2-2 Щит 1КИП(2КИП). Данные для разработки задания на изготовление шкафов
ТП 902-2-482.91-СС Основной комплект марки СС
ТП 902-2-482.91-СС-1 Общие данные. Сеть телефонной связи на отм. -3.170
Разработан: Союзводоканалниипроект
Утверждён:25.07.1991 СоюзводоканалНИИпроект (SoyuzvodokanalNIIproject 13)
Расположен в:Техническая документация Строительство Справочные документы Типовые строительные конструкции, изделия и узлы Общероссийский строительный каталог Промышленные предприятия, здания и сооружения Здания и сооружения санитарно-технические Канализация Сооружения механической очистки Отстойники Отстойники радиальные первичные
Типовой проект 902-2-483.91Типовой проект 902-2-483.91Типовой проект 902-2-483.91Типовой проект 902-2-483.91Типовой проект 902-2-483.91Типовой проект 902-2-483.91Типовой проект 902-2-483.91Типовой проект 902-2-483.91Типовой проект 902-2-483.91Типовой проект 902-2-483.91Типовой проект 902-2-483.91Типовой проект 902-2-483.91Типовой проект 902-2-483.91Типовой проект 902-2-483.91Типовой проект 902-2-483.91Типовой проект 902-2-483.91Типовой проект 902-2-483.91Типовой проект 902-2-483.91Типовой проект 902-2-483.91Типовой проект 902-2-483.91Типовой проект 902-2-483.91Типовой проект 902-2-483.91Типовой проект 902-2-483.91Типовой проект 902-2-483.91Типовой проект 902-2-483.91Типовой проект 902-2-483.91Типовой проект 902-2-483.91Типовой проект 902-2-483.91Типовой проект 902-2-483.91Типовой проект 902-2-483.91Типовой проект 902-2-483.91Типовой проект 902-2-483.91Типовой проект 902-2-483.91Типовой проект 902-2-483.91Типовой проект 902-2-483.91Типовой проект 902-2-483.91Типовой проект 902-2-483.91Типовой проект 902-2-483.91Типовой проект 902-2-483.91Типовой проект 902-2-483.91Типовой проект 902-2-483.91Типовой проект 902-2-483.91Типовой проект 902-2-483.91Типовой проект 902-2-483.91Типовой проект 902-2-483.91Типовой проект 902-2-483.91Типовой проект 902-2-483.91Типовой проект 902-2-483.91Типовой проект 902-2-483.91Типовой проект 902-2-483.91Типовой проект 902-2-483.91Типовой проект 902-2-483.91Типовой проект 902-2-483.91Типовой проект 902-2-483.91Типовой проект 902-2-483.91Типовой проект 902-2-483.91Типовой проект 902-2-483.91Типовой проект 902-2-483.91Типовой проект 902-2-483.91Типовой проект 902-2-483.91Типовой проект 902-2-483.91Типовой проект 902-2-483.91Типовой проект 902-2-483.91Типовой проект 902-2-483.91

© 2013 Ёшкин Кот :-) Карта сайта