Информационная система
«Ёшкин Кот»

Скачать базу одним архивом
Скачать обновления
История создания базы
Карта сайта

Скачать Типовой проект 816-2-20.86 Альбом 1. Общая пояснительная записка. Архитектурно-строительные решения. Конструкции металлические. Силовое электрооборудование. Спецификации оборудования. Ведомости потребности в материалах

Дата актуализации: 10.08.2017

Типовой проект 816-2-20.86

Альбом 1. Общая пояснительная записка. Архитектурно-строительные решения. Конструкции металлические. Силовое электрооборудование. Спецификации оборудования. Ведомости потребности в материалах

Обозначение: Типовой проект 816-2-20.86
Обозначение англ: 816-2-20.86
Статус:не определен законодательством
Название рус.:Альбом 1. Общая пояснительная записка. Архитектурно-строительные решения. Конструкции металлические. Силовое электрооборудование. Спецификации оборудования. Ведомости потребности в материалах
Дата добавления в базу:01.09.2013
Дата актуализации:05.05.2017
Дата введения:11.02.1986
Оглавление:ТП 816-2-20.86-ПЗ-1÷ПЗ-9 Общая пояснительная записка
ТП 816-2-20.86-АС-1 Общие данные (начало)
ТП 816-2-20.86-АС-2 Общие данные (окончание). Спецификация к схемам расположения
ТП 816-2-20.86-АС-3 Фасад 1-4. План на отм. 0.000. План полов. Разрез 1-1
ТП 816-2-20.86-АС-4 Схемы расположения колонн, прогонов и ферм покрытия. Схема расположения фундаментов
ТП 816-2-20.86-АС-5 Фасады, план и разрезы эстакады
ТП 816-2-20.86-АС-6 Схемы расположения блоков стен эстакады
ТП 816-2-20.86-АС-7 Фундамент ФА1-1а
ТП 816-2-20.86-АС.МС1 Элемент соединительный МС(Мс1-МС3)
ТП 816-2-20.86-АС.1ФТ12-6АVТа Ферма стропильная 1ФТ12-6АVТа
ТП 816-2-20.86-АС.1ФТ12-6АVТа СБ Ферма стропильная 1ФТ12-6АVТа
ТП 816-2-20.МН1 Изделие закладное МН-1
ТП 816-2-20.86-АС.ФБС24.3.6-Та Бетонный блок ФБС24.3.6-Та
ТП 816-2-20.86-АС.ВМ Ведомость потребности в материалах на изготовление монолитных бетонных и ж.б. конструкций основного комплекта АС
ТП 816-2-20.86-КМ-1 Общие данные (начало)
ТП 816-2-20.86-КМ-2 Общие данные (окончание)
ТП 816-2-20.86-КМ-3 Схема расположения горизонтальных и вертикальных связей
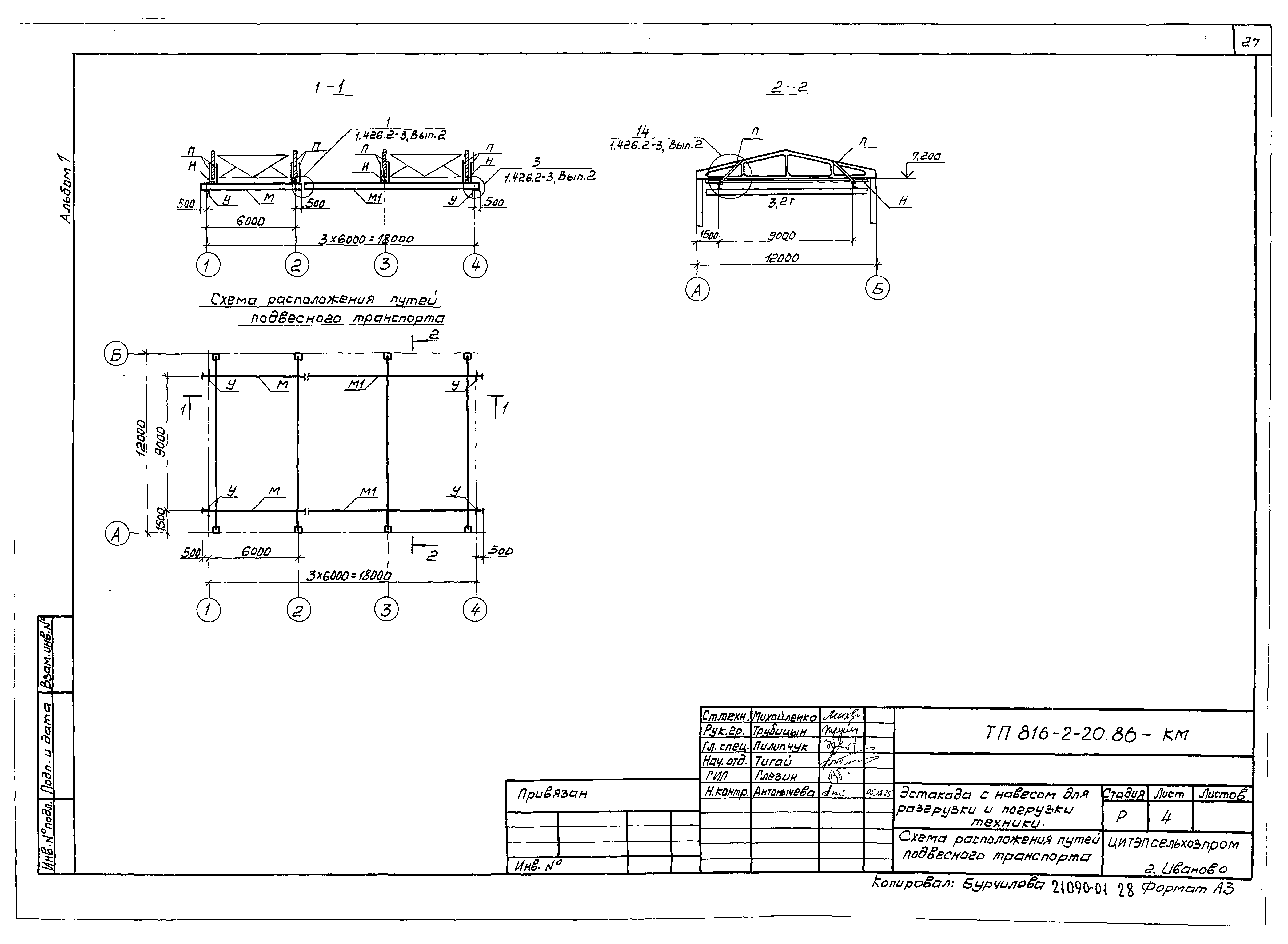
ТП 816-2-20.86-КМ-4 Схема расположения путей подвесного транспорта
ТП 816-2-20.86-ЭМ-1 Общие данные
ТП 816-2-20.86-ЭМ-2 План расположения электрического оборудования и прокладки электрических сетей
ТП 816-2-20.86-ЭМ.СО Спецификация оборудования
ТП 816-2-20.86-ЭМ.ВМ Ведомость потребности материалов основного комплекта марки ЭМ
ТП 816-2-20.86-ТХ.СО Спецификация оборудования
Разработан: ЦИТЭПсельхозпрома
Утверждён:19.11.1985 Главсельстройпроект Минсельхоза СССР (Glavselstroyproject, USSR Minselkhoz 77-ЭГ)
Расположен в:Техническая документация Строительство Справочные документы Типовые строительные конструкции, изделия и узлы Общероссийский строительный каталог Сельскохозяйственные предприятия, здания и сооружения Предприятия, здания и сооружения по ремонту, техническому обслуживанию, хранению и обеспечению горюче-смазочными материалами сельхозтехники Пропускные пункты, мойки, эстакады, площадки
Типовой проект 816-2-20.86Типовой проект 816-2-20.86Типовой проект 816-2-20.86Типовой проект 816-2-20.86Типовой проект 816-2-20.86Типовой проект 816-2-20.86Типовой проект 816-2-20.86Типовой проект 816-2-20.86Типовой проект 816-2-20.86Типовой проект 816-2-20.86Типовой проект 816-2-20.86Типовой проект 816-2-20.86Типовой проект 816-2-20.86Типовой проект 816-2-20.86Типовой проект 816-2-20.86Типовой проект 816-2-20.86Типовой проект 816-2-20.86Типовой проект 816-2-20.86Типовой проект 816-2-20.86Типовой проект 816-2-20.86Типовой проект 816-2-20.86Типовой проект 816-2-20.86Типовой проект 816-2-20.86Типовой проект 816-2-20.86Типовой проект 816-2-20.86Типовой проект 816-2-20.86Типовой проект 816-2-20.86Типовой проект 816-2-20.86Типовой проект 816-2-20.86Типовой проект 816-2-20.86Типовой проект 816-2-20.86Типовой проект 816-2-20.86Типовой проект 816-2-20.86Типовой проект 816-2-20.86

© 2013 Ёшкин Кот :-) Карта сайта