Информационная система
«Ёшкин Кот»

Скачать базу одним архивом
Скачать обновления
История создания базы
Карта сайта

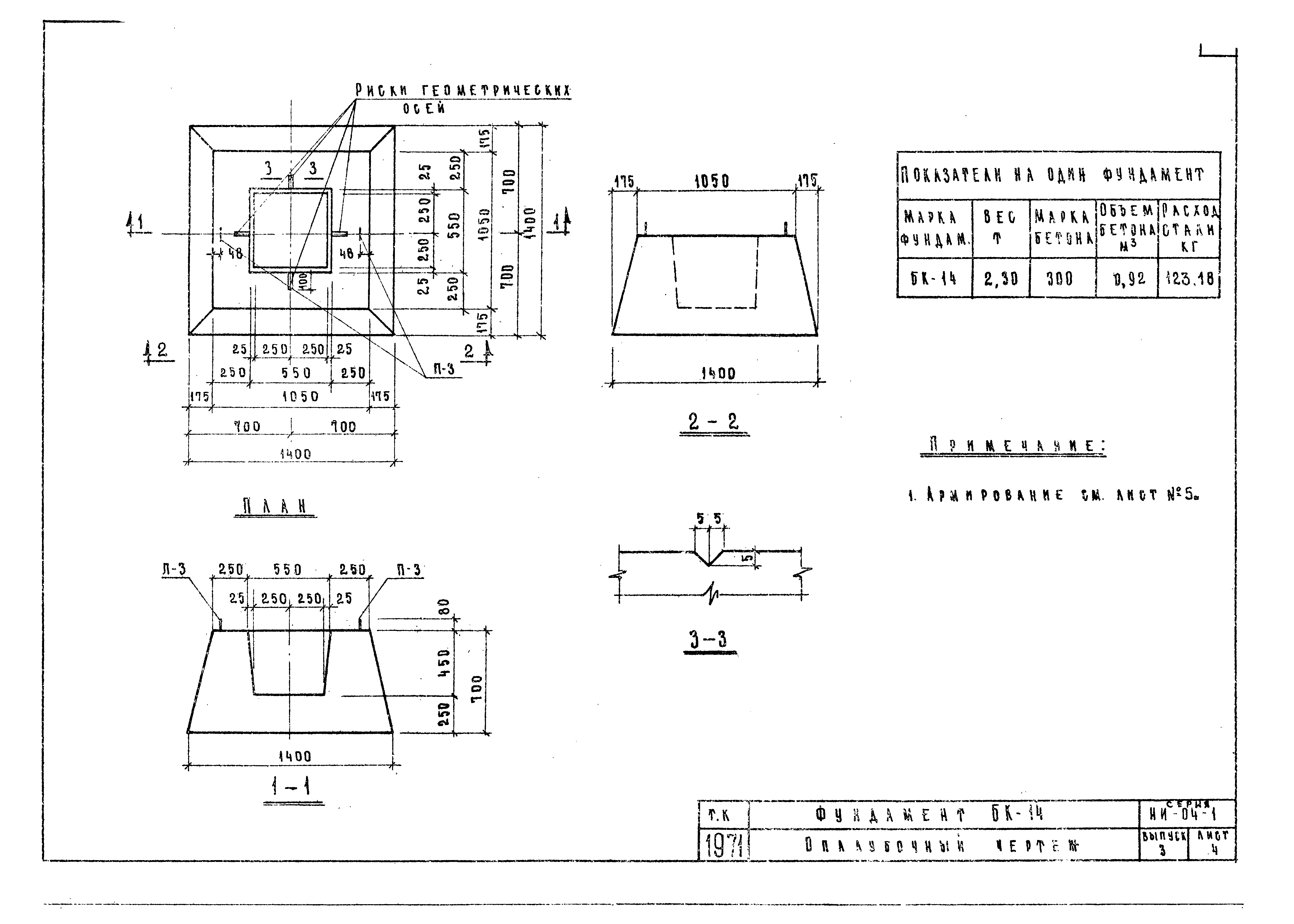
Скачать Серия ИИ-04-1 Выпуск 3. Фундаменты для колонн сечением 40х40 см. Рабочие чертежи

Дата актуализации: 10.08.2017

Серия ИИ-04-1

Выпуск 3. Фундаменты для колонн сечением 40х40 см. Рабочие чертежи

Обозначение: Серия ИИ-04-1
Обозначение англ: Series ИИ-04-1
Статус:не действует
Название рус.:Выпуск 3. Фундаменты для колонн сечением 40х40 см. Рабочие чертежи
Дата добавления в базу:01.09.2013
Дата актуализации:05.05.2017
Дата введения:01.09.1972
Дата окончания срока действия:01.12.1977
Разработан: НИИЖБ Госстроя СССР
ЦНИИЭП торгово-бытовых зданий и туристских комплексов
Утверждён:28.01.1972 Государственный комитет по гражданскому строительству и архитектуре при Госстрое СССР (9)
Издан: ЦИТП Госстроя СССР (CITP, Gosstroy (USSR) 1972 г. )
Расположен в:Техническая документация Строительство Справочные документы Типовые строительные конструкции, изделия и узлы Общероссийский строительный каталог Строительные конструкции, изделия и узлы зданий и сооружений для всех видов строительства Конструкции, изделия и узлы зданий Несущие конструкции двухэтажных и многоэтажных зданий Каркасные здания
Чем заменён:
Серия ИИ-04-1Серия ИИ-04-1Серия ИИ-04-1Серия ИИ-04-1Серия ИИ-04-1Серия ИИ-04-1Серия ИИ-04-1Серия ИИ-04-1Серия ИИ-04-1Серия ИИ-04-1Серия ИИ-04-1Серия ИИ-04-1Серия ИИ-04-1Серия ИИ-04-1Серия ИИ-04-1Серия ИИ-04-1Серия ИИ-04-1Серия ИИ-04-1

© 2013 Ёшкин Кот :-) Карта сайта