Информационная система
«Ёшкин Кот»

Скачать базу одним архивом
Скачать обновления
История создания базы
Карта сайта

Скачать ОСТ 1 02553-85 Комплексы пилотажно-навигационные цифровые самолетов и вертолетов. Общие требования и принципы организации эксплуатационного контроля

Дата актуализации: 10.08.2017

ОСТ 1 02553-85

Комплексы пилотажно-навигационные цифровые самолетов и вертолетов. Общие требования и принципы организации эксплуатационного контроля

Обозначение: ОСТ 1 02553-85
Обозначение англ: 02553-85
Статус:действует
Название рус.:Комплексы пилотажно-навигационные цифровые самолетов и вертолетов. Общие требования и принципы организации эксплуатационного контроля
Дата добавления в базу:01.09.2013
Дата актуализации:05.05.2017
Дата введения:01.07.1986
Область применения:Стандарт распространяется на комплексы пилотажно-навигационного оборудования (ПНК) самолетов и вертолетов с цифровыми функциональными связями по ГОСТ 18977-79.
Оглавление:1. Задачи и общие требования к организации эксплуатационного контроля ПНК
2. Принципы организации процедуры контроля и алгоритмы взаимодействия ВСК при техническом обслуживании на оперативных этапах подготовки к полету и в полете
3. Требования к встроенным средствам контроля ПНК
4. Требования к виду контрольной информации и выводу результатов работы ВСК
5. Принципы организации контроля при проведении регламентных и ремонтно-восстановительных работ
Приложение 1 (справочное). Термины и пояснения
Приложение 2 (справочное). Организация эксплуатационного контроля КСПНО
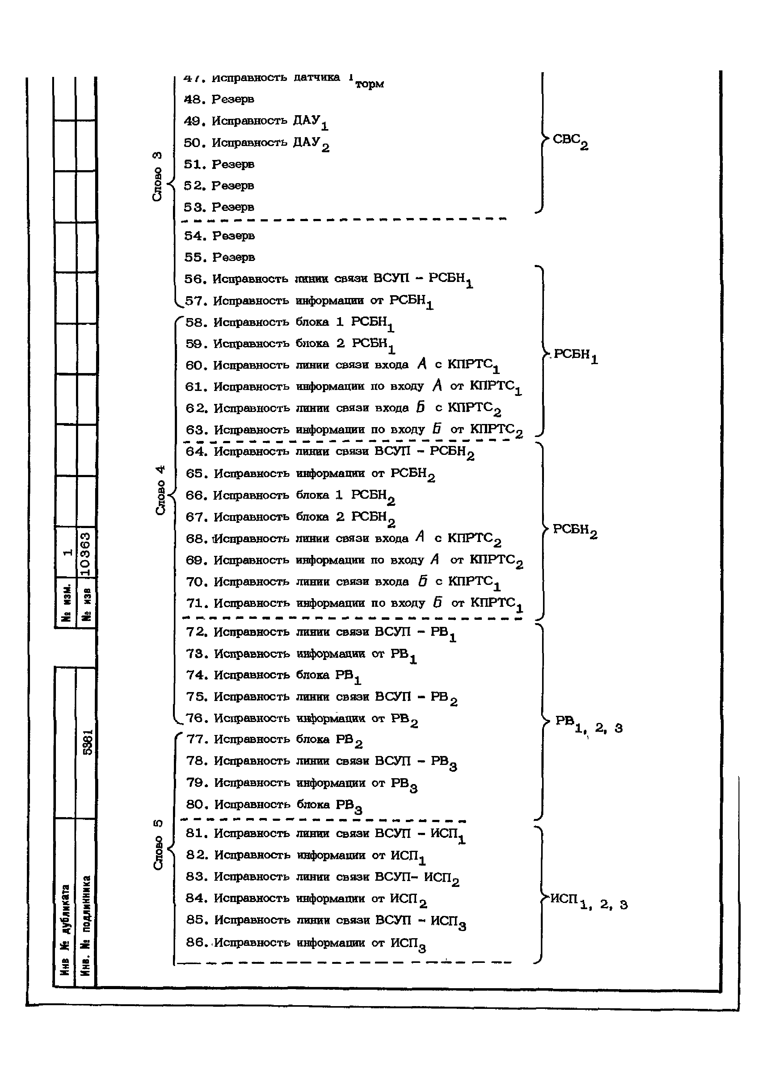
Приложение 3 (рекомендуемое). Форматы информационных слов ПНК
Приложение 4 (рекомендуемое). Алгоритм формирования слов-состояния
   1. Слово-состояние систем датчиков
   2. Слово-состояние группы сопрягаемого оборудования, формируемое ЦВМ вычислительных систем и СЭИ
Утверждён:30.09.1985 Министерство (Ministry 298-65)
Расположен в:Техническая документация
Заменяет собой:
  • РТМ 1613-79
Нормативные ссылки:
ОСТ 1 02553-85ОСТ 1 02553-85ОСТ 1 02553-85ОСТ 1 02553-85ОСТ 1 02553-85ОСТ 1 02553-85ОСТ 1 02553-85ОСТ 1 02553-85ОСТ 1 02553-85ОСТ 1 02553-85ОСТ 1 02553-85ОСТ 1 02553-85ОСТ 1 02553-85ОСТ 1 02553-85ОСТ 1 02553-85ОСТ 1 02553-85ОСТ 1 02553-85ОСТ 1 02553-85ОСТ 1 02553-85ОСТ 1 02553-85ОСТ 1 02553-85ОСТ 1 02553-85ОСТ 1 02553-85ОСТ 1 02553-85ОСТ 1 02553-85ОСТ 1 02553-85ОСТ 1 02553-85ОСТ 1 02553-85ОСТ 1 02553-85ОСТ 1 02553-85ОСТ 1 02553-85ОСТ 1 02553-85ОСТ 1 02553-85ОСТ 1 02553-85ОСТ 1 02553-85ОСТ 1 02553-85ОСТ 1 02553-85ОСТ 1 02553-85

© 2013 Ёшкин Кот :-) Карта сайта