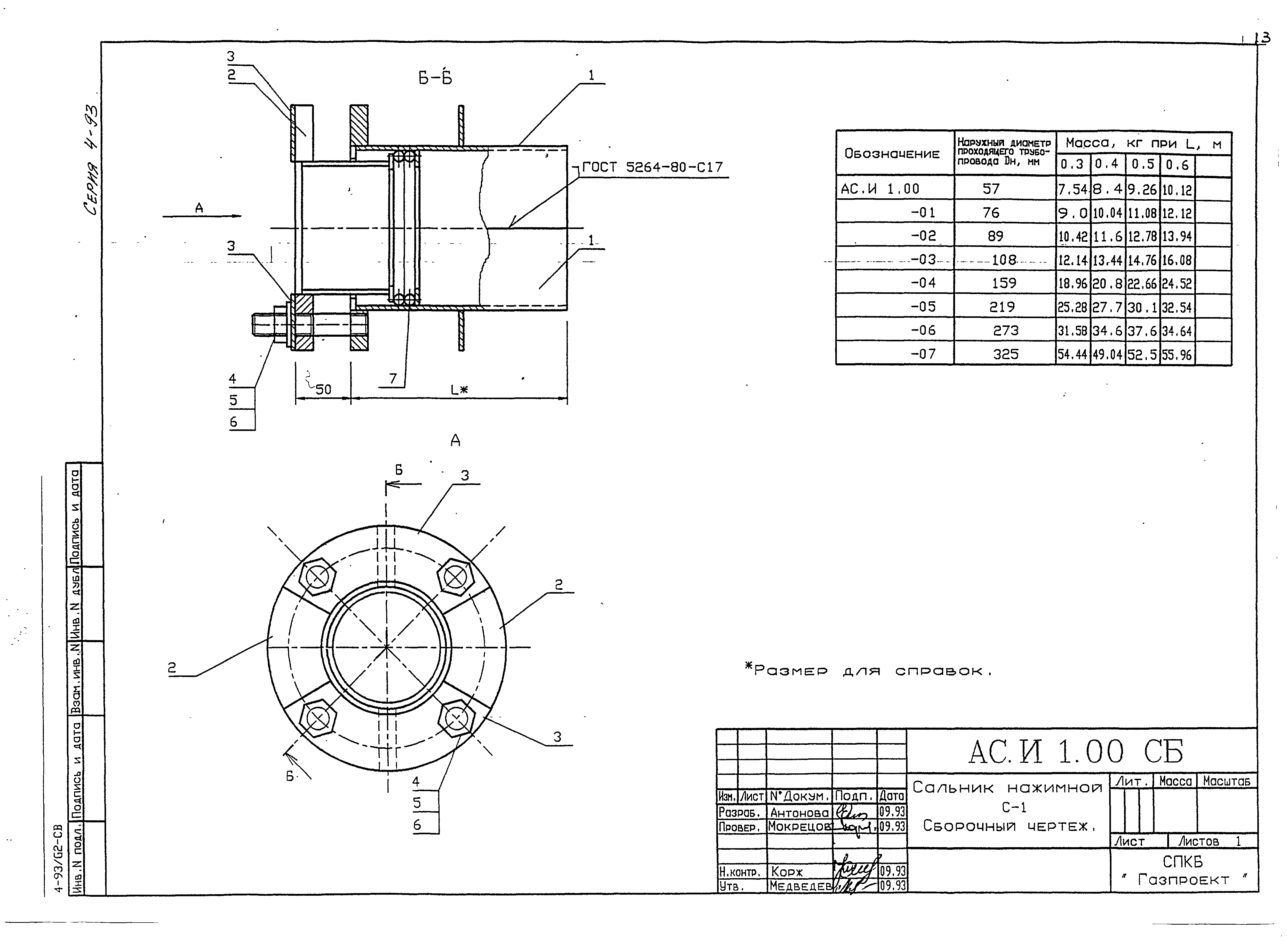
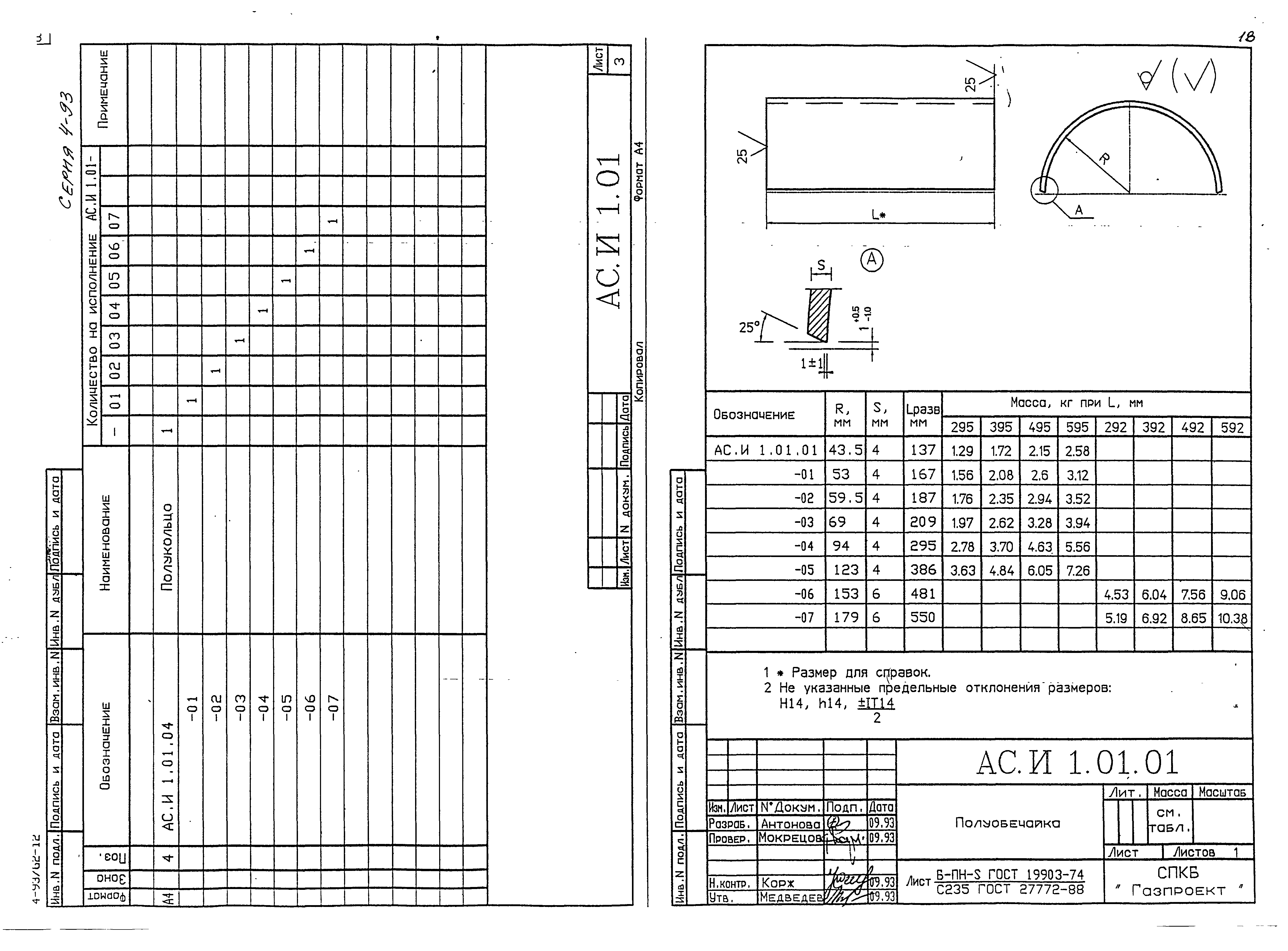
Скачать Серия 4-93 Уплотнение вводов инженерных коммуникаций зданий. Рабочие чертежиДата актуализации: 10.08.2017 Серия 4-93
Уплотнение вводов инженерных коммуникаций зданий. Рабочие чертежиОбозначение: | Серия 4-93 | Обозначение англ: | Series 4-93 | Статус: | не действует | Название рус.: | Уплотнение вводов инженерных коммуникаций зданий. Рабочие чертежи | Дата добавления в базу: | 01.09.2013 | Дата актуализации: | 05.05.2017 | Разработан: | АО Росгазификация
| Утверждён: | 14.04.1997 АО Росгазификация (Rosgazifikatsiya AO 16-П)
| Расположен в: |
| Чем заменён: | |
                                                       
|