Информационная система
«Ёшкин Кот»

Скачать базу одним архивом
Скачать обновления
История создания базы
Карта сайта

Скачать Типовой проект 704-1-53 Альбом II. Рабочие чертежи КМ понтона

Дата актуализации: 10.08.2017

Типовой проект 704-1-53

Альбом II. Рабочие чертежи КМ понтона

Обозначение: Типовой проект 704-1-53
Обозначение англ: 704-1-53
Статус:не действует
Название рус.:Альбом II. Рабочие чертежи КМ понтона
Дата добавления в базу:01.09.2013
Дата актуализации:05.05.2017
Оглавление:ТП 704-1-53-1и Содержание альбома 2 и пояснительная записка
ТП 704-1-53-2и Техническая спецификация стали и материалов на понтон
ТП 704-1-53-3 Понтон. План и разрез
ТП 704-1-53-4 Понтон. Днище и узлы
ТП 704-1-53-5 Кронштейн
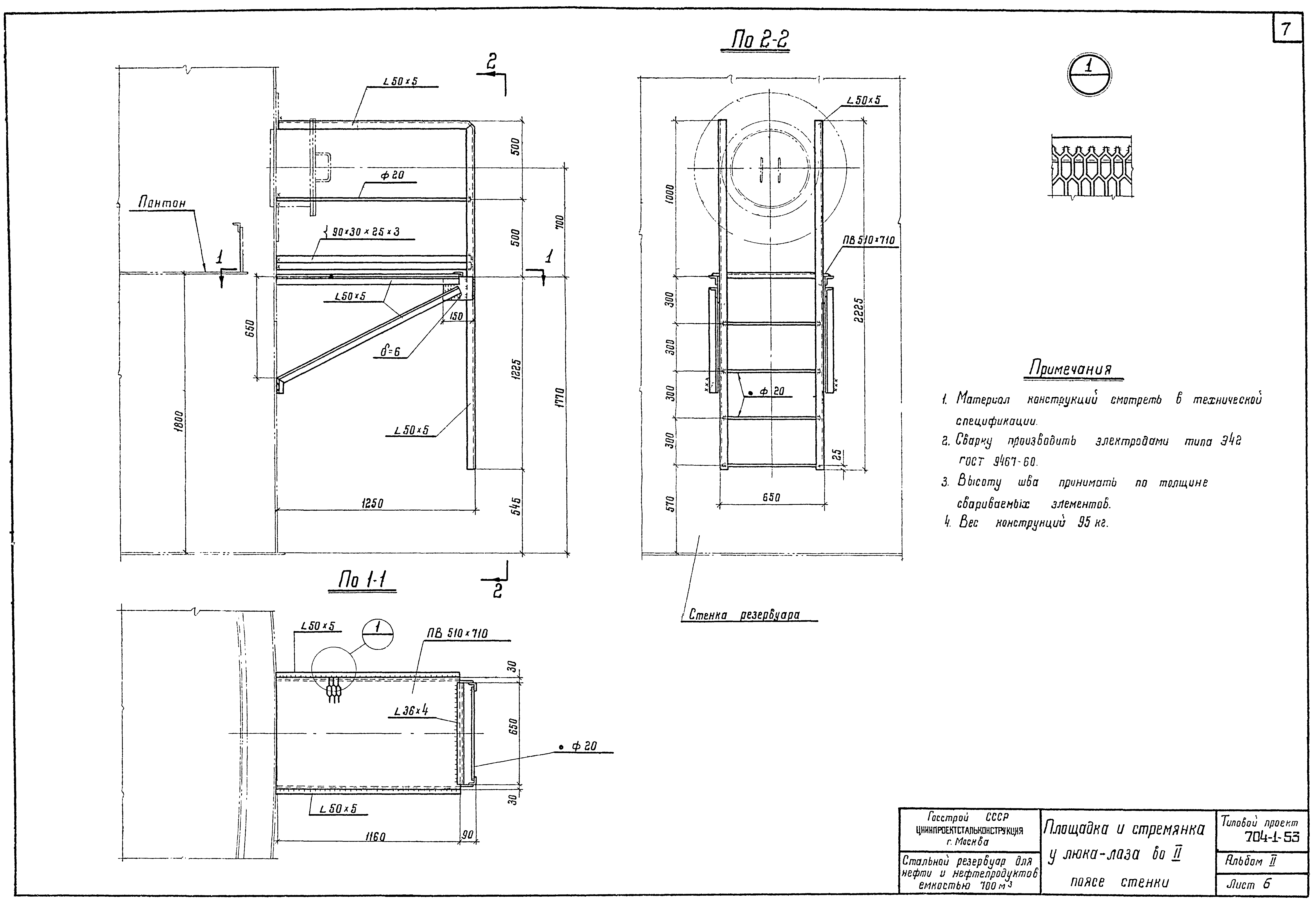
ТП 704-1-53-6 Площадка и стремянка у люк-лаза во 2 поясе стенки
ТП 704-1-53-7 Свободный
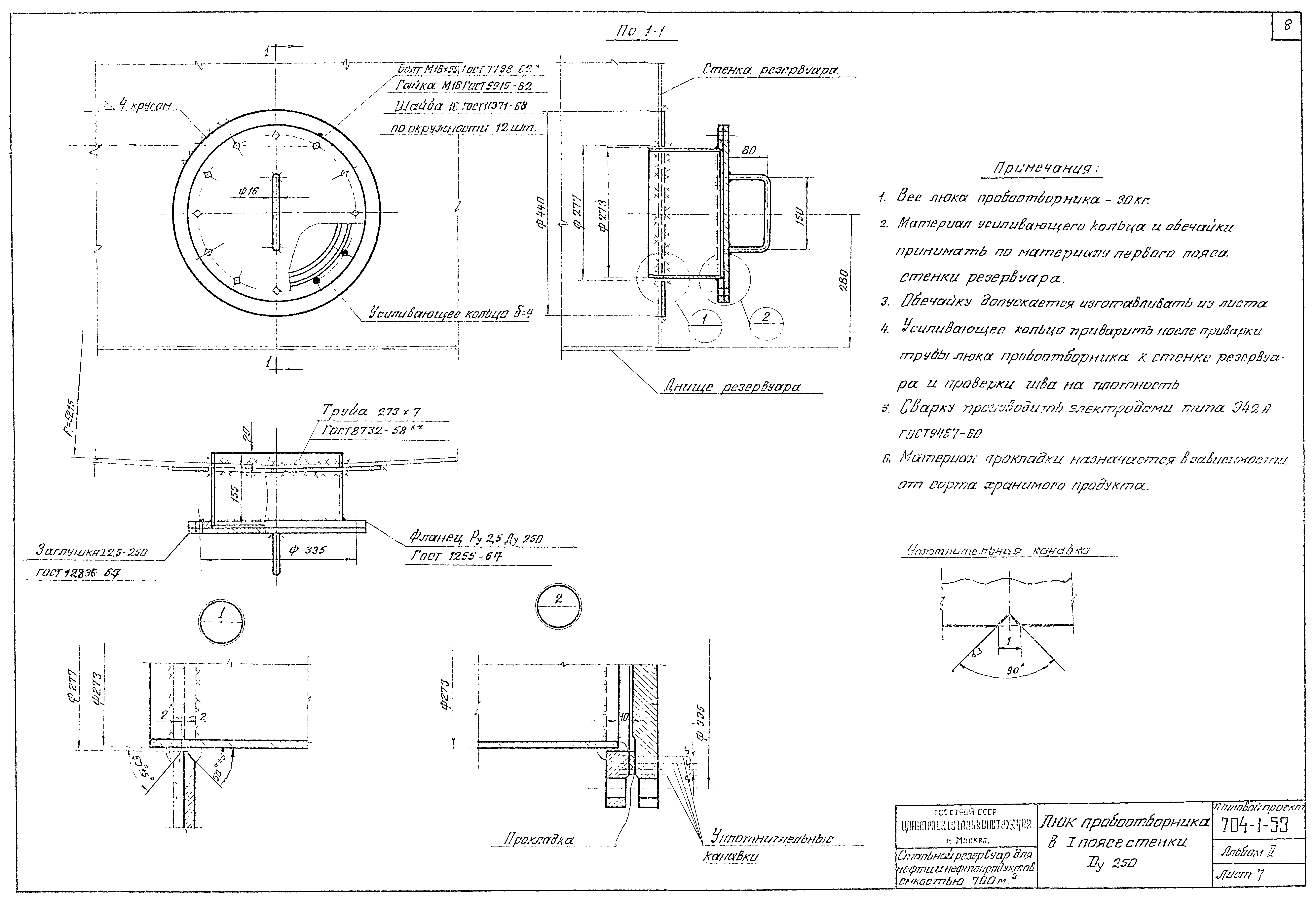
ТП 704-1-53-8 Люк-лак во 2 поясе стенки Ду500
ТП 704-1-53-9 Патрубок в понтоне для УДУ Ду500
ТП 704-1-53-10 Патрубок в понтоне для кожуха пробоотборника и трубы ручного замера Ду350
ТП 704-1-53-11 Патрубок предохранителя Ду150,Ду200
ТП 704-1-53-12 Кожух пробоотборника Ду200
ТП 704-1-53-13 Труба ручного замера Ду200
ТП 704-1-53-14 Пелевой затвор
Разработан: ЦНИИпроектстальконструкция
Утверждён:29.12.1969 ЦНИИпроектстальконструкция (TsNIIprojectstalkonstruktsiya 221)
Расположен в:Техническая документация Строительство Справочные документы Типовые строительные конструкции, изделия и узлы Общероссийский строительный каталог Промышленные предприятия, здания и сооружения Предприятия, здания и сооружения складские Резервуары и склады для нефти и нефтепродуктов Резервуары стальные для нефти и нефтепродуктов
Типовой проект 704-1-53Типовой проект 704-1-53Типовой проект 704-1-53Типовой проект 704-1-53Типовой проект 704-1-53Типовой проект 704-1-53Типовой проект 704-1-53Типовой проект 704-1-53Типовой проект 704-1-53Типовой проект 704-1-53Типовой проект 704-1-53Типовой проект 704-1-53Типовой проект 704-1-53Типовой проект 704-1-53Типовой проект 704-1-53Типовой проект 704-1-53

© 2013 Ёшкин Кот :-) Карта сайта