Информационная система
«Ёшкин Кот»

Скачать базу одним архивом
Скачать обновления
История создания базы
Карта сайта

Скачать Типовой проект 903-1-225.86 Альбом 8.1. Котельная. Автоматизация

Дата актуализации: 10.08.2017

Типовой проект 903-1-225.86

Альбом 8.1. Котельная. Автоматизация

Обозначение: Типовой проект 903-1-225.86
Обозначение англ: 903-1-225.86
Статус:действует
Название рус.:Альбом 8.1. Котельная. Автоматизация
Дата добавления в базу:01.09.2013
Дата актуализации:05.05.2017
Оглавление:ТП 903-1-225.86 Содержание альбома
ТП 903-1-225.86-АТМ9.1 Общие данные (начало)
ТП 903-1-225.86-АТМ9.1 Общие данные (окончание)
ТП 903-1-225.86-АТМ9.2 Вспомогательное оборудование водогрейной части. Схема функциональная
ТП 903-1-225.86-АТМ9.3 Вспомогательное оборудование водогрейной части. Схема электрическая принципиальная регулятора подпитки
ТП 903-1-225.86-АТМ9.4 Листы 1,2,3,4 Вспомогательное оборудование водогрейной части. Схема соединений внешних проводок
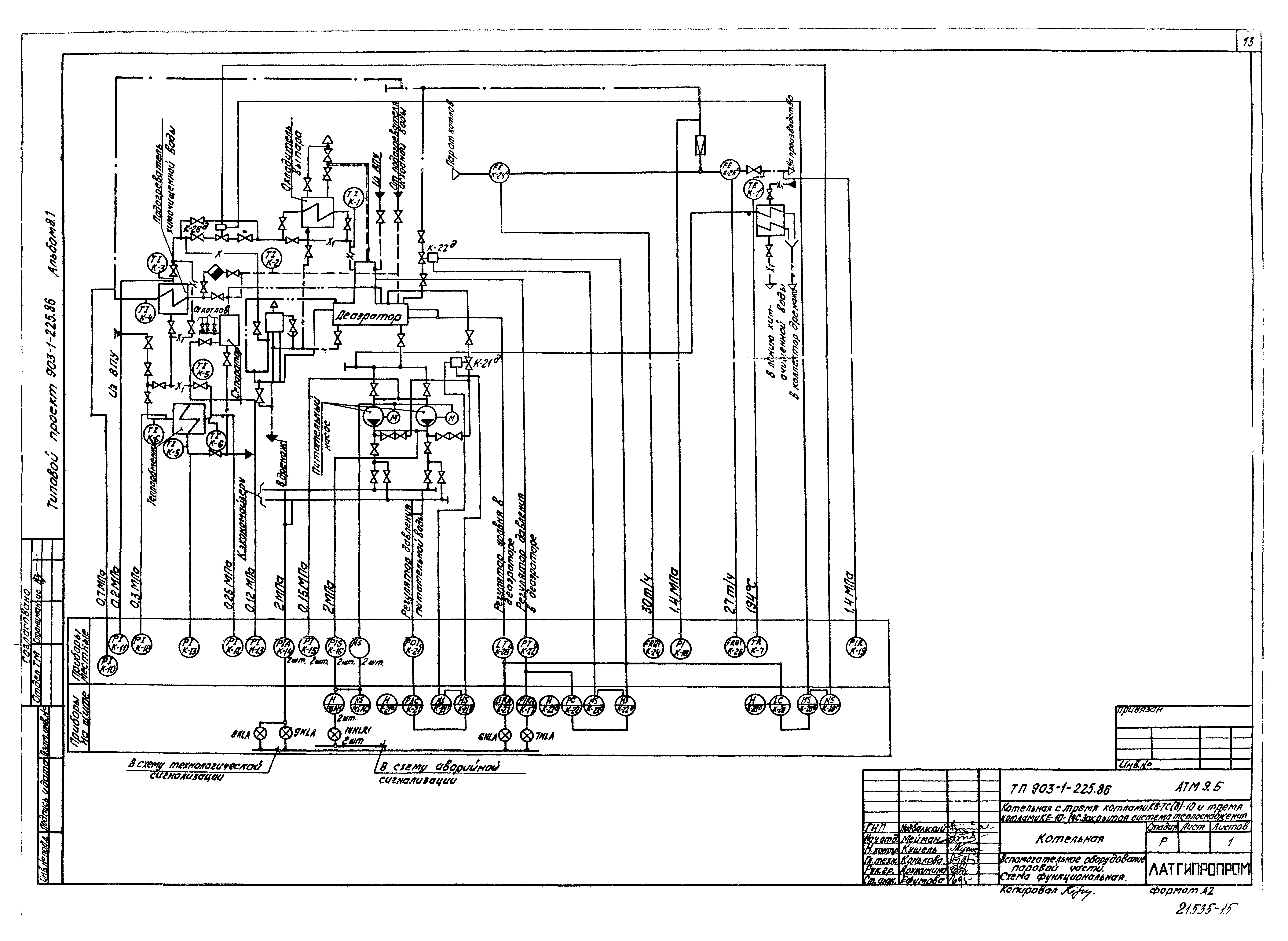
ТП 903-1-225.86-АТМ9.5 Вспомогательное оборудование паровой части. Схема функциональная
ТП 903-1-225.86-АТМ9.6 Листы 1,2 Вспомогательное оборудование паровой части. Схема электрическая принципиальная технологической сигнализации
ТП 903-1-225.86-АТМ9.7 Вспомогательное оборудование паровой части. Схема электрическая принципиальная питания щитов КИП
ТП 903-1-225.86-АТМ9.8 Листы 1,2 Вспомогательное оборудование паровой части. Схема электрическая принципиальная питания
ТП 903-1-225.86-АТМ9.9 Листы 1,2 Вспомогательное оборудование паровой части. Схема соединений внешних проводок
ТП 903-1-225.86-АТМ9.10 Листы 1,2,3,4,5 Вспомогательное оборудование паровой части. Схема подключения внешних проводок
ТП 903-1-225.86-АТМ9.11 Приточная установка. Схемы функциональная и соединений внешних проводок
ТП 903-1-225.86-АТМ9.12 Приточная установка. Схема электрическая принципиальная управления
ТП 903-1-225.86-АТМ9.13 Листы 1,2,3,4 План расположения
ТП 903-1-225.86-АТМ9.14 Вспомогательное оборудование. Установка МЭО-250/25-0,25У к клану 6с-8-2 на трубопроводе рециркуляции
ТП 903-1-225.86-АТМ9.15 Вспомогательное оборудование. Установка МЭО-250/25-0,25У к клану 6с-9-1 на трубопроводе подпитки
ТП 903-1-225.86-АТМ9.16 Вспомогательное оборудование. Установка МЭО-250/25-0,25У к клану 6с-8-2 на трубопроводе перепуска
ТП 903-1-225.86-АТМ9.17 Вспомогательное оборудование. Установка МЭО-100/25-0,25У к клану 9с-4-2 на трубопроводе греющей воды к деаэратору
ТП 903-1-225.86-АТМ9.18 Вспомогательное оборудование. Установка МЭО-250/25-0,25У к клану 9с-3-3-3 на трубопроводе ХОВ перед деаэратором
ТП 903-1-225.86-АТМ9.19 Вспомогательное оборудование. Установка МЭО-100/25-0,25У к клану 9с-3-3-2 на трубопроводе греющей воды после подогревателя
ТП 903-1-225.86-АТМ9.20 Вспомогательное оборудование. Установка МЭО-250/25-0,25У к клапану 6с-9-2 на трубопроводе пара к деаэратору
ТП 903-1-225.86-АТМ9.21 Вспомогательное оборудование. Установка МЭО-100/25-0,25У к клапану 9с-3-3-3 на трубопроводе питательной воды к деаэратору
ТП 903-1-225.86-АТМ9.22 Вспомогательное оборудование. Установка МЭО-250/25-0,25У к клапану 6с-9-1 на трубопроводе ХОВ к деаэратору
Разработан: Латгипропром
Утверждён:20.05.1986 Госстрой СССР (Государственный комитет Совета Министров СССР по делам строительства) (USSR Gosstroy АЧ-30)
Расположен в:Техническая документация Строительство Справочные документы Типовые строительные конструкции, изделия и узлы Общероссийский строительный каталог Промышленные предприятия, здания и сооружения Здания и сооружения санитарно-технические Теплоснабжение Котельные установки Закрытые системы теплоснабжения Топливо - каменные и бурые угли
Типовой проект 903-1-225.86Типовой проект 903-1-225.86Типовой проект 903-1-225.86Типовой проект 903-1-225.86Типовой проект 903-1-225.86Типовой проект 903-1-225.86Типовой проект 903-1-225.86Типовой проект 903-1-225.86Типовой проект 903-1-225.86Типовой проект 903-1-225.86Типовой проект 903-1-225.86Типовой проект 903-1-225.86Типовой проект 903-1-225.86Типовой проект 903-1-225.86Типовой проект 903-1-225.86Типовой проект 903-1-225.86Типовой проект 903-1-225.86Типовой проект 903-1-225.86Типовой проект 903-1-225.86Типовой проект 903-1-225.86Типовой проект 903-1-225.86Типовой проект 903-1-225.86Типовой проект 903-1-225.86Типовой проект 903-1-225.86Типовой проект 903-1-225.86Типовой проект 903-1-225.86Типовой проект 903-1-225.86Типовой проект 903-1-225.86Типовой проект 903-1-225.86Типовой проект 903-1-225.86Типовой проект 903-1-225.86Типовой проект 903-1-225.86Типовой проект 903-1-225.86Типовой проект 903-1-225.86Типовой проект 903-1-225.86Типовой проект 903-1-225.86Типовой проект 903-1-225.86Типовой проект 903-1-225.86Типовой проект 903-1-225.86Типовой проект 903-1-225.86Типовой проект 903-1-225.86Типовой проект 903-1-225.86

© 2013 Ёшкин Кот :-) Карта сайта