Информационная система
«Ёшкин Кот»

Скачать базу одним архивом
Скачать обновления
История создания базы
Карта сайта

Скачать Типовой проект 902-1-63 Альбом IV. Часть 1. Изделия. Надземная часть

Дата актуализации: 10.08.2017

Типовой проект 902-1-63

Альбом IV. Часть 1. Изделия. Надземная часть

Обозначение: Типовой проект 902-1-63
Обозначение англ: 902-1-63
Статус:действует
Название рус.:Альбом IV. Часть 1. Изделия. Надземная часть
Дата добавления в базу:01.09.2013
Дата актуализации:05.05.2017
Дата введения:01.11.1982
Оглавление:ТП 902-1-63-КЖИ-ДО Содержание листов выпуска
ТП 902-1-63-КЖИ-ТТ1 Технические требования к изготовлению арматурных и закладных изделий
ТП 902-1-63-КЖИ-ПАIIIв-4А/1.5х6-1;ПАIIIв-4А/1.5х6-2 Плита ПАIIIв-4А/1.5х6-1;ПАIIIв-4А/1.5х6-2
ТП 902-1-63-КЖИ-П18д-5А Плита П18д-5А
ТП 902-1-63-КЖИ-2ПР72-18.38.22Уа,2ПР73-18.51.22Уа Перемычки 2ПР72-18.38.22Уа,2ПР73-18.51.22Уа
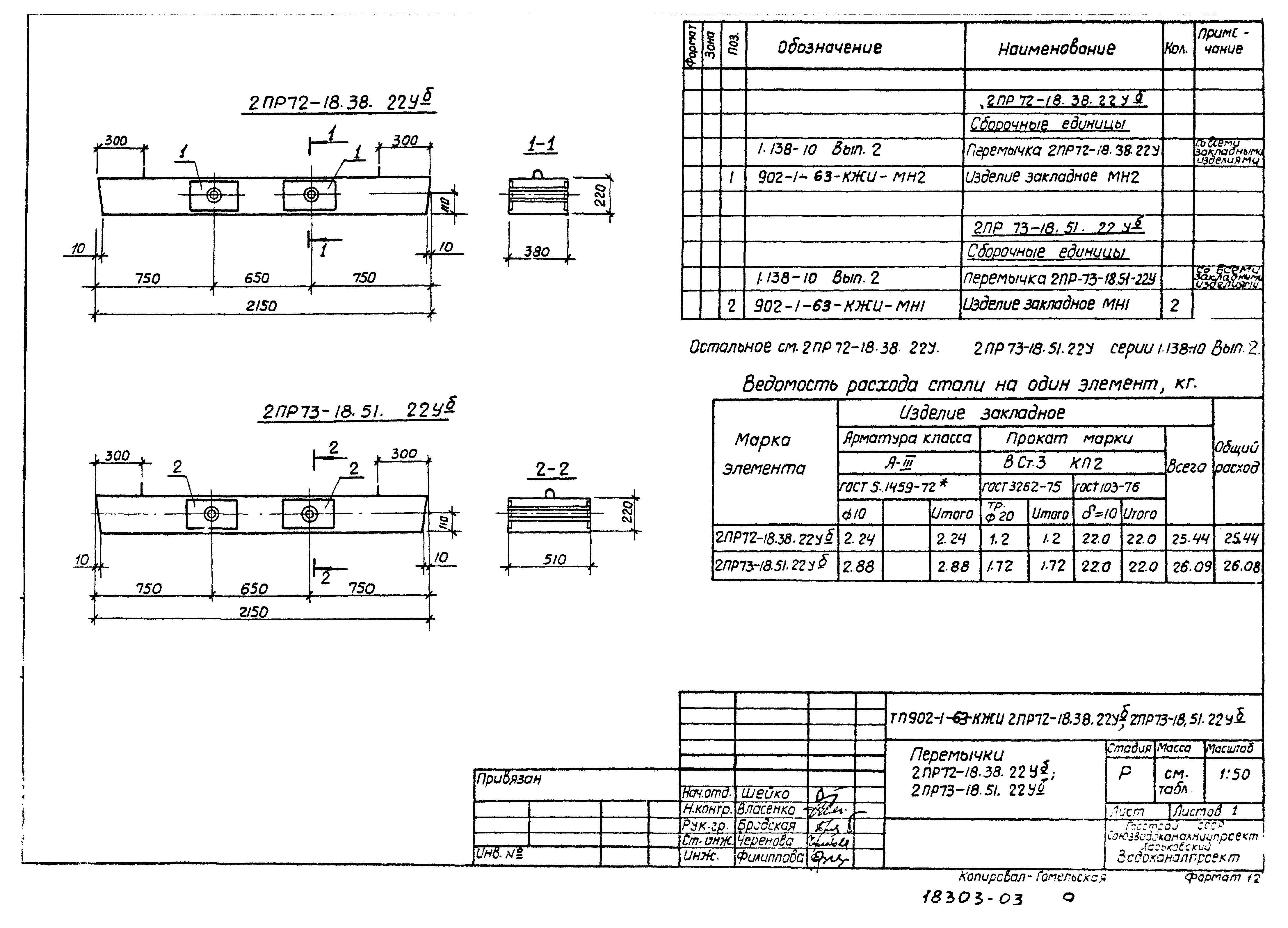
ТП 902-1-63-КЖИ-2ПР72-18.38.22Уб,2ПР73-18.51.22Уб Перемычки 2ПР72-18.38.22Уб,2ПР73-18.51.22Уб
ТП 902-1-63-КЖИ-ОП1 Опорный блок ОП1
ТП 902-1-63-КЖИ-РКМ1-КР1 Каркас плоский КР1(t=-20ºС,-30ºС)
ТП 902-1-63-КЖИ-РКМ1-КР2 Каркас плоский КР2(t=-20ºС,-30ºС)
ТП 902-1-63-КЖИ-РКМ1-КР1 Каркас плоский КР1(t=-40ºС)
ТП 902-1-63-КЖИ-РКМ1-КР2 Каркас плоский КР2(t=-40ºС)
ТП 902-1-63-КЖИ-РКМ1-КР3 Каркас плоский КР3(t=-20ºС,-30ºС)
ТП 902-1-63-КЖИ-РКМ1-КР4 Каркас плоский КР4(t=-20ºС,-30ºС)
ТП 902-1-63-КЖИ-РКМ1-КР3 Каркас плоский КР3(t=-40ºС)
ТП 902-1-63-КЖИ-РКМ1-КР4 Каркас плоский КР4(t=-40ºС)
ТП 902-1-63-КЖИ-РКМ1-КР5 Каркас плоский КР5(t=-20ºС,-30ºС)
ТП 902-1-63-КЖИ-РКМ1-КР6 Каркас плоский КР6(t=-20ºС,-30ºС)
ТП 902-1-63-КЖИ-РКМ1-КР5 Каркас плоский КР5(t=-40ºС)
ТП 902-1-63-КЖИ-РКМ1-КР6 Каркас плоский КР6(t=-40ºС)
ТП 902-1-63-КЖИ-РКМ1-КР7 Каркас плоский КР7(t=-20ºС,-30ºС)
ТП 902-1-63-КЖИ-РКМ1-КР8 Каркас плоский КР8(t=-20ºС,-30ºС)
ТП 902-1-63-КЖИ-РКМ1-КР7 Каркас плоский КР7(t=-40ºС)
ТП 902-1-63-КЖИ-РКМ1-КР8 Каркас плоский КР8(t=-40ºС)
ТП 902-1-63-КЖИ-РКМ1-КР9 Каркас плоский КР9(t=-20ºС,-30ºС,-40ºС)
ТП 902-1-63-КЖИ-РКМ1-КР10 Каркас плоский КР10(t=-20ºС,-30ºС,-40ºС)
ТП 902-1-63-КЖИ-РКМ1-С1 Сетка С1(t=-20ºС,-30ºС,-40ºС)
ТП 902-1-63-КЖИ-РКМ1-С2 Сетка С2(t=-20ºС,-30ºС,-40ºС)
ТП 902-1-63-КЖИ-РКМ1-С3 Сетка С3(t=-20ºС,-30ºС)
ТП 902-1-63-КЖИ-РКМ1-С3 Сетка С3(t=-40ºС)
ТП 902-1-63-КЖИ-РКМ1-С4 Сетка С4(t=-20ºС,-30ºС,-40ºС)
ТП 902-1-63-КЖИ-РКМ2-КР1 Каркас плоский КР1
ТП 902-1-63-КЖИ-РКМ2-КР2 Каркас плоский КР2
ТП 902-1-63-КЖИ-РКМ2-КР3 Каркас пространственный КР3
ТП 902-1-63-КЖИ-РКМ2-КР4 Каркас плоский КР4
ТП 902-1-63-КЖИ-РКМ2-КП1 Каркас пространственный КП1
ТП 902-1-63-КЖИ-РКМ2-МН1 Изделие закладное МН1
ТП 902-1-63-КЖИ-ПДМ1-КР1 Каркас плоский КР1
ТП 902-1-63-КЖИ-ОП1-С1 Сетка арматурная С1
ТП 902-1-63-КЖИ-ОП1-С2 Сетка арматурная С2
ТП 902-1-63-КЖИ-МС1 Изделие соединительное МС1
ТП 902-1-63-КЖИ-ОКМ1-С1 Сетка арматурная С1
ТП 902-1-63-КЖИ-РКМ1-МН1 Изделие закладное МН1
ТП 902-1-63-КЖИ-МН3 Изделие закладное МН3
ТП 902-1-63-КЖИ-МН1 Изделие закладное МН1
ТП 902-1-63-КЖИ-МН2 Изделие закладное МН2
ТП 902-1-63-КЖИ-МН4 Изделие закладное МН4
ТП 902-1-63-КЖИ-МН5 Изделие закладное МН5
ТП 902-1-63-КЖИ-МН6 Изделие закладное МН6
ТП 902-1-63-КЖИ-МН7 Изделие закладное МН7
ТП 902-1-63-КЖИ-ПДМ1-МН1 Изделие закладное МН1
ТП 902-1-63-КЖИ-ИД1,ИД2 Дверные блоки ИД1,ИД2
Разработан: Харьковский Водоканалпроект
Утверждён:29.04.1982 Главпромстройпроект Госстроя СССР (15)
Расположен в:Техническая документация Строительство Справочные документы Типовые строительные конструкции, изделия и узлы Общероссийский строительный каталог Промышленные предприятия, здания и сооружения Здания и сооружения санитарно-технические Канализация Станции насосные Станции насосные для перекачки бытовых сточных вод
Типовой проект 902-1-63Типовой проект 902-1-63Типовой проект 902-1-63Типовой проект 902-1-63Типовой проект 902-1-63Типовой проект 902-1-63Типовой проект 902-1-63Типовой проект 902-1-63Типовой проект 902-1-63Типовой проект 902-1-63Типовой проект 902-1-63Типовой проект 902-1-63Типовой проект 902-1-63Типовой проект 902-1-63Типовой проект 902-1-63Типовой проект 902-1-63Типовой проект 902-1-63Типовой проект 902-1-63Типовой проект 902-1-63Типовой проект 902-1-63Типовой проект 902-1-63Типовой проект 902-1-63Типовой проект 902-1-63Типовой проект 902-1-63Типовой проект 902-1-63Типовой проект 902-1-63Типовой проект 902-1-63Типовой проект 902-1-63Типовой проект 902-1-63Типовой проект 902-1-63Типовой проект 902-1-63Типовой проект 902-1-63Типовой проект 902-1-63Типовой проект 902-1-63Типовой проект 902-1-63Типовой проект 902-1-63Типовой проект 902-1-63Типовой проект 902-1-63Типовой проект 902-1-63Типовой проект 902-1-63

© 2013 Ёшкин Кот :-) Карта сайта