Скачать Типовой проект 903-1-203 Альбом 2.3. Строительно-технологическая блок-секция котлоагрегата КВ-ГМ-10. Тепломеханическая часть, конструкции железобетонные, автоматизацияДата актуализации: 10.08.2017 Типовой проект 903-1-203
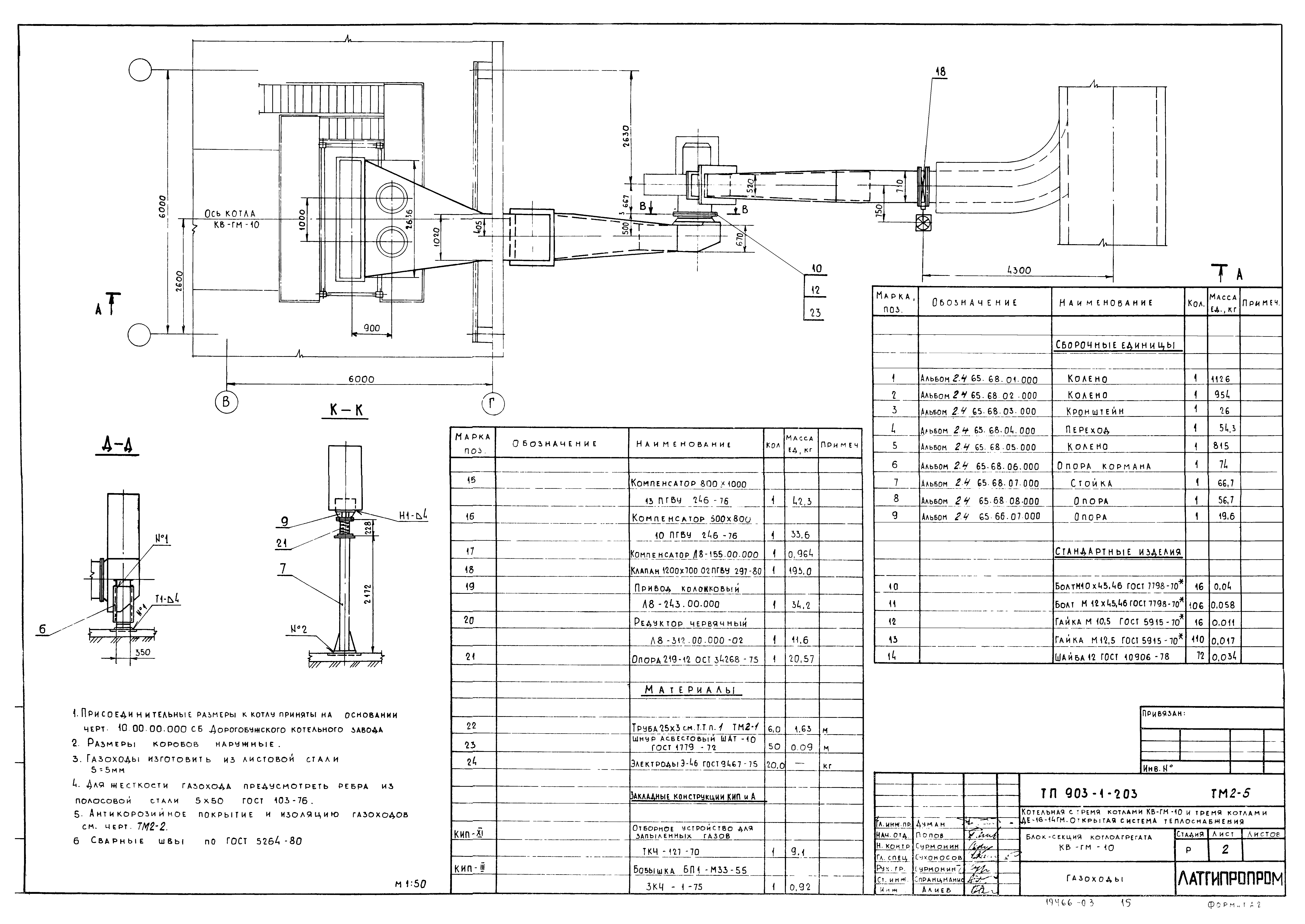
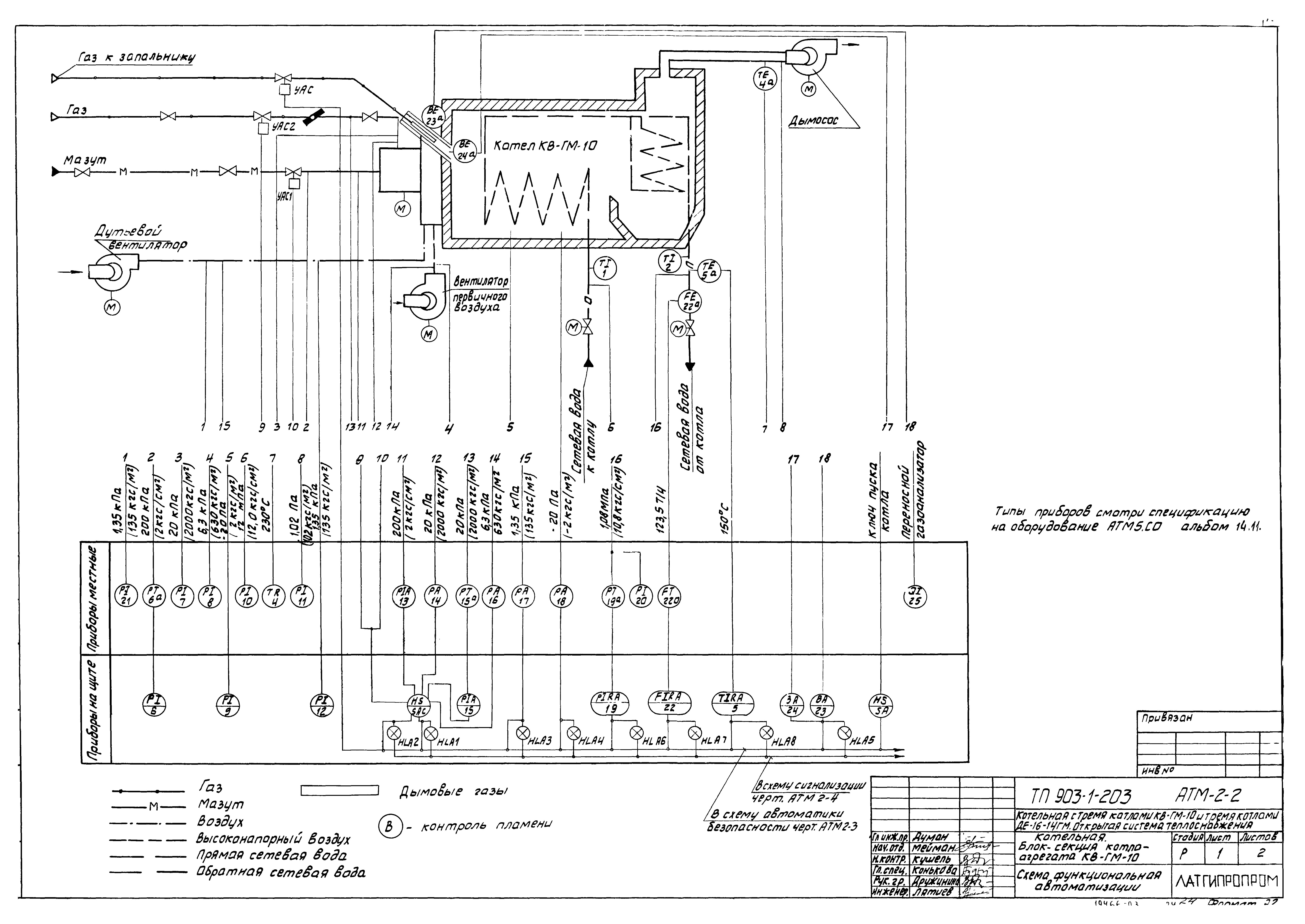
Альбом 2.3. Строительно-технологическая блок-секция котлоагрегата КВ-ГМ-10. Тепломеханическая часть, конструкции железобетонные, автоматизацияОбозначение: | Типовой проект 903-1-203 | Обозначение англ: | 903-1-203 | Статус: | действует | Название рус.: | Альбом 2.3. Строительно-технологическая блок-секция котлоагрегата КВ-ГМ-10. Тепломеханическая часть, конструкции железобетонные, автоматизация | Дата добавления в базу: | 01.09.2013 | Дата актуализации: | 05.05.2017 | Оглавление: | ТП 903-1-203 Содержание альбома ТП 903-1-203-ТМ Тепломеханическая часть ТП 903-1-203-ТМ2-1 Лист 1 Общие данные (начало) ТП 903-1-203-ТМ2-1 Лист 2 Общие данные (окончание) ТП 903-1-203-ТМ2-2 Лист 1 Перечень изолируемых поверхностей ТП 903-1-203-ТМ2-2 Лист 2 Перечень изолируемых поверхностей ТП 903-1-203-ТМ2-3 Лист 1 Компоновка оборудования ТП 903-1-203-ТМ2-3 Лист 2 Компоновка оборудования ТП 903-1-203-ТМ2-4 Лист 1 Воздуховоды ТП 903-1-203-ТМ2-4 Лист 2 Воздуховоды ТП 903-1-203-ТМ2-4 Лист 3 Воздуховоды ТП 903-1-203-ТМ2-5 Лист 1 Газоходы ТП 903-1-203-ТМ2-5 Лист 2 Газоходы ТП 903-1-203-ТМ2-6 Трубопроводы сетевой воды ТП 903-1-203-ТМ2-7 Трубопроводы дробеочистки ТП 903-1-203-ТМ2-8 Аксонометрическая монтажная схема паромазутопроводов и трубопроводов дренажа ТП 903-1-203-ТМ2-9 Лист 1 Газоснабжение. Газооборудование котла КВ-ГМ-10 ТП 903-1-203-ТМ2-9 Лист 2 Газоснабжение. Газооборудование котла КВ-ГМ-10 ТП 903-1-203-АТМ Автоматизация ТП 903-1-203-АТМ2-1 Лист 1 Общие данные (начало) ТП 903-1-203-АТМ2-1 Лист 2 Общие данные (продолжение) ТП 903-1-203-АТМ2-1 Лист 3 Общие данные (окончание) ТП 903-1-203-АТМ2-2 Лист 1 Схема функциональная автоматизации ТП 903-1-203-АТМ2-2 Лист 2 Схема функциональная автоматизации ТП 903-1-203-АТМ2-3 Схема электрическая принципиальная автоматики безопасности ТП 903-1-203-АТМ2-4 Схемы электрические принципиальные питания и сигнализации ТП 903-1-203-АТМ2-5 Схемы электрические принципиальные управления задвижками ТП 903-1-203-АТМ2-6 Схема электрическая принципиальная регулятора топлива ТП 903-1-203-АТМ2-7 Схема электрическая принципиальная регулятора воздуха ТП 903-1-203-АТМ2-8 Схема электрическая принципиальная регулятора разрежения ТП 903-1-203-АТМ2-9 Лист 1 Схема соединений внешних проводок ТП 903-1-203-АТМ2-9 Лист 2 Схема соединений внешних проводок ТП 903-1-203-АТМ2-9 Лист 3 Схема соединений внешних проводок ТП 903-1-203-АТМ2-10 Лист 1 Схема подключения внешних проводок ТП 903-1-203-АТМ2-10 Лист 2 Схема подключения внешних проводок ТП 903-1-203-АТМ2-11 План расположения ТП 903-1-203-КЖ Конструкции железобетонные ТП 903-1-203-КЖ5 Лист 1 Общие данные ТП 903-1-203-КЖ5 Лист 2 Схема расположения элементов подземного хозяйства котлоагрегатов КВ-ГМ-10. Разрезы 1-1,2-2 ТП 903-1-203-КЖ5 Лист 3 Разрезы 3-3÷10-10,8´-8´,ПРКМ1,ФКМ1. Опалубка и армирование ТП 903-1-203-КЖ5 Лист 4 ФКМ2-ФКМ5. Опалубка и армирование ТП 903-1-203-КЖ5 Лист 5 Спецификация пола, приямка ПРКМ1, фундаментов ФКМ1-ФКМ5, усиленного пола ТП 903-1-203-КЖИ-МН1 Изделие закладное МН1 ТП 903-1-203-КЖИ-МН2 Изделие закладное МН2 ТП 903-1-203-КЖИ-МН3 Изделие закладное МН3 ТП 903-1-203-КЖИ-МН4 Изделие закладное МН4 ТП 903-1-203-КЖИ-КР1 Каркас КР1 ТП 903-1-203-КЖИ-КР2 Каркас КР2 ТП 903-1-203-КЖИ-КР3 Каркас КР3 ТП 903-1-203-КЖИ-КР4 Каркас КР4 | Разработан: | Латгипропром
| Утверждён: | 10.11.1983 Главпромстройпроект Госстроя СССР (41)
| Расположен в: |
|
                                           
|