Скачать Типовой проект 902-2-154 Альбом III. Блок аэротенков и отстойников. Типы А6-560, А6-800, А6-1100. Монолитный вариантДата актуализации: 10.08.2017 Типовой проект 902-2-154
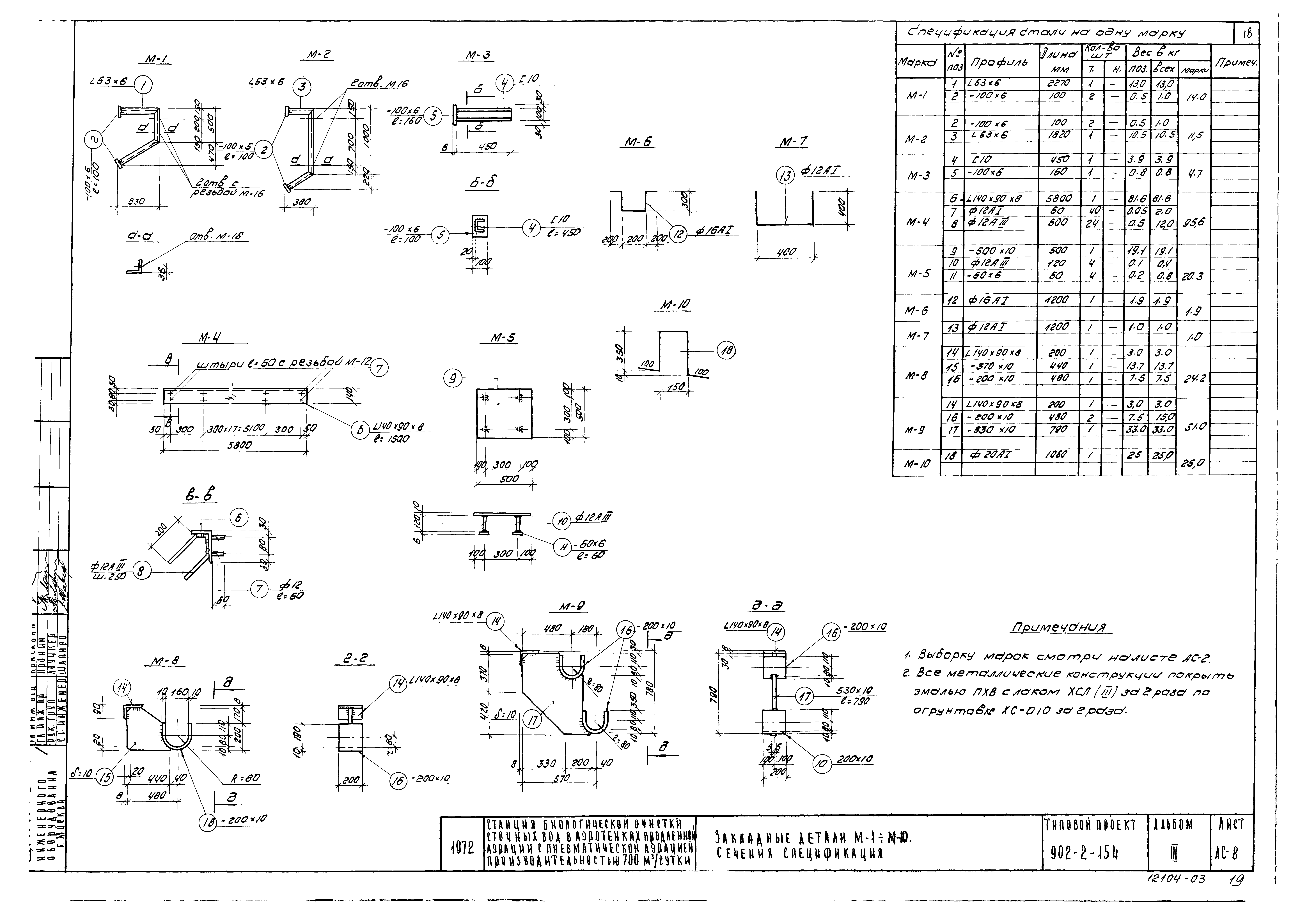
Альбом III. Блок аэротенков и отстойников. Типы А6-560, А6-800, А6-1100. Монолитный вариантОбозначение: | Типовой проект 902-2-154 | Обозначение англ: | 902-2-154 | Статус: | заменен | Название рус.: | Альбом III. Блок аэротенков и отстойников. Типы А6-560, А6-800, А6-1100. Монолитный вариант | Дата добавления в базу: | 01.09.2013 | Дата актуализации: | 05.05.2017 | Дата введения: | 01.08.1982 | Оглавление: | ТП 902-2-154 Содержание альбома ТП 902-2-154 Технологические чертежи ТП 902-2-154 Перечень чертежей. Пояснительная записка ТП 902-2-154-КГ-1 План ТП 902-2-154-КГ-2 Разрезы 1-1;2-2 ТП 902-2-154-КГ-3 Схема воздуховодов. Детали ТП 902-2-154-КГ-4 Спецификация ТП 902-2-154 Строительные чертежи ТП 902-2-154 Перечень чертежей. Пояснительная записка ТП 902-2-154 Пояснительная записка ТП 902-2-154 Заглавный лист ТП 902-2-154-АС-1 Опалубка. План. Разрезы ТП 902-2-154-АС-2 Узлы 1-8. Разрезы. Сечения. План закладных деталей. Выборки ТП 902-2-154-АС-3 Планы раскладки верхних и нижних сеток. План армирования монолитных стен. Разрез 1-1 ТП 902-2-154-АС-4 Армирование. Разрезы ТП 902-2-154-АС-5 Армирование. Спецификация А6-560 ТП 902-2-154-АС-6 Армирование. Спецификация А6-800 ТП 902-2-154-АС-7 Армирование. Спецификация А6-1100 ТП 902-2-154-АС-8 Закладные детали М-1÷М-10. Сечения. Спецификация ТП 902-2-154-АС-9 План раскладки щитов перекрытия. Щиты Щ-1,Щ-2,Щ-3 | Разработан: | ЦНИИЭП иженерного оборудования
| Утверждён: | 30.10.1972 Госгражданстрой (Gosgrazhdanstroy 212)
| Расположен в: |
| Чем заменён: | |
                   
|