Информационная система
«Ёшкин Кот»

Скачать базу одним архивом
Скачать обновления
История создания базы
Карта сайта

Скачать Типовой проект 903-1-214.84 Альбом II. Тепломеханическая часть. Трубопроводы. Блоки оборудования (из ТП 903-1-213.84)

Дата актуализации: 10.08.2017

Типовой проект 903-1-214.84

Альбом II. Тепломеханическая часть. Трубопроводы. Блоки оборудования (из ТП 903-1-213.84)

Обозначение: Типовой проект 903-1-214.84
Обозначение англ: 903-1-214.84
Статус:не действует
Название рус.:Альбом II. Тепломеханическая часть. Трубопроводы. Блоки оборудования (из ТП 903-1-213.84)
Дата добавления в базу:01.09.2013
Дата актуализации:05.05.2017
Оглавление:ТП 903-1-213.84-ТМ Содержание альбома 2
ТП 903-1-213.84-ТМ-20 Трубопроводы вспомогательного оборудования установки горячего водоснабжения (начало)
ТП 903-1-213.84-ТМ-21 Трубопроводы вспомогательного оборудования установки горячего водоснабжения (продолжение)
ТП 903-1-213.84-ТМ-22 Трубопроводы вспомогательного оборудования установки горячего водоснабжения (продолжение)
ТП 903-1-213.84-ТМ-23 Трубопроводы вспомогательного оборудования установки горячего водоснабжения (продолжение)
ТП 903-1-213.84-ТМ-24 Трубопроводы вспомогательного оборудования установки горячего водоснабжения (окончание)
ТП 903-1-213.84-ТМ-25 Трубопроводы сетевые. Трубопроводы котлов "Факел" (начало)
ТП 903-1-213.84-ТМ-26 Трубопроводы сетевые. Трубопроводы котлов "Факел" (окончание)
ТП 903-1-213.84-ТМ-27 Бак-аккумулятор горячей воды (К10)
ТП 903-1-213.84-ТМ-28 Блок насосов сетевой воды (К2)
ТП 903-1-213.84-ТМ-29 Блок подготовки исходной воды (К4)
ТП 903-1-214.84 Д21Б.106.010 СБ ТП 903-1-213.84-ТМ-30 Блок насосов рабочей воды (К9)
ТП 903-1-213.84-ТМ-31 Блок насосов горячего водоснабжения (К11)
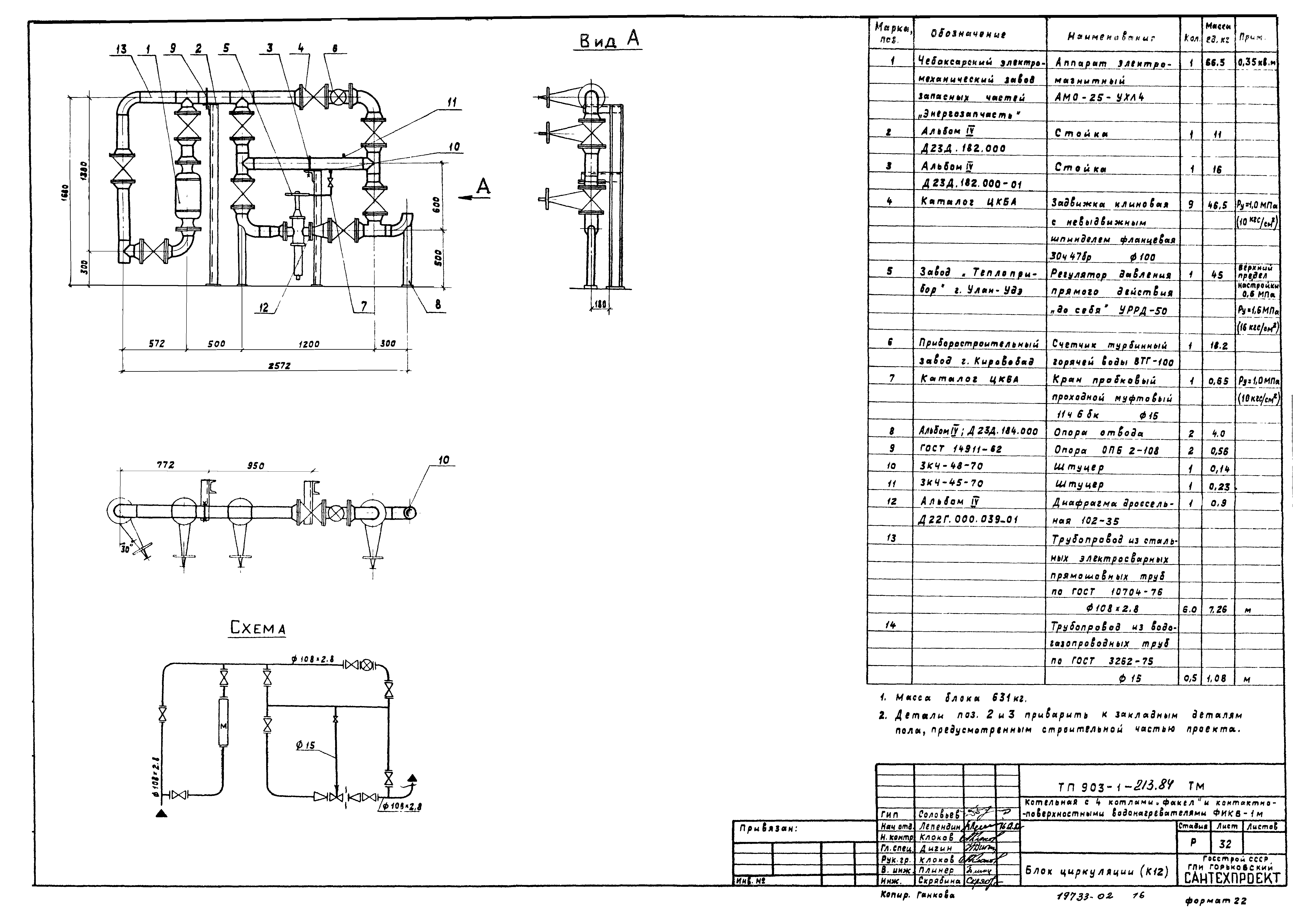
ТП 903-1-213.84-ТМ-32 Блок циркуляции (К12)
ТП 903-1-213.84-ТМ-33 Типы креплений оборудования
Разработан: ГПИ Горьковский Сантехпроект
Утверждён:03.02.1984 Главпромстройпроект Госстроя СССР (4)
Расположен в:Техническая документация Строительство Справочные документы Типовые строительные конструкции, изделия и узлы Общероссийский строительный каталог Промышленные предприятия, здания и сооружения Здания и сооружения санитарно-технические Теплоснабжение Котельные установки Закрытые системы теплоснабжения Топливо - газ
Типовой проект 903-1-214.84Типовой проект 903-1-214.84Типовой проект 903-1-214.84Типовой проект 903-1-214.84Типовой проект 903-1-214.84Типовой проект 903-1-214.84Типовой проект 903-1-214.84Типовой проект 903-1-214.84Типовой проект 903-1-214.84Типовой проект 903-1-214.84Типовой проект 903-1-214.84Типовой проект 903-1-214.84Типовой проект 903-1-214.84Типовой проект 903-1-214.84Типовой проект 903-1-214.84Типовой проект 903-1-214.84Типовой проект 903-1-214.84Типовой проект 903-1-214.84

© 2013 Ёшкин Кот :-) Карта сайта