Информационная система
«Ёшкин Кот»

Скачать базу одним архивом
Скачать обновления
История создания базы
Карта сайта

Скачать Типовой проект 904-1-62.86 Альбом 4. Строительные решения

Дата актуализации: 10.08.2017

Типовой проект 904-1-62.86

Альбом 4. Строительные решения

Обозначение: Типовой проект 904-1-62.86
Обозначение англ: 904-1-62.86
Статус:действует
Название рус.:Альбом 4. Строительные решения
Дата добавления в базу:01.09.2013
Дата актуализации:05.05.2017
Дата введения:01.02.1986
Оглавление:ТП 904-1-62.86-АР Архитектурные решения
ТП 904-1-62.86-АР-1 Общие данные (начало)
ТП 904-1-62.86-АР-2 Общие данные (окончание)
ТП 904-1-62.86-АР-3 План на отм. 0.000 (начало) для 5КЦ-100А
ТП 904-1-62.86-АР-4 План на отм. 0.000 (продолжение) для 5КЦ-100А
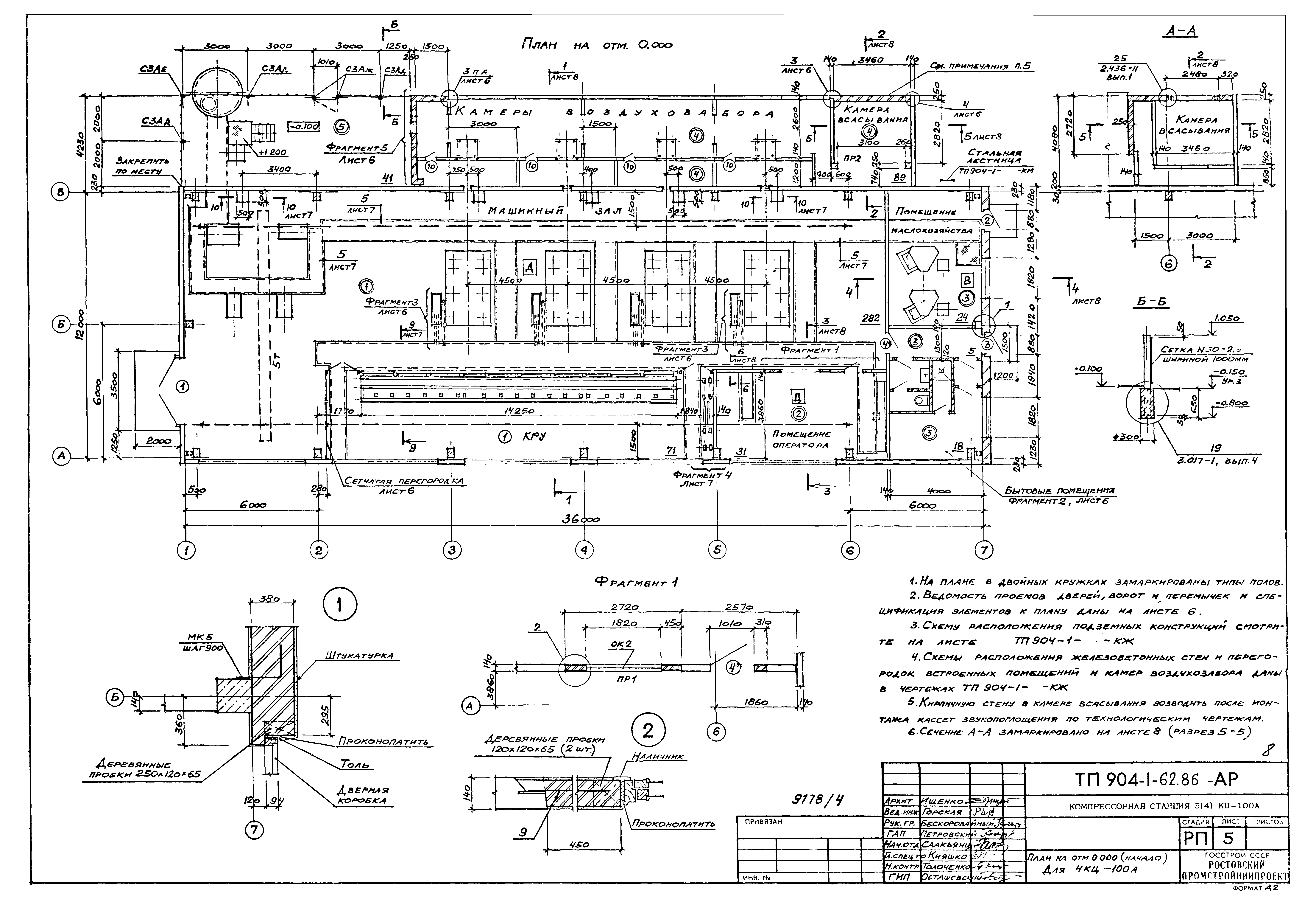
ТП 904-1-62.86-АР-5 План на отм. 0.000 (начало) для 4КЦ-100А
ТП 904-1-62.86-АР-6 План на отм. 0.000 (продолжение) для 4КЦ-100А
ТП 904-1-62.86-АР-7 План на отм. 0.000 (окончание)
ТП 904-1-62.86-АР-8 Разрезы 1-1-6-6
ТП 904-1-62.86-АР-9 Фасады. План кровли
ТП 904-1-62.86-КЖ Конструкции железобетонные
ТП 904-1-62.86-КЖ-1 Общие данные (начало)
ТП 904-1-62.86-КЖ-2 Общие данные (продолжение)
ТП 904-1-62.86-КЖ-3 Общие данные (окончание)
ТП 904-1-62.86-КЖ-4 Схема расположения элементов фундаментов (начало) для 4КЦ-100А
ТП 904-1-62.86-КЖ-5 Схема расположения элементов фундаментов (начало) для 5КЦ-100А
ТП 904-1-62.86-КЖ-6 Схема расположения элементов фундаментов (окончание) для 4КЦ-100А
ТП 904-1-62.86-КЖ-7 Схема расположения элементов фундаментов (окончание) для 5КЦ-100А
ТП 904-1-62.86-КЖ-8 Фундаменты ФМ1-ФМ4
ТП 904-1-62.86-КЖ-9 Фундаменты ФМ5-ФМ8
ТП 904-1-62.86-КЖ-10 Фундаменты под оборудование ФОМ1,ФОМ2
ТП 904-1-62.86-КЖ-11 Фундаменты под оборудование ФОМ3-ФОМ12
ТП 904-1-62.86-КЖ-12 Схема расположения подземных конструкций для 4КЦ-100А
ТП 904-1-62.86-КЖ-13 Схема расположения подземных конструкций для 5КЦ-100А
ТП 904-1-62.86-КЖ-14 Схемы расположения элементов и плит перекрытия канала КН1 и колодца К1 (начало) для 4КЦ-100А
ТП 904-1-62.86-КЖ-15 Схемы расположения элементов и плит перекрытия канала КН1 и колодца К1 (начало) для 5КЦ-100А
ТП 904-1-62.86-КЖ-16 Схемы расположения элементов и плит перекрытия канала КН1 и колодца К1 (продолжение) для 4КЦ-100А
ТП 904-1-62.86-КЖ-17 Схемы расположения элементов и плит перекрытия канала КН1 и колодца К1 (продолжение) для 5КЦ-100А
ТП 904-1-62.86-КЖ-18 Схемы расположения элементов и плит перекрытия канала КН1 и колодца К1 (продолжение) для 4КЦ-100А
ТП 904-1-62.86-КЖ-19 Схемы расположения элементов и плит перекрытия канала КН1 и колодца К1 (продолжение) для 5КЦ-100А
ТП 904-1-62.86-КЖ-20 Схемы расположения элементов и плит перекрытия канала КН1 и колодца К1 (продолжение) для 4КЦ-100А
ТП 904-1-62.86-КЖ-21 Схемы расположения элементов и плит перекрытия канала КН1 и колодца К1 (продолжение) для 5КЦ-100А
ТП 904-1-62.86-КЖ-22 Схемы расположения элементов и плит перекрытия канала КН1 и колодца К1 (окончание)
ТП 904-1-62.86-КЖ-23 Участки монолитные УМ1-УМ11,УМ5-а-УМ5-г. Балка БМ1 (начало)
ТП 904-1-62.86-КЖ-24 Участки монолитные УМ1-УМ11,УМ5-а-УМ5-г. Балка БМ1 (продолжение)
ТП 904-1-62.86-КЖ-25 Участки монолитные УМ1-УМ11,УМ5-а-УМ5-г. Балка БМ1 (продолжение)
ТП 904-1-62.86-КЖ-26 Участки монолитные УМ1-УМ11,УМ5-а-УМ5-г. Балка БМ1 (продолжение)
ТП 904-1-62.86-КЖ-27 Участки монолитные УМ1-УМ11,УМ5-а-УМ5-г. Балка БМ1 (продолжение)
ТП 904-1-62.86-КЖ-28 Участки монолитные УМ1-УМ11,УМ5-а-УМ5-г. Балка БМ1 (продолжение)
ТП 904-1-62.86-КЖ-29 Участки монолитные УМ1-УМ11,УМ5-а-УМ5-г. Балка БМ1 (продолжение)
ТП 904-1-62.86-КЖ-30 Участки монолитные УМ1-УМ11,УМ5-а-УМ5-г. Балка БМ1 (продолжение)
ТП 904-1-62.86-КЖ-31 Участки монолитные УМ1-УМ11,УМ5-а-УМ5-г. Балка БМ1 (окончание)
ТП 904-1-62.86-КЖ-32 Схемы расположения колонн, балок покрытия, плит покрытия и перекрытия (начало)
ТП 904-1-62.86-КЖ-33 Схемы расположения колонн, балок покрытия, плит покрытия и перекрытия (продолжение)
ТП 904-1-62.86-КЖ-34 Схемы расположения колонн, балок покрытия, плит покрытия и перекрытия (окончание)
ТП 904-1-62.86-КЖ-35 Плиты ПМ1-ПМ6
ТП 904-1-62.86-КЖ-36 Схема расположения стеновых и карнизных панелей (начало) для 4КЦ-100А
ТП 904-1-62.86-КЖ-37 Схема расположения стеновых и карнизных панелей (начало) для 5КЦ-100А
ТП 904-1-62.86-КЖ-38 Схема расположения стеновых и карнизных панелей (продолжение)
ТП 904-1-62.86-КЖ-39 Схема расположения стеновых и карнизных панелей (окончание)
ТП 904-1-62.86-КЖ-40 Схема расположения элементов стен (начало)
ТП 904-1-62.86-КЖ-41 Схема расположения элементов стен (продолжение)
ТП 904-1-62.86-КЖ-42 Схема расположения элементов стен (окончание)
ТП 904-1-62.86-КМ Конструкции металлические
ТП 904-1-62.86-КМ-1 Общие данные
ТП 904-1-62.86-КМ-2 Техническая спецификация металла на объект (начало)
ТП 904-1-62.86-КМ-3 Техническая спецификация металла на объект (окончание). Ведомость металлоконструкций по видам профилей
ТП 904-1-62.86-КМ-4 Техническая спецификация металла на лестницы, площадки, ограждения
ТП 904-1-62.86-КМ-5 Схемы расположения подвесных путей и балок
ТП 904-1-62.86-КМ-6 Схемы расположения площадки, лестницы и перекрытия каналов
ТП 904-1-62.86-КМ-7 Схемы расположения опоры под трубопровод и кронштейн на отметке 4.230
ТП 904-1-62.86-ОВ Отопление и вентиляция
ТП 904-1-62.86-ОВ-1 Общие данные (начало)
ТП 904-1-62.86-ОВ-2 Общие данные (окончание)
ТП 904-1-62.86-ОВ-3 План отопления и вентиляции. Разрезы 1-1;2-2
ТП 904-1-62.86-ОВ-4 Система теплоснабжения установок А1
ТП 904-1-62.86-ОВ-5 Система отопления. Узел управления. Схема системы ВЕ1
ТП 904-1-62.86-ВК Внутренние водопровод и канализация
ТП 904-1-62.86-ВК-1 Общие данные
ТП 904-1-62.86-ВК-2 План на отм. 0.000
ТП 904-1-62.86-ВК-3 Схемы систем В1,Т3,Т4,К1,К13
Разработан: Ростовский Промстройниипроект Госстроя СССР
Утверждён:21.11.1985 Минстройдормаш (Minstroydormash 30/85)
Расположен в:Техническая документация Строительство Справочные документы Типовые строительные конструкции, изделия и узлы Общероссийский строительный каталог Промышленные предприятия, здания и сооружения Здания и сооружения санитарно-технические Воздухоснабжение, вентиляция и кондиционирование воздуха Воздухоснабжение
Типовой проект 904-1-62.86Типовой проект 904-1-62.86Типовой проект 904-1-62.86Типовой проект 904-1-62.86Типовой проект 904-1-62.86Типовой проект 904-1-62.86Типовой проект 904-1-62.86Типовой проект 904-1-62.86Типовой проект 904-1-62.86Типовой проект 904-1-62.86Типовой проект 904-1-62.86Типовой проект 904-1-62.86Типовой проект 904-1-62.86Типовой проект 904-1-62.86Типовой проект 904-1-62.86Типовой проект 904-1-62.86Типовой проект 904-1-62.86Типовой проект 904-1-62.86Типовой проект 904-1-62.86Типовой проект 904-1-62.86Типовой проект 904-1-62.86Типовой проект 904-1-62.86Типовой проект 904-1-62.86Типовой проект 904-1-62.86Типовой проект 904-1-62.86Типовой проект 904-1-62.86Типовой проект 904-1-62.86Типовой проект 904-1-62.86Типовой проект 904-1-62.86Типовой проект 904-1-62.86Типовой проект 904-1-62.86Типовой проект 904-1-62.86Типовой проект 904-1-62.86Типовой проект 904-1-62.86Типовой проект 904-1-62.86Типовой проект 904-1-62.86Типовой проект 904-1-62.86Типовой проект 904-1-62.86Типовой проект 904-1-62.86Типовой проект 904-1-62.86Типовой проект 904-1-62.86Типовой проект 904-1-62.86Типовой проект 904-1-62.86Типовой проект 904-1-62.86Типовой проект 904-1-62.86Типовой проект 904-1-62.86Типовой проект 904-1-62.86Типовой проект 904-1-62.86Типовой проект 904-1-62.86Типовой проект 904-1-62.86Типовой проект 904-1-62.86Типовой проект 904-1-62.86Типовой проект 904-1-62.86Типовой проект 904-1-62.86Типовой проект 904-1-62.86Типовой проект 904-1-62.86Типовой проект 904-1-62.86Типовой проект 904-1-62.86Типовой проект 904-1-62.86Типовой проект 904-1-62.86Типовой проект 904-1-62.86Типовой проект 904-1-62.86Типовой проект 904-1-62.86Типовой проект 904-1-62.86Типовой проект 904-1-62.86Типовой проект 904-1-62.86Типовой проект 904-1-62.86Типовой проект 904-1-62.86Типовой проект 904-1-62.86Типовой проект 904-1-62.86Типовой проект 904-1-62.86

© 2013 Ёшкин Кот :-) Карта сайта