Информационная система
«Ёшкин Кот»

Скачать базу одним архивом
Скачать обновления
История создания базы
Карта сайта

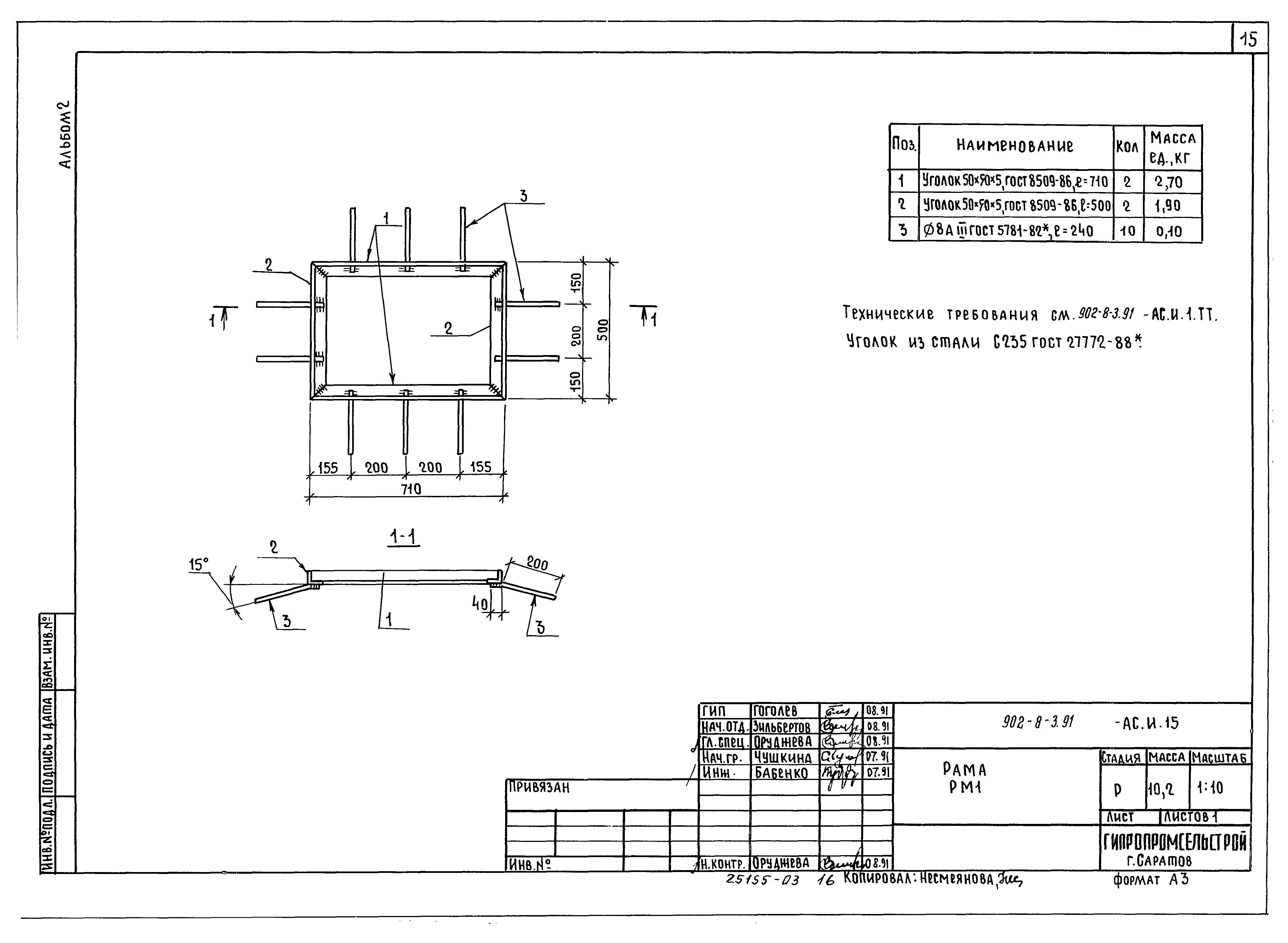
Скачать Типовой проект 902-8-3.91 Альбом 2. Чертежи индустриальных строительных конструкций и изделий

Дата актуализации: 10.08.2017

Типовой проект 902-8-3.91

Альбом 2. Чертежи индустриальных строительных конструкций и изделий

Обозначение: Типовой проект 902-8-3.91
Обозначение англ: 902-8-3.91
Статус:не определен законодательством
Название рус.:Альбом 2. Чертежи индустриальных строительных конструкций и изделий
Дата добавления в базу:01.09.2013
Дата актуализации:05.05.2017
Дата введения:18.11.1991
Разработан: Гипропромсельстрой
Утверждён:13.11.1991 Главагропромнаучпроект Минсельхозпрода СССР (Glavagropromnauchproject, USSR Minselkhozprod 073-3/189)
Расположен в:Техническая документация Строительство Справочные документы Типовые строительные конструкции, изделия и узлы Общероссийский строительный каталог Промышленные предприятия, здания и сооружения Здания и сооружения санитарно-технические Канализация Сооружения биологической (биохимической) очистки Станции биологической очистки сточных вод
Типовой проект 902-8-3.91Типовой проект 902-8-3.91Типовой проект 902-8-3.91Типовой проект 902-8-3.91Типовой проект 902-8-3.91Типовой проект 902-8-3.91Типовой проект 902-8-3.91Типовой проект 902-8-3.91Типовой проект 902-8-3.91Типовой проект 902-8-3.91Типовой проект 902-8-3.91Типовой проект 902-8-3.91Типовой проект 902-8-3.91Типовой проект 902-8-3.91Типовой проект 902-8-3.91Типовой проект 902-8-3.91Типовой проект 902-8-3.91Типовой проект 902-8-3.91Типовой проект 902-8-3.91

© 2013 Ёшкин Кот :-) Карта сайта