| ||||||||||||||||||||||||||||||||
Скачать Серия 1.431-9 Выпуск 1. Рабочие чертежиДата актуализации: 10.08.2017
|
| Обозначение: | Серия 1.431-9 |
| Обозначение англ: | Series 1.431-9 |
| Статус: | заменен |
| Название рус.: | Выпуск 1. Рабочие чертежи |
| Дата добавления в базу: | 01.09.2013 |
| Дата актуализации: | 05.05.2017 |
| Дата введения: | 01.07.1984 |
| Область применения: | В настоящем выпуске разработаны рядовые и верхние панели, панели с дверью, с раздаточным окном и стойки и ригели консольных перегородок |
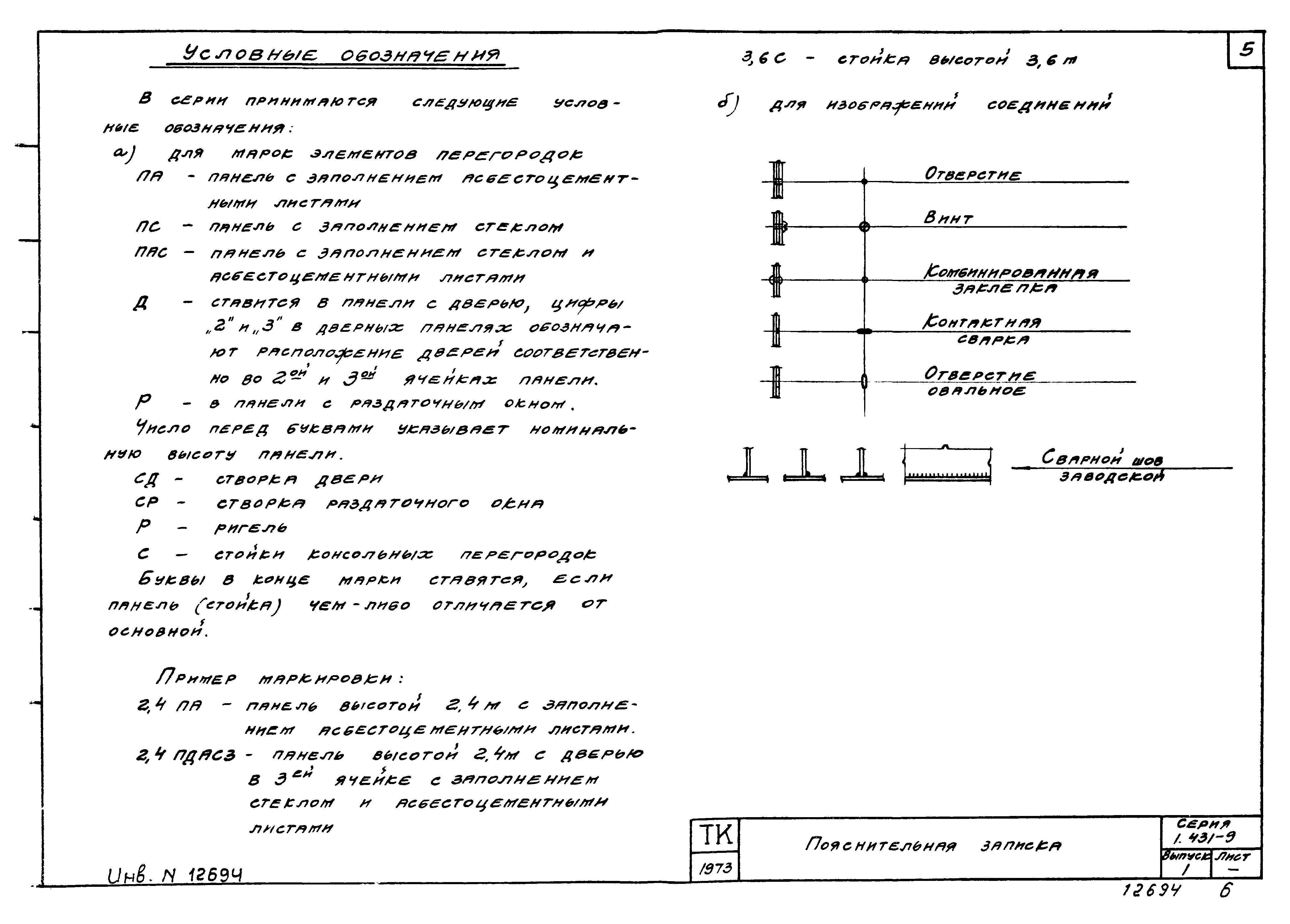
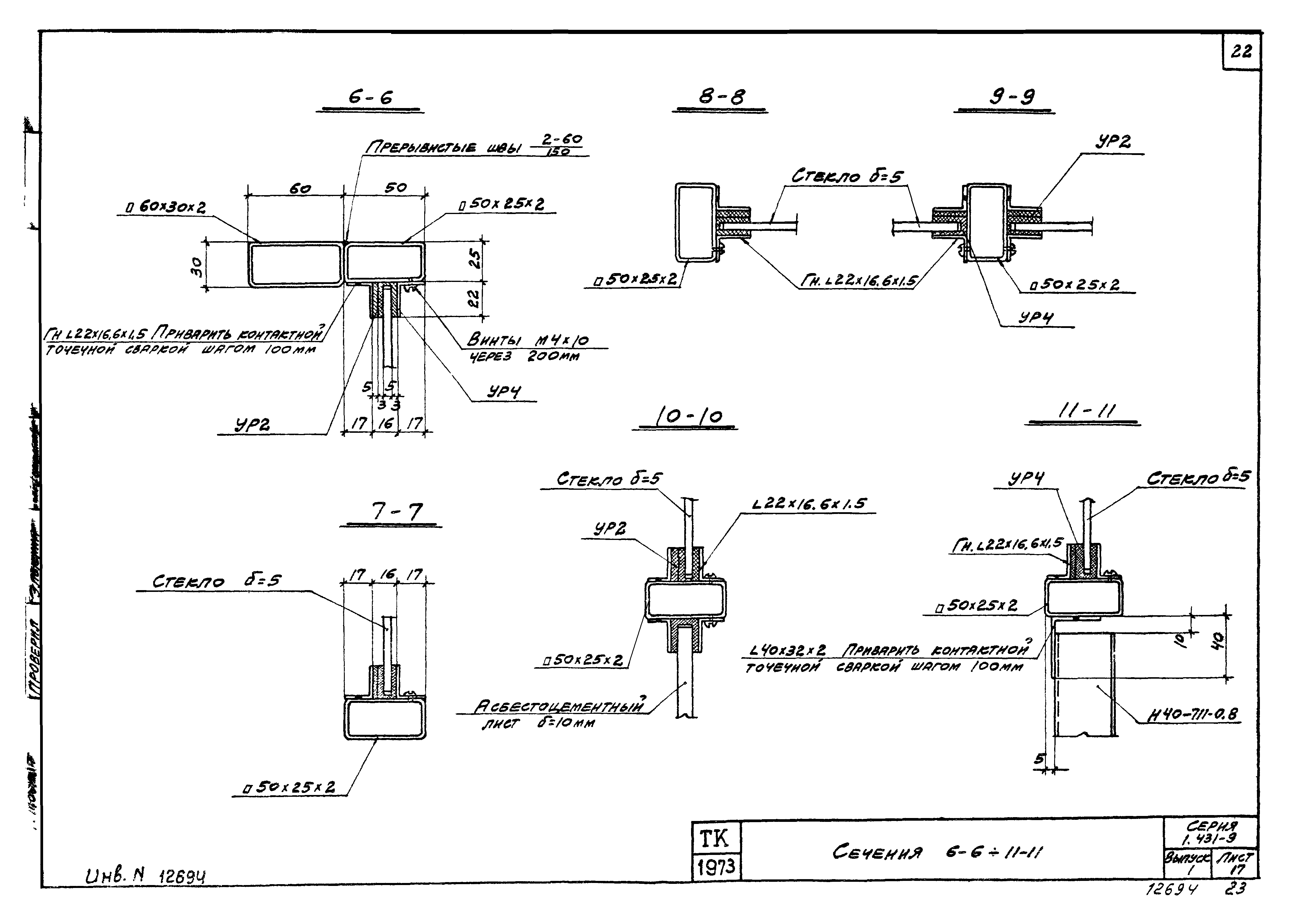
| Оглавление: | 1.431-9 Пояснительная записка 1.431-9 Номенклатура элементов перегородок 1.431-9 Панели перегородок Н=2350; 1175 мм 1.431-9 Панели перегородок с дверью и с раздаточным окном 1.431-9 Рамы панелей 2.4П; 1.2П; 2.4ПВ; 1.2ПВ 1.431-9 Рама панели 2.4П-1 1.431-9 Рама панели 2.4ПД2; 2.4ПД3 1.431-9 Рама панели 2.4ПД2-1; 2.4ПД3-1 1.431-9 Рама панели 2.4ПР 1.431-9 Створки двери СД1; СД2 1.431-9 Створки двери СД3; СД4 1.431-9 Створки раздаточного окна. Узел 15 1.431-9 Узлы 1-5 1.431-9 Узлы 6-9 1.431-9 Узлы 10-13 1.431-9 Узел 14 1.431-9 Сечения 1-1 ÷ 5-5 1.431-9 Сечения 6-6 ÷ 11-11 1.431-9 Сечения 12-12 ÷ 16-16 1.431-9 Сечения 17-17 ÷ 22-22 1.431-9 Стойки 3.6С; 3.6С-А; 3.6С-В 1.431-9 Стойки 3.6Б; 3.6С-Г 1.431-9 Стойки 2.4С; 2.4С-А; 2.4С-В 1.431-9 Стойки 2.4С-Б; 2.4С-Г. Ригель Рн 1.431-9 Размеры асбестоцементных листов и стекла 1.431-9 Резиновые уплотнители 1.431-9 Спецификация материалов 1.431-9 Монтажный чертеж установки скобяных изделий 1.431-9 Узел 17 1.431-9 Петля дверная ПД1.000СБ 1.431-9 Втулка ПД1.002 1.431-9 Штырь ПД1.001 1.431-9 Шпингалет в сборе ШД1.000 1.431-9 Стержень ШД1.001 1.431-9 Штифты ШД1.002; 006; 008 1.431-9 Ось ШД1.003 1.431-9 Рычаг ШД1.004 1.431-9 Ручка ШД1.005 1.431-9 Ручка Р1.002 1.431-9 Корпус ШД1.007 1.431-9 Ручка Р1.001 1.431-9 Планка ШД1.009 1.431-9 Схема установки петель в раздаточном окне 1.431-9 Петля ПД2.000СБ 1.431-9 Штырь ПД2.001 1.431-9 Втулка ПД2.002 |
| Разработан: | ГПИ Промстройпроект |
| Утверждён: | 29.11.1973 Госстрой СССР (Государственный комитет Совета Министров СССР по делам строительства) (USSR Gosstroy 222) |
| Расположен в: | |
| Чем заменён: | |
| Нормативные ссылки: |
|










































