Информационная система
«Ёшкин Кот»

Скачать базу одним архивом
Скачать обновления
История создания базы
Карта сайта

Скачать Серия 1.431.9-27с Выпуск 3. Колонны фахверка железобетонные. Рабочие чертежи

Дата актуализации: 10.08.2017

Серия 1.431.9-27с

Выпуск 3. Колонны фахверка железобетонные. Рабочие чертежи

Обозначение: Серия 1.431.9-27с
Обозначение англ: Series 1.431.9-27с
Статус:не действует
Название рус.:Выпуск 3. Колонны фахверка железобетонные. Рабочие чертежи
Дата добавления в базу:01.09.2013
Дата актуализации:05.05.2017
Дата введения:01.12.1991
Область применения:Настоящий выпуск содержит рабочие чертежи железобетонных колонн фахверка
Оглавление:1.431.9-27с.3-0.0ТО Техническое описание
1.431.9-27с.3-1.0 Колонна
1.431.9-27с.3-1.0 СБ Колонна. Сборочный чертеж
1.431.9-27с.3-2.0 Колонна
1.431.9-27с.3-2.0 СБ Колонна. Сборочный чертеж
1.431.9-27с.3-3.0 Колонна
1.431.9-27с.3-3.0 СБ Колонна. Сборочный чертеж
1.431.9-27с.3-4.0 Колонна
1.431.9-27с.3-4.0 СБ Колонна. Сборочный чертеж
1.431.9-27с.3-0.1 Узел 1
1.431.9-27с.3-0.2 Узел 2
1.431.9-27с.3-0.3 Узел 3,4
1.431.9-27с.3-0.4 Узел 5
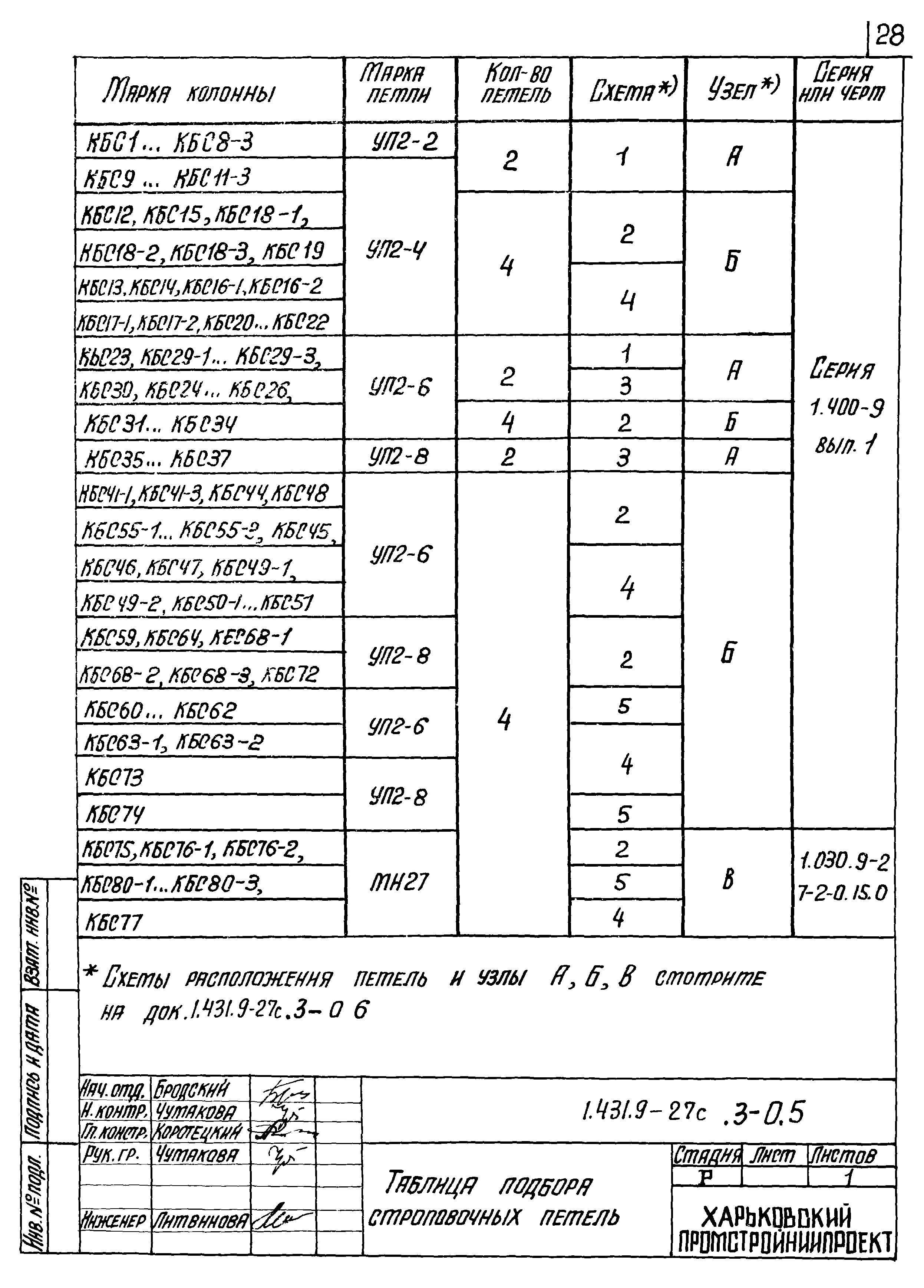
1.431.9-27с.3-0.5 Таблица подбора строповочных петель
1.431.9-27с.3-0.6 Схемы расположения строповочных петель
1.431.9-27с.3-0.0 РС Ведомость расхода стали
Разработан: ЦНИИпромзданий
Харьковский Промстройниипроект
Узгипротяжпром
Утверждён:11.10.1986 Госстрой СССР (Государственный комитет Совета Министров СССР по делам строительства) (USSR Gosstroy АЧ-64)
Расположен в:Техническая документация Строительство Справочные документы Типовые строительные конструкции, изделия и узлы Общероссийский строительный каталог Строительные конструкции, изделия и узлы зданий и сооружений для всех видов строительства Конструкции, изделия и узлы зданий Ограждающие конструкции Перегородки
Нормативные ссылки:
Серия 1.431.9-27сСерия 1.431.9-27сСерия 1.431.9-27сСерия 1.431.9-27сСерия 1.431.9-27сСерия 1.431.9-27сСерия 1.431.9-27сСерия 1.431.9-27сСерия 1.431.9-27сСерия 1.431.9-27сСерия 1.431.9-27сСерия 1.431.9-27сСерия 1.431.9-27сСерия 1.431.9-27сСерия 1.431.9-27сСерия 1.431.9-27сСерия 1.431.9-27сСерия 1.431.9-27сСерия 1.431.9-27сСерия 1.431.9-27сСерия 1.431.9-27сСерия 1.431.9-27сСерия 1.431.9-27сСерия 1.431.9-27сСерия 1.431.9-27сСерия 1.431.9-27сСерия 1.431.9-27сСерия 1.431.9-27сСерия 1.431.9-27сСерия 1.431.9-27сСерия 1.431.9-27сСерия 1.431.9-27сСерия 1.431.9-27сСерия 1.431.9-27сСерия 1.431.9-27сСерия 1.431.9-27сСерия 1.431.9-27сСерия 1.431.9-27сСерия 1.431.9-27с

© 2013 Ёшкин Кот :-) Карта сайта