Скачать Типовой проект 902-2-258 Альбом XIII. Камеры, лотки. Технологическая, строительная и электротехническая части (из ТП 902-2-260)Дата актуализации: 10.08.2017 Типовой проект 902-2-258
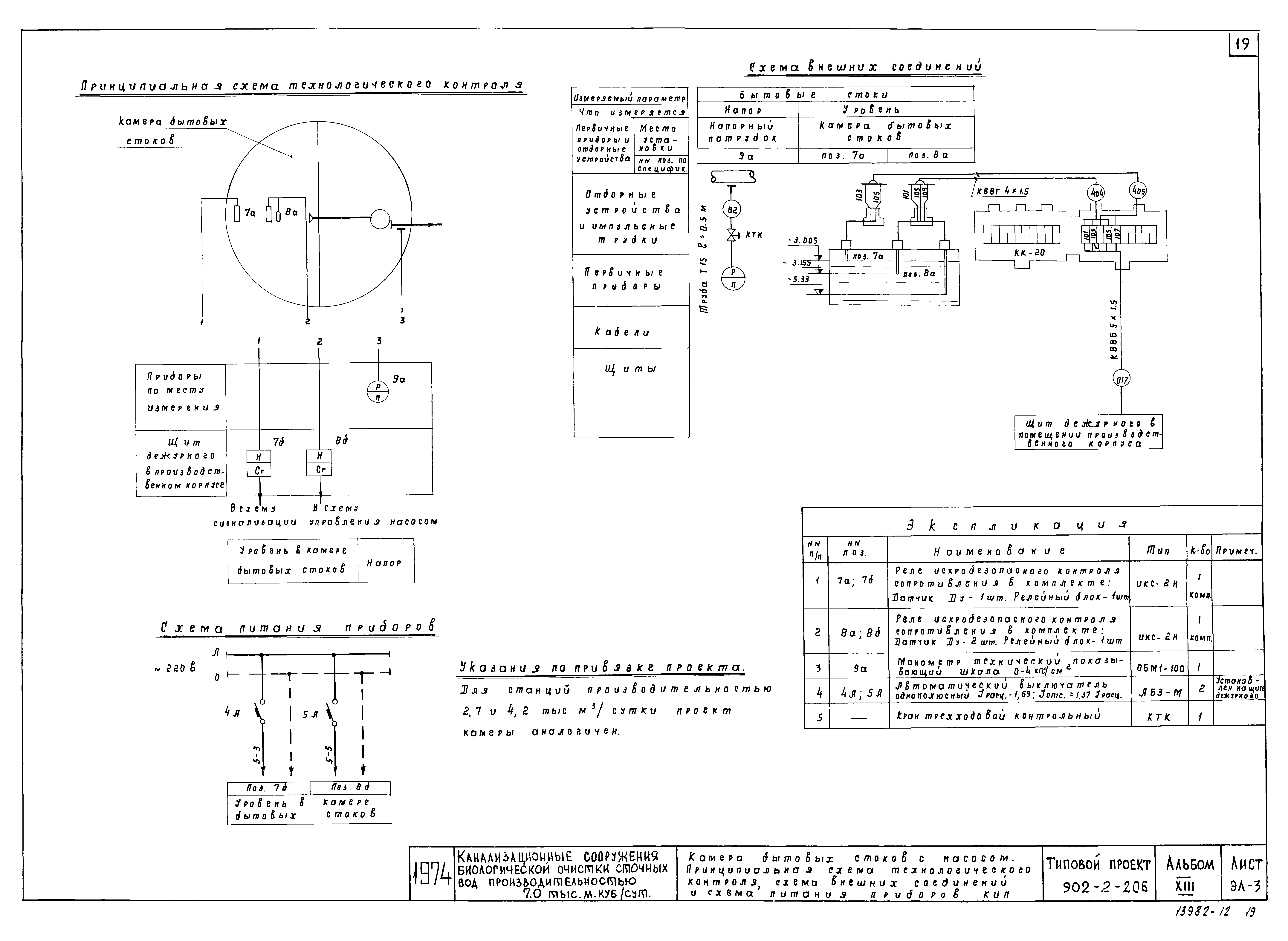
Альбом XIII. Камеры, лотки. Технологическая, строительная и электротехническая части (из ТП 902-2-260)Обозначение: | Типовой проект 902-2-258 | Обозначение англ: | 902-2-258 | Статус: | действует | Название рус.: | Альбом XIII. Камеры, лотки. Технологическая, строительная и электротехническая части (из ТП 902-2-260) | Дата добавления в базу: | 01.09.2013 | Дата актуализации: | 05.05.2017 | Дата введения: | 29.12.1975 | Оглавление: | ТП 902-2-260-С-1 Камеры лотки. Содержание альбома ТП 902-2-260-ТХ-1 Камеры лотки. Распределительная камера первичных отстойников. План. Разрезы 1-1÷3-3. Спецификация ТП 902-2-260-ТХ-2 Камеры лотки. Камеры опорожнения блока емкостей. Планы. Разрез 1-1 ТП 902-2-260-ТХ-3 Камеры лотки. Камера бытовых стоков с насосом. План. Разрезы 1-1,2-2. Спецификация ТП 902-2-260-ТХ-4 Камеры лотки. Установка для подогрева осадка. План. Сечения А-А;В-В. Узел "А". Спецификация ТП 902-2-260-ТХ-5 Камеры лотки. Установка для подогрева осадка. Разрезы 1-1;2-2. Схема подогрева осадка ТП 902-2-260-КС-1 Камеры лотки. Распределительная камера первичных отстойников. Опалубочный чертеж. План. Сечения ТП 902-2-260-КС-2 Камеры лотки. Распределительная камера первичных отстойников. План покрытия. Армирование. План. Сечения ТП 902-2-260-КС-3 Камеры лотки. Распределительная камера первичных отстойников. Армирование. Спецификация арматуры ТП 902-2-260-КС-4 Камеры лотки. Камера опорожнения. Блоки емкостей. Планы. Сечения. Выборки ТП 902-2-260-КС-5 Камеры лотки. Камера бытовых стоков с насосом. План. Разрезы. Выборки ТП 902-2-260-КС-6 Камеры лотки. Камера для подогрева осадка. План. Сечения. Узлы ТП 902-2-260-КС-7 Камеры лотки. Камера для подогрева осадка. Выборки сборных элементов ТП 902-2-260-КС-8 Камеры лотки. Соединительные лотки ЛМ1, ЛМ2, ЛМ3, ЛМ4, ЛМ5, ЛМ6. Сечения 1-1 ÷ 6-6 ТП 902-2-260-КС-9 Камеры лотки. Соединительные лотки ЛМ1, ЛМ2, ЛМ3, ЛМ4, ЛМ5, ЛМ6. Сечения 7-7 ÷ 10-10. Узел 1. Спецификация арматуры. Показатели ТП 902-2-260-ЭЛ-1 Камеры лотки. Камера бытовых стоков с насосом. Принципиальная схема и схема внешних соединений ТП 902-2-260-ЭЛ-2 Камеры лотки. Камера бытовых стоков с насосом. Силовое электрооборудование ТП 902-2-260-ЭЛ-3 Камеры лотки. Камера бытовых стоков с насосом. Принципиальная схема технического контроля. Схема внешних соединений и схема питания приборов КИП ТП 902-2-260-ЭЛ-4 Камеры лотки. Камера бытовых стоков с насосом. Трасса кабельной трубной проводки | Разработан: | Гипрокоммунводоканал Минжилкомхоза РСФСР
| Утверждён: | 20.06.1975 МЖКХ РСФСР (10ТД)
| Издан: | ЦИТП Госстроя СССР (CITP, Gosstroy (USSR) 1976 г. )
| Расположен в: |
|
                   
|