Информационная система
«Ёшкин Кот»

Скачать базу одним архивом
Скачать обновления
История создания базы
Карта сайта

Скачать Типовой проект 903-1-279.90 Альбом 13. Генеральный план. Наружные сети водоснабжения и канализации. Внутриплощадочные кабельные линии. Электрическое освещение территории. Связь и сигнализация. Тепловые сети (из ТП 903-1-278.90)

Дата актуализации: 10.08.2017

Типовой проект 903-1-279.90

Альбом 13. Генеральный план. Наружные сети водоснабжения и канализации. Внутриплощадочные кабельные линии. Электрическое освещение территории. Связь и сигнализация. Тепловые сети (из ТП 903-1-278.90)

Обозначение: Типовой проект 903-1-279.90
Обозначение англ: 903-1-279.90
Статус:не определен законодательством
Название рус.:Альбом 13. Генеральный план. Наружные сети водоснабжения и канализации. Внутриплощадочные кабельные линии. Электрическое освещение территории. Связь и сигнализация. Тепловые сети (из ТП 903-1-278.90)
Дата добавления в базу:01.09.2013
Дата актуализации:05.05.2017
Дата введения:23.11.1988
Оглавление:ТП 903-1-278.90-ГП Генеральный план ГП
ТП 903-1-278.90-ГП-1 Общие данные
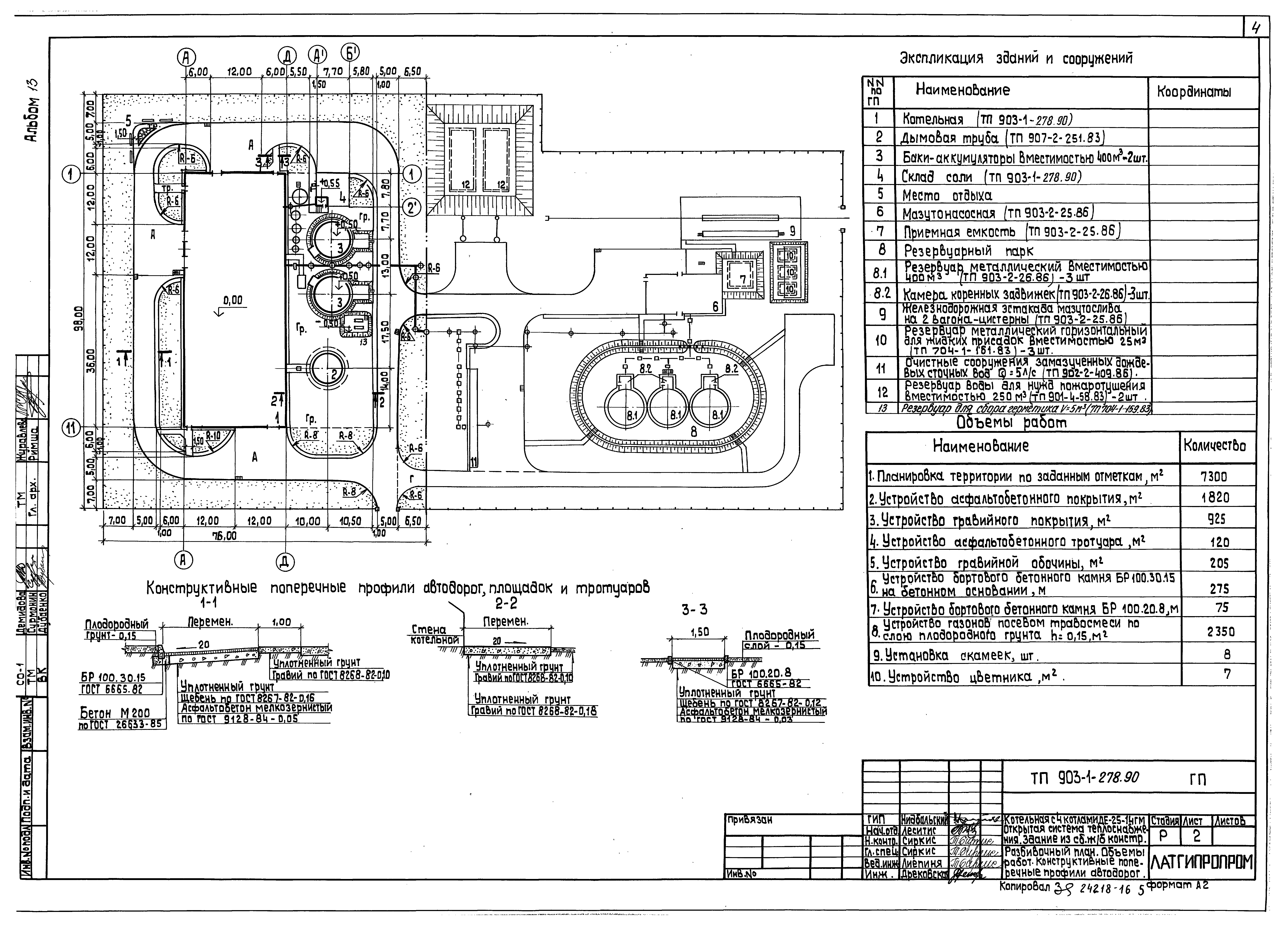
ТП 903-1-278.90-ГП-2 Разбивочный план. Объемы работ. Конструктивные поперечные профили автодорог
ТП 903-1-278.90-ГП-3 Сводный план инженерных сетей
ТП 903-1-278.90-ГП-4 Схема стройгенплана
ТП 903-1-278.90-ГП-5 Монтажный генплан
ТП 903-1-278.90-ГП-6 График производства работ
ТП 903-1-278.90-НВК Наружные сети водоснабжения и канализации НВК
ТП 903-1-278.90-НВК-1 Общие данные
ТП 903-1-278.90-НВК-2 Сеть водоснабжения и канализации
ТП 903-1-278.90-ЭК Внутриплощадочные кабельные линии ЭК
ТП 903-1-278.90-ЭК-1 Общие данные
ТП 903-1-278.90-ЭК-2 План расположения кабельных трасс электропередач
ТП 903-1-278.90-ЭН Электрическое освещение территории ЭН
ТП 903-1-278.90-ЭН-1 Общие данные
ТП 903-1-278.90-ЭН-2 План освещения территории
ТП 903-1-278.90-СС2 Связь и сигнализация СС2
ТП 903-1-278.90-СС2-1 Общие данные
ТП 903-1-278.90-СС2-2 План расположения кабельных трасс связи и сигнализации
ТП 903-1-278.90-ТС1 Тепловые сети ТС1
ТП 903-1-278.90-ТС1-1 Общие данные
ТП 903-1-278.90-ТС1-2 Ведомость теплоизоляционных конструкций
ТП 903-1-278.90-ТС1-3 Внутриплощадочные тепломазутопроводы. План. Разрезы 1-1;2-2;3-3
ТП 903-1-278.90-ТС1-4 Внутриплощадочные тепломазутопроводы. Схема
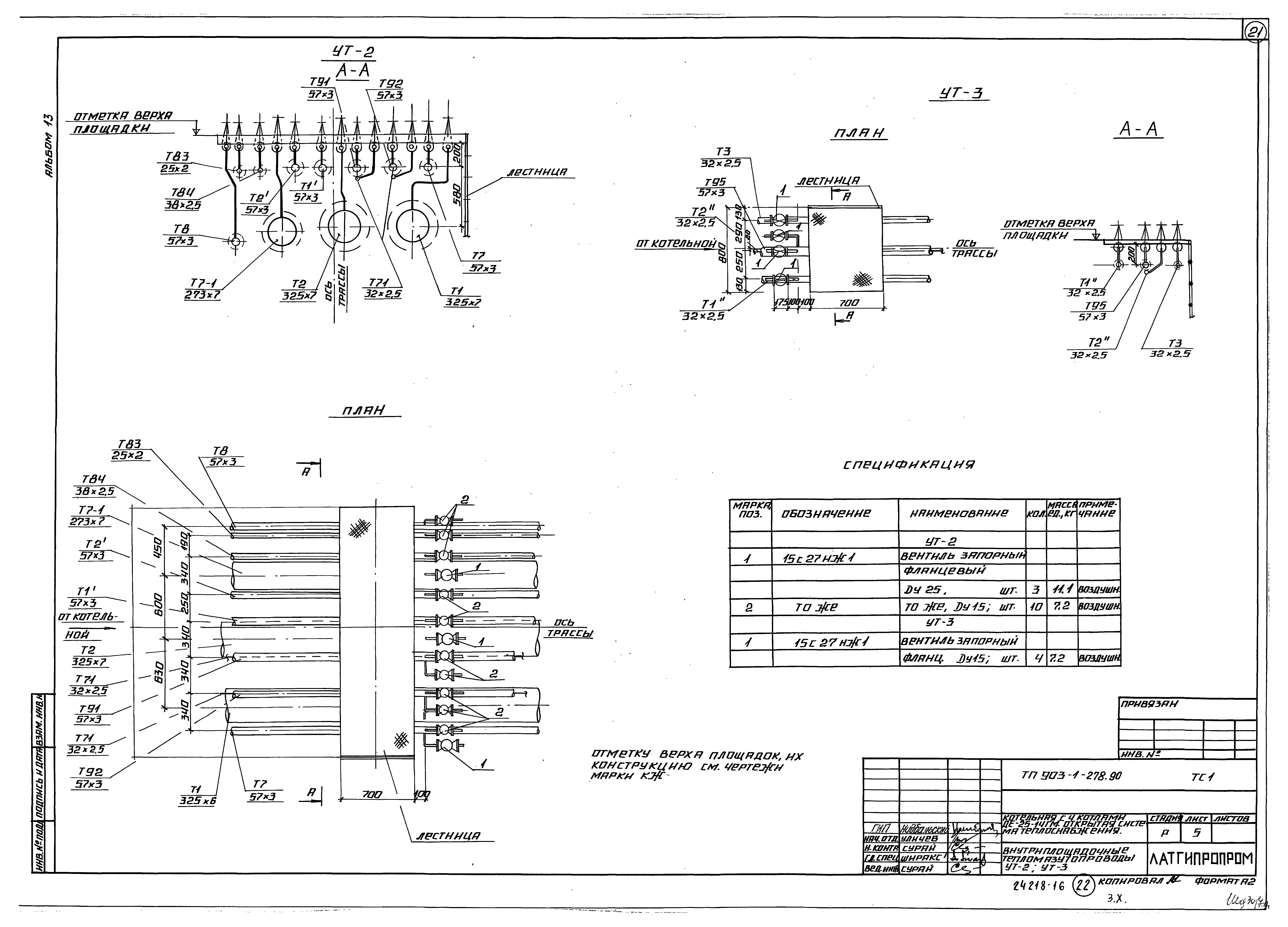
ТП 903-1-278.90-ТС1-5 Внутриплощадочные тепломазутопроводы УТ-2;УТ-3
Разработан: Латгипропром
Утверждён:23.11.1988 Госстрой СССР (Государственный комитет Совета Министров СССР по делам строительства) (USSR Gosstroy 77)
Расположен в:Техническая документация Строительство Справочные документы Типовые строительные конструкции, изделия и узлы Общероссийский строительный каталог Промышленные предприятия, здания и сооружения Здания и сооружения санитарно-технические Теплоснабжение Котельные установки Открытые системы теплоснабжения Топливо - газ и мазут
Типовой проект 903-1-279.90Типовой проект 903-1-279.90Типовой проект 903-1-279.90Типовой проект 903-1-279.90Типовой проект 903-1-279.90Типовой проект 903-1-279.90Типовой проект 903-1-279.90Типовой проект 903-1-279.90Типовой проект 903-1-279.90Типовой проект 903-1-279.90Типовой проект 903-1-279.90Типовой проект 903-1-279.90Типовой проект 903-1-279.90Типовой проект 903-1-279.90Типовой проект 903-1-279.90Типовой проект 903-1-279.90Типовой проект 903-1-279.90Типовой проект 903-1-279.90Типовой проект 903-1-279.90Типовой проект 903-1-279.90Типовой проект 903-1-279.90Типовой проект 903-1-279.90

© 2013 Ёшкин Кот :-) Карта сайта