Информационная система
«Ёшкин Кот»

Скачать базу одним архивом
Скачать обновления
История создания базы
Карта сайта

Скачать Типовой проект 904-1-78.87 Альбом 2. Технология производства

Дата актуализации: 10.08.2017

Типовой проект 904-1-78.87

Альбом 2. Технология производства

Обозначение: Типовой проект 904-1-78.87
Обозначение англ: 904-1-78.87
Статус:не действует
Название рус.:Альбом 2. Технология производства
Дата добавления в базу:01.09.2013
Дата актуализации:05.05.2017
Дата введения:01.01.1990
Оглавление:ТП 904-1-78.87 Обложка
ТП 904-1-78.87 Титульный лист
ТП 904-1-78.87 Содержание
ТП 904-1-78.87-ТХ-1-2 Общие данные
ТП 904-1-78.87-ТХ.ОП3 Опросный лист на установку осушки воздуха ОВМ-15
ТП 904-1-78.87-ТХ-3 План расположения оборудования
ТП 904-1-78.87-ТХ-4 Разрезы 1-1,2-2
ТП 904-1-78.87-ТХ-5 Схема комбинированная принципиальная компрессорного агрегата
ТП 904-1-78.87-ТХ-6 Схема комбинированная принципиальная установки осушки
ТП 904-1-78.87-ТХ-7 Схема комбинированная принципиальная компрессора ВУ-0.6/8 и устройства очистки
ТП 904-1-78.87-ТХ-8 Схема комбинированная принципиальная станции
ТП 904-1-78.87-ТХ-9-10 Условные обозначения
ТП 904-1-78.87-ТХ-11 Разводка трубопроводов. План
ТП 904-1-78.87-ТХ-12 Разводка трубопроводов. План. Разрезы
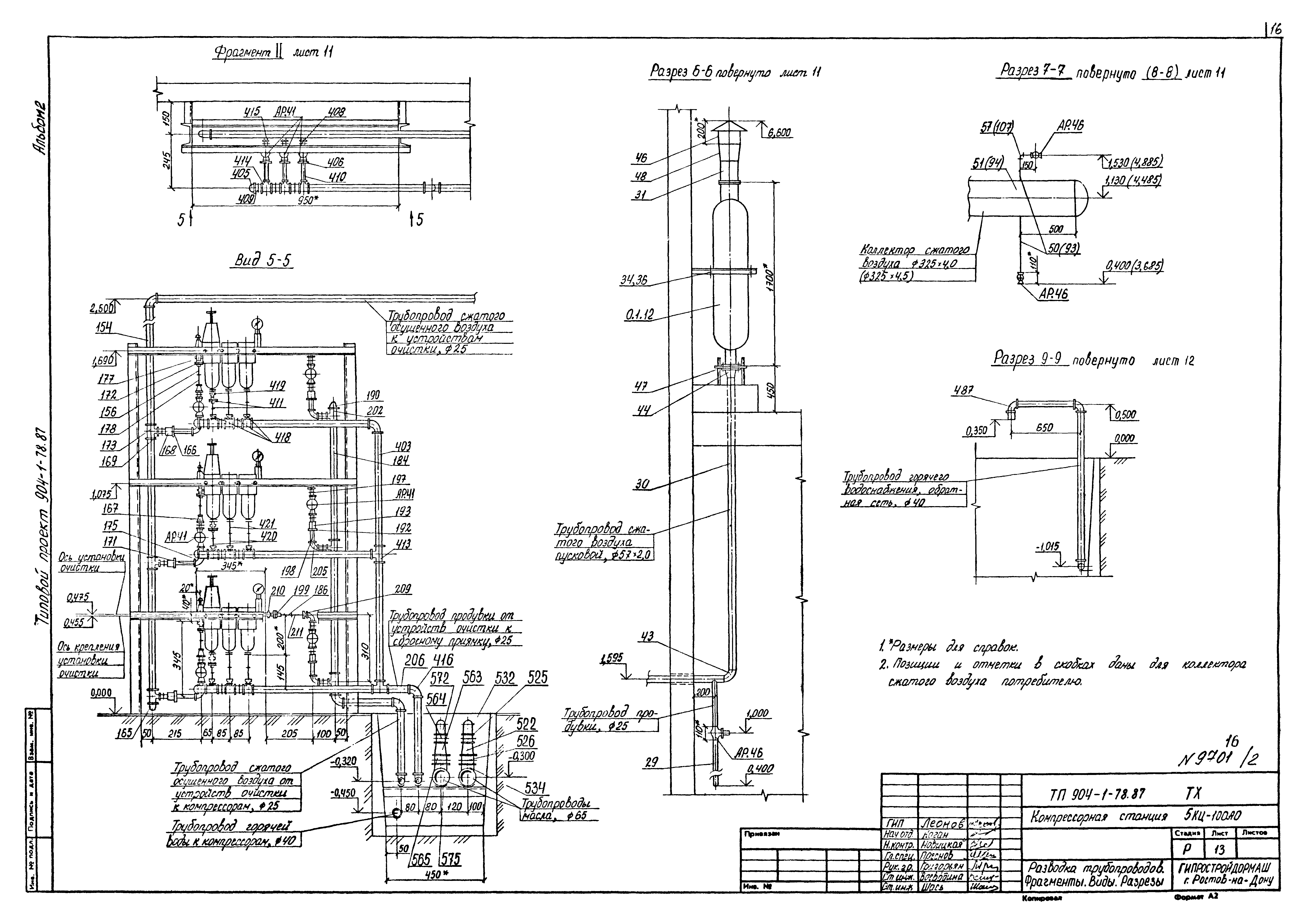
ТП 904-1-78.87-ТХ-13-14 Разводка трубопроводов. Фрагменты. Виды. Разрезы
ТП 904-1-78.87-ТХ-15-17 Разводка трубопроводов. Компрессорный агрегат
ТП 904-1-78.87-ТХ-18 Разводка трубопроводов. Установка осушки воздуха
ТП 904-1-78.87-ТХ-19 Разводка трубопроводов. Компрессор ВУ-0.6/8
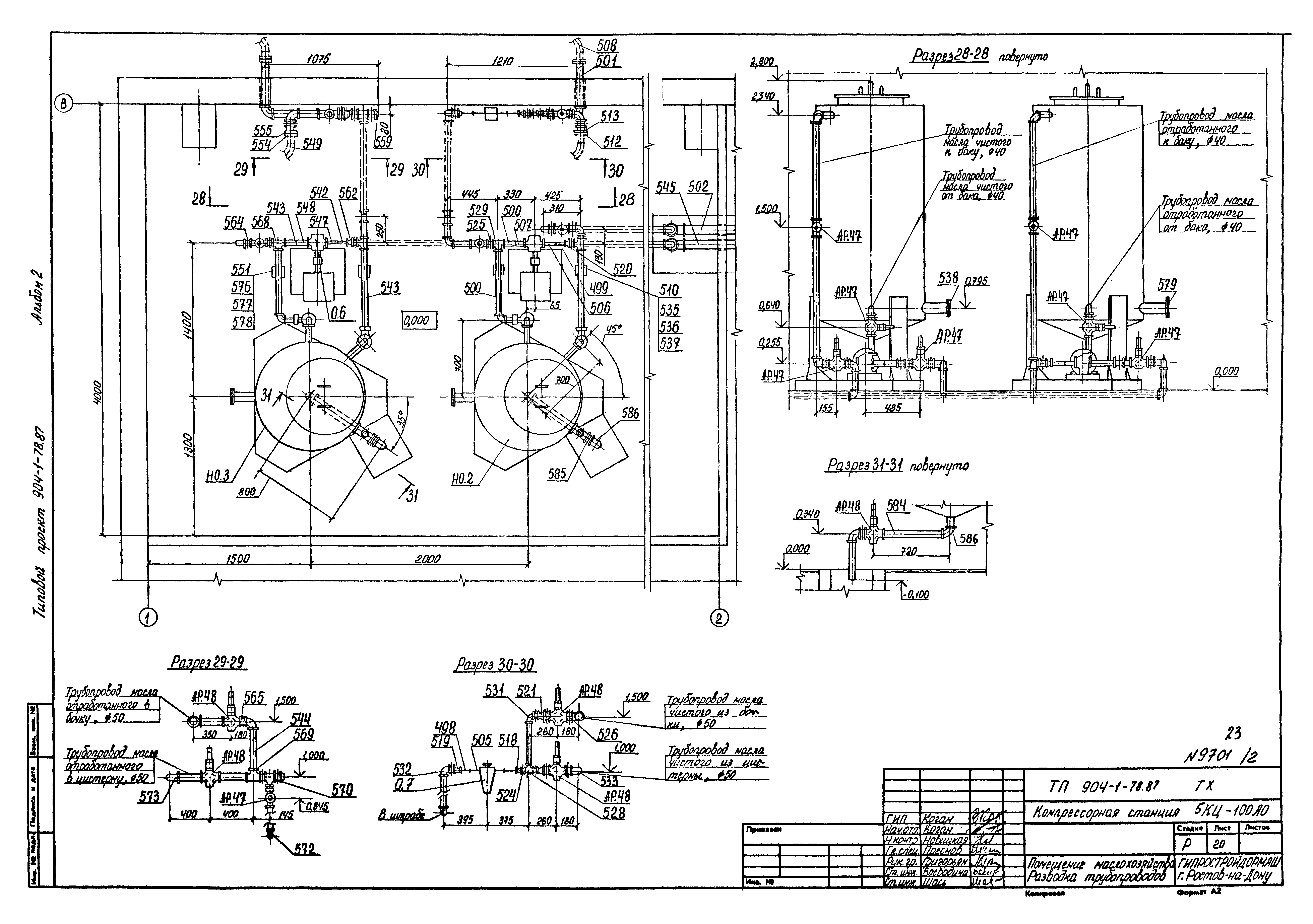
ТП 904-1-78.87-ТХ-20 Разводка трубопроводов. Помещение маслохозяйства
ТП 904-1-78.87-ТХ-21-33 Спецификация оборудования, арматуры и монтажных материалов трубопроводов
ТП 904-1-78.87-ТХ-34-35 Ведомость теплоизоляционных конструкций
ТП 904-1-78.87-ТХ-36 Размещение отборных устройств КИП
ТП 904-1-78.87-ОК.00.000 Опорная конструкция ОК.00.000
ТП 904-1-78.87-ТХ.ОП2 Опросный лист на компрессор 32ВЦ-100/9
ТП 904-1-78.87-ТХ.ОП1 Опросный лист на кран
ТП 904-1-78.87-ТУ-1,-2,-3,-4,-5,-9 Опора ТУ-1,-2,-3,-4,-5,-9
ТП 904-1-78.87-ТУ-6 Подставка ТУ-6
ТП 904-1-78.87-ТУ-7,-8 Сливная воронка ТУ-7,-8
ТП 904-1-78.87-ТД-16 Патрубок ТД-16
ТП 904-1-78.87-ТД-17 Патрубок ТД-17
ТП 904-1-78.87-ТД-18 Переход ТД-18
ТП 904-1-78.87-ТД-19 Пластина ТД-19
ТП 904-1-78.87-ТД-20 Заглушка фланцевая ТД-20
ТП 904-1-78.87 ГШВ.100.00.00.000 Глушитель шума всасывания ГШВ.100.00.00.000
ТП 904-1-78.87 ГШВ.100.00.00.000 СБ Глушитель шума всасывания. Сборочный чертеж ГШВ.100.00.00.000 СБ
ТП 904-1-78.87 ГШВ.100.00.00.000 ТУ Глушитель шума всасывания. Технические условия ГШВ.100.00.00.000 ТУ
ТП 904-1-78.87 ГШВ.100.01.01.003 Перекладина ГШВ.100.01.01.003
ТП 904-1-78.87 ГШВ.100.01.02.000 Мат звукоизолирующий ГШВ.100.01.02.000
ТП 904-1-78.87 ГШВ.100.01.02.000 СБМат звукоизолирующий. Сборочный чертеж ГШВ.100.01.02.000 СБ
ТП 904-1-78.87 ГШВ.100.01.00.000 Кассета звукопоглощающая ГШВ.100.01.00.000
ТП 904-1-78.87 ГШВ.100.01.00.000 СБКассета звукопоглощающая. Сборочный чертеж ГШВ.100.01.00.000 СБ
ТП 904-1-78.87 ГШВ.100.01.01.000 Каркас ГШВ.100.01.01.000
ТП 904-1-78.87 ГШВ.100.01.01.000 СБ Каркас. Сборочный чертеж ГШВ.100.01.01.000 СБ
ТП 904-1-78.87 ГШВ.100.01.00.001 Лист перфорированный ГШВ.100.01.00.001
ТП 904-1-78.87 ГШВ.100.01.01.002 Перекладина ГШВ.100.01.01.002
ТП 904-1-78.87 ГШВ.100.02.00.000 Кассета звукопоглощающая ГШВ.100.02.00.000
ТП 904-1-78.87 ГШВ.100.02.00.000 СБ Кассета звукопоглощающая. Сборочный чертеж ГШВ.100.02.00.000 СБ
ТП 904-1-78.87 ГШВ.100.02.01.000 Каркас ГШВ.100.02.01.000
ТП 904-1-78.87 ГШВ.100.02.01.000 СБ Каркас. Сборочный чертеж ГШВ.100.02.01.000 СБ
ТП 904-1-78.87 ГШВ.100.03.00.000 Кассета звукопоглощающая ГШВ.100.03.00.000
ТП 904-1-78.87 ГШВ.100.03.00.000 СБ Кассета звукопоглощающая. Сборочный чертеж ГШВ.100.03.00.000 СБ
ТП 904-1-78.87 ГШВ.100.03.01.000 Каркас ГШВ.100.03.01.000
ТП 904-1-78.87 ГШВ.100.03.01.000 СБ Каркас. Сборочный чертеж ГШВ.100.03.01.000 СБ
ТП 904-1-78.87 МБ.00.000.ТО Бак для масла. Техническое описание МБ.00.000.ТО
ТП 904-1-78.87 МБ.00.000 СБ Бак для масла. Сборочный чертеж МБ.00.000 СБ
ТП 904-1-78.87 МБ.00.000 Бак для масла МБ.00.000
ТП 904-1-78.87 МБ.00.001 Штуцер МБ.00.001
ТП 904-1-78.87 МБ.00.002 Втулка МБ.00.002
ТП 904-1-78.87 МБ.01.000 Корпус МБ.01.000
ТП 904-1-78.87 МБ.01.000 СБ Корпус. Сборочный чертеж МБ.01.000 СБ
ТП 904-1-78.87 МБ.01.001 Обечайка МБ.01.001
ТП 904-1-78.87 МБ.01.002 Крышка нижняя МБ.01.002
ТП 904-1-78.87 МБ.01.003 Скоба МБ.01.003
ТП 904-1-78.87 ГШВ.100.00.00.000. ИТ Глушитель шума всасывания. Исходные требования ГШВ.100.00.00.000. ИТ
ТП 904-1-78.87 МБ.02.000 Крышка МБ.02.000
ТП 904-1-78.87 МБ.02.000 СБ Крышка. Сборочный чертеж МБ.02.000 СБ
ТП 904-1-78.87 МБ.02.001 Крышка верхняя МБ.02.001
ТП 904-1-78.87 МБ.02.002 Трубка дыхательная МБ.02.002
ТП 904-1-78.87 МБ.03.000 Днище МБ.03.000
ТП 904-1-78.87 МБ.03.000 СБ Днище. Сборочный чертеж МБ.03.000 СБ
ТП 904-1-78.87 МБ.03.001 Обечайка МБ.03.001
ТП 904-1-78.87 МБ.00.000. ИТ Бак для масла. Исходные требования МБ.00.000. ИТ
ТП 904-1-78.87 МБ.04.000 Опора МБ.04.000
ТП 904-1-78.87 МБ.04.000 СБ Опора. Сборочный чертеж МБ.04.000 СБ
ТП 904-1-78.87 МБ.04.001 Косынка МБ.04.001
ТП 904-1-78.87 МБ.04.002 Пластина МБ.04.002
Разработан: Гипростройдормаш
Утверждён:11.09.1987 Минстройдормаш (Minstroydormash 518)
Расположен в:Техническая документация Строительство Справочные документы Типовые строительные конструкции, изделия и узлы Общероссийский строительный каталог Промышленные предприятия, здания и сооружения Здания и сооружения санитарно-технические Воздухоснабжение, вентиляция и кондиционирование воздуха Воздухоснабжение
Типовой проект 904-1-78.87Типовой проект 904-1-78.87Типовой проект 904-1-78.87Типовой проект 904-1-78.87Типовой проект 904-1-78.87Типовой проект 904-1-78.87Типовой проект 904-1-78.87Типовой проект 904-1-78.87Типовой проект 904-1-78.87Типовой проект 904-1-78.87Типовой проект 904-1-78.87Типовой проект 904-1-78.87Типовой проект 904-1-78.87Типовой проект 904-1-78.87Типовой проект 904-1-78.87Типовой проект 904-1-78.87Типовой проект 904-1-78.87Типовой проект 904-1-78.87Типовой проект 904-1-78.87Типовой проект 904-1-78.87Типовой проект 904-1-78.87Типовой проект 904-1-78.87Типовой проект 904-1-78.87Типовой проект 904-1-78.87Типовой проект 904-1-78.87Типовой проект 904-1-78.87Типовой проект 904-1-78.87Типовой проект 904-1-78.87Типовой проект 904-1-78.87Типовой проект 904-1-78.87Типовой проект 904-1-78.87Типовой проект 904-1-78.87Типовой проект 904-1-78.87Типовой проект 904-1-78.87Типовой проект 904-1-78.87Типовой проект 904-1-78.87Типовой проект 904-1-78.87Типовой проект 904-1-78.87Типовой проект 904-1-78.87Типовой проект 904-1-78.87Типовой проект 904-1-78.87Типовой проект 904-1-78.87Типовой проект 904-1-78.87Типовой проект 904-1-78.87Типовой проект 904-1-78.87Типовой проект 904-1-78.87Типовой проект 904-1-78.87Типовой проект 904-1-78.87Типовой проект 904-1-78.87Типовой проект 904-1-78.87Типовой проект 904-1-78.87Типовой проект 904-1-78.87Типовой проект 904-1-78.87Типовой проект 904-1-78.87Типовой проект 904-1-78.87Типовой проект 904-1-78.87Типовой проект 904-1-78.87Типовой проект 904-1-78.87Типовой проект 904-1-78.87Типовой проект 904-1-78.87Типовой проект 904-1-78.87Типовой проект 904-1-78.87Типовой проект 904-1-78.87Типовой проект 904-1-78.87Типовой проект 904-1-78.87Типовой проект 904-1-78.87

© 2013 Ёшкин Кот :-) Карта сайта