Информационная система
«Ёшкин Кот»

Скачать базу одним архивом
Скачать обновления
История создания базы
Карта сайта

Скачать Типовой проект 902-2-410.86 Альбом III. Часть II. Нестандартизированное оборудование (из ТП 902-2-409.86)

Дата актуализации: 10.08.2017

Типовой проект 902-2-410.86

Альбом III. Часть II. Нестандартизированное оборудование (из ТП 902-2-409.86)

Обозначение: Типовой проект 902-2-410.86
Обозначение англ: 902-2-410.86
Статус:не определен законодательством
Название рус.:Альбом III. Часть II. Нестандартизированное оборудование (из ТП 902-2-409.86)
Дата добавления в базу:01.09.2013
Дата актуализации:05.05.2017
Дата введения:01.08.1986
Оглавление:Часть 2
ТП-902-2-409.86 9Б.108.00.210 СБ Вилка
ТП-902-2-409.86 9Б.108.00.210 Вилка. Спецификация
ТП-902-2-409.86 9Б.108.00.211 Серьга
ТП-902-2-409.86 9Б.108.00.201 Балка
ТП-902-2-409.86 9Б.108.00.300 Траверса. Спецификация
ТП-902-2-409.86 9Б.108.00.300 СБ Траверса
ТП-902-2-409.86 9Б.108.00.301 Тяга
ТП-902-2-409.86 9Б.108.00.302 Коромысло
ТП-902-2-409.86 9Б.108.00.400 Палец. Спецификация
ТП-902-2-409.86 9Б.108.00.400 СБ Палец
ТП-902-2-409.86 9Б.108.00.401 Палец
ТП-902-2-409.86 9Б.108.00.402 Вставка
ТП-902-2-409.86 9Б.108.00.001 Каток
ТП-902-2-409.86 9Б.108.00.002 Ось
ТП-902-2-409.86 9Б.108.00.003 Ось
ТП-902-2-409.86 9Б.108.00.004 Заглушка
ТП-902-2-409.86 4И.558.00.000 Лоток распределительный. Спецификация
ТП-902-2-409.86 4И.558.00.100 Корпус. Спецификация
ТП-902-2-409.86 4И.558.00.000 СБ Лоток распределительный
ТП-902-2-409.86 4И.558.00.100 СБ Корпус
ТП-902-2-409.86 4И.558.00.101 Труба
ТП-902-2-409.86 4И.558.00.102 Патрубок
ТП-902-2-409.86 4И.558.00.103 Патрубок
ТП-902-2-409.86 9Б.109.00.000 СБ Бункер для осадка
ТП-902-2-409.86 9Б.109.00.000 Бункер для осадка. Спецификация
ТП-902-2-409.86 9Б.109.01.000 СБ Бункер
ТП-902-2-409.86 9Б.109.01.000 Бункер. Спецификация
ТП-902-2-409.86 9Б.109.01.001 Балка
ТП-902-2-409.86 9Б.109.01.002 Днище
ТП-902-2-409.86 9Б.109.01.003 Плита
ТП-902-2-409.86 9Б.109.01.004 Угольник
ТП-902-2-409.86 9Б.109.01.004-01 Угольник
ТП-902-2-409.86 9Б.109.01.005 Ребро
ТП-902-2-409.86 9Б.109.01.006 Ребро
ТП-902-2-409.86 9Б.109.01.007 Ребро
ТП-902-2-409.86 9Б.109.01.007-01 Ребро
ТП-902-2-409.86 9Б.109.01.008 Ребро
ТП-902-2-409.86 9Б.109.01.009 Стенка
ТП-902-2-409.86 9Б.109.02.000 Затвор секторный. Спецификация
ТП-902-2-409.86 9Б.109.02.000 СБ Затвор секторный
ТП-902-2-409.86 9Б.109.02.100 СБ Корпус
ТП-902-2-409.86 9Б.109.02.100 Корпус. Спецификация
ТП-902-2-409.86 9Б.109.02.101 Обойма
ТП-902-2-409.86 9Б.109.02.102 Бобышка
ТП-902-2-409.86 9Б.109.02.103 Стенка
ТП-902-2-409.86 9Б.109.02.200 СБ Сектор
ТП-902-2-409.86 9Б.109.02.200 Сектор. Спецификация
ТП-902-2-409.86 9Б.109.02.201 Щека
ТП-902-2-409.86 9Б.109.02.202 Щека
ТП-902-2-409.86 9Б.109.02.203 Дно
ТП-902-2-409.86 9Б.109.02.001 Груз
ТП-902-2-409.86 9Б.109.02.002 Палец
ТП-902-2-409.86 9Б.109.02.003 Пластина
ТП-902-2-409.86 9Б.109.02.004 Пластина
ТП-902-2-409.86 9Б.109.02.005 Прокладка
ТП-902-2-409.86 9Б.109.02.006 Прокладка
ТП-902-2-409.86 9Б.109.02.007 Прокладка
ТП-902-2-409.86 9Б.109.02.008 Рычаг
ТП-902-2-409.86 4П.404.00.000 СБ Колонка для управления задвижкой Ду200
ТП-902-2-409.86 4П.404.00.000 Колонка для управления задвижкой Ду200. Спецификация
ТП-902-2-409.86 4П.404.01.000 Колонка. Спецификация
ТП-902-2-409.86 4П.404.01.100 Корпус колонки. Спецификация
ТП-902-2-409.86 4П.404.01.000 СБ Колонка
ТП-902-2-409.86 4П.404.01.100 СБ Корпус колонки
ТП-902-2-409.86 4П.404.01.101 Стакан
ТП-902-2-409.86 4П.404.01.102 Заглушка
ТП-902-2-409.86 4П.404.01.103 Бобышка
ТП-902-2-409.86 4П.404.01.104 Труба
ТП-902-2-409.86 4П.404.01.105 Фланец
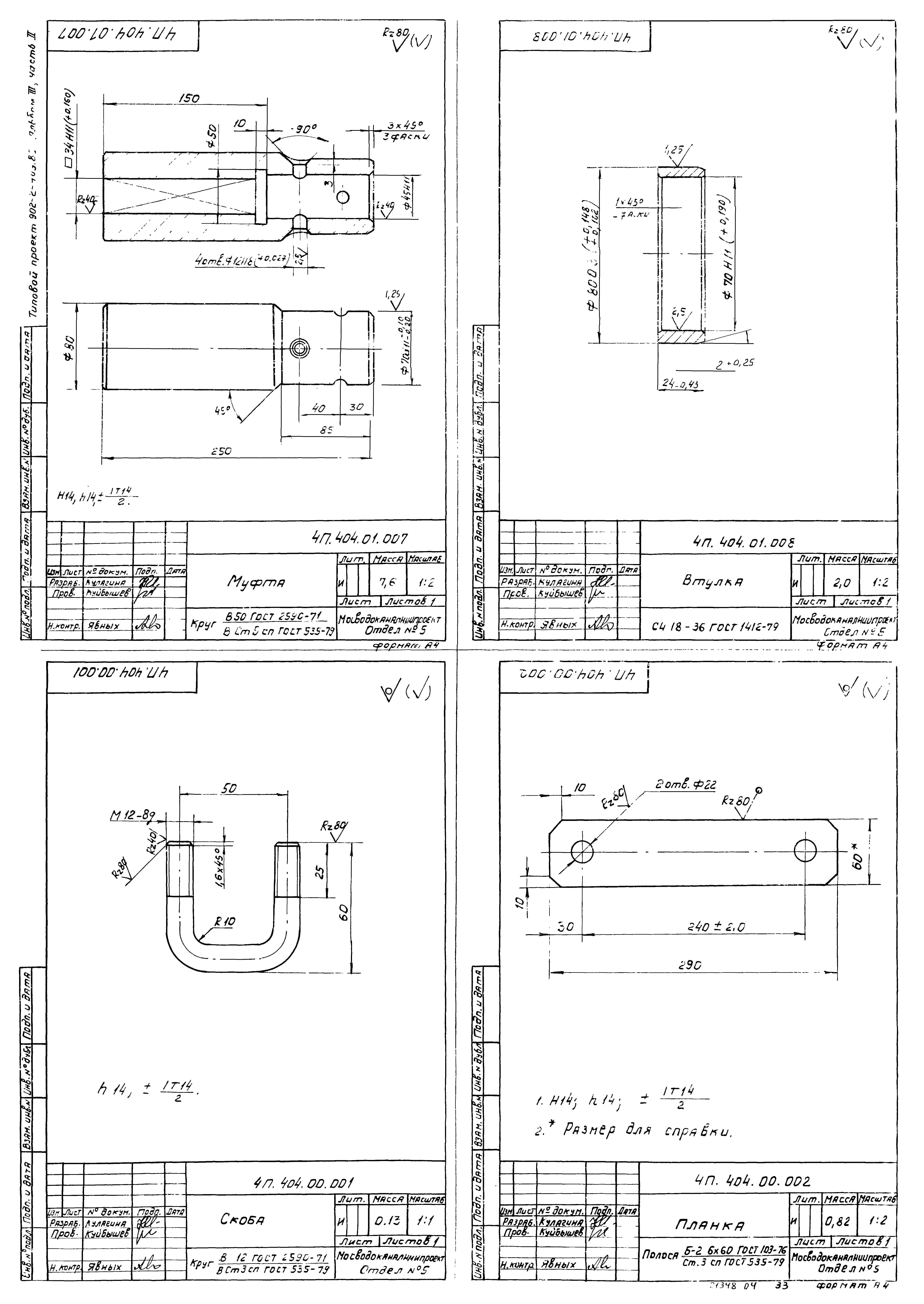
ТП-902-2-409.86 4П.404.02.000 Муфта. Спецификация
ТП-902-2-409.86 4П.404.02.000 СБ Муфта
ТП-902-2-409.86 4П.404.02.001 Фланец
ТП-902-2-409.86 4П.404.03.000 Штанга. Спецификация
ТП-902-2-409.86 4П.404.03.000 СБ Штанга
ТП-902-2-409.86 4П.404.03.001 Хвостовик
ТП-902-2-409.86 4П.404.03.002 Фланец
ТП-902-2-409.86 4П.404.03.003 Труба
ТП-902-2-409.86 4П.404.01.001 Втулка
ТП-902-2-409.86 4П.404.01.002 Шпиндель
ТП-902-2-409.86 4П.404.01.003 Указатель открытия
ТП-902-2-409.86 4П.404.01.004 Рамка указателя
ТП-902-2-409.86 4П.404.01.005 Стрелка
ТП-902-2-409.86 4П.404.01.006 Прокладка регулировочная
ТП-902-2-409.86 4П.404.01.007 Муфта
ТП-902-2-409.86 4П.404.01.008 Втулка
ТП-902-2-409.86 4П.404.00.001 Скоба
ТП-902-2-409.86 4П.404.00.002 Планка
ТП-902-2-409.86 9А.579.000 СБ Контейнер для мазута
ТП-902-2-409.86 9А.579.000 Контейнер для мазута. Спецификация
ТП-902-2-409.86 9А.579.100 Корпус. Спецификация
ТП-902-2-409.86 9А.579.100 СБ Корпус
ТП-902-2-409.86 9А.579.101 Обечайка
ТП-902-2-409.86 9А.579.102 Конус
ТП-902-2-409.86 9А.579.103 Патрубок
ТП-902-2-409.86 9А.579.104 Скоба
Разработан: МосводоканалНИИпроект
Утверждён:15.01.1986 Главстройпроект Госстроя СССР (АЧ-4)
Расположен в:Техническая документация Строительство Справочные документы Типовые строительные конструкции, изделия и узлы Общероссийский строительный каталог Промышленные предприятия, здания и сооружения Здания и сооружения санитарно-технические Канализация Сооружения для очистки производственных сточных вод Станции физико-химической очистки
Типовой проект 902-2-410.86Типовой проект 902-2-410.86Типовой проект 902-2-410.86Типовой проект 902-2-410.86Типовой проект 902-2-410.86Типовой проект 902-2-410.86Типовой проект 902-2-410.86Типовой проект 902-2-410.86Типовой проект 902-2-410.86Типовой проект 902-2-410.86Типовой проект 902-2-410.86Типовой проект 902-2-410.86Типовой проект 902-2-410.86Типовой проект 902-2-410.86Типовой проект 902-2-410.86Типовой проект 902-2-410.86Типовой проект 902-2-410.86Типовой проект 902-2-410.86Типовой проект 902-2-410.86Типовой проект 902-2-410.86Типовой проект 902-2-410.86Типовой проект 902-2-410.86Типовой проект 902-2-410.86Типовой проект 902-2-410.86Типовой проект 902-2-410.86Типовой проект 902-2-410.86Типовой проект 902-2-410.86Типовой проект 902-2-410.86Типовой проект 902-2-410.86Типовой проект 902-2-410.86Типовой проект 902-2-410.86Типовой проект 902-2-410.86Типовой проект 902-2-410.86Типовой проект 902-2-410.86Типовой проект 902-2-410.86Типовой проект 902-2-410.86Типовой проект 902-2-410.86

© 2013 Ёшкин Кот :-) Карта сайта