Скачать Типовые материалы для проектирования 904-02-31.87 Альбом XIII. Кондиционер с рециркуляцией, воздухонагревателем первого подогрева, оснащаемым циркуляционным насосом, и с тремя доводчиками. Электрическая система регулированияДата актуализации: 10.08.2017 Типовые материалы для проектирования 904-02-31.87
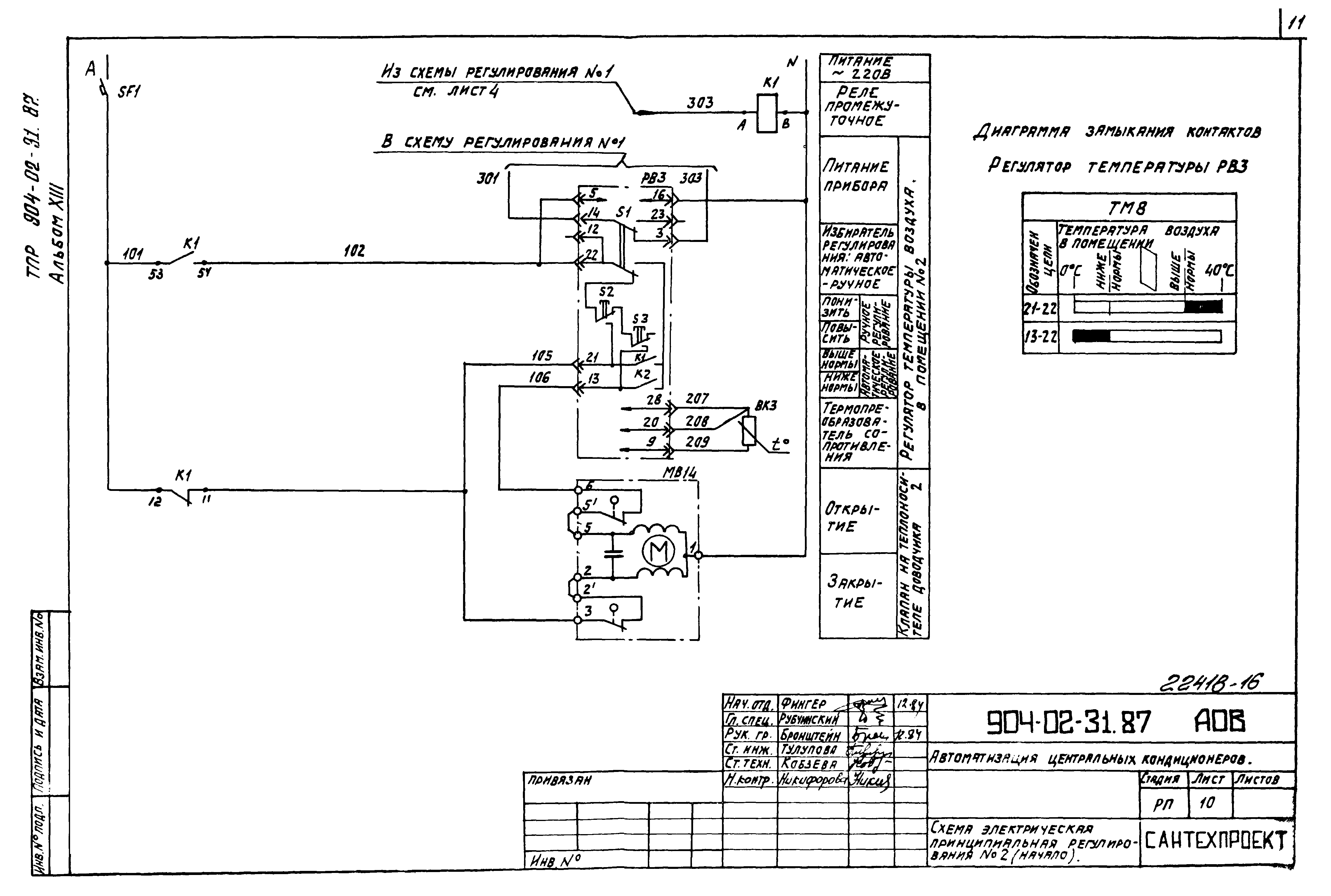
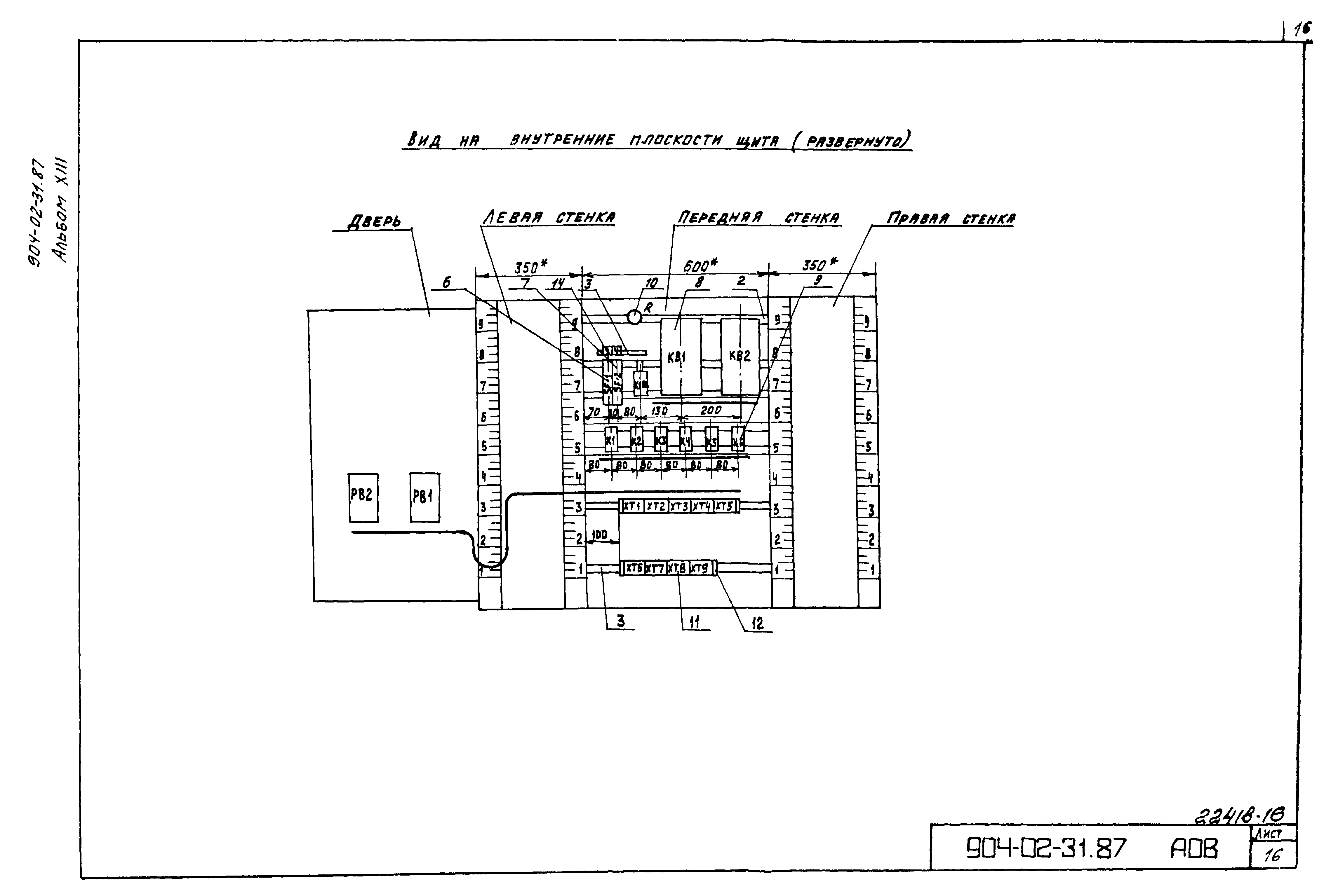
Альбом XIII. Кондиционер с рециркуляцией, воздухонагревателем первого подогрева, оснащаемым циркуляционным насосом, и с тремя доводчиками. Электрическая система регулированияОбозначение: | Типовые материалы для проектирования 904-02-31.87 | Обозначение англ: | 904-02-31.87 | Статус: | cправочные материалы, мп, тпр | Название рус.: | Альбом XIII. Кондиционер с рециркуляцией, воздухонагревателем первого подогрева, оснащаемым циркуляционным насосом, и с тремя доводчиками. Электрическая система регулирования | Дата добавления в базу: | 01.09.2013 | Дата актуализации: | 05.05.2017 | Дата введения: | 12.06.1986 | Оглавление: | ТП 904-02-31.87-АОВ-1 Общие данные ТП 904-02-31.87-АОВ-2,3 Схема автоматизации ТП 904-02-31.87-АОВ-4-9 Схема электрическая принципиальная регулирования № 1 ТП 904-02-31.87-АОВ-10-12 Схема электрическая принципиальная регулирования № 2 ТП 904-02-31.87-АОВ-13-17 Щит Щ5Р1-1Д. Общий вид ТП 904-02-31.87-АОВ-18-24 Щит Щ5Р1-1Д. Таблица соединений ТП 904-02-31.87-АОВ-25-28 Щит Щ5Р1-1Д. Таблица подключения ТП 904-02-31.87-АОВ-29-33 Щит Щ5-2Д. Общий вид ТП 904-02-31.87-АОВ-34-37 Щит Щ5-2Д. Таблица соединений ТП 904-02-31.87-АОВ-38-40 Щит Щ5-2Д. Таблица подключения ТП 904-02-31.87-АОВ-41 Схема подключения №1 ТП 904-02-31.87-АОВ-42 Схема подключения №2 | Разработан: | Сантехниипроект Госстроя России
| Утверждён: | 12.06.1986 Главстройпроект Госстроя СССР (32)
| Расположен в: |
|
                               
|