Информационная система
«Ёшкин Кот»

Скачать базу одним архивом
Скачать обновления
История создания базы
Карта сайта

Скачать Типовой проект 902-1-110.87 Альбом VI. Силовое электрооборудование. Технологический контроль (из ТП 902-1-107.87)

Дата актуализации: 10.08.2017

Типовой проект 902-1-110.87

Альбом VI. Силовое электрооборудование. Технологический контроль (из ТП 902-1-107.87)

Обозначение: Типовой проект 902-1-110.87
Обозначение англ: 902-1-110.87
Статус:не определен законодательством
Название рус.:Альбом VI. Силовое электрооборудование. Технологический контроль (из ТП 902-1-107.87)
Дата добавления в базу:01.09.2013
Дата актуализации:05.05.2017
Дата введения:18.08.1987
Оглавление:ТП 902-1-110.87 Содержание альбома
ТП 902-1-110.87-ЭМ Основной комплект марки ЭМ
ТП 902-1-110.87-ЭМ-1 Общие данные
ТП 902-1-110.87-ЭМ-2 Схема электрическая принципиальная однолинейная распределительной сети 380/220 (с двумя вводами)
ТП 902-1-110.87-ЭМ-3-4 Схемы электрические принципиальные однолинейная распределительной сети ~380/220 и учета электроэнергии (с одним вводом)
ТП 902-1-110.87-ЭМ-5 Схемы электрические принципиальные переключения 3 секции, АВР оперативного тока и учета электроэнергии ( с двумя вводами)
ТП 902-1-110.87-ЭМ-6 Схема электрическая принципиальная управления насосами перекачки стоков
ТП 902-1-110.87-ЭМ-7 Схема электрическая принципиальная управления задвижкой на подводящем коллекторе
ТП 902-1-110.87-ЭМ-8 Схема электрическая принципиальная управления насосом гидроуплотнения и дренажным насосом
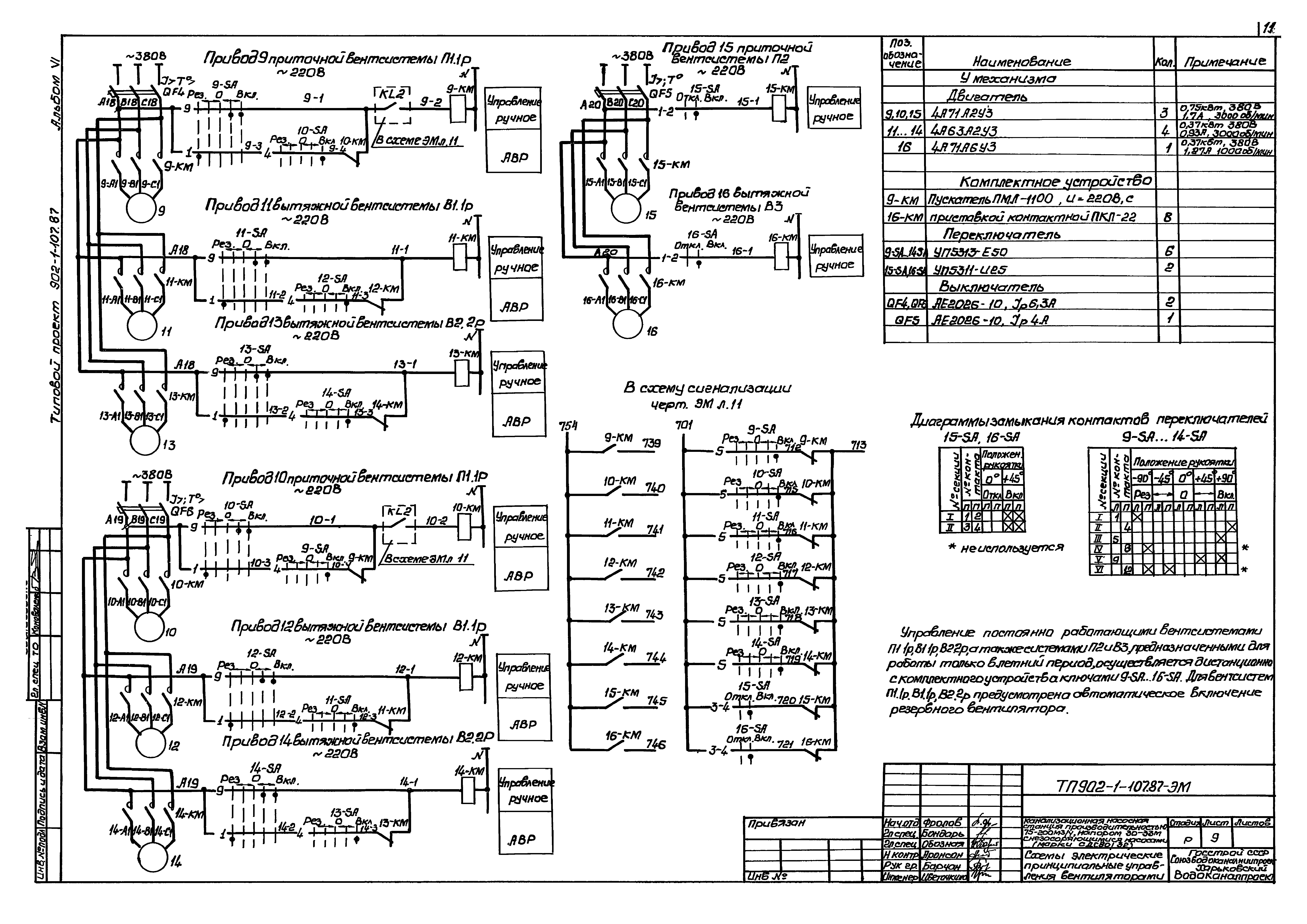
ТП 902-1-110.87-ЭМ-9 Схемы электрические принципиальные управления вентиляторами
ТП 902-1-110.87-ЭМ-10 Схема электрическая принципиальная контроля уровней
ТП 902-1-110.87-ЭМ-11 Схема электрическая принципиальная сигнализации
ТП 902-1-110.87-ЭМ-12 Схема подключения электрооборудования
ТП 902-1-110.87-ЭМ-13 Схема подключения комплектного устройства
ТП 902-1-110.87-ЭМ-14 Кабельный журнал
ТП 902-1-110.87-ЭМ-15 План расположения электрооборудования. Прокладка кабелей. Зануление
ТП 902-1-110.87-ЭМ-16 Электроосвещение
ТП 902-1-110.87-ЭМИ Задание МЭЗ марки ЭМИ
ТП 902-1-110.87-АТХ Основной комплект марки АТХ
ТП 902-1-110.87-АТХ-1 Общие данные. Ведомости
ТП 902-1-110.87-АТХ-2 Схема автоматизации
ТП 902-1-110.87-АТХ-3-4 Схема соединений внешних проводок. План расположения
ТП 902-1-110.87-АТХ-5 Статив датчиков ст. 1. Монтажный чертеж
ТП 902-1-110.87-АТХ-6 Статив датчиков ст. 2. Монтажный чертеж
ТП 902-1-110.87-АТХ-7 Кронштейн. Монтажный чертеж
ТП 902-1-110.87-АТХ-8 Стойка. Монтажный чертеж
Разработан: Харьковский Водоканалпроект
Утверждён:12.06.1987 Госстрой СССР (Государственный комитет Совета Министров СССР по делам строительства) (USSR Gosstroy АЧ-60)
Расположен в:Техническая документация Строительство Справочные документы Типовые строительные конструкции, изделия и узлы Общероссийский строительный каталог Промышленные предприятия, здания и сооружения Здания и сооружения санитарно-технические Канализация Станции насосные Станции насосные для перекачки бытовых сточных вод
Типовой проект 902-1-110.87Типовой проект 902-1-110.87Типовой проект 902-1-110.87Типовой проект 902-1-110.87Типовой проект 902-1-110.87Типовой проект 902-1-110.87Типовой проект 902-1-110.87Типовой проект 902-1-110.87Типовой проект 902-1-110.87Типовой проект 902-1-110.87Типовой проект 902-1-110.87Типовой проект 902-1-110.87Типовой проект 902-1-110.87Типовой проект 902-1-110.87Типовой проект 902-1-110.87Типовой проект 902-1-110.87Типовой проект 902-1-110.87Типовой проект 902-1-110.87Типовой проект 902-1-110.87Типовой проект 902-1-110.87Типовой проект 902-1-110.87Типовой проект 902-1-110.87Типовой проект 902-1-110.87Типовой проект 902-1-110.87Типовой проект 902-1-110.87Типовой проект 902-1-110.87Типовой проект 902-1-110.87Типовой проект 902-1-110.87Типовой проект 902-1-110.87Типовой проект 902-1-110.87

© 2013 Ёшкин Кот :-) Карта сайта