Информационная система
«Ёшкин Кот»

Скачать базу одним архивом
Скачать обновления
История создания базы
Карта сайта

Скачать Типовой проект 704-1-157 Альбом I. Сооружение склада. Чертежи

Дата актуализации: 10.08.2017

Типовой проект 704-1-157

Альбом I. Сооружение склада. Чертежи

Обозначение: Типовой проект 704-1-157
Обозначение англ: 704-1-157
Статус:действует
Название рус.:Альбом I. Сооружение склада. Чертежи
Дата добавления в базу:01.09.2013
Дата актуализации:05.05.2017
Оглавление:ТП 704-1-157 Титульный лист
ТП 704-1-157 Содержание альбома
ТП 704-1-157 Пояснительная записка
ТП 704-1-157-ГП-1 Нормативный генеральный план
ТП 704-1-157-ГП-2 Конструкции дорожных одежд. Разрезы обвалования, бетонного лотка. Объемы работ
ТП 704-1-157-ТХ Технологическая часть
ТП 704-1-157-ТХ-1 Заглавный лист
ТП 704-1-157-ТХ-2 Принципиальная схема разводки трубопроводов
ТП 704-1-157-ТХ-3 Техплан
ТП 704-1-157-ТХ-4 Наружные трубопроводы. Разрезы 1-1,2-2,7-7,8-8
ТП 704-1-157-ТХ-5 Наружные трубопроводы. Разрезы 3-3,4-4,5-5
ТП 704-1-157-ТХ-6 Наружные трубопроводы. Разрезы 6-6,9-9,10-10,11-11
ТП 704-1-157-ТХ-7 Монтажная схема трубопроводов и арматуры в колодце № 1. План
ТП 704-1-157-ТХ-8 Монтажная схема трубопроводов и арматуры в колодце № 1. Разрезы и спецификация
ТП 704-1-157-ТХ-9 Монтажная схема трубопроводов и арматуры в колодце № 2
ТП 704-1-157-ТХ-10 Сливной стояк Ду100
ТП 704-1-157-ТХ-11 Монтажная схема трубопроводов и арматуры в колодце № 3
ТП 704-1-157-КС Строительная часть
ТП 704-1-157-КС-1 Заглавный лист
ТП 704-1-157-КС-2 Маркировочные планы фундаментов. Лист 1
ТП 704-1-157-КС-3 Маркировочные планы фундаментов. Лист 2
ТП 704-1-157-КС-4 Фундаменты Ф1;ФМ1-ФМ8. Опалубка
ТП 704-1-157-КС-5 Колодец К-1. Опалубка и армирование
ТП 704-1-157-КС-6 Отстойник-маслоуловитель
ТП 704-1-157-КС-7 Очистные сооружения дождевых вод. План. Разрез 1-1
ТП 704-1-157-КС-8 Очистные сооружения дождевых вод. Разрез 2-2. План покрытия. Щелевая перегородка
ТП 704-1-157-КС-9 Фундамент разгрузочной эстакады
ТП 704-1-157-КС-10 Закладные элементы МН1-МН8,С-1,Щ-1,Щ-2,Щ-3. Рамы для фильтра
ТП 704-1-157-КС-11 Лестницы через обвалование
ТП 704-1-157-КС-12 Монорельс. Узлы. Детали
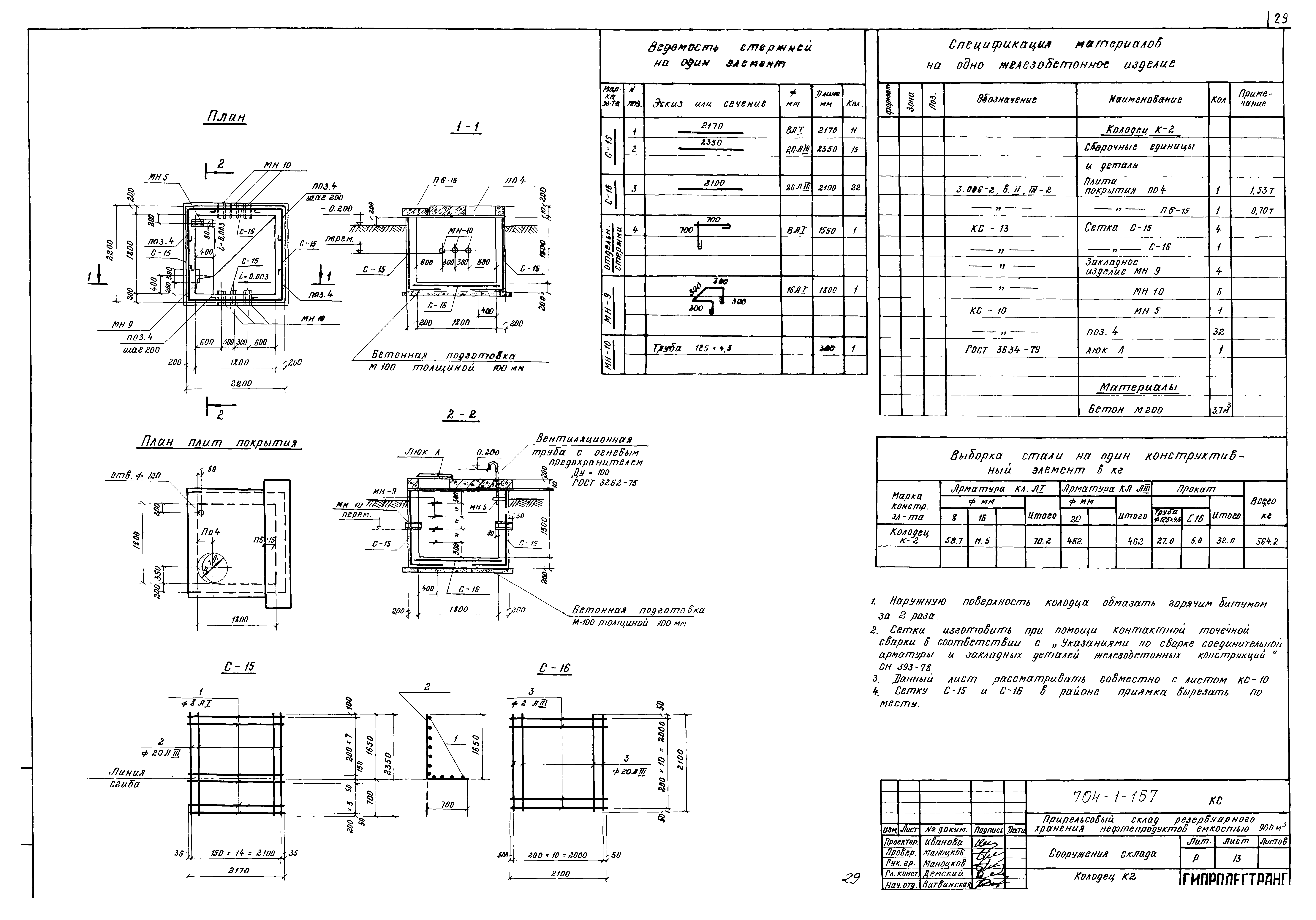
ТП 704-1-157-КС-13 Колодец К-2. Опалубка и армирование
ТП 704-1-157-НВК Водопровод и канализация
ТП 704-1-157-НВК-1 Заглавный лист
ТП 704-1-157-НВК-2 План с сетями и сооружениями водопровода и канализации
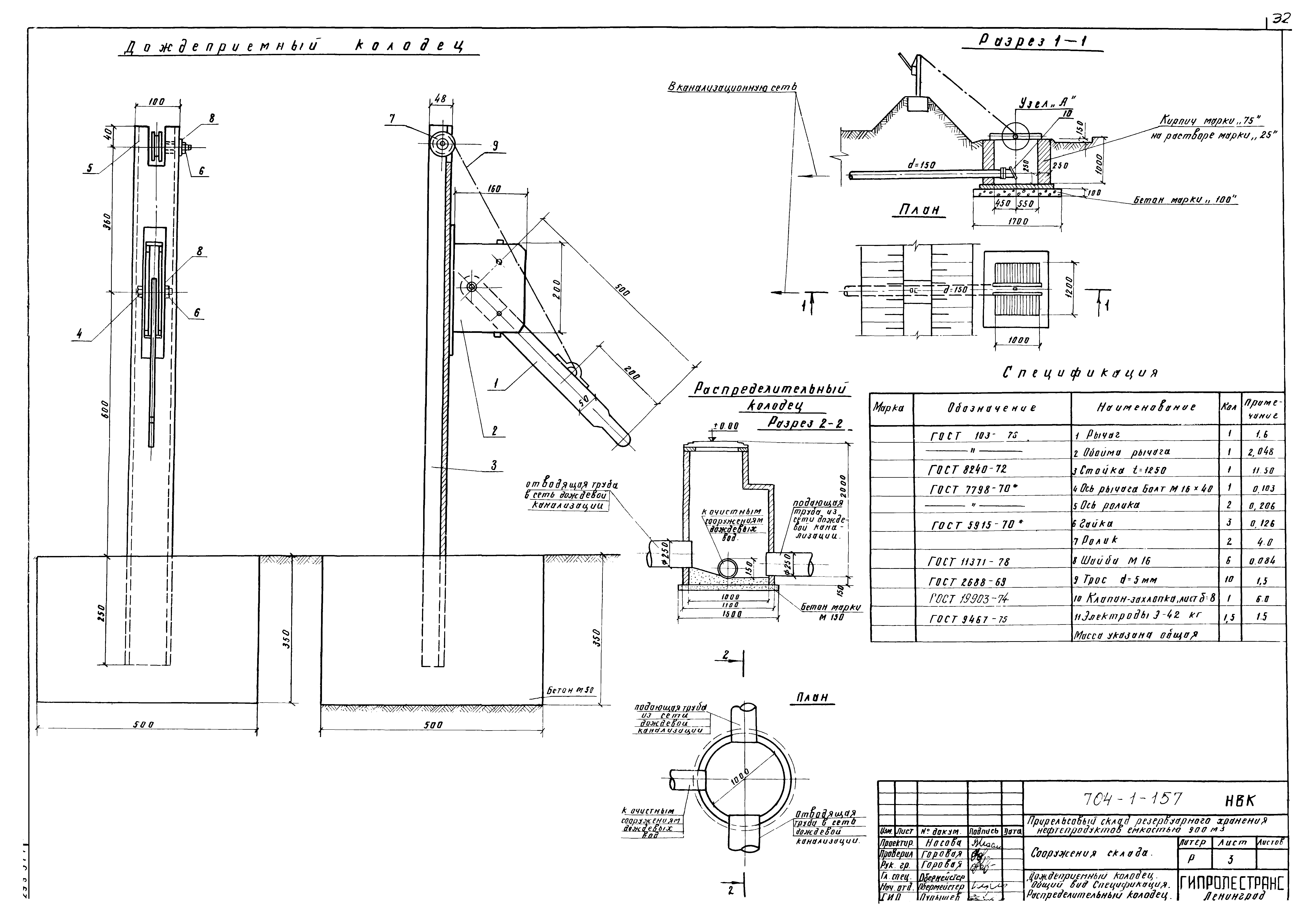
ТП 704-1-157-НВК-3 Дождеприемный колодец. Общий вид. Спецификация. Распределительный колодец
ТП 704-1-157-НВК-4 Дождеприемный колодец. Детали
ТП 704-1-157-НВК-5 Очистные сооружения дождевых вод. План, разрез, спецификация М1:50
ТП 704-1-157-ТС Теплосети
ТП 704-1-157-ТС-1 Заглавный лист (начало)
ТП 704-1-157-ТС-2 Заглавный лист (продолжение)
ТП 704-1-157-ТС-3 Заглавный лист (окончание)
ТП 704-1-157-ТС-4 План трассы и строительных сооружений, монтажная схема теплопроводов
ТП 704-1-157-ТС-5 Расположение труб и арматуры в узлах УТ-1,УТ-3,УТ-4
ТП 704-1-157-ТС-6 Расположение труб в канале
ТП 704-1-157-Э Электротехническая часть
ТП 704-1-157-Э-1 Заглавный лист (начало)
ТП 704-1-157-Э-2 Заглавный лист (окончание)
ТП 704-1-157-Э-3 1Щ,2Ш,3Ш. Принципиальная однолинейная схема
ТП 704-1-157-Э-4 Управление электродвигателями топливораздаточных колонок и насосов. Принципиальные схемы
ТП 704-1-157-Э-5 Управление электродвигателями вытяжных вентиляторов В1. Принципиальные схемы
ТП 704-1-157-Э-6 Управление вентиляцией и аварийным вытяжным вентилятором. Принципиальные схемы
ТП 704-1-157-Э-7 Топливораздаточные колонки. Насосы топлива. Схемы соединений и подключений
ТП 704-1-157-Э-8 Вытяжные вентиляторы В1. Схемы подключений и соединений
ТП 704-1-157-Э-9 Аварийный вентилятор АВ1. Схема соединений. Вентиляторы В1. Установка аппаратов управления
ТП 704-1-157-Э-10 Кабельный журнал (начало)
ТП 704-1-157-Э-11 Кабельный журнал (окончание). Сводка кабелей
ТП 704-1-157-Э-12 План наружных электрических сетей 380/220 В М1:500
ТП 704-1-157-Э-13 Молниезащита. Защитное заземление
ТП 704-1-157-Э-14 Узлы заземления автоцистерн, трубопроводов, железнодорожных путей и эстакад
ТП 704-1-157-Э-15 Наружное освещение
ТП 704-1-157-Э-16 Принципиальная схема теплотехнического контроля
ТП 704-1-157-Э-17 Схема внешних соединений приборов теплотехнического контроля
ТП 704-1-157-СС Связь и сигнализация
ТП 704-1-157-СС-1 План сети пожарной сигнализации. Установка извещателя ПКИЛ-9
ТП 704-1-157 Основные положения по организации строительства
Разработан: Гипролестранс
Утверждён:19.10.1978 Минлеспром СССР (USSR Minlesprom 128)
Расположен в:Техническая документация Строительство Справочные документы Типовые строительные конструкции, изделия и узлы Общероссийский строительный каталог Промышленные предприятия, здания и сооружения Предприятия, здания и сооружения складские Резервуары и склады для нефти и нефтепродуктов Склады нефти и нефтепродуктов
Типовой проект 704-1-157Типовой проект 704-1-157Типовой проект 704-1-157Типовой проект 704-1-157Типовой проект 704-1-157Типовой проект 704-1-157Типовой проект 704-1-157Типовой проект 704-1-157Типовой проект 704-1-157Типовой проект 704-1-157Типовой проект 704-1-157Типовой проект 704-1-157Типовой проект 704-1-157Типовой проект 704-1-157Типовой проект 704-1-157Типовой проект 704-1-157Типовой проект 704-1-157Типовой проект 704-1-157Типовой проект 704-1-157Типовой проект 704-1-157Типовой проект 704-1-157Типовой проект 704-1-157Типовой проект 704-1-157Типовой проект 704-1-157Типовой проект 704-1-157Типовой проект 704-1-157Типовой проект 704-1-157Типовой проект 704-1-157Типовой проект 704-1-157Типовой проект 704-1-157Типовой проект 704-1-157Типовой проект 704-1-157Типовой проект 704-1-157Типовой проект 704-1-157Типовой проект 704-1-157Типовой проект 704-1-157Типовой проект 704-1-157Типовой проект 704-1-157Типовой проект 704-1-157Типовой проект 704-1-157Типовой проект 704-1-157Типовой проект 704-1-157Типовой проект 704-1-157Типовой проект 704-1-157Типовой проект 704-1-157Типовой проект 704-1-157Типовой проект 704-1-157Типовой проект 704-1-157Типовой проект 704-1-157Типовой проект 704-1-157Типовой проект 704-1-157Типовой проект 704-1-157Типовой проект 704-1-157Типовой проект 704-1-157Типовой проект 704-1-157Типовой проект 704-1-157Типовой проект 704-1-157Типовой проект 704-1-157Типовой проект 704-1-157Типовой проект 704-1-157Типовой проект 704-1-157

© 2013 Ёшкин Кот :-) Карта сайта