Информационная система
«Ёшкин Кот»

Скачать базу одним архивом
Скачать обновления
История создания базы
Карта сайта

Скачать Типовой проект 902-2-330 Альбом X. Электротехническая часть

Дата актуализации: 10.08.2017

Типовой проект 902-2-330

Альбом X. Электротехническая часть

Обозначение: Типовой проект 902-2-330
Обозначение англ: 902-2-330
Статус:не действует
Название рус.:Альбом X. Электротехническая часть
Дата добавления в базу:01.09.2013
Дата актуализации:05.05.2017
Оглавление:ТП 902-2-330-ЭЛ-1 Типы 1-4. Общие данные
ТП 902-2-330-ЭЛ-2 Тип 1. Первичный отстойник L=27м. Тип 2. Первичный отстойник L=24м. Тип 3. Вторичный отстойник L=27м. Тип 4. Вторичный отстойник L=27м. Принципиальная схема управления электродвигателем привода тележки скребкового механизма
ТП 902-2-330-ЭЛ-3 Тип 1. Первичный отстойник L=27м. Кабельно-трубный журнал на 5-ти листах
ТП 902-2-330-ЭЛ-4 Тип 1. Первичный отстойник L=27м. Тип 2. Первичный отстойник L=24м. Кабельно-трубный журнал на 5-ти листах
ТП 902-2-330-ЭЛ-5 Тип 2. Первичный отстойник L=24м. Кабельно-трубный журнал на 5-ти листах
ТП 902-2-330-ЭЛ-6 Тип 2. Первичный отстойник L=24м. Тип 3,4. Вторичные отстойники L=27м. Кабельно-трубный журнал на 5-ти листах
ТП 902-2-330-ЭЛ-7 Тип 3,4. Вторичные отстойники L=27м. Кабельно-трубный журнал на 5-ти листах
ТП 902-2-330-ЭЛ-8 Тип 1. Первичный отстойник L=27м. Кабельная разводка. План, разрезы
ТП 902-2-330-ЭЛ-9 Тип 2. Первичный отстойник L=24м. Кабельная разводка. План, разрезы
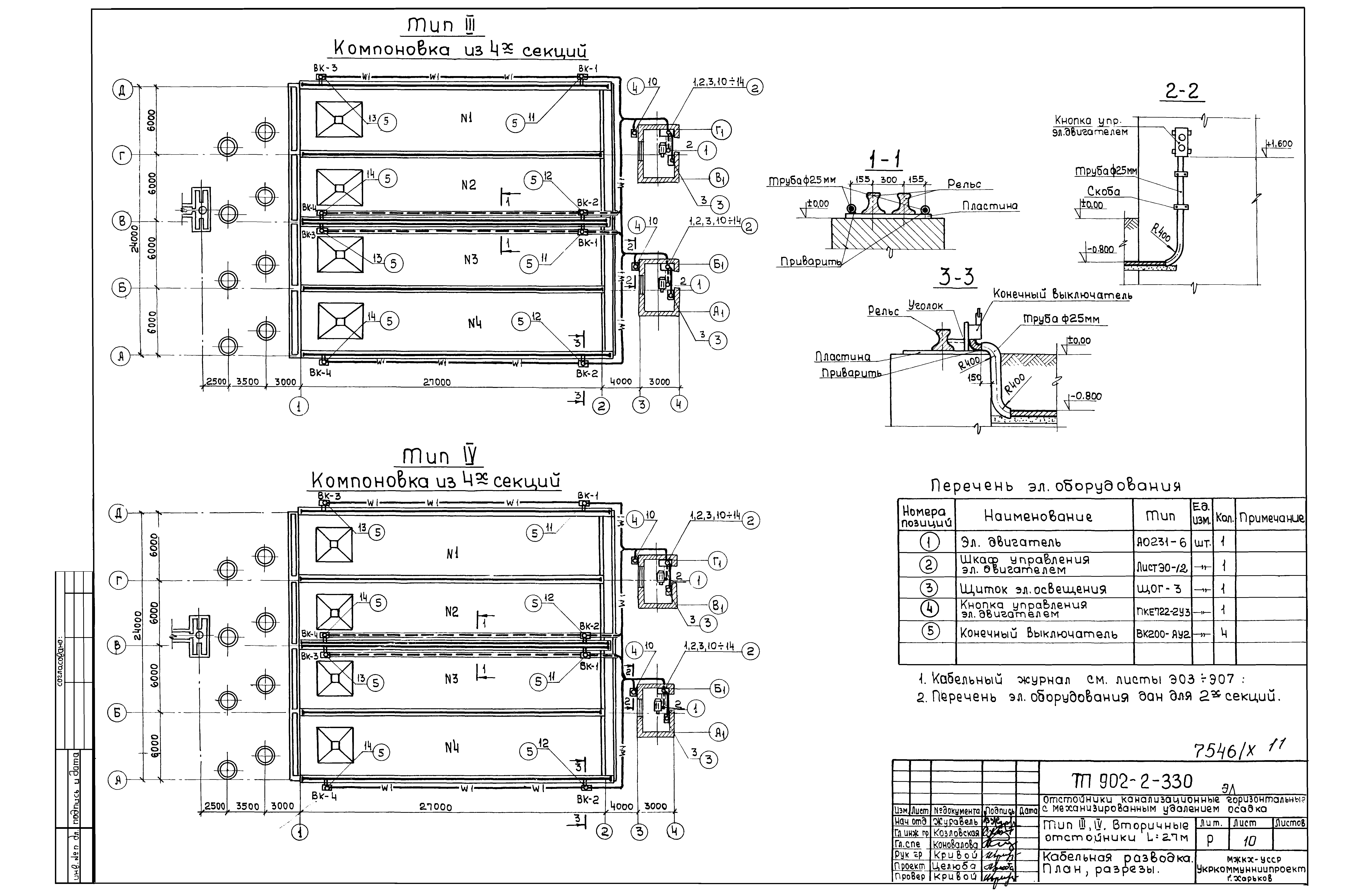
ТП 902-2-330-ЭЛ-10 Тип 3,4. Вторичные отстойники L=27м. Кабельная разводка. План, разрезы
ТП 902-2-330-ЭЛ-11 Тип 1. Первичные отстойники L=27м,L=24м. Тип 3,4. Вторичные отстойники L=27м. Помещение привода тележки скребкового механизма. Электроосвещение
ТП 902-2-330-ЭЛ-12 Тип 1. Первичные отстойники L=27м,L=24м. Тип 3,4. Вторичные отстойники L=27м. Шкаф управления электродвигателем привода тележки скребкового механизма. Общий вид
ТП 902-2-330-ЭЛ-13 Тип 1. Первичные отстойники L=27м,L=24м. Тип 3,4. Вторичные отстойники L=27м. Шкаф управления электродвигателем привода тележки скребкового механизма. Схема соединений
ТП 902-2-330-ЭЛ-14 Тип 1. Первичные отстойники L=27м,L=24м. Тип 3,4. Вторичные отстойники L=27м. Шкаф управления электродвигателем привода тележки скребкового механизма. Технические данные электрооборудования. Таблица
ТП 902-2-330-ЭЛ-15 Тип 1. Первичные отстойники L=27м,L=24м. Тип 3,4. Вторичные отстойники L=27м. Шкаф управления электродвигателем привода тележки скребкового механизма. Перечень надписей. Таблица
Разработан: УкркоммунНИИпроект Минжилкомхоза УССР
Утверждён:15.06.1979 УкркоммунНИИпроект (315)
Расположен в:Техническая документация Строительство Справочные документы Типовые строительные конструкции, изделия и узлы Общероссийский строительный каталог Промышленные предприятия, здания и сооружения Здания и сооружения санитарно-технические Канализация Сооружения механической очистки Отстойники Отстойники горизонтальные первичные
Типовой проект 902-2-330Типовой проект 902-2-330Типовой проект 902-2-330Типовой проект 902-2-330Типовой проект 902-2-330Типовой проект 902-2-330Типовой проект 902-2-330Типовой проект 902-2-330Типовой проект 902-2-330Типовой проект 902-2-330Типовой проект 902-2-330Типовой проект 902-2-330Типовой проект 902-2-330Типовой проект 902-2-330Типовой проект 902-2-330Типовой проект 902-2-330

© 2013 Ёшкин Кот :-) Карта сайта