Информационная система
«Ёшкин Кот»

Скачать базу одним архивом
Скачать обновления
История создания базы
Карта сайта

Скачать Типовой проект 902-2-330 Альбом IX. Тип I - IV. Первичные и вторичные отстойники из монолитного железобетона

Дата актуализации: 10.08.2017

Типовой проект 902-2-330

Альбом IX. Тип I - IV. Первичные и вторичные отстойники из монолитного железобетона

Обозначение: Типовой проект 902-2-330
Обозначение англ: 902-2-330
Статус:не действует
Название рус.:Альбом IX. Тип I - IV. Первичные и вторичные отстойники из монолитного железобетона
Дата добавления в базу:01.09.2013
Дата актуализации:05.05.2017
Оглавление:ТП 902-2-330 Титульный лист
ТП 902-2-330 Обложка
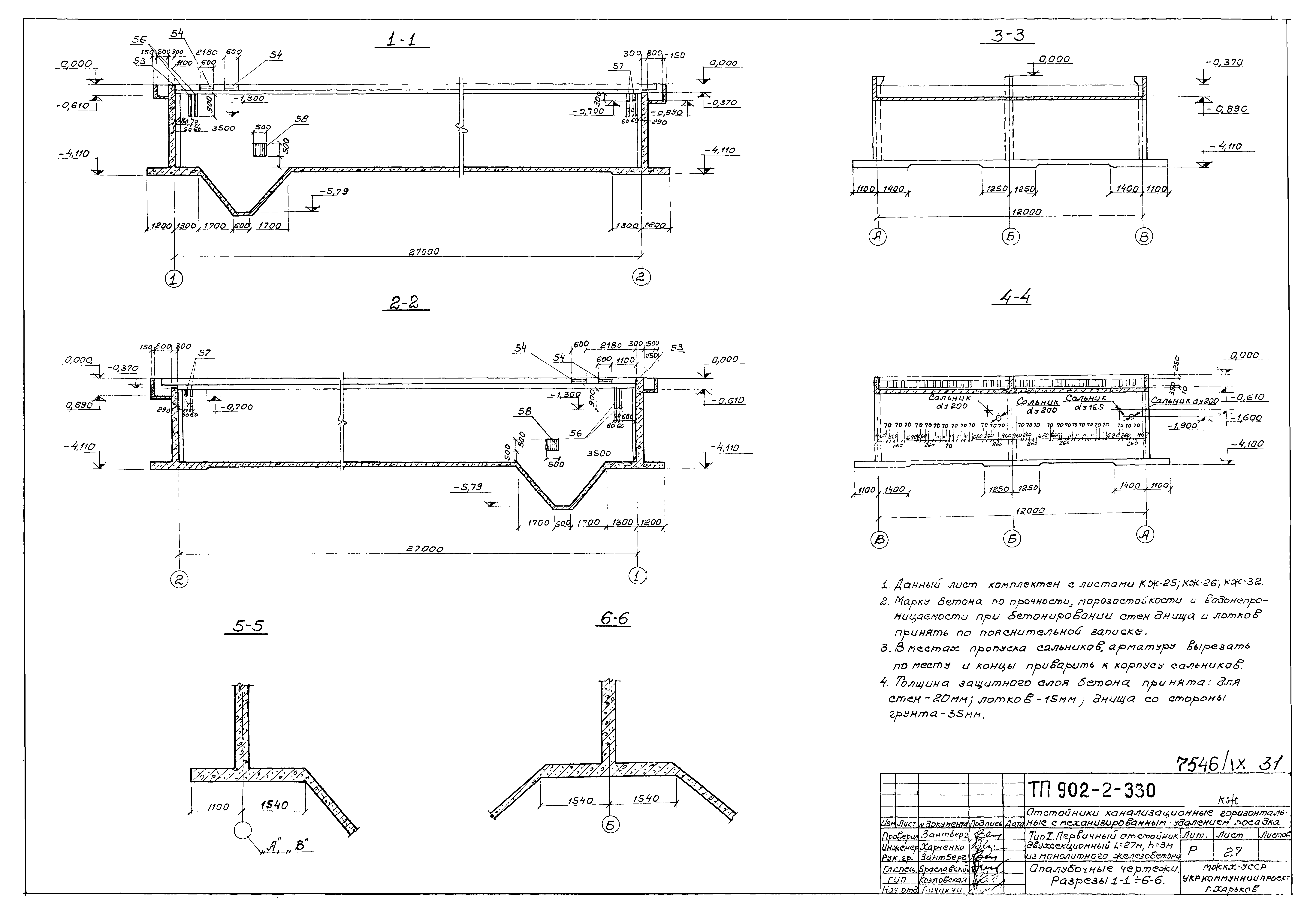
ТП 902-2-330 Содержание альбома
ТП 902-2-330-КЖ-1 Общие данные (Заглавный лист) начало
ТП 902-2-330-КЖ-2 Общие данные (Заглавный лист) окончание
ТП 902-2-330-КЖ-3 Тип 1. Первичный отстойник четырехсекционный. Планы на отм. 0.000. Разрез 1-1
ТП 902-2-330-КЖ-4 Тип 1. Первичный отстойник четырехсекционный. Разрезы 2-2,3-3
ТП 902-2-330-КЖ-5 Тип 1. Первичный отстойник двухсекционный. Планы на отм. 0.000. Разрез 1-1
ТП 902-2-330-КЖ-6 Тип 1. Первичный отстойник двухсекционный. Разрезы 2-2,3-3
ТП 902-2-330-КЖ-7 Тип 2. Первичный отстойник четырехсекционный. Планы на отм. 0.000. Разрез 1-1
ТП 902-2-330-КЖ-8 Тип 2. Первичный отстойник четырехсекционный. Разрезы 2-2,3-3
ТП 902-2-330-КЖ-9 Тип 2. Первичный отстойник двухсекционный. Планы на отм. 0.000. Разрез 1-1
ТП 902-2-330-КЖ-10 Тип 2. Первичный отстойник двухсекционный. Разрезы 2-2,3-3
ТП 902-2-330-КЖ-11 Тип 3. Вторичный отстойник четырехсекционный. Планы на отм. 0.000. Разрез 1-1
ТП 902-2-330-КЖ-12 Тип 3. Вторичный отстойник четырехсекционный. Разрезы 2-2,3-3
ТП 902-2-330-КЖ-13 Тип 4. Вторичный отстойник четырехсекционный. Планы на отм. 0.000. Разрез 1-1
ТП 902-2-330-КЖ-14 Тип 4. Вторичный отстойник четырехсекционный. Разрезы 2-2,3-3
ТП 902-2-330-КЖ-15 Тип 1,2,3,4. первичные и вторичные отстойники. Узлы и детали
ТП 902-2-330-КЖ-16 Тип 1. Первичный отстойник четырехсекционный. Фрагмент опалубочного плана на отм. 0.000
ТП 902-2-330-КЖ-17 Тип 1. Первичный отстойник четырехсекционный. Фрагмент опалубочного плана на отм. -3.700
ТП 902-2-330-КЖ-18 Тип 1. Первичный отстойник четырехсекционный. Опалубочные чертежи. Разрезы
ТП 902-2-330-КЖ-19 Тип 1. Первичный отстойник четырехсекционный. Днище. Армирование. План раскладки нижних сеток
ТП 902-2-330-КЖ-20 Тип 1. Первичный отстойник четырехсекционный. Днище. Армирование. План раскладки верхних сеток
ТП 902-2-330-КЖ-21 Тип 1. Первичный отстойник четырехсекционный. Днище. Армирование. Сечения
ТП 902-2-330-КЖ-22 Тип 1. Первичный отстойник четырехсекционный. Днище. Армирование бункерной части
ТП 902-2-330-КЖ-23 Тип 1. Первичный отстойник четырехсекционный. Стены. Армирование. Схема раскладки сеток
ТП 902-2-330-КЖ-24 Тип 1. Первичный отстойник четырехсекционный. Армирование. Спецификация марок арматурных изделий. Выборка стали на 1 элемент
ТП 902-2-330-КЖ-25 Тип 1. Первичный отстойник двухсекционный. Фрагмент опалубочного плана на отм. 0.000
ТП 902-2-330-КЖ-26 Тип 1. Первичный отстойник двухсекционный. Фрагмент опалубочного плана на отм. -3.810
ТП 902-2-330-КЖ-27 Тип 1. Первичный отстойник двухсекционный. Опалубочные чертежи. Разрезы
ТП 902-2-330-КЖ-28 Тип 1. Первичный отстойник двухсекционный. Днище. Армирование. План раскладки верхних и нижних сеток
ТП 902-2-330-КЖ-29 Тип 1. Первичный отстойник двухсекционный. Днище. Армирование. Сечения
ТП 902-2-330-КЖ-30 Тип 1. Первичный отстойник двухсекционный. Днище. Армирование бункерной части
ТП 902-2-330-КЖ-31 Тип 1. Первичный отстойник двухсекционный. Стены. Армирование. Схема раскладки сеток
ТП 902-2-330-КЖ-32 Тип 1. Первичный отстойник двухсекционный. Армирование. Спецификация марок арматурных изделий. Выборка стали на 1 элемент
ТП 902-2-330-КЖ-33 Тип 1. Первичный отстойник двух и четырехсекционный. Стены. Армирование. Узлы, сечения
ТП 902-2-330-КЖ-34 Тип 1. Первичный отстойник двух и четырехсекционный. Стены и днище. Армирование. Конструкция сеток
ТП 902-2-330-КЖ-35 Тип 1. Первичный отстойник двух и четырехсекционный. Стены и днище. Армирование. Ведомость арматуры. Конструкция сеток
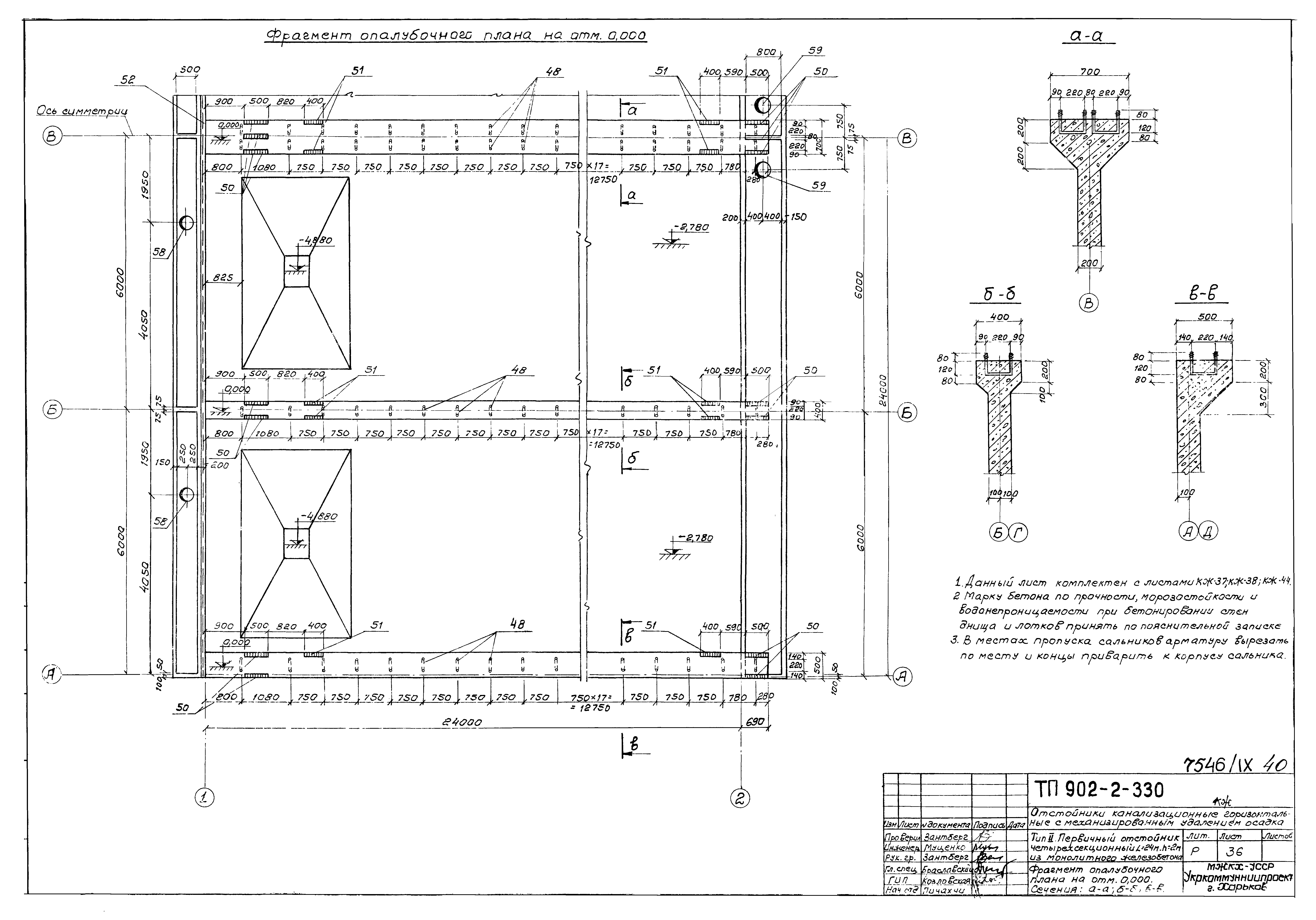
ТП 902-2-330-КЖ-36 Тип 2. Первичный отстойник четырехсекционный. Фрагмент опалубочного плана на отм. 0.000
ТП 902-2-330-КЖ-37 Тип 2. Первичный отстойник четырехсекционный. Фрагмент опалубочного плана на отм. -3.080
ТП 902-2-330-КЖ-38 Тип 2. Первичный отстойник четырехсекционный. Опалубочные чертежи. Сечения
ТП 902-2-330-КЖ-39 Тип 2. Первичный отстойник четырехсекционный. Днище. Армирование. План раскладки нижних сеток
ТП 902-2-330-КЖ-40 Тип 2. Первичный отстойник четырехсекционный. Днище. Армирование. План раскладки верхних сеток
ТП 902-2-330-КЖ-41 Тип 2. Первичный отстойник четырехсекционный. Днище. Армирование. Сечения
ТП 902-2-330-КЖ-42 Тип 2. Первичный отстойник четырехсекционный. Днище. Армирование бункерной части
ТП 902-2-330-КЖ-43 Тип 2. Первичный отстойник четырехсекционный. Стены. Армирование. Схема раскладки сеток
ТП 902-2-330-КЖ-44 Тип 2. Первичный отстойник четырехсекционный. Армирование. Спецификация марок арматурных изделий. Выборка стали на 1 элемент
ТП 902-2-330-КЖ-45 Тип 2. Первичный отстойник двухсекционный. Фрагмент опалубочного плана на отм. 0.000
ТП 902-2-330-КЖ-46 Тип 2. Первичный отстойник двухсекционный. Фрагмент опалубочного плана на отм. -3.080
ТП 902-2-330-КЖ-47 Тип 2. Первичный отстойник двухсекционный. Опалубочные чертежи. Сечения
ТП 902-2-330-КЖ-48 Тип 2. Первичный отстойник двухсекционный. Днище. Армирование. План раскладки верхних и нижних сеток
ТП 902-2-330-КЖ-49 Тип 2. Первичный отстойник двухсекционный. Днище. Армирование. Сечения
ТП 902-2-330-КЖ-50 Тип 2. Первичный отстойник двухсекционный. Днище. Армирование бункерной части
ТП 902-2-330-КЖ-51 Тип 2. Первичный отстойник двухсекционный. Стены. Армирование. Схема раскладки сеток
ТП 902-2-330-КЖ-52 Тип 2. Первичный отстойник двухсекционный. Армирование. Спецификация марок арматурных изделий. Выборка стали на 1 элемент
ТП 902-2-330-КЖ-53 Тип 2. Первичный отстойник двух и четырехсекционный. Стены. Армирование. Узлы и сечения
ТП 902-2-330-КЖ-54 Тип 2. Первичный отстойник двух и четырехсекционный. Стены и днище. Армирование. Конструкция сеток
ТП 902-2-330-КЖ-55 Тип 2. Первичный отстойник двух и четырехсекционный. Стены и днище. Армирование. Ведомость арматуры. Конструкция сеток
ТП 902-2-330-КЖ-56 Тип 3. Вторичный отстойник четырехсекционный. Фрагмент опалубочного плана на отм. 0.000
ТП 902-2-330-КЖ-57 Тип 3. Вторичный отстойник четырехсекционный. Фрагмент опалубочного плана на отм. -4.200
ТП 902-2-330-КЖ-58 Тип 3. Вторичный отстойник четырехсекционный. Опалубочные чертежи. Сечения
ТП 902-2-330-КЖ-59 Тип 3. Вторичный отстойник четырехсекционный. Днище. Армирование. План раскладки нижних сеток
ТП 902-2-330-КЖ-60 Тип 3. Вторичный отстойник четырехсекционный. Днище. Армирование. План раскладки верхних сеток
ТП 902-2-330-КЖ-61 Тип 3. Вторичный отстойник четырехсекционный. Днище. Армирование. Сечения
ТП 902-2-330-КЖ-62 Тип 3. Вторичный отстойник четырехсекционный. Днище. Армирование бункерной части
ТП 902-2-330-КЖ-63 Тип 3. Вторичный отстойник четырехсекционный. Стены. Армирование. Схема раскладки сеток
ТП 902-2-330-КЖ-64 Тип 3. Вторичный отстойник четырехсекционный. Стены. Армирование. Узлы и сечения
ТП 902-2-330-КЖ-65 Тип 3. Вторичный отстойник четырехсекционный. Армирование. Спецификация марок арматурных изделий. Выборка стали на один элемент
ТП 902-2-330-КЖ-66 Тип 3. Вторичный отстойник четырехсекционный. Стены и днище. Армирование. Конструкция сеток
ТП 902-2-330-КЖ-67 Тип 3. Вторичный отстойник четырехсекционный. Стены и днище. Ведомость арматуры. Армирование. Конструкция сеток
ТП 902-2-330-КЖ-68 Тип 4. Вторичный отстойник четырехсекционный. Фрагмент опалубочного плана на отм. 0.000
ТП 902-2-330-КЖ-69 Тип 4. Вторичный отстойник четырехсекционный. Фрагмент опалубочного плана на отм. -3.200
ТП 902-2-330-КЖ-70 Тип 4. Вторичный отстойник четырехсекционный. Опалубочные чертежи. Разрезы
ТП 902-2-330-КЖ-71 Тип 4. Вторичный отстойник четырехсекционный. Днище. Армирование. План раскладки нижних сеток
ТП 902-2-330-КЖ-72 Тип 4. Вторичный отстойник четырехсекционный. Днище. Армирование. План раскладки верхних сеток
ТП 902-2-330-КЖ-73 Тип 4. Вторичный отстойник четырехсекционный. Днище. Армирование. Сечения
ТП 902-2-330-КЖ-74 Тип 4. Вторичный отстойник четырехсекционный. Днище. Армирование бункерной части
ТП 902-2-330-КЖ-75 Тип 4. Вторичный отстойник четырехсекционный. Стены. Армирование. Схема раскладки сеток
ТП 902-2-330-КЖ-76 Тип 4. Вторичный отстойник четырехсекционный. Стены. Армирование. Узлы и сечения
ТП 902-2-330-КЖ-77 Тип 4. Вторичный отстойник четырехсекционный. Армирование. Спецификация марок арматурных изделий. Выборка стали на один элемент
ТП 902-2-330-КЖ-78 Тип 4. Вторичный отстойник четырехсекционный. Стены и днище. Армирование. Конструкция сеток
ТП 902-2-330-КЖ-79 Тип 4. Вторичный отстойник четырехсекционный. Стены и днище. Армирование. Конструкция сеток
ТП 902-2-330-КЖ-80 Тип 1,2,3,4. Первичные и вторичные отстойники. Соединительные детали МС1-МС8. Упоры У1-У5
ТП 902-2-330-КЖ-81 Тип 1. Первичный отстойник четырехсекционный. Маркировочные схемы рельсовых путей под скребковый механизм
ТП 902-2-330-КЖ-82 Тип 1. Первичный отстойник двухсекционный. Маркировочные схемы рельсовых путей под скребковый механизм
ТП 902-2-330-КЖ-83 Тип 2. Первичный отстойник четырехсекционный. Маркировочные схемы рельсовых путей под скребковый механизм
ТП 902-2-330-КЖ-84 Тип 2. Первичный отстойник двухсекционный. Маркировочные схемы рельсовых путей под скребковый механизм
ТП 902-2-330-КЖ-85 Тип 3. Первичный отстойник четырехсекционный. Маркировочные схемы рельсовых путей под скребковый механизм
ТП 902-2-330-КЖ-86 Тип 4. Первичный отстойник четырехсекционный. Маркировочные схемы рельсовых путей под скребковый механизм
ТП 902-2-330-КЖ-87 Тип 1. Первичный отстойник четырехсекционный. План опор на отм -1.910. План расположения колодцев и распределительной чаши
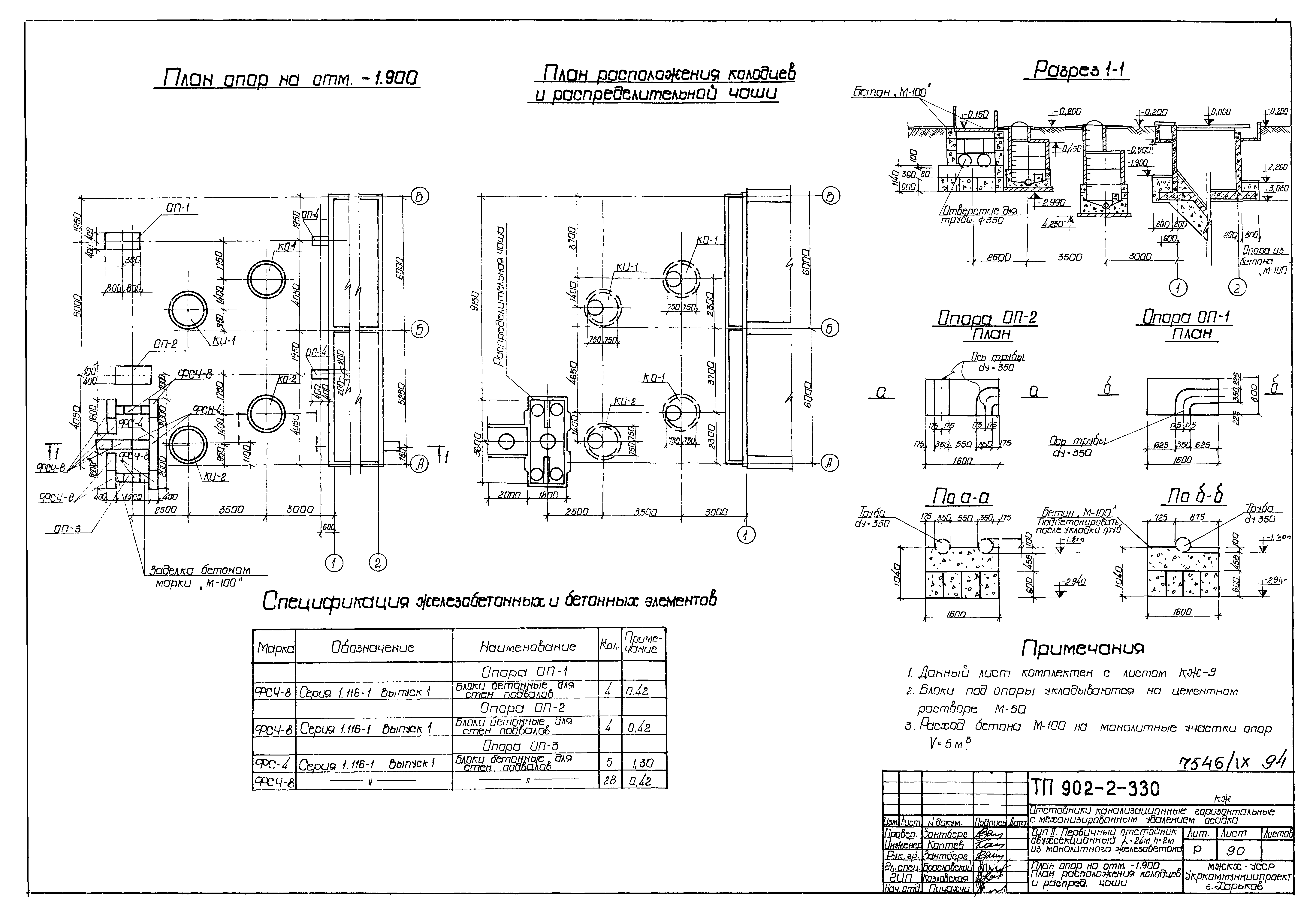
ТП 902-2-330-КЖ-88 Тип 1. Первичный отстойник двухсекционный. План опор на отм -1.910. План расположения колодцев и распределительной чаши
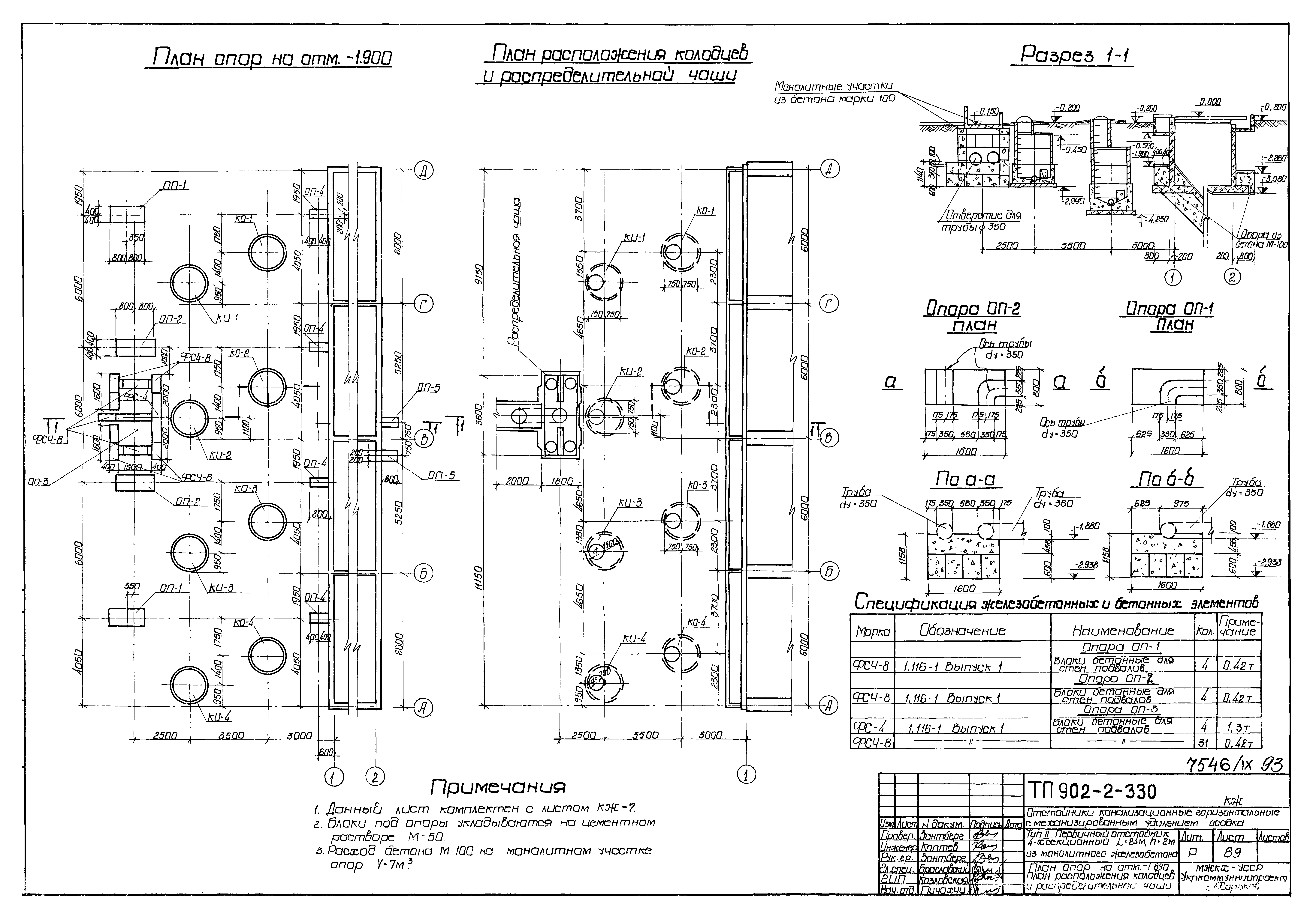
ТП 902-2-330-КЖ-89 Тип 2. Первичный отстойник четырехсекционный. План опор на отм -1.890. План расположения колодцев и распределительной чаши
ТП 902-2-330-КЖ-90 Тип 2. Первичный отстойник двухсекционный. План опор на отм -1.890. План расположения колодцев и распределительной чаши
ТП 902-2-330-КЖ-91 Тип 3. Первичный отстойник четырехсекционный. План опор на отм -1.910. План расположения колодцев и распределительной чаши
ТП 902-2-330-КЖ-92 Тип 4. Первичный отстойник четырехсекционный. План опор на отм -1.910. План расположения колодцев и распределительной чаши
ТП 902-2-330-КЖ-93 Тип 1,2. Первичные отстойники двух и четырехсекционные. Распределительная чаша. Опалубочный и арматурный планы
ТП 902-2-330-КЖ-94 Тип 1,2. Первичные отстойники двух и четырехсекционные. Распределительная чаша. Опалубочный чертеж и армирование. Сечения 1-1÷5-5
ТП 902-2-330-КЖ-95 Тип 3,4. Вторичные отстойники четырехсекционные. Распределительная чаша. Опалубочный и арматурный планы
ТП 902-2-330-КЖ-96 Тип 3,4. Вторичные отстойники четырехсекционные. Распределительная чаша. Опалубочный чертеж и армирование. Сечения 1-1÷5-5
ТП 902-2-330-КЖ-97 Тип 1. Первичные отстойники двух и четырехсекционные. Конструкция колодцев КИ-1÷КИ-4;КО-1÷КО-4
ТП 902-2-330-КЖ-98 Тип 2. Первичные отстойники двух и четырехсекционные. Конструкция колодцев КИ-1÷КИ-4;КО-1÷КО-5
ТП 902-2-330-КЖ-99 Тип 3. Вторичный отстойник четырехсекционный. Конструкция колодцев КИ-1÷КИ-4;КО-1÷КО-6
ТП 902-2-330-КЖ-100 Тип 4. Вторичный отстойник четырехсекционный. Конструкция колодцев КИ-1÷КИ-4;КО-1÷КО-7
ТП 902-2-330-КЖ-101 Тип 1,2,3,4. Первичные и вторичные отстойники. Помещение привода скребкового механизма. План на отм. 0.000. Разрезы 1-1÷2-2. Фасады. План кровли
ТП 902-2-330-КЖ-102 Тип 1,2,3,4. Первичные и вторичные отстойники. Помещение привода скребкового механизма. Маркировочные схемы фундаментов и плит покрытия
ТП 902-2-330-КЖ-103 Тип 1,3. Первичные и вторичные отстойники. Закладные детали МН-1÷Мн-4
ТП 902-2-330-КЖ-104 Тип 2,4. Первичные и вторичные отстойники. Закладные детали МН-1÷Мн-5
Разработан: УкркоммунНИИпроект Минжилкомхоза УССР
Утверждён:15.06.1979 УкркоммунНИИпроект (315)
Расположен в:Техническая документация Строительство Справочные документы Типовые строительные конструкции, изделия и узлы Общероссийский строительный каталог Промышленные предприятия, здания и сооружения Здания и сооружения санитарно-технические Канализация Сооружения механической очистки Отстойники Отстойники горизонтальные первичные
Типовой проект 902-2-330Типовой проект 902-2-330Типовой проект 902-2-330Типовой проект 902-2-330Типовой проект 902-2-330Типовой проект 902-2-330Типовой проект 902-2-330Типовой проект 902-2-330Типовой проект 902-2-330Типовой проект 902-2-330Типовой проект 902-2-330Типовой проект 902-2-330Типовой проект 902-2-330Типовой проект 902-2-330Типовой проект 902-2-330Типовой проект 902-2-330Типовой проект 902-2-330Типовой проект 902-2-330Типовой проект 902-2-330Типовой проект 902-2-330Типовой проект 902-2-330Типовой проект 902-2-330Типовой проект 902-2-330Типовой проект 902-2-330Типовой проект 902-2-330Типовой проект 902-2-330Типовой проект 902-2-330Типовой проект 902-2-330Типовой проект 902-2-330Типовой проект 902-2-330Типовой проект 902-2-330Типовой проект 902-2-330Типовой проект 902-2-330Типовой проект 902-2-330Типовой проект 902-2-330Типовой проект 902-2-330Типовой проект 902-2-330Типовой проект 902-2-330Типовой проект 902-2-330Типовой проект 902-2-330Типовой проект 902-2-330Типовой проект 902-2-330Типовой проект 902-2-330Типовой проект 902-2-330Типовой проект 902-2-330Типовой проект 902-2-330Типовой проект 902-2-330Типовой проект 902-2-330Типовой проект 902-2-330Типовой проект 902-2-330Типовой проект 902-2-330Типовой проект 902-2-330Типовой проект 902-2-330Типовой проект 902-2-330Типовой проект 902-2-330Типовой проект 902-2-330Типовой проект 902-2-330Типовой проект 902-2-330Типовой проект 902-2-330Типовой проект 902-2-330Типовой проект 902-2-330Типовой проект 902-2-330Типовой проект 902-2-330Типовой проект 902-2-330Типовой проект 902-2-330Типовой проект 902-2-330Типовой проект 902-2-330Типовой проект 902-2-330Типовой проект 902-2-330Типовой проект 902-2-330Типовой проект 902-2-330Типовой проект 902-2-330Типовой проект 902-2-330Типовой проект 902-2-330Типовой проект 902-2-330Типовой проект 902-2-330Типовой проект 902-2-330Типовой проект 902-2-330Типовой проект 902-2-330Типовой проект 902-2-330Типовой проект 902-2-330Типовой проект 902-2-330Типовой проект 902-2-330Типовой проект 902-2-330Типовой проект 902-2-330Типовой проект 902-2-330Типовой проект 902-2-330Типовой проект 902-2-330Типовой проект 902-2-330Типовой проект 902-2-330Типовой проект 902-2-330Типовой проект 902-2-330Типовой проект 902-2-330Типовой проект 902-2-330Типовой проект 902-2-330Типовой проект 902-2-330Типовой проект 902-2-330Типовой проект 902-2-330Типовой проект 902-2-330Типовой проект 902-2-330Типовой проект 902-2-330Типовой проект 902-2-330Типовой проект 902-2-330Типовой проект 902-2-330Типовой проект 902-2-330Типовой проект 902-2-330Типовой проект 902-2-330Типовой проект 902-2-330Типовой проект 902-2-330

© 2013 Ёшкин Кот :-) Карта сайта