Информационная система
«Ёшкин Кот»

Скачать базу одним архивом
Скачать обновления
История создания базы
Карта сайта

Скачать Типовой проект 902-2-330 Альбом VII. Тип III. Вторичный отстойник четырехсекционный L = 27 м; h = 3 м из сборного железобетона

Дата актуализации: 10.08.2017

Типовой проект 902-2-330

Альбом VII. Тип III. Вторичный отстойник четырехсекционный L = 27 м; h = 3 м из сборного железобетона

Обозначение: Типовой проект 902-2-330
Обозначение англ: 902-2-330
Статус:не действует
Название рус.:Альбом VII. Тип III. Вторичный отстойник четырехсекционный L = 27 м; h = 3 м из сборного железобетона
Дата добавления в базу:01.09.2013
Дата актуализации:05.05.2017
Оглавление:ТП 902-2-330 Обложка
ТП 902-2-330 Титульный лист
ТП 902-2-330 Содержание альбома
ТП 902-2-330-КЖ-1 Общие данные (Заглавный лист)
ТП 902-2-330-КЖ-2 План на отм. 0.000. Разрез 1-1
ТП 902-2-330-КЖ-3 Разрезы 2-2,3-3
ТП 902-2-330-КЖ-4 Узлы 1-7. Сечения
ТП 902-2-330-КЖ-5 Узлы 8-11
ТП 902-2-330-КЖ-6 Маркировочная схема стеновых панелей Виды 1-1÷5-5
ТП 902-2-330-КЖ-7 Маркировочные схемы мостиков, лотков, плит перекрытия лотков. Сечения 6-6÷10-10
ТП 902-2-330-КЖ-8 Маркировочные схемы стеновых панелей, лотков и мостиков. Узлы 1-7
ТП 902-2-330-КЖ-9 Маркировочные схемы стеновых панелей, лотков и мостиков. Узлы 8-11
ТП 902-2-330-КЖ-10 Монолитный участок УМ-1. Опалубочные чертежи и армирование
ТП 902-2-330-КЖ-11 Монолитный участок УМ-2. Опалубочные чертежи и армирование
ТП 902-2-330-КЖ-12 Монолитный участок УМ-3. Опалубочные чертежи и армирование
ТП 902-2-330-КЖ-13 Монолитные участки УМ-4,УМ-6. Опалубочные чертежи и армирование
ТП 902-2-330-КЖ-14 Монолитный участок УМ-5. Опалубочные чертежи и армирование
ТП 902-2-330-КЖ-15 Опалубочные чертежи и армирование монолитных участков УМ-1÷УМ-3. Ведомость стержней на один элемент
ТП 902-2-330-КЖ-16 Опалубочные чертежи и армирование монолитных участков УМ-4÷УМ-6. Ведомость стержней на один элемент
ТП 902-2-330-КЖ-17 Опалубочные чертежи и армирование монолитных участков УМ-1÷УМ-6. Спецификация марок арматурных изделий на 1 элемент. Выборка стали
ТП 902-2-330-КЖ-18 Днище, фрагмент опалубочного плана. Сечения 1-1÷8-8
ТП 902-2-330-КЖ-19 Днище. Армирование. План раскладки нижних сеток
ТП 902-2-330-КЖ-20 Днище. Армирование. План раскладки верхних сеток
ТП 902-2-330-КЖ-21 Днище. Армирование. План раскладки каркасов
ТП 902-2-330-КЖ-22 Днище. Армирование. Сечения 1-1÷8-8
ТП 902-2-330-КЖ-23 Днище. Армирование. Узлы 1-6
ТП 902-2-330-КЖ-24 Днище. Армирование бункерной части
ТП 902-2-330-КЖ-25 Днище. Армирование. Спецификации
ТП 902-2-330-КЖ-26 Опалубочные чертежи стеновых панелей ПК1-42-1а,ПК1-42-2а,ПКУ1-42-1а,ПКУ1-42-1б,ПКУ1-42-2а÷ПКУ1-42-2в;ПКУ1-36-2а
ТП 902-2-330-КЖ-27 Плиты мостиков ПТ-1а÷ПТ-1гд;ПТ-2÷ПТ-2б Опалубочные чертежи и армирование
ТП 902-2-330-КЖ-28 Плиты мостиков ПТ-3÷ПТ-3б,ПТ-4. Плита перекрытия П1а. Опалубочные чертежи и армирование
ТП 902-2-330-КЖ-29 Опалубочные чертежи и армирование сборных железобетонных лотков ЛТ1-ЛТ4
ТП 902-2-330-КЖ-30 Днище. Армирование. Сетки С-1÷С-8, КП-1÷КП-2
ТП 902-2-330-КЖ-31 Лотки, мостики. Плиты перекрытий лотков. Конструкция сеток
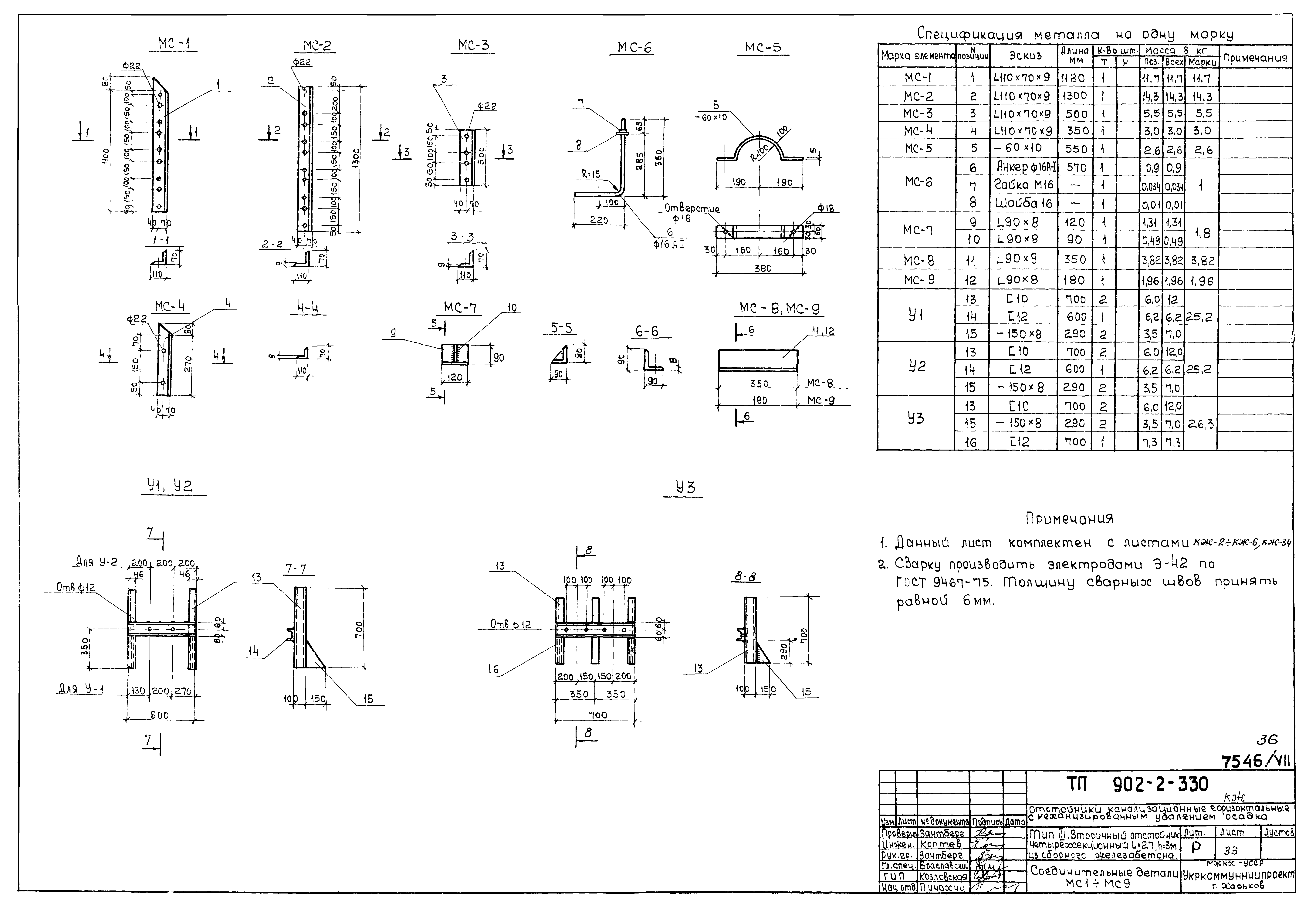
ТП 902-2-330-КЖ-32 Монолитные участки УМ-1÷УМ-6. Стеновые панели. Лотки. Закладные детали МН-1÷МН-7
ТП 902-2-330-КЖ-33 Соединительные детали МС-1÷МС-9
ТП 902-2-330-КЖ-34 Маркировочные схемы рельсовых путей под скребковый механизм
ТП 902-2-330-КЖ-35 План опор на отм. -1.910. План расположения колодцев и распределительной чаши
ТП 902-2-330-КЖ-36 Распределительная чаша. Опалубочный и арматурный планы
ТП 902-2-330-КЖ-37 Распределительная чаша. Опалубочные чертежи и армирование. Сечения 1-1÷5-5
ТП 902-2-330-КЖ-38 Конструкция колодцев КИ-1÷КИ-4, КО-1÷КО-4
ТП 902-2-330-КЖ-39 Помещение привода скребкового механизма. План на отм. 0.000. Разрезы 1-1÷2-2. Фасады. План кровли
ТП 902-2-330-КЖ-40 Помещение привода скребкового механизма. Маркировочные схемы фундаментов и плит покрытия
ТП 902-2-330-КЖ-41 Маркировочная схема стеновых панелей. Виды по 1-1÷5-5
ТП 902-2-330-КЖ-42 Опалубочные чертежи панелей
ТП 902-2-330-КЖ-43 Опалубочные чертежи панелей
ТП 902-2-330-КЖ-44 Армирование стеновых панелей
ТП 902-2-330-КЖ-45 Армирование панелей. Спецификация марок
ТП 902-2-330-КЖ-46 Армирование панелей. Спецификация марок арматурных изделий на 1 элемент
ТП 902-2-330-КЖ-47 Армирование панелей. Сетки и каркасы панелей
Разработан: УкркоммунНИИпроект Минжилкомхоза УССР
Утверждён:15.06.1979 УкркоммунНИИпроект (315)
Расположен в:Техническая документация Строительство Справочные документы Типовые строительные конструкции, изделия и узлы Общероссийский строительный каталог Промышленные предприятия, здания и сооружения Здания и сооружения санитарно-технические Канализация Сооружения механической очистки Отстойники Отстойники горизонтальные первичные
Типовой проект 902-2-330Типовой проект 902-2-330Типовой проект 902-2-330Типовой проект 902-2-330Типовой проект 902-2-330Типовой проект 902-2-330Типовой проект 902-2-330Типовой проект 902-2-330Типовой проект 902-2-330Типовой проект 902-2-330Типовой проект 902-2-330Типовой проект 902-2-330Типовой проект 902-2-330Типовой проект 902-2-330Типовой проект 902-2-330Типовой проект 902-2-330Типовой проект 902-2-330Типовой проект 902-2-330Типовой проект 902-2-330Типовой проект 902-2-330Типовой проект 902-2-330Типовой проект 902-2-330Типовой проект 902-2-330Типовой проект 902-2-330Типовой проект 902-2-330Типовой проект 902-2-330Типовой проект 902-2-330Типовой проект 902-2-330Типовой проект 902-2-330Типовой проект 902-2-330Типовой проект 902-2-330Типовой проект 902-2-330Типовой проект 902-2-330Типовой проект 902-2-330Типовой проект 902-2-330Типовой проект 902-2-330Типовой проект 902-2-330Типовой проект 902-2-330Типовой проект 902-2-330Типовой проект 902-2-330Типовой проект 902-2-330Типовой проект 902-2-330Типовой проект 902-2-330Типовой проект 902-2-330Типовой проект 902-2-330Типовой проект 902-2-330Типовой проект 902-2-330Типовой проект 902-2-330Типовой проект 902-2-330Типовой проект 902-2-330Типовой проект 902-2-330

© 2013 Ёшкин Кот :-) Карта сайта