Информационная система
«Ёшкин Кот»

Скачать базу одним архивом
Скачать обновления
История создания базы
Карта сайта

Скачать Типовой проект 903-1-153 Альбом XII. Схемы управления электродвигателями котельной

Дата актуализации: 10.08.2017

Типовой проект 903-1-153

Альбом XII. Схемы управления электродвигателями котельной

Обозначение: Типовой проект 903-1-153
Обозначение англ: 903-1-153
Статус:заменен
Название рус.:Альбом XII. Схемы управления электродвигателями котельной
Дата добавления в базу:01.09.2013
Дата актуализации:05.05.2017
Дата введения:01.01.1990
Оглавление:Общие данные
Котлоагрегат КЕ-10-14С. Функциональная схема блокировки механизмов котлоагрегата
Котлоагрегат КЕ-10-14С. Дымосос. Схема принципиальная управления
Котлоагрегат КЕ-10-14С. Вентилятор дутьевой. Схема принципиальная управления
Котлоагрегат КЕ-10-14С. Вентилятор возврата уноса. Схемы принципиальная управления и подключения
Котлоагрегат КЕ-10-14С. Решетка. Схемы принципиальная управления и подключения
Котлоагрегат КЕ-10-14С. Забрасыватель. Схемы принципиальная управления и подключения
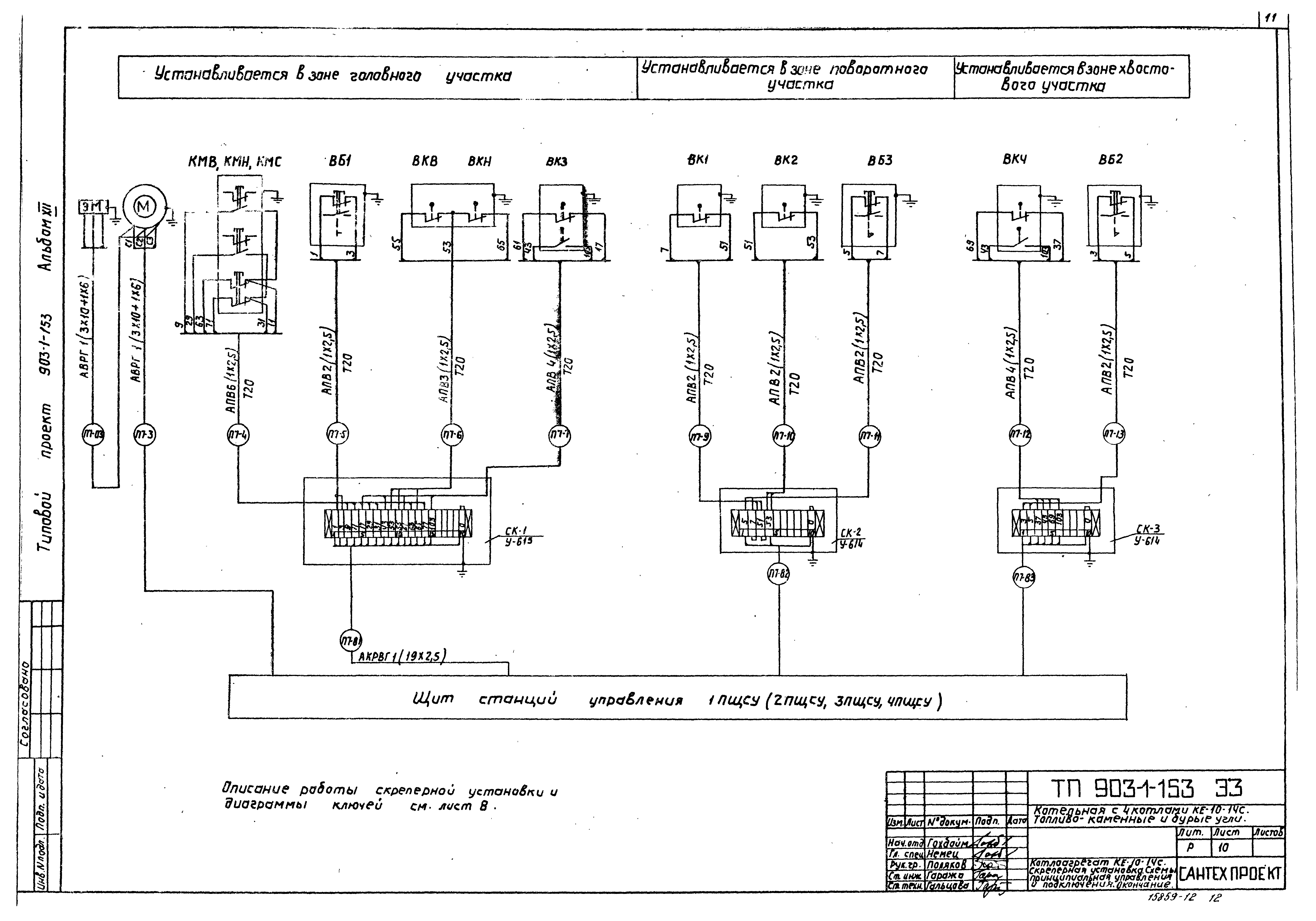
Котлоагрегат КЕ-10-14С. Скреперная установка. Схемы принципиальная управления и подключения
Насос сетевой. Схема принципиальная управления
Насос горячего водоснабжения. Схема принципиальная управления
Насос исходной воды. Схема принципиальная управления
Вентилятор к декарбонизатору. Схемы принципиальная управления и подключения
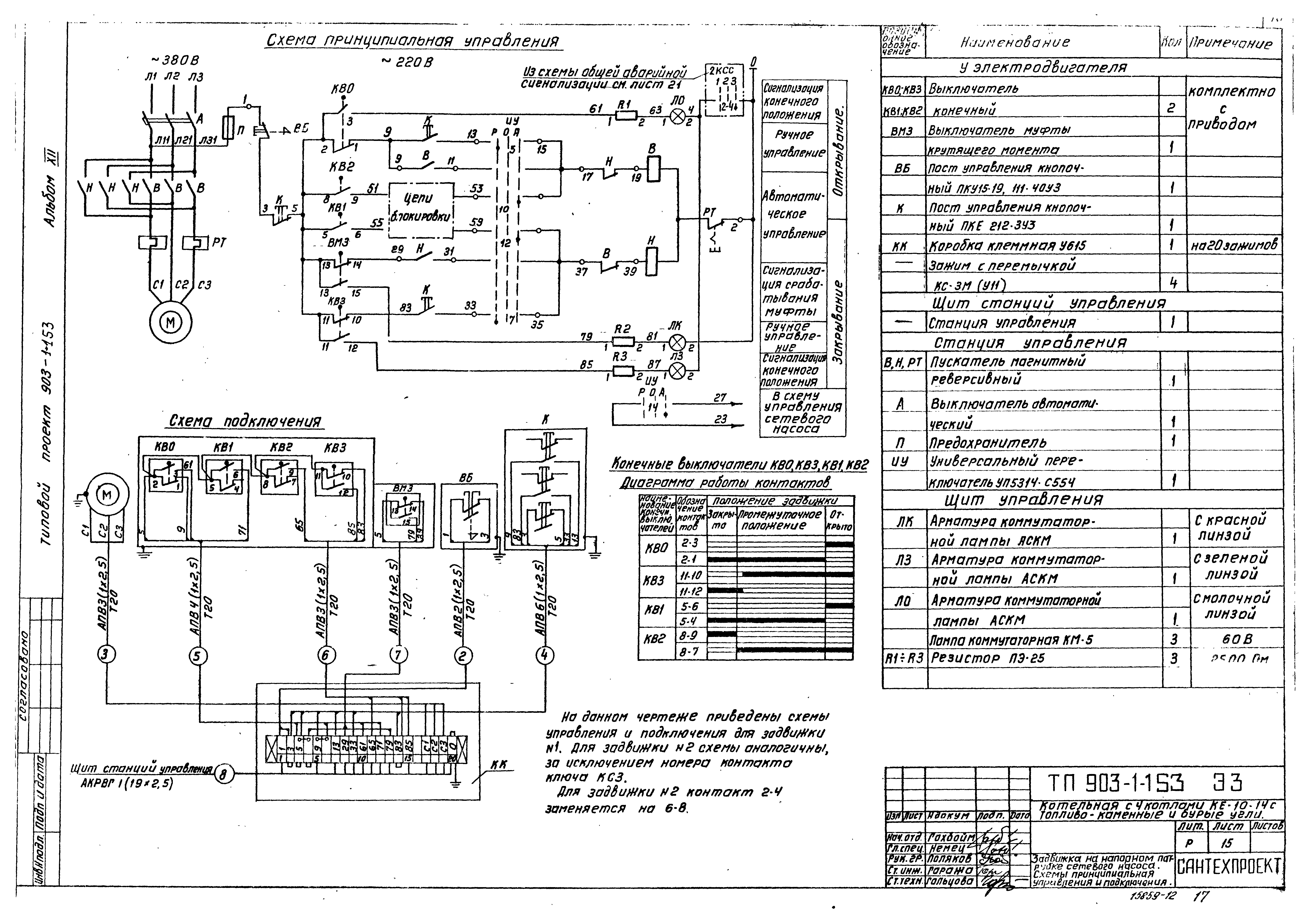
Задвижка на напорном патрубке сетевого насоса. Схемы принципиальная управления и подключения
Насос охлажденной воды. Схемы принципиальная управления и подключения
Насос дренажный. Схемы принципиальная управления и подключения
Насос раствора соли. Схемы принципиальная управления и подключения
Насос нагретой воды. Схемы принципиальная управления и подключения
Схема принципиальная аварийной сигнализации электродвигателей
Вентилятор вытяжной ВЧ. Схемы принципиальная управления и подключения
Разработан: ГПИ Сантехпроект Госстроя СССР
Минтяжмаш СССР
Союзпроммеханизация
Утверждён:23.03.1979 ГПИ Сантехпроект (47)
Расположен в:Техническая документация Строительство Справочные документы Типовые строительные конструкции, изделия и узлы Общероссийский строительный каталог Промышленные предприятия, здания и сооружения Здания и сооружения санитарно-технические Теплоснабжение Котельные установки Закрытые системы теплоснабжения Топливо - каменные и бурые угли
Заменяет собой:
  • Типовой проект 903-1-106
Чем заменён:
Типовой проект 903-1-153Типовой проект 903-1-153Типовой проект 903-1-153Типовой проект 903-1-153Типовой проект 903-1-153Типовой проект 903-1-153Типовой проект 903-1-153Типовой проект 903-1-153Типовой проект 903-1-153Типовой проект 903-1-153Типовой проект 903-1-153Типовой проект 903-1-153Типовой проект 903-1-153Типовой проект 903-1-153Типовой проект 903-1-153Типовой проект 903-1-153Типовой проект 903-1-153Типовой проект 903-1-153Типовой проект 903-1-153Типовой проект 903-1-153Типовой проект 903-1-153Типовой проект 903-1-153Типовой проект 903-1-153Типовой проект 903-1-153

© 2013 Ёшкин Кот :-) Карта сайта