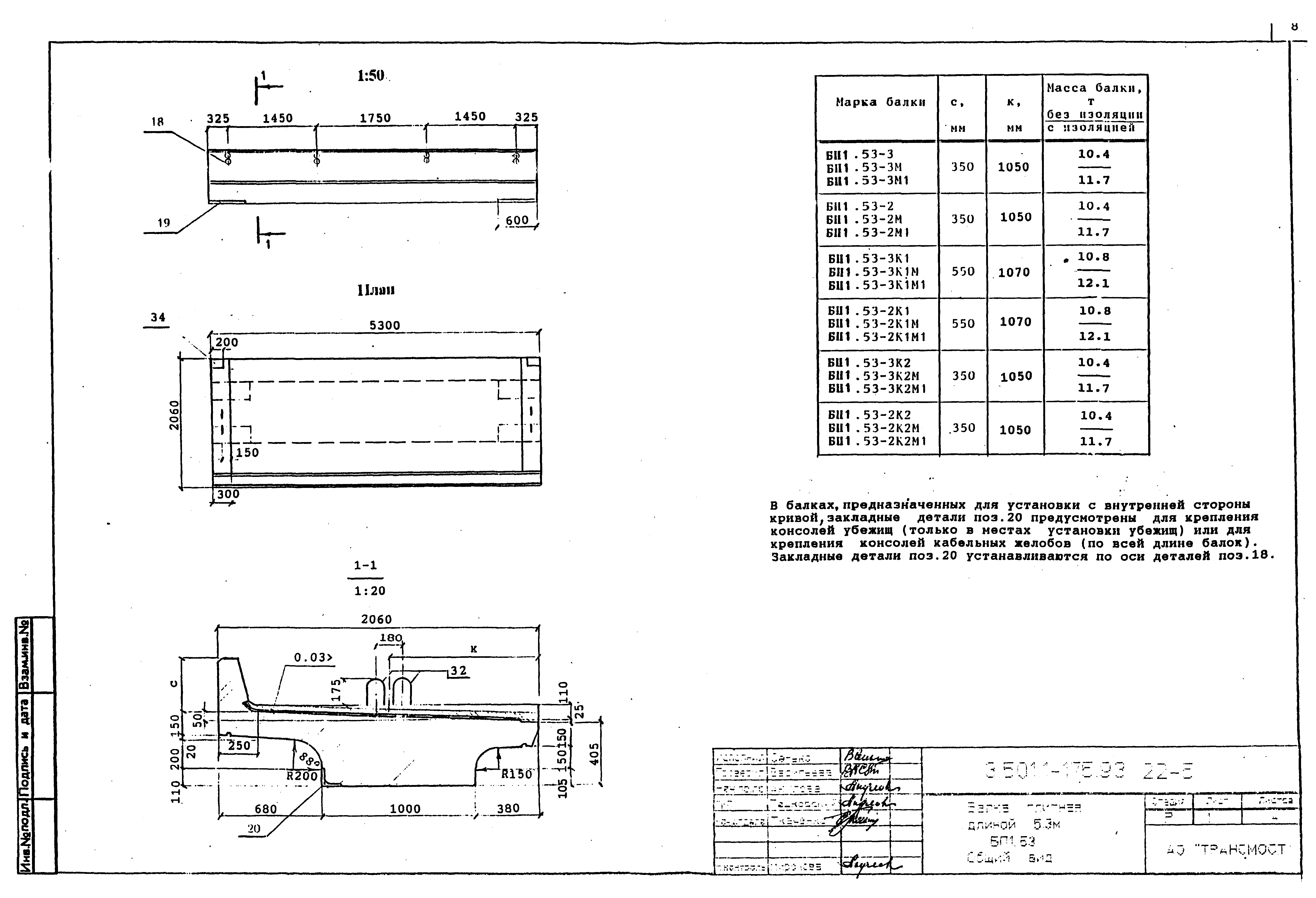
Скачать Серия 3.501.1-175.93 Выпуск 22. Балка плитная длиной 5,3 м с ненапрягаемой арматурой. Рабочие чертежиДата актуализации: 10.08.2017 Серия 3.501.1-175.93
Выпуск 22. Балка плитная длиной 5,3 м с ненапрягаемой арматурой. Рабочие чертежиОбозначение: | Серия 3.501.1-175.93 | Обозначение англ: | Series 3.501.1-175.93 | Статус: | действует | Название рус.: | Выпуск 22. Балка плитная длиной 5,3 м с ненапрягаемой арматурой. Рабочие чертежи | Дата добавления в базу: | 01.09.2013 | Дата актуализации: | 05.05.2017 | Дата введения: | 15.05.2002 | Разработан: | АО Трансмост
| Утверждён: | 22.10.1996 МПС РФ (Russian Federation Ministry of Railroads М-926у)
| Расположен в: |
|
                
|