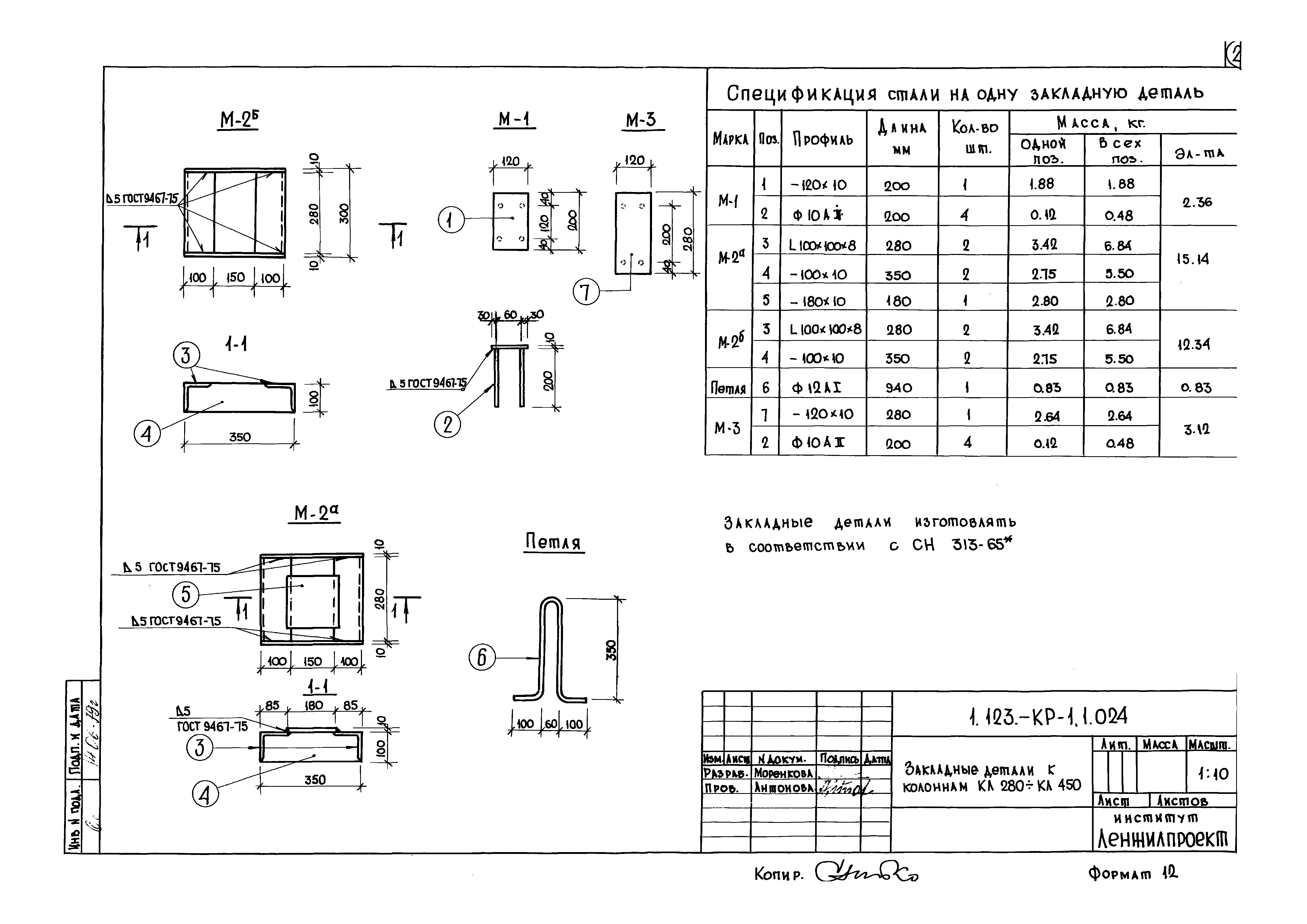
Скачать Серия 1.123-КР-1 Выпуск 1. Альбом I. Рабочие чертежиДата актуализации: 10.08.2017 Серия 1.123-КР-1
Выпуск 1. Альбом I. Рабочие чертежиОбозначение: | Серия 1.123-КР-1 | Обозначение англ: | Series 1.123-КР-1 | Статус: | действует | Название рус.: | Выпуск 1. Альбом I. Рабочие чертежи | Дата добавления в базу: | 01.09.2013 | Дата актуализации: | 05.05.2017 | Дата введения: | 01.01.1977 | Разработан: | ЛенжилНИИпроект
| Утверждён: | ЛенжилНИИпроект
| Расположен в: |
|
                        
|