Информационная система
«Ёшкин Кот»

Скачать базу одним архивом
Скачать обновления
История создания базы
Карта сайта

Скачать Серия 03.005-8 Выпуск 0-1. Конструктивные решения компенсационных колодцев связи и устройства на вводах инженерных коммуникаций. Материалы для проектирования

Дата актуализации: 10.08.2017

Серия 03.005-8

Выпуск 0-1. Конструктивные решения компенсационных колодцев связи и устройства на вводах инженерных коммуникаций. Материалы для проектирования

Обозначение: Серия 03.005-8
Обозначение англ: Series 03.005-8
Статус:не определен законодательством
Название рус.:Выпуск 0-1. Конструктивные решения компенсационных колодцев связи и устройства на вводах инженерных коммуникаций. Материалы для проектирования
Дата добавления в базу:01.09.2013
Дата актуализации:05.05.2017
Дата введения:01.10.1988
Оглавление:03.005-8.0-1-000 Содержание
03.005-8.0-1-000 ПЗ Пояснительная записка
03.005-8.0-1-100 ГЧ Компенсационный колодец КК1-1. Габаритный чертеж
03.005-8.0-1-100 Компенсационный колодец КК1-1
03.005-8.0-1-100 СБ Компенсационный колодец КК1-1. Сборочный чертеж
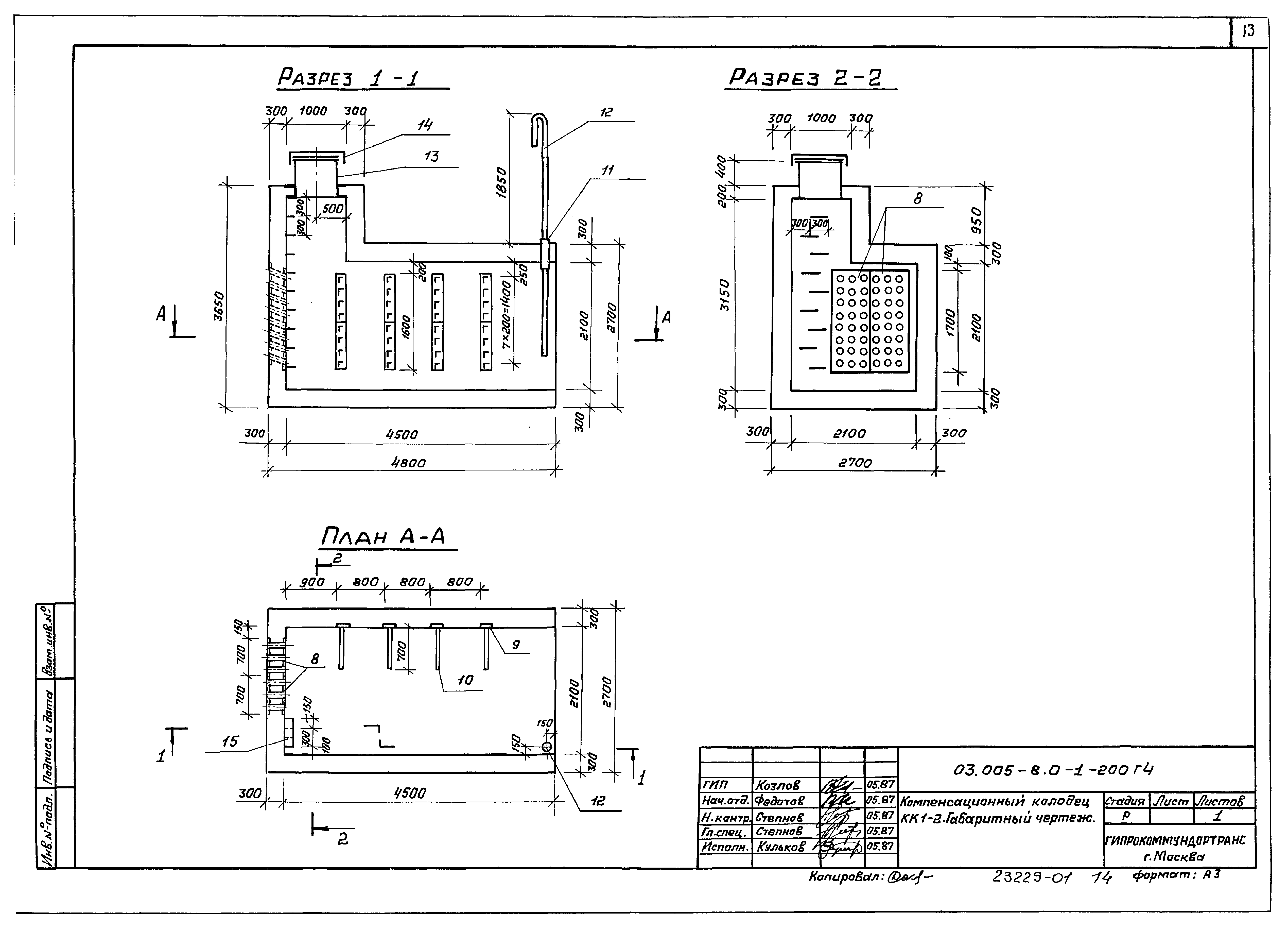
03.005-8.0-1-200 ГЧ Компенсационный колодец КК1-2. Габаритный чертеж
03.005-8.0-1-200 Компенсационный колодец КК1-2
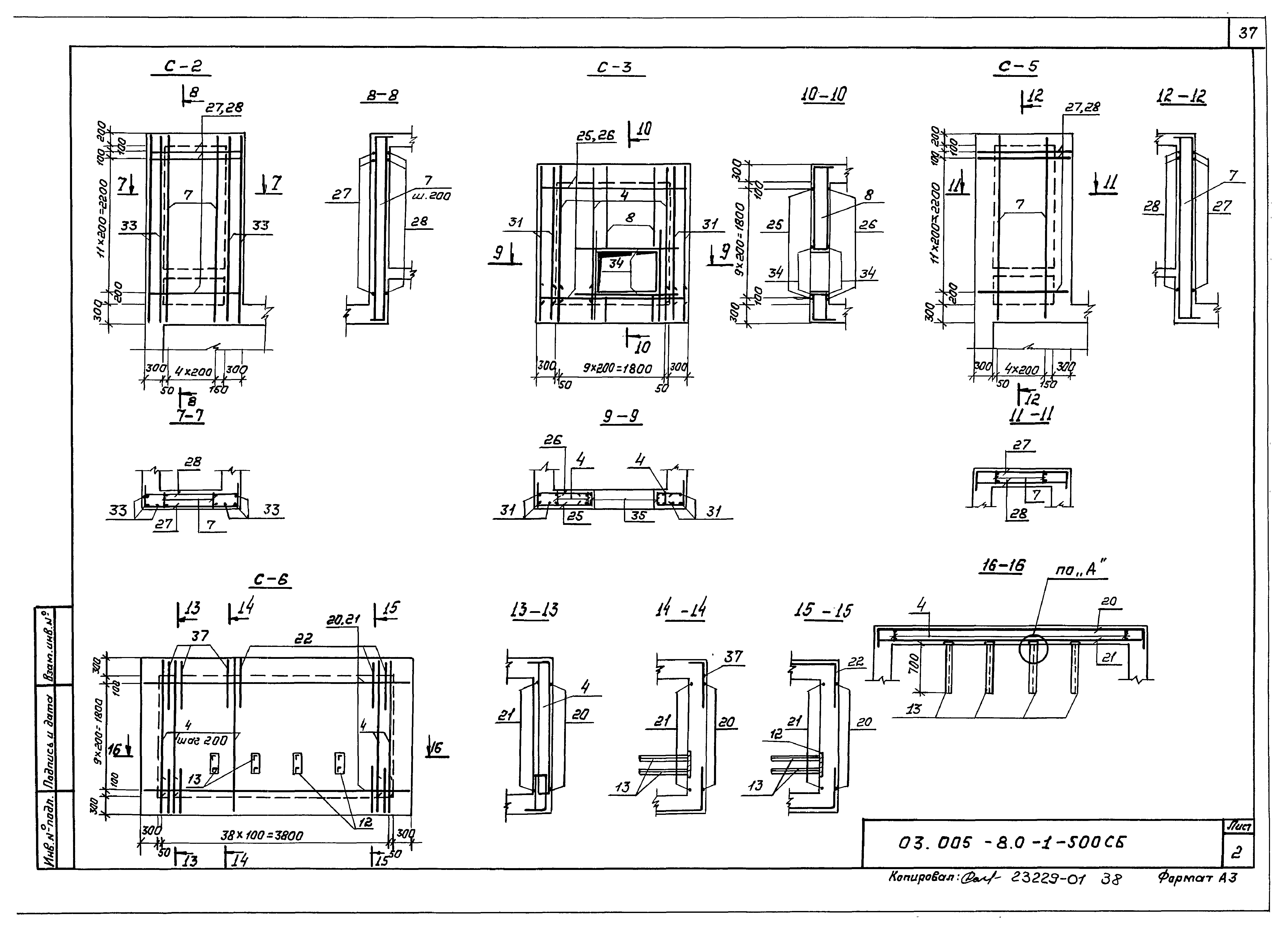
03.005-8.0-1-200 СБ Компенсационный колодец КК1-2. Сборочный чертеж
03.005-8.0-1-300 ГЧ Компенсационный колодец КК1-3. Габаритный чертеж
03.005-8.0-1-300 Компенсационный колодец КК1-3
03.005-8.0-1-300 СБ Компенсационный колодец КК1-3. Сборочный чертеж
03.005-8.0-1-400 ГЧ Компенсационный колодец КК2-1. Габаритный чертеж
03.005-8.0-1-400 Компенсационный колодец КК2-1
03.005-8.0-1-400 СБ Компенсационный колодец КК2-1. Сборочный чертеж
03.005-8.0-1-500 ГЧ Компенсационный колодец КК2-2. Габаритный чертеж
03.005-8.0-1-500 Компенсационный колодец КК2-2
03.005-8.0-1-500 СБ Компенсационный колодец КК2-2. Сборочный чертеж
03.005-8.0-1-600 ГЧ Компенсационное устройство КУ1-1. Габаритный чертеж
03.005-8.0-1-600 Компенсационное устройство КУ1-1
03.005-8.0-1-600 СБ Компенсационное устройство КУ1-1. Сборочный чертеж
03.005-8.0-1-700 РС Ведомость расхода стали
03.005-8.0-1-800 Узлы "А" - "Е"
Разработан: Гипрокоммундортранс
Утверждён:06.05.1988 Управление НГО СССР (31)
Расположен в:Техническая документация Строительство Справочные документы Типовые строительные конструкции, изделия и узлы Общероссийский строительный каталог Защитные сооружения гражданской обороны Конструкции и инженерное оборудование Конструкции и изделия
Серия 03.005-8Серия 03.005-8Серия 03.005-8Серия 03.005-8Серия 03.005-8Серия 03.005-8Серия 03.005-8Серия 03.005-8Серия 03.005-8Серия 03.005-8Серия 03.005-8Серия 03.005-8Серия 03.005-8Серия 03.005-8Серия 03.005-8Серия 03.005-8Серия 03.005-8Серия 03.005-8Серия 03.005-8Серия 03.005-8Серия 03.005-8Серия 03.005-8Серия 03.005-8Серия 03.005-8Серия 03.005-8Серия 03.005-8Серия 03.005-8Серия 03.005-8Серия 03.005-8Серия 03.005-8Серия 03.005-8Серия 03.005-8Серия 03.005-8Серия 03.005-8Серия 03.005-8Серия 03.005-8Серия 03.005-8Серия 03.005-8Серия 03.005-8Серия 03.005-8Серия 03.005-8Серия 03.005-8Серия 03.005-8Серия 03.005-8Серия 03.005-8

© 2013 Ёшкин Кот :-) Карта сайта