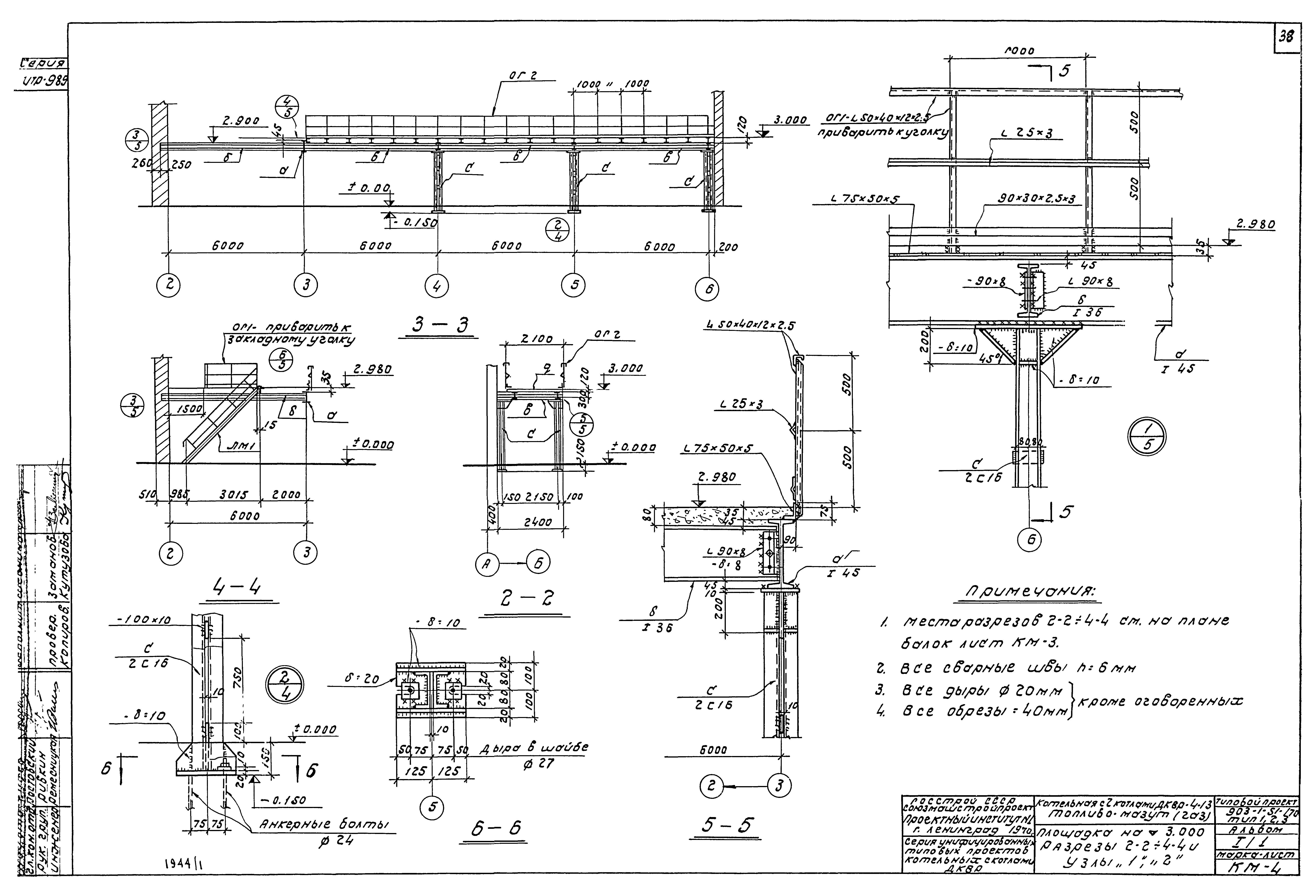
Скачать Типовой проект 903-1-51/70 Альбом I/1. Типы 1, 2, 3. Архитектурно-строительная часть. Общие чертежи. Здание с панельными стенамиДата актуализации: 10.08.2017 Типовой проект 903-1-51/70
Альбом I/1. Типы 1, 2, 3. Архитектурно-строительная часть. Общие чертежи. Здание с панельными стенамиОбозначение: | Типовой проект 903-1-51/70 | Обозначение англ: | 903-1-51/70 | Статус: | действует | Название рус.: | Альбом I/1. Типы 1, 2, 3. Архитектурно-строительная часть. Общие чертежи. Здание с панельными стенами | Дата добавления в базу: | 01.02.2017 | Дата актуализации: | 05.05.2017 | Разработан: | Проектный институт № 1 Госстроя СССР
| Утверждён: | 31.07.1970 Госстрой СССР (Государственный комитет Совета Министров СССР по делам строительства) (USSR Gosstroy 255)
| Издан: | ЦИТП Госстроя СССР (CITP, Gosstroy (USSR) 1974 г. )
| Расположен в: |
|
                                         
|