Информационная система
«Ёшкин Кот»

Скачать базу одним архивом
Скачать обновления
История создания базы
Карта сайта

Скачать Типовой проект 603-48 Альбом I. Технологическая часть

Дата актуализации: 10.08.2017

Типовой проект 603-48

Альбом I. Технологическая часть

Обозначение: Типовой проект 603-48
Обозначение англ: 603-48
Статус:не действует
Название рус.:Альбом I. Технологическая часть
Дата добавления в базу:01.09.2013
Дата актуализации:05.05.2017
Оглавление:ТП 603-46 Титульный лист
ТП 603-46 Содержание альбома
ТП 603-46 Пояснительная записка
ТП 603-46-СУ-1 Скелетная схема тракта низкой частоты
ТП 603-46-СУ-2 Скелетная схема тракта низкой частоты при переключении РТ сети на работу от фидерной линии
ТП 603-46-СУ-3 План размещения оборудования РТУ 100 ВТ. 1 вариант
ТП 603-46-СУ-4 План размещения оборудования РТУ 100 ВТ. 2 и 3 варианты
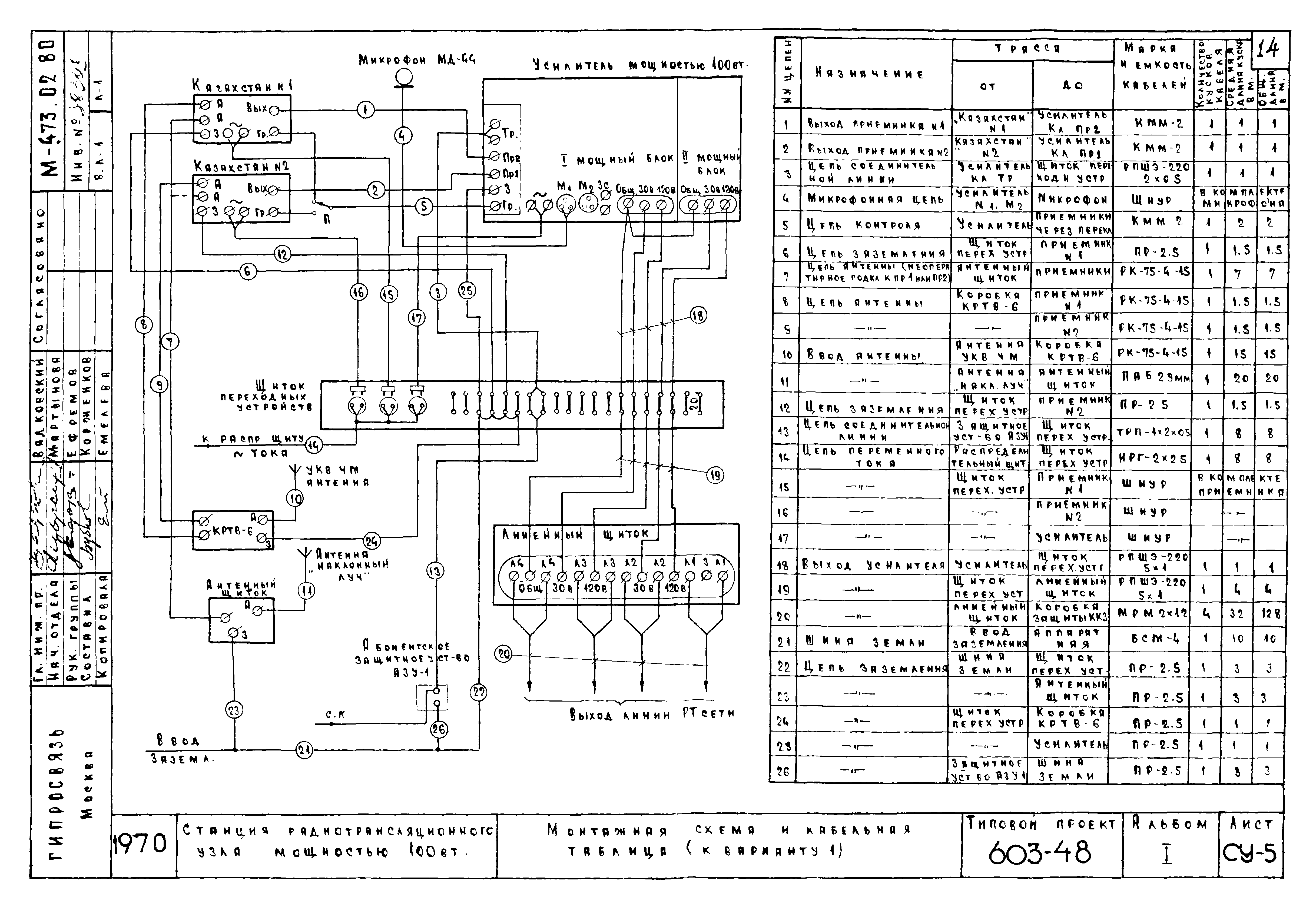
ТП 603-46-СУ-5 Монтажная схема и кабельная таблица (1 вариант)
ТП 603-46-СУ-6 План наружных устройств
ТП 603-46-СУ-7 Щиток переходных устройств
ТП 603-46-ЭО-1 Конструкция и схема вводного силового щитка
ТП 603-46-ЭО-2 Фундамент под бензоэлектрический агрегат т АП-2-0/20
ТП 603-46-ЭО-3 Крепление бензоэлектрического агрегата т АБ-2-0/270 к фундаменту
ТП 603-46-ЭО-4 Анкерный болт
ТП 603-46-ЭО-5 Стакан
Разработан: Гипросвязь
Утверждён:29.03.1971 Министерство связи СССР
Расположен в:Техническая документация Строительство Справочные документы Типовые строительные конструкции, изделия и узлы Общероссийский строительный каталог Промышленные предприятия, здания и сооружения Здания и сооружения связи Радиосвязь
Типовой проект 603-48Типовой проект 603-48Типовой проект 603-48Типовой проект 603-48Типовой проект 603-48Типовой проект 603-48Типовой проект 603-48Типовой проект 603-48Типовой проект 603-48Типовой проект 603-48Типовой проект 603-48Типовой проект 603-48Типовой проект 603-48Типовой проект 603-48Типовой проект 603-48Типовой проект 603-48Типовой проект 603-48Типовой проект 603-48Типовой проект 603-48Типовой проект 603-48Типовой проект 603-48Типовой проект 603-48

© 2013 Ёшкин Кот :-) Карта сайта